Nội dung toàn văn Tiêu chuẩn ngành 14TCN 21:2005 về Bản vẽ thủy lợi – Các nguyên tắc trình bày
TIÊU CHUẨN NGÀNH
14 TCN 21-2005
BẢN VẼ THỦY LỢI – CÁC NGUYÊN TẮC TRÌNH BÀY
Hydraulic engineering drawings – General principles of presentation
1. QUY ĐỊNH CHUNG
1.1. Tiêu chuẩn Bản vẽ Thủy Lợi – Các nguyên tắc trình bày quy định các nguyên tắc chung về trình bày các bản vẽ kỹ thuật trong lĩnh vực thủy lợi biểu diễn theo phương pháp chiếu thẳng góc.
1.2. Tiêu chuẩn này áp dụng cho các bản vẽ kỹ thuật trong các giai đoạn nghiên cứu, thiết kế các dự án thủy lợi. Các bản vẽ thuộc lĩnh vực khác như cơ khí, điện trong ngành thủy lợi, ngoài các quy định chuyên ngành bắt buộc, cũng có thể tham khảo áp dụng các quy định thích hợp trong tiêu chuẩn này.
2. THUẬT NGỮ
2.1. Mặt nhìn hay hình chiếu là hình biểu diễn theo phương pháp chiếu thẳng góc các phần thấy và khuất của vật thể đối với người quan sát. Các phần thấy và khuất được thể hiện tương ứng bằng các đường nét liền và đường nét đứt.
2.2. Hình cắt là hình biểu diễn phần còn lại của vật thể khi tưởng tượng cắt bỏ phần ở giữa mặt chia cắt và người quan sát.
2.3. Mặt cắt là hình biểu diễn nhận được trên mặt chia cắt khi tưởng tượng dùng mặt này cắt qua vật thể.
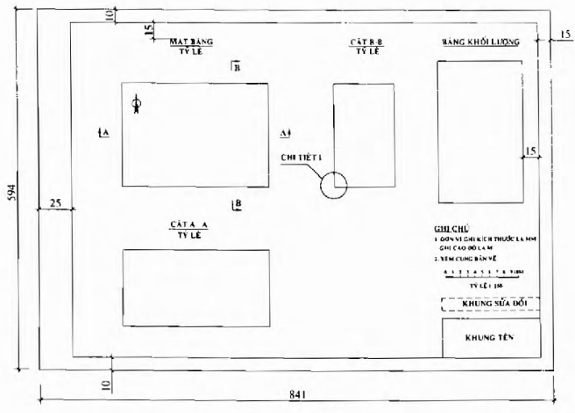
3. KHỔ BẢN VẼ
3.1. Kích thước khổ bản vẽ
3.1.1. Kích thước các khổ cơ bản của bản vẽ thủy lợi được quy định trong Bảng 3.1 và trình bày ở Hình 3.1.
Bảng 3.1. Kích thước các khổ bản vẽ
Đơn vị: mm
|
Khổ |
Kích thước |
Không gian trình bày |
||
|
a1 ± 0,5 |
b1 ± 0,5 |
a2 ± 0,5 |
b2 ± 0,5 |
|
|
A0 |
841 |
1189 |
821 |
1154 |
|
A1 |
594 |
841 |
574 |
806 |
|
A2 |
420 |
594 |
400 |
559 |
|
A3 |
297 |
420 |
277 |
385 |
|
A4 |
210 |
297 |
175 |
277 |
3.1.2. Khổ bản vẽ kéo dài là khổ kết hợp, có cạnh ngắn của một khổ nào đó (ví dụ khổ A3) và cạnh dài của một khổ khác (ví dụ khổ A1, tạo nên khổ A3.1). Chi tiết được trình bày ở Hình 3.1. Nên hạn chế dùng khổ bản vẽ kéo dài.

Ghi chú: kích thước mm
Hình 3.1
3.2. Lề và khung bản vẽ
3.2.1. Mọi bản vẽ đều phải có lề và đường bao không gian vẽ. Đường bao được thể hiện bằng đường nét liền có chiều rộng 0,7 mm (xem Hình 3.2).
3.2.2. Lề trái của bản vẽ rộng 25 mm, các lề còn lại rộng 10 mm. Trong những trường hợp đặc biệt, kích thước các lề có thể được quy định theo yêu cầu của chủ đầu tư.
|
|
1. Đường bao không gian vẽ 2. Lề bản vẽ 3. Đường bao bản vẽ đã xén 4. Đường bao bản vẽ chưa xén |
Hình 3.2
4. KHUNG TÊN
4.1. Với các bản vẽ từ khổ A3 đến A0, khung tên bố trí ở góc phải bên dưới theo cạnh dài của bản vẽ. Riêng với bản vẽ khổ A4, khung tên có thể được bố trí ở phần bên dưới theo cạnh ngắn của bản vẽ (Hình 4.1 và 4.2). Chiều dọc bản vẽ lấy theo chiều dọc của khung tên.
4.2. Khung tên cần có thông tin cần thiết như chủ quản đầu tư, đơn vị lập bản vẽ, giai đoạn thiết kế, tên và địa điểm của dự án, đối tượng thể hiện (như hạng mục, bộ phận công trình hay cốt thép), những người tham gia (thiết kế, kiểm tra, phê duyệt), số hiệu bản vẽ. Một số khung tên được trình bày tham khảo trong Phụ lục A.

4.3. Trong một hồ sơ kỹ thuật, khung tên phải có hình thức, nội dung giống nhau cho mỗi loại khổ bản vẽ.
4.4. Số hiệu bản vẽ phải được ghi trong khung tên (xem hình 4.2). Cùng với các thông tin cần thiết khác trong khung tên, số hiệu bản vẽ có mục đích chính là nhận biết lĩnh vực/hạng mục và số của bản vẽ. Các thành phần, nội dung trong số hiệu bản vẽ do cơ quan lập bản vẽ quy định cụ thể, và một số dạng phổ biến được trình bày dưới đây cho mục đích tham khảo.
1. Mã số dự án – số hiệu riêng của bản vẽ, ví dụ:
25 – 105: Mã số dự án 25 – bản vẽ 105
2. Mã số dự án – lĩnh vực/hạng mục công trình – số hiệu riêng của bản vẽ, ví dụ:
No.335 – ĐC – 010: Mã số dự án 335 – địa chất – bản vẽ 010
3. Mã số dự án – gói thầu – hạng mục công trình – số hiệu riêng của bản vẽ, ví dụ:
No.335 – V – CLN – 010: Mã số dự án 335 – gói thầu số V – cống lấy nước – bản vẽ 010.
4. Tên dự án – hạng mục công trình – số hiệu riêng của bản vẽ, ví dụ:
TLĐB – ĐPC – 005: Thủy lợi Định Bình – Hạng mục đập chính – bản vẽ 005.
4.5. Trong các bản vẽ AutoCAD nên sử dụng khung tên lập sẵn, chèn vào bản vẽ và in cùng với bản vẽ.
5. TỶ LỆ
5.1. Tỷ lệ được chọn phải đủ lớn để thể hiện những thông tin cần thiết một cách rõ ràng, dễ hiểu và không bị hiểu lầm, phù hợp với mục đích thể hiện và mức độ phức tạp của đối tượng được vẽ.
5.2. Khuyến nghị sử dụng các tỷ lệ sau:
Các bản đồ quy hoạch, mặt bằng bố trí chung, hồ chứa và các công trình, kết cấu lớn: 1:100 000; 1:50 000; 1:25 000; 1:10 000; 1:5000; 1:4000; 1:2000; 1:1000.
Các mặt bằng, mặt cắt và hình chiếu biểu diễn các kết cấu thông thường.
1:500, 1:250, 1:200, 1:100, và 1:400 nếu thích hợp.
Các chi tiết:
1:50, 1:40, 1:25; 1:20; 1:10; 1:5; 1:2; 1:1 hoặc 10:1 và 20:1.
5.3. Có thể ghi tỷ lệ của hình vẽ dưới dạng con số cụ thể hoặc ghi ký hiệu của thước tỷ lệ như ví dụ dưới đây.
![]()
Thước tỷ lệ thường được bố trí ở bên trên khung tên hay khung sửa đổi, nếu có, nhằm tiện lợi cho việc đọc bản vẽ (xem Hình 5.1).

Hình 5.1
5.4. Có thể áp dụng tỉ lệ ngang và đứng khác nhau, và khi đó cần ghi rõ, ví dụ như:
|
TL: NGANG: 1:200 |
TL: NGANG: “A” |
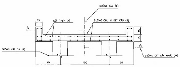
6. ĐƯỜNG NÉT
6.1. Các loại đường nét
Chỉ được sử dụng những loại đường nét quy định trong Bảng 6.1 dưới đây (xem minh họa ở Hình 6.1).
Bảng 6.1: Các loại đường nét và phạm vi áp dụng
|
Loại đường nét |
Thể hiện |
Áp dụng |
|
A Đường liền đậm |
|
Các đường bao thấy Các đường, cạnh thấy, đường bao khung tên Cốt thép dọc, cốt đai trong mặt cắt ngang, đường cắt qua vật thể, mũi tên chỉ mặt cắt Đường bao thấy của kết cấu/công trình, chi tiết máy, đường bao các bảng. |
|
B Đường liền mảnh |
|
Đường giao tuyến tưởng tượng Đường dóng và đường kích thước Đường dẫn Đường tô vật liệu Đường bao mặt cắt chập Đường trục ngắn Đường chải bóng, đường chu vi kết cấu trong các hình vẽ cốt thép Đường đồng mức chính Cốt thép đai trong hình cắt dọc dầm, khung và cột… |
|
C Đường lượn sóng mảnh D Đường liên tục có dích dắc mảnh |
|
Đường giới hạn ở các mặt nhìn (hình chiếu) và mặt cắt gián đoạn khi đường giới hạn không phải là đường gạch chấm mảnh (xem Hình 12.2 và 15.4) Đường cắt lìa |
|
E Đường nét đứt đậm F Đường nét đứt mảnh |
|
Đường bao khuất, cạnh khuất (xem Hình 10.3b, c) Đường bao khuất, cạnh khuất Đường đồng mức phụ |
|
G Đường gạch chấm mảnh |
|
Đường tim, đường trục đối xứng |
|
H Đường gạch chấm mảnh, đậm tại hai đầu và tại các vị trí đổi hướng |
|
Đường cắt gãy khúc, mặt chia cắt |
|
J Đường gạch chấm đậm |
|
Chỉ thị các đường hoặc mặt cắt có yêu cầu đặc biệt |
|
K Đường gạch hai chấm mảnh |
|
Đường bao các phần bên cạnh Các vị trí đầu mút và trung gian của các phần di động Đường trọng tâm (xem Hình 15.1c) Đường bao ban đầu trước khi gia công (xem Hình 6.1c) Phần nằm trước mặt chia cắt (Hình 15.6) |

a)

b)

c)
Hình 6.1
6.2. Chiều rộng của đường nét
6.2.1. Nên sử dụng tối thiểu hai loại chiều rộng đường nét với tỷ số giữa chiều rộng nét đậm và nét mảnh không được nhỏ hơn 2.
6.2.2. Chiều rộng của đường nét cần phù hợp với kích thước, loại hình vẽ và phải đủ rộng để có được các bản vẽ và bản sao rõ ràng. Các chiều rộng đường nét được quy định như sau: 0,18; 0,25; 0,35; 0,5; 0,7; 1; 1,4 và 2 mm. Đường bao không gian trình bày của bản vẽ được quy định có chiều dày 0,7 mm.
6.3. Khoảng cách các đường
Khoảng cách nhỏ nhất giữa hai đường song song, kể cả đường tô mặt cắt, không được nhỏ hơn hai lần chiều rộng của đường nét đậm hơn và không nên nhỏ hơn 0,7 mm.
6.4. Thứ tự ưu tiên của những đường trùng nhau
Khi các đường khác loại trùng nhau thì cần tuân thủ thứ tự ưu tiên sau:
1) Các đường bao ngoài và cạnh thấy (đường liền đậm loại A)
2) Các đường bao khuất và cạnh khuất (đường loại E hoặc F)
3) Mặt chia cắt (đường loại H)
4) Đường trục và đường đối xứng (đường gạch chấm mảnh loại G)
5) Đường trọng tâm (đường gạch hai chấm mảnh loại K)
6) Đường dóng kích thước (đường liền mảnh loại B).
6.5. Kết thúc đường dẫn
6.5.1. Đường dẫn là đường chỉ đến một phần tử nào đó (kích thước, vật thể, đường bao …). Các đường dẫn phải vẽ nghiêng so với các đường khác để tránh gây nhầm lẫn và phải kết thúc bằng (trừ các trường hợp nêu ở 6.5.2);
– Dấu chấm, nếu đường dẫn kết thúc ở bên trong đường bao của vật thể (Hình 6.2a);
– Mũi tên, nếu đường dẫn kết thúc ở đường bao của vật thể (Hình 6.2b)
– Tiếp điểm, nếu kết thúc trên đường kích thước (Hình 6.2c)

Hình 6.2
6.5.2. Khi chỉ dẫn nhiều lớp thì đường dẫn phải vuông góc với các lớp đó, ghi chú phải theo phương ngang và theo thứ tự từ trên xuống dưới, từ trái sang phải (Hình 6.3).

Hình 6.3
7. CHỮ VÀ SỐ
7.1. Kích thước
7.1.1. Chiều cao h của chữ in hoa được lấy làm kích thước cơ sở.
7.1.2. Dãy các chiều cao tiêu chuẩn h của chữ viết bằng khuôn và bằng tay quy định như sau: 2,5; 3,5; 5; 7; 14 và 20 mm và theo các Bảng 7.1 và 7.2.

Bảng 7.1. Chữ kiểu A (d=h/14)
Trị số tính bằng mm
|
Đặc trưng |
Tỷ số |
Kích thước |
|||||||
|
Chiều cao chữ hoa Chiều cao chữ thường |
h c |
(14/14)h (10/14)h |
2,5 1,8 |
3,5 2,5 |
5 3,5 |
7 5 |
10 7 |
14 10 |
20 14 |
|
Khoảng cách giữa các chữ Khoảng cách nhỏ nhất giữa các dòng Khoảng cách nhỏ nhất giữa các từ |
a b e |
(2/14)h (20/14)h (6/14)h |
0,35 3,5 1,05 |
0,5 5 1,5 |
0,7 7 2,1 |
1 10 3 |
1,4 14 4,2 |
2 20 6 |
2,8 28 8,4 |
|
Chiều rộng của nét |
d |
(1/14)h |
0,18 |
0,25 |
0,35 |
0,5 |
0,7 |
1 |
1,4 |
Bảng 7.2. Chữ kiểu A (d=h/10)
Trị số tính bằng mm
|
Đặc trưng |
Tỷ số |
Kích thước |
|||||||
|
Chiều cao chữ hoa Chiều cao chữ thường |
h c |
(10/10)h (7/10)h |
2,5 – |
3,5 2,5 |
5 3,5 |
7 5 |
10 7 |
14 10 |
20 14 |
|
Khoảng cách giữa các chữ Khoảng cách nhỏ nhất giữa các dòng Khoảng cách nhỏ nhất giữa các từ |
a b e |
(2/10)h (14/10)h (6/10)h |
0,5 3,5 1,5 |
0,7 5 2,1 |
1 7 3 |
1,4 10 4,2 |
2 14 6 |
2,8 20 8,4 |
4 28 12 |
|
Chiều rộng của nét |
d |
(1/10)h |
0,25 |
0,35 |
0,5 |
0,7 |
1 |
1,4 |
2 |
7.1.3. Khoảng cách giữa hai chữ có thể bằng chiều rộng nét d nếu dễ đọc hơn.
7.1.4. Trong các bản vẽ AutoCAD, cho phép sử dụng các kích thước chữ nằm ngoài phạm vi quy định ở Bảng 7.1 và 7.2, đồng thời phải đáp ứng các yêu cầu dễ đọc, cùng một kiểu, và thích hợp cho làm các bản sao.
7.1.5. Chữ viết có thể nghiêng 15o về bên phải hoặc thẳng đứng.
7.2. Mẫu chữ, số
Ví dụ những mẫu chữ và số thẳng đứng và nghiêng 15o được trình bày ở các Hình 7.1 đến 7.4. Có thể sử dụng một số mẫu chữ khác đã lập sẵn trong AutoCAD hoặc trong Window.
Chữ kiểu A đứng (d=h/14)

Hình 7.1
Chữ kiểu A nghiêng (d=h/14)

Hình 7.2
Chữ kiểu B đứng (d=h/10)

Hình 7.3
Chữ kiểu B nghiêng (d=h/10)

Hình 7.4
8. KÍCH THƯỚC VÀ CAO ĐỘ
8.1. Qui định chung
8.1.1. Các thành phần của kích thước gồm có đường dóng, đường kích thước và chữ số ghi kích thước (Hình 8.1).

Hình 8.1
8.1.2. Số lượng kích thước, cao trình ghi trên hình vẽ cần ít nhất, vừa đủ để thể hiện thông tin và thuận lợi cho thi công, chế tạo.
8.2. Chữ số kích thước
8.2.1. Các chữ số kích thước phải không bị cắt hoặc bị phân cách bởi bất kỳ đường nét nào của hình vẽ.
8.2.2. Chữ số kích thước được ghi theo những cách sau:
1. Chữ số kích thước song song với đường kích thước liền nét, chiều ghi chữ số được quy định ở Hình 8.2.

Hình 8.2
2. Chữ số kích thước ghi ở đoạn ngắt của đường kích thước (Hình 8.3a, 8.3b).
3. Chữ số kích thước góc cũng có thể ghi như ở Hình 8.3c.

Hình 8.3
8.3. Đường dóng và đường kích thước
8.3.1. Đường dóng và đường kích thước phải là đường liền mảnh và nằm ngoài hình vẽ. Các kích thước nằm ngang phải được ghi trên mặt bằng, các kích thước thẳng đứng phải được ghi trên các mặt nhìn (hình chiếu), hình cắt và mặt cắt đứng. Đường dóng phải bắt đầu gần đối tượng được ghi kích thước để tránh nhầm lẫn và kéo dài quá đường kích thước khoảng 3 mm.
8.3.2. Đường dóng và đường kích thước không nên cắt các đường khác, trừ trường hợp không thể tránh được như ở Hình 8.4.

Hình 8.4
8.3.3. Đường kích thước thường được kẻ liền, ngay cả khi đối tượng ghi kích thước bị ngắt đoạn (Hình 8.5b), trừ trường hợp dùng cách ghi kích thước như ở Hình 8.3a, 8.3b.
8.3.4. Đường kích thước phải kết thúc bằng một dấu hiệu để phân biệt, ví dụ như bằng mũi tên, gạch xiên 45o, hay dấu chấm (Hình 8.6).

Hình 8.5

Hình 8.6
8.3.5. Đường kích thước của bán kính bao gồm một mũi tên chỉ đến cung tròn. Mũi tên có thể được vẽ ở trong hay ở ngoài đường bao của phần tử. Phải ghi ký tự “R” hay “r” trước trị số kích thước để thể hiện đối tượng là bán kính (Hình 8.7).

8.3.6. Cách ghi trị số đường kính được trình bày ở Hình 8.8. Phải ghi ký hiệu “
” trước chữ số kích thước để thể hiện đối tượng là đường kính.

Hình 8.8
8.3.7. Khi ghi một chuỗi kích thước hay các kích thước trung gian thì cũng cần ghi kích thước kết thúc và kích thước tổng cộng. Đường kích thước tổng cộng phải nằm ngoài các đường kích thước trung gian (Hình 8.9).
8.3.8. Khoảng cách giữa các đường kích thước song song không nên nhỏ hơn 6 mm, khoảng cách tới chu vi hình vẽ không nhỏ hơn 10 mm (Hình 8.9).

Hình 8.9
8.3.9. Trong bản vẽ bố trí chung, có thể thể hiện kích thước thẳng đứng qua các trị số cao độ. Trong các bản vẽ chi tiết, trị số cao độ được ghi ở các vị trí như quan trọng, ví dụ như sàn, tâm lỗ, đáy lỗ và các vị trí đòi hỏi xác định chính xác bằng thiết bị đo. Các khoảng cách thẳng đứng khác được biểu diễn qua các trị số kích thước.
Không nên ghi kích thước cho những đối tượng thể hiện bằng đường khuất.
8.3.10. Trong các sơ đồ hình học của kết cấu thép, gỗ… được phép không dùng đường dóng và đường kích thước (Hình 8.10a).

Hình 8.10
8.3.11. Có thể biểu diễn chiều dày của vật liệu dạng tấm, lá bằng đường dẫn và trị số kích thước như ở Hình 8.10b.
8.3.12. Khi các đối tượng cần ghi kích thước cách đều nhau (cốt thép phân bố, cột nhà…) thì có thể ghi kích thước như ở Hình 8.11.

Hình 8.11
8.4. Cao độ
8.4.1. Cao độ trong các hình vẽ kết cấu, công trình thủy lợi được ghi theo đơn vị mét và lấy đến 2 số thập phân. Các ký hiệu cao độ ghi trên mặt cắt được trình bày ở các hình a đến h và các ký hiệu cao độ ghi trên mặt bằng được trình bày ở các hình i đến l, Hình 8.12.

Hình 8.12
9. BIỂU DIỄN ĐỘ DỐC
9.1. Độ dốc nhỏ (độ dốc dọc của kênh mương, đường xá) được thể hiện bằng mũi tên chỉ hướng dốc từ nơi cao xuống thấp và hệ số dốc dưới dạng tỉ số hay phần trăm. Ví dụ: 1:20 hay i = 0,05; i = 5% (xem Hình 9.1).
![]()
Hình 9.1
9.2. Độ dốc lớn (mái kênh, mái dập) được ghi theo các hình thức sau (xem Hình 9.2):
i) Tỷ số đứng: ngang, ví dụ 1:1,5; 1:2,5
ii) cotg của góc dốc α, ví dụ m = 1,5
iii) Hay dưới dạng sơ họa.
9.3. Trị số độ dốc được ghi song song với chiều dốc.

Hình 9.2
10. CHẢI MÁI, CHẢI BÓNG
10.1. Mái dốc của các khối đào, đắp, đá lát khan hay chít mạch được thể hiện qua đường chải mái. Trên hình vẽ mặt bằng/hình chiếu bằng, đường chải mái phải thẳng góc với các đường cùng độ cao thuộc mái dốc đang xét (xem Hình 10.1b). Trên hình chiếu đứng, chiếu cạnh đường chải mái phải thẳng góc với đường đối xứng qua đường nằm ngang của đường chân mái dốc đang xét (xem Hình 10.1a). Riêng với các mặt cong thì đường chải mái phải hướng tâm (xem Hình 10.2).
10.2. Mặt nghiêng, mặt cong bằng vật liệu xây đúc thể hiện qua đường chải bóng. Quy tắc chải bóng như sau:
|
Mặt nghiêng: |
Trên hình cắt dọc/chiếu cạnh: gần chải mau, xa chải thưa (Hình 10.3a) Trên hình chiếu đứng/chính diện: gần chải thưa, xa chải mau (xem Hình 10.3b) Trên hình vẽ mặt bằng/chiếu bằng: cao chải mau, thấp chải thưa (xem Hình 10.3c). |
|
Mặt cong: |
Độ thưa, mau của các đường chải bóng được trình bày ở Hình 10.4 |
|
Mặt chuyển tiếp: |
Đường chải bóng ở chuyển tiếp từ vuông hay chữ nhật sang tròn và ngược lại được biểu diễn như ở Hình 10.5. |

Hình 10.1

Hình 10.2

Hình 10.3

Hình 10.4

Hình 10.5
11. MẶT NHÌN
11.1. Tên mặt nhìn
Mặt nhìn hướng a = mặt nhìn từ phía trước;
Mặt nhìn hướng b = mặt nhìn từ trên xuống;
Mặt nhìn hướng c = mặt nhìn từ bên trái;
Mặt nhìn hướng d = mặt nhìn từ bên phải;
Mặt nhìn hướng e = mặt nhìn từ dưới lên;
Mặt nhìn hướng f = mặt nhìn từ phía sau.

Hình 11.1
11.2. Vị trí các mặt nhìn
11.2.1. Có thể chọn một trong hai phép chiếu thẳng góc các mặt nhìn, đó là
– Phép chiếu thẳng góc thứ nhất: mặt nhìn chính là mặt nhìn hướng a, các mặt nhìn còn lại được thể hiện ở Hình 11.2a.
– Phép chiếu thẳng góc thứ ba: mặt nhìn chính là mặt nhìn hướng a, các mặt nhìn còn lại được thể hiện ở Hình 11.2b.

Hình 11.2
11.2.2. Để bố trí thuận lợi các mặt nhìn, có thể sử dụng các mũi tên chỉ hướng. Khi đó được phép tự do bố trí các mặt nhìn, không nhất thiết phải theo các quy định về vị trí của chúng so với mặt nhìn chính như nêu ở Điều 11.2. Đồng thời, trừ mặt nhìn chính (thường chọn mặt nhìn từ phía trước), các mặt nhìn còn lại phải được ghi như: NHÌN TỪ THƯƠNG LƯU hay HÌNH CHIẾU A, HÌNH CHIẾU A-A (xem Hình 11.3).

Hình 11.3
11.3. Chọn mặt nhìn
11.3.1. Phải chọn mặt nhìn phản ánh nhiều thông tin nhất của vật thể làm mặt nhìn chính hay mặt nhìn từ phía trước.
11.3.2. Phải chọn lọc các mặt nhìn, hình cắt và mặt cắt theo nguyên tắc sau:
– Số mặt nhìn, hình cắt và mặt cắt là ít nhất và thể hiện đầy đủ vật thể, không bị hiểu nhầm.
– Tránh cần nhiều các đường bao khuất và cạnh khuất.
– Tránh lặp lại những chi tiết không cần thiết.
12. HÌNH CẮT
12.1. Hình cắt thể hiện phần thuộc mặt cắt và phần sau mặt cắt (Hình 12.1). Cho phép không biểu diễn tất cả các phần nằm sau mặt cắt, nếu không cần thiết.

Hình 12.1
12.2. Hình cắt một phần là hình cắt một bộ phận nhỏ của vật thể. Có thể bố trí hình cắt một phần ngay tại vị trí đang xét trên hình chiếu cơ bản, nhưng phải giới hạn bằng nét lượn sóng và nét này không trùng với bất kỳ một nét nào khác (Hình 12.2).

Hình 12.2
Vị trí mặt chia cắt trong hình cắt được xác định bằng các nét cắt đặt tại những chỗ giới hạn của mặt chia cắt (chỗ đầu, cuối và chỗ gẫy khúc, xem Hình 12.3). Ở nét cắt đầu và cuối có mũi tên chỉ hướng nhìn. Nét cắt đầu và cuối không được cắt đường bao của hình biểu diễn.

Hình 12.3
12.3. Cho phép ký hiệu hình cắt bằng chữ hay số, ví dụ như A-A, 1-1 (Hình 12.4), hoặc đặt tên đầy đủ cho hình cắt, ví dụ như: MẶT BẰNG TẦNG 1, MẶT BẰNG TẦNG 2…
12.4. Trong bản vẽ công trình nhà, quy ước dùng một mặt chia cắt nằm ngang (cách mặt sàn khoảng 1,50m) cắt ngang qua các cửa sổ để vẽ hình cắt bằng, khi đó không cần ghi vị trí của mặt chia cắt trên mặt đứng (Hình 12.4). Với các trường hợp khác, phải ghi rõ vị trí mặt chia cắt trên mặt đứng.
Trên hình cắt bằng của công trình nhà, các trục chính thường được ký hiệu:
Bằng các số thứ tự 1, 2, 3, 4,… theo mặt nhà có nhiều trục hơn
Bằng các chữ in hoa A, B, C, D,… theo mặt nhà có ít trục hơn
Các số và chữ ký hiệu trục được ghi theo thứ tự từ trái sang phải và từ dưới lên trên (Hình 12.4).

Hình 12.4
12.5. Để giảm bớt số lượng hình vẽ, trên một hình biểu diễn, có thể ghép một phần hình chiếu với một phần hình cắt hay các phần hình cắt với nhau (Hình 12.5). Trên bản vẽ nhà, đối với các công trình đối xứng, cho phép ghép hai hình cắt bằng trên cùng một hình biểu diễn. Nếu mặt chia cắt đi qua các cửa sổ của các tầng khác nhau thì không cần ghi vị trí mặt chia cắt trên mặt cắt đứng nhưng phải ghi rõ trên các nửa hình cắt đó bằng tên gọi hình cắt của các tầng. Ví dụ: HÌNH CẮT BẰNG TẦNG 1, HÌNH CẮT BẰNG TẦNG 2. Với các trường hợp khác phải ghi rõ vị trí mặt chia cắt trên mặt đứng.

Hình 12.5
13. MẶT CẮT
13.1. Có thể sử dụng những mặt chia cắt phẳng hoặc mặt chia cắt cong (C-C trên Hình 13.1a) để cắt rồi sau đó trải lên một mặt phẳng (Hình 13.1d).

Hình 13.1
13.2. Các mặt cắt được chia ra: a) mặt cắt thuộc hình cắt (theo định nghĩa về hình cắt), và b) mặt cắt không thuộc hình cắt.
13.2.1 Mặt cắt không thuộc hình cắt gồm có:
1. Mặt cắt rời, là mặt cắt đặt ở ngoài hình biểu diễn tương ứng (như A-A, B-B ở Hình 13.1). Mặt cắt rời có thể đặt ở giữa phần cắt lìa của hình chiếu (Hình 13.2b).
2. Mặt cắt chập, là mặt cắt đặt ngay trên hình biểu diễn đang xét (Hình 13.2a).

Hình 13.2
13.2.2. Đường bao của mặt cắt rời là đường loại A (đường liền đậm). Đường bao của mặt cắt chập là đường loại B (nét liền mảnh), đồng thời vẫn phải vẽ đầy đủ đường bao của hình biểu diễn tại vị trí mặt cắt chập.
13.2.3. Trong trường hợp vị trí của mặt chia cắt là rõ ràng thì không cần vẽ các chỉ thị về vị trí hay định danh như nét cắt, mũi tên và ký hiệu mặt cắt (Hình 13.2b).
14. HÌNH TRÍCH
14.1. Hình trích là hình được trích ra từ một hình biểu diễn đã có (hình xuất xứ) nhằm thể hiện rõ ràng và chi tiết hình dạng, kích thước và các thông tin khác của hình trích đó. Hình trích có thể trình bày những thông tin chưa thể hiện trên hình xuất xứ và cũng có thể không cùng loại với hình xuất xứ, ví dụ như hình xuất xứ là hình chiếu còn hình trích là hình cắt.
Để chỉ ra phần trích trên hình xuất xứ, có thể dùng một đường tròn hay nửa tròn nét liền mảnh (loại B) đi cùng với đường dẫn và ký hiệu bằng số hoặc chữ (Hình 14.1).
Tên hình trích được ghi theo dạng sau (xem Hình 14.1):
hay ![]()

Hình 14.1
Nên đặt hình trích gần với vị trí được trích từ hình xuất xứ và cũng cho phép vẽ hình trích ngay trên hình xuất xứ (Hình 14.1).
15. CÁC QUY ƯỚC KHÁC
15.1. Vật thể đối xứng
Để tiết kiệm thời gian và diện tích vẽ, các vật thể đối xứng được phép chỉ thể hiện một phần (Hình 15.1a và 15.1c). Các trục đối xứng được nhận biết thông qua hai vạch ngắn thẳng góc với nó (Hình 15.1a và 15.1c). Cho phép vẽ các đường biểu diễn vật thể vượt quá chút ít trục đối xứng như ở Hình 15.1b, khi đó không cần hai vạch ngắn thẳng góc.

Hình 15.1
15.2. Phần tử lặp lại
Nếu trên hình biểu diễn có một số phần tử giống nhau phân bố đều thì chỉ cần vẽ cụ thể một vài phần tử, các phần tử còn lại được vẽ đơn giản hay vẽ theo quy ước. Cho phép dóng ra để ghi chú về số lượng và cách bố trí các phần tử giống nhau đó, ví dụ như răng của bánh răng (Hình 15.2a), các tổ máy thủy điện, các tổ máy bơm (Hình 15.2b).

15.3. Quy ước đơn giản hóa
15.3.1. Trên hình chiếu và hình cắt, cho phép biểu diễn đơn giản các giao tuyến khi không yêu cầu phải thật chính xác. Ví dụ, có thể biểu diễn đường cong bậc hai bằng cung tròn…
15.3.2. Đường biểu diễn phần chuyển tiếp giữa các mặt có thể vẽ theo quy ước như ở hình 15.3a hoặc không vẽ nếu chúng không rõ rệt. (Hình 15.3b).

15.3.3. Đối với các vật thể hay phần tử dài có mặt cắt ngang không đổi hoặc thay đổi đều (trục, thép hình, bản đáy…) cho phép vẽ cắt lìa phần giữa (Hình 15.4).

Hình 15.4
15.3.4. Trên các hình vẽ vật thể có kết cấu như lưới bao quanh, trang trí, chạm trổ, khía nhám… thì có thể chỉ vẽ đơn giản một phần của kết cấu đó (Hình 15.5).

15.3.5. Để đơn giản hóa hình vẽ hoặc giảm bớt số lượng hình vẽ, cho phép:
1. Biểu diễn ở ngay trên hình cắt phần vật thể nằm giữa mặt chia cắt và người quan sát bằng nét gạch chấm đậm (Hình 15.6).
2. Biểu diễn trên một hình vẽ nhiều mặt cắt (Hình 15.7).
3. Dùng các hình cắt hay mặt cắt ghép (Hình 15.8).

Hình 15.7

Hình 15.8
16. BỐ TRÍ BẢN VẼ
16.1. Yêu cầu chung
16.1.1. Bản vẽ phải thể hiện đầy đủ, chính xác và rõ ràng các thông tin, tránh tạo nên sự hiểu lầm và có thể bổ sung được những thông tin, nếu cần.
16.1.2. Tránh trình bày bản vẽ quá chật và chồng lặp các hình. Các hình chi tiết cần được bố trí tương quan với các hình chính. Trong những trường hợp có thể, cần biểu diễn các mặt bằng và mặt đứng theo cùng một tỷ lệ và cùng một hướng trong toàn bộ tập bản vẽ. Trong một bản vẽ, cần bố trí các hình mặt bằng/mặt đứng theo thứ tự từ trái sang phải, hoặc từ trên xuống dưới.
16.1.3. Trường hợp không thể biểu diễn trọn vẹn một hình trên một bản vẽ thì có thể sử dụng đường chắp nối và biểu diễn các phần liên tục của hình đó trên những bản vẽ kế tiếp nhau. (xem Hình 16.1).

BẢN VẼ THỨ 1

BẢN VẼ THỨ I + 1
Hình 16-1
16.2. Bản đồ, bình đồ
16.2.1. Chiều dài nhất của bản đồ phải bố trí theo phương ngang. Hướng Bắc của bản đồ chung hay bản đồ trình bày các thông tin địa lý của vùng dự án cùng các khu vực xung quanh thường hướng lên phía trên của bản vẽ. Trường hợp không thể bố trí phía Bắc theo hướng lên trên thì nên theo hướng về bên trái rồi mới xét đến các hướng khác.
16.2.2. Phải chỉ rõ hướng Bắc trong bản đồ, bình đồ và trong các hình vẽ mặt bằng chính khi hướng Bắc là một trong những thông tin cần thiết. Phương Bắc được ký hiệu bằng chữ ‘B’ (Bắc) cùng với mũi tên chỉ hướng (xem hình 16.1). Không bắt buộc phải thể hiện hướng Bắc trong mặt bằng khi thông tin về hướng không có vai trò quan trọng, ví dụ như mặt bằng của một công trình trên kênh…
16.2.3. Ở các hình vẽ công trình, nên bố trí chiều của nước chảy từ trái sang phải hay từ dưới lên trên.
16.3. Màu sắc
Không cần sử dụng màu trong các bản vẽ kỹ thuật. Trường hợp cần dùng màu để thể hiện rõ hơn thì phải ghi rõ ý nghĩa các màu đó trên bản vẽ và trong các tài liệu liên quan.
17. KÝ HIỆU
17.1. Các công trình và hạng mục công trình trong bản vẽ thủy lợi cần tuân theo các ký hiệu quy ước được trình bày trong Phụ lục B, cụ thể như sau:
1. Trên các bản đồ quy hoạch: Xem Hình B.1
2. Trên các bản đồ hệ thống tưới, tiêu, các bản vẽ mặt bằng hoặc sơ họa tuyến kênh: Xem Hình B.2.
17.2. Một số ký hiệu chung và vật liệu xây dựng: Xem hình B.3.
17.3. Ký hiệu các lớp địa chất: Tham khảo theo hình B.4.
Khi sử dụng AutoCAD, các ký hiệu trên đã được lập sẵn trong menu TIỆNÍCH, chi tiết được trình bày trong Phụ lục C – Hướng dẫn sử dụng menu TIỆNÍCH.
18. CÁCH GẤP BẢN VẼ
Cách gấp bản vẽ được trình bày qua các hình vẽ cụ thể trong Phụ lục E, trong đó các số nguyên chỉ số thứ tự thực hiện đường gấp. Ví dụ, đầu tiên gấp theo đường 1, sau đó gấp theo đường 2, tiếp đến gấp theo đường 3, đường 4 và tiếp tục cho đến đường cuối cùng. Cách gấp này đảm bảo trang có khung tên luôn ở mặt ngoài, tiện ích cho nhận biết tên, số hiệu bản vẽ.
Phụ lục A
KHUNG TÊN
(Tham khảo)

Hình A.1

Hình A.2
Ghi chú:
1. Trong ô “NGÀY” ghi ngày tháng và năm Thủ trưởng cơ quan ký bản vẽ.
2. Đơn vị ghi kích thước khung tên là mm.
3. Các số trong ngoặc đơn chỉ chiều cao của chữ.
4. Khung tên bản vẽ sửa đổi chỉ áp dụng trong các bản vẽ thi công

Hình A.3

Hình A.4

Hình A.5
Phụ lục B
CÁC KÝ HIỆU DÙNG TRONG BẢN VẼ THỦY LỢI
B.1 Các loại đập và công trình chuyên dụng

Hình B.1 – Ký hiệu công trình và hạng mục công trình trên bản đồ quy hoạch

Hình B.1 – Ký hiệu công trình và hạng mục công trình trên bản đồ quy hoạch (Tiếp)
B.3 Các khu kho tàng, khu công nghiệp

Hình B.1 – Ký hiệu công trình và hạng mục công trình trên bản đồ quy hoạch (Tiếp)
B.4 Các công trình tổng hợp (từ 2 nhiệm vụ trở lên)

Hình B.1 – Ký hiệu công trình và hạng mục công trình trên bản đồ quy hoạch (Tiếp)

Hình B.2 – Ký hiệu công trình trên kênh

Hình B.3 – Một số ký hiệu chung và vật liệu thường dùng

Hình B.3 – Một số ký hiệu chung và vật liệu thường dùng (Tiếp)

Hình B.4 – Một số ký hiệu địa chất

Hình B.4 – Một số ký hiệu địa chất (Tiếp)
Phụ lục C
HƯỚNG DẪN SỬ DỤNG MENU TIỆN-ÍCH
Với mục đích tăng hiệu quả công tác lập bản vẽ, các trợ giúp dưới đây đã được lập sẵn và bổ sung vào phần mềm AutoCAD R14 thông qua Menu.
C1. Menu
Menu “TIỆN ÍCH” gồm có các lựa chọn sau:
1. TIỆN ÍCH/THƯỚC TỶ LỆ
Bao gồm các thước tỷ lệ thường dùng trong các bản đồ quy hoạch, mặt bằng bố trí chung, các mặt bằng, mặt cắt biểu diễn các kết cấu lớn, kết cấu thông thường hoặc các chi tiết. (xem Hình C.1).
Các thước trong menu được lập cho các tỷ lệ: 1:50000; 1:25000, 1:10000, 1:5000; 1:2000; 1:1000; 1:500; 1:200; 1:100, 1:50; 1:25; 1:20; 1:10.
2. TIỆN ÍCHKÝ HIỆU CT TRÊN BẢN ĐỒ
Bao gồm các ký hiệu công trình và hạng mục công trình trên các bản đồ quy hoạch như: các loại đập và công trình chuyên nghiệp, các trạm đo, trạm thí nghiệm, các khu kho tàng, khu công nghiệp, các công trình tổng hợp (xem cùng Hình B.1).
Các ký hiệu này đều được lập theo các tình trạng: dự định xây dựng, hiện có, cần sửa chữa hoặc cần dỡ bỏ.
3. TIỆN ÍCH KÝ HIỆU CT TRÊN KÊNH
Bao gồm các ký hiệu công trình trên các bản đồ hệ thống tưới, tiêu, các bản vẽ mặt bằng hoặc sơ họa tuyến kênh như: trạm bơm tưới, tiêu, cống đầu mối tưới, tiêu, cống lấy nước, cầu ô tô, cầu máng… (xem Hình B.2).
Các ký hiệu này được đều được lập theo các tình trạng: dự định xây dựng, hiện có, cần sửa chữa hoặc cần dỡ bỏ.
4. TIỆN ÍCHKÝ HIỆU CHUNG
TIỆN ÍCHKÝ HIỆU CHUNG gồm một số ký hiệu hay dùng trong các bản vẽ như: hướng Bắc, hướng dòng chảy, mực nước, cao độ, mặt nền đất, đá, vật liệu đá đổ, đá xây, bê tông,… (xem Hình B.3).
5. TIỆN ÍCHKÝ HIỆU ĐỊA CHẤT
Bao gồm ký hiệu các lớp địa chất như á cát, á sét, bột kết, cát thô… (xem Hình B.4).
C2. SỬ DỤNG
Thao tác để sử dụng các thành phần trong Menu TIỆN ÍCH đều gồm những bước sau
1. Vào Menu TIỆN ÍCH, sẽ xuất hiện một số hộp thoại tùy lựa chọn như sau:

2. Để chọn được hạng mục mong muốn, ví dụ như ký hiệu một cống tiêu dưới kênh hiện có cách làm như sau:
a. Vào TIỆN ÍCHKÝ HIỆU CT TRÊN KÊNHCT HIỆN CÓ. Xuất hiện hội thoại sau:

b. Chọn hạng mục Cống tiêu dưới kênh rồi bấm phím OK và đặt ký hiệu cống tiêu đó vào vị trí mong muốn trên bản vẽ đang lập.

Hình C.1 – Các thước tỷ lệ
Phụ lục D
CÁC BẢNG KÊ THƯỜNG DÙNG TRONG BẢN VẼ THỦY LỢI
1. BẢNG DANH MỤC BẢN VẼ
|
NO |
TÊN BẢN VẼ |
SỐ HIỆU BẢN VẼ |
|
1 |
CẮT DỌC KÊNH CHÍNH |
|
|
2 |
CẮT NGANG KÊNH CHÍNH |
|
|
|
|
|
|
|
|
|
|
20 |
CỐNG TIÊU TẠI K1+200 |
|
|
|
|
|
2. BẢNG KÊ KHỐI LƯỢNG
|
TT |
VẬT LIỆU |
ĐƠN VỊ |
KHỐI LƯỢNG |
|
1 |
ĐẤT ĐÀO |
M3 |
|
|
2 |
ĐẤT ĐẮP |
M3 |
|
|
|
|
|
|
|
|
|
|
|
|
20 |
BTCT M200 |
M3 |
|
|
|
|
|
|
3. BẢNG THỐNG KÊ CÁC CÔNG TRÌNH TRÊN KÊNH

4. BẢNG KÊ CỐT THÉP

5. BẢNG KÊ CỐT THÉP (DÙNG CHO SẢN PHẨM CÓ NHIỀU CẤU KIỆN)

6. BẢNG KHỐI LƯỢNG THÉP
|
STT |
… |
Σ L |
TL ĐƠN VỊ |
TL TOÀN BỘ |
GHI CHÚ |
|
1 |
10 |
397.05 |
0.617 |
244.98 |
THÉP Al |
|
2 |
12 |
24.78 |
0.888 |
22.00 |
THÉP Al |
|
TỔNG CỘNG |
266.98 |
|
|||
Phụ lục E
CÁCH GẤP BẢN VẼ






