Tiêu chuẩn quốc gia TCVN 2092:2008 về Sơn và vecni – Xác định thời gian chảy bằng phễu chảy đã được thay thế bởi Tiêu chuẩn quốc gia TCVN 2092:2013 (ISO 2431:2011) về Sơn và vecni – Xác định thời gian chảy bằng phễu chảy .
Nội dung toàn văn Tiêu chuẩn quốc gia TCVN 2092:2008 về Sơn và vecni – Xác định thời gian chảy bằng phễu chảy
TIÊU CHUẨN QUỐC GIA
TCVN 2092 : 2008
ISO 2431 : 1993
SƠN VÀ VECNI – XÁC ĐỊNH THỜI GIAN CHẢY BẰNG PHỄU CHẢY
Paints and varnishes – Determination of flow time by use of flow cups
Lời nói đầu
TCVN 2092 : 2008 thay thế cho TCVN 2092 : 1993.
TCVN 2092 : 2008 hoàn toàn tương đương với ISO 2431 : 1993, bản đính chính kỹ thuật 1:1994 và 2:1999.
TCVN 2092 : 2008 do Tiểu Ban kỹ thuật tiêu chuẩn quốc gia TCVN/TC35/SC9 Sơn và vecni – Phương pháp thử biên soạn, Tổng cục Tiêu chuẩn Đo lường Chất lượng đề nghị, Bộ Khoa học và Công nghệ công bố.
TCVN 2092 : 2008
SƠN VÀ VECNI – XÁC ĐỊNH THỜI GIAN CHẢY BẰNG PHỄU CHẢY
Paints and varnishes – Determination of flow time by use offlow cups
1. Phạm vi áp dụng
1.1. Tiêu chuẩn này là một trong các tiêu chuẩn đề cập đến việc lấy mẫu và thử nghiệm sơn, vecni và các sản phẩm liên quan.
1.2. Tiêu chuẩn này qui định phương pháp xác định thời gian chảy của sơn, vecni và các sản phẩm liên quan, có thể được sử dụng để kiểm tra độ đặc. Phương pháp để điều chỉnh sơn đạt độ đặc yêu cầu tại nhiệt độ áp dụng được mô tả trong Phụ lục A.
1.3. Bốn phễu chảy có kích thước giống nhau được qui định, nhưng có đường kính miệng phễu là 3 mm, 4 mm, 5 mm và 6 mm. Phương pháp hiệu chuẩn các phễu này đã được xác định.
1.4. Phương pháp này chỉ áp dụng đối với vật liệu thử có thể xác định được chắc chắn điểm dừng của dòng chảy từ lỗ phễu. Điểm này khó xác định và khó tái lập đối với các vật liệu có thời gian chảy vượt quá 100 s vì hiệu ứng chảy chậm.
2. Tài liệu viện dẫn
Các tài liệu viện dẫn sau đây là rất cần thiết khi áp dụng tiêu chuẩn này. Đối với các tài liệu viện dẫn ghi năm công bố thì áp dụng bản được nêu. Đối với các tài liệu viện dẫn không ghi năm công bố thì áp dụng bản mới nhất, bao gồm cả các bản sửa đổi (nếu có).
TCVN 2090 : 2007 (ISO 15528 : 2000) Sơn, vecni và nguyên liệu cho sơn và vecni – Lấy mẫu.
TCVN 5669 : 2007 (ISO 1513 : 1992) Sơn và vecni – Kiểm tra và chuẩn bị mẫu thử.
ISO 2884 : 1974 Paints and varnishes – Determination of viscosity at a high rate of shear (Sơn và vecni – Xác định độ nhớt tại tốc độ trượt cao).
3. Thuật ngữ và định nghĩa
Trong tiêu chuẩn này áp dụng các thuật ngữ và định nghĩa sau.
3.1. Thời gian chảy (flow time)
Thời gian tính từ thời điểm khi mẫu thử bắt đầu chảy từ lỗ phễu đã đổ đầy đến thời điểm khi dòng chảy của vật liệu bị ngắt đầu tiên nơi sát với lỗ phễu.
3.2. Dòng chảy newton (newtonian flow)
Một chất được coi là có dòng chảy newton khi tỷ số giữa ứng suất trượt và gradien tốc độ không thay đổi theo thời gian hoặc theo gradien tốc độ. Khi sự khác nhau của các tỷ số này nhỏ, ảnh hưởng của tác động cơ học lên độ nhớt, như sự khuấy, là không đáng kể và chất này có thể được coi là có dòng chảy tương tự dòng chảy newton.
3.3. Dòng chảy không bình thường (anomalous flow)
Một chất được coi là có dòng chảy không bình thường khi ở một nhiệt độ không đổi, tỷ số giữa ứng suất trượt và gradien tốc độ thay đổi theo thời gian hoặc theo tốc độ trượt. Ví dụ, các chất xúc biến, khuấy trộn cơ học ngay trước lúc kiểm tra sẽ làm thời gian chảy qua phễu thấp hơn so với mẫu không được khuấy. Với các chất này trong tất cả các loại phễu đều nhận được thời gian chảy không ổn định và thay đổi.
3.4. Độ nhớt động học (kinematic viscosity)
Tỷ số giữa độ nhớt động và khối lượng riêng của chất lỏng.
CHÚ THÍCH 1 Đơn vị St đối với độ nhớt động học là mét vuông trên giây (m2/s). Đơn vị truyền thống là centistoke (cSt); 1 cSt = 1 mm2/s.
4. Các chú ý về nhiệt độ
Tác động của nhiệt độ lên thời gian chảy là rất rõ rệt đối với các tính chất áp dụng và thay đổi theo loại sản phẩm.
Đối với mục đích viện dẫn quốc tế, cần phải tiêu chuẩn hóa nhiệt độ thử và trong tiêu chuẩn này qui định nhiệt độ là (23 ± 0,5) °C. Tuy nhiên, để thuận lợi hơn nên thực hiện phép thử so sánh tại một vài nhiệt độ thỏa thuận khác (ví dụ 25 °C) do điều kiện nhiệt độ đó hay gặp.
Để kiểm tra thời gian chảy, mẫu thử và phễu chảy phải được ổn định tại một nhiệt độ thỏa thuận hoặc qui định và phải đảm bảo rằng sự thay đổi nhiệt độ không vượt quá 0,5 °C trong khi thử.
5. Thiết bị, dụng cụ
5.1. Phễu chảy
5.1.1. Kích thước
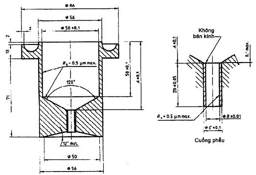
Các kích thước của phễu chảy và dung sai cho phép trong sản xuất được chỉ ra trong Hình 1.
CHÚ THÍCH 2 Dung sai đáng chú ý nhất là đường kính trong của cuống phễu, vì thời gian chảy tỷ lệ nghịch với lũy thừa bốn của kích thước này.
Trừ khi có qui định khác, cuống phễu phải được làm bằng thép không gỉ hoặc cacbua thiêu kết, thân của phễu phải được làm từ vật liệu chịu ăn mòn và không bị ảnh hưởng bởi sản phẩm thử nghiệm.
Kích thước tính bằng milimet, trừ khi có biểu thị khác

|
Kích thước |
Các giá trị 1) đối với các phễu chảy nhất định |
|||
|
Phễu 3-mm |
Phễu 4-mm |
Phễu 5-mm |
Phễu 6-mm |
|
|
A |
63 |
62,7 |
62,4 |
62,1 |
|
B |
3 |
4 |
5 |
6 |
|
C |
5 |
6 |
7 |
8 |
|
1) Đối với dung sai, xem mặt cắt phóng to của cuống phễu. |
||||
Hình 1 – Phễu chảy
5.1.2. Kết cấu
Các kích thước không qui định, như độ dày thành, cần phải bảo đảm để phễu không bị biến dạng khi sử dụng. Nên sử dụng phễu có hình dạng bên ngoài như Hình 1, nhưng có thể thay đổi để thuận tiện cho sử dụng, hoặc sản xuất, miễn là cuống phễu nhô ra phải được bảo vệ một cách tốt nhất để tránh hư hại ngẫu nhiên bằng một ống bảo vệ bên ngoài. Ống bảo vệ như thế không được liền kề ngay cuống phễu, để tránh ảnh hưởng của mao dẫn khi mẫu thử chảy ra ngoài.
CHÚ THÍCH 3 Để kiểm soát nhiệt độ, tốt nhất là phễu có vỏ bọc.
5.1.3. Bề mặt
Bề mặt bên trong của phễu, kể cả lỗ phễu, phải nhẵn và không có các xoáy, đường nứt, gờ và đường dấu khuôn có thể gây ra dòng chảy hỗn loạn hay chặn mẫu hoặc vật liệu làm sạch.
CHÚ THÍCH 4 Tiêu chuẩn bề mặt yêu cầu có độ nhám lớn nhất1) không quá 0,5 mm.
5.1.4. Hiệu chuẩn
Đối với chất lỏng newton, các phễu có kích thước giống nhau sẽ cho thời gian chảy như nhau, miễn là nhiệt độ thử chính xác như nhau. Việc sử dụng các chất lỏng này để hiệu chuẩn sẽ rất hữu dụng cho việc kiểm tra ban đầu các phễu có cùng kích thước với các dung sai cho phép, đồng thời cũng để kiểm tra định kỳ ảnh hưởng của sự hao mòn hay sai lệch của phễu so với dung sai cho phép.
Để hiệu chuẩn một phễu cụ thể, sử dụng dầu chuẩn có độ nhớt động học đã biết và xây dựng biểu đồ độ nhớt động học theo nhiệt độ từ dữ liệu đã cho bởi nhà cung cấp dầu.
Sử dụng qui trình mô tả trong điều 7, xác định thời gian chảy của dầu ở nhiệt độ đã biết từ 20 °C đến 30 °C, chính xác đến 0,1 °C.
Ghi lại thời gian chảy này, nó phải nằm trong dải từ 30 s đến 100 s và tốt nhất ở gần điểm giữa của dải này, chính xác đến 0,2 s.
Từ biểu đồ đã xây dựng, đọc độ nhớt động học tại nhiệt độ thử.
Sử dụng phương trình thích hợp, tính thời gian chảy tương ứng với độ nhớt động học này.
Các phương trình hiệu chuẩn này như sau:
Phễu 3-mm v = 0,443t – (200/t)
Phễu 4-mm v = 1,37t – (200/t)
Phễu 5-mm v = 3,28t – (220/t)
Phễu 6-mm v = 6,90t – (570/t)
CHÚ THÍCH 5 Các đường chuẩn vẽ từ Hình 2 đến Hình 5 đối với các phương trình này chỉ mang tính thông tin.
Nếu nhận được hai giá trị của thời gian chảy không khác nhau quá 3 %, phễu được coi là thỏa mãn điều kiện sử dụng.

Hình 2 – Đường chuẩn đối với phễu 3-mm

Hình 3 – Đường chuẩn đối với phễu 4-mm

Hình 4 – Đường chuẩn đối với phễu 5-mm

Hình 5 – Đường chuẩn đối với phễu 6-mm
5.1.5. Ghi nhãn
Mỗi phễu chảy phải có nhãn ghi cố định, dễ đọc như sau:
a) Qui cách của phễu: TCVN 2092 (ISO 2431) số 3, 4, 5 hay 6;
b) Số nhận dạng của nhà sản xuất;
c) Tên hoặc thương hiệu nhà sản xuất.
5.1.6. Bảo quản và kiểm tra phễu chảy
Dùng dung môi thích hợp làm sạch phễu ngay sau khi sử dụng và trước khi mẫu bắt đầu khô. Không được sử dụng các dụng cụ hay dây bằng kim loại để làm sạch phễu. Nếu miệng lỗ bị nhiễm bẩn cặn lắng khô, dùng dung môi thích hợp làm mềm cặn và rửa cẩn thận, ví dụ bằng vải mềm kéo qua miệng lỗ.
Định kỳ kiểm tra độ hao mòn và hư hại của phễu theo qui trình hiệu chuẩn qui định trong 5.1.4.
5.2. Thiết bị, dụng cụ khác
5.2.1. Nhiệt kế, chính xác đến 0,2 °C và được chia độ với khoảng 0,2 °C hoặc nhỏ hơn.
5.2.2. Giá đỡ, phù hợp để giữ phễu chảy và có vít điều chỉnh độ cao thấp của phễu.
5.2.3. Ống nivo giọt nước, tốt nhất là loại tròn.
5.2.4. Tấm kính phẳng hoặc dao gạt lưỡi thẳng.
5.2.5. Đồng hồ bấm giây, hoặc dụng cụ đo thời gian phù hợp có chia độ đến 0,2 s hoặc nhỏ hơn, chính xác đến 0,1 % khi được kiểm tra trong thời gian 60 min.
5.2.6. Phòng hoặc khoang có kiểm soát nhiệt độ, có khả năng duy trì phễu và mẫu ở nhiệt độ khuyến nghị, nhiệt độ không đổi (xem điều 4).
CHÚ THÍCH 6 Điều này không cần nếu phễu chảy có vỏ bọc để kiểm soát nhiệt độ.
6. Lấy mẫu
Lấy mẫu đại diện cho sản phẩm cần kiểm tra theo TCVN 2090 (ISO 15528). Nếu phép thử được thực hiện với mục đích trọng tài, lọc mẫu qua rây thích hợp vào bình chứa khô, sạch. Kiểm tra và chuẩn bị mẫu để thử nghiệm theo TCVN 5669 (ISO 1513).
Đối với các phép thử cho mục đích khác, nên lọc mẫu. Để thực hiện một phép thử, khoảng 150 ml mẫu đã lọc là đủ. Cẩn thận trộn kỹ mẫu, đồng thời tránh tối đa sự hao hụt dung môi do bay hơi.
7. Cách tiến hành
7.1. Kiểm tra sơ bộ
7.1.1. Chọn phễu chảy có thời gian chảy từ 30 s đến 100 s đối với vật liệu.
7.1.2. Xác định thời gian chảy như qui định trong 7.2, chắc chắn rằng mẫu thử được khuấy mạnh trước khi rót vào phễu. Giữ mẫu đầy trong phễu trong 5 s, buông ngón tay ra.
7.1.3. Lặp lại phép xác định, nhưng lần này để mẫu giữ trong phễu 60 s trước khi buông ngón tay ra.
7.1.4. Nếu kết quả thứ hai chênh lệch so với kết quả thứ nhất hơn 10 %, mẫu được cho là có dòng chảy không-newton và do vậy không thích hợp để kiểm tra độ nhớt bằng cách đo thời gian chảy.
7.2. Xác định thời gian chảy
7.2.1. Chọn phễu chảy
Chọn phễu chảy có thời gian chảy từ 20 s đến 100 s, nhưng tốt nhất là từ 30 s đến 100 s, đối với mẫu thử nghiệm.
7.2.2. Điều chỉnh nhiệt độ
Điều chỉnh nhiệt độ của mẫu để lọc và phễu chảy đến (23 ± 0,5) °C hoặc nhiệt độ thỏa thuận khác (xem điều 4).
CHÚ THÍCH 7 Nếu sử dụng khoang có kiểm soát nhiệt độ (5.2.6), nên ổn định phễu và mẫu trước khi lọc, bằng cách đặt chúng vào khoang trước khi sử dụng.
Mẫu phải được coi là đã sẵn sàng để thử ngay sau khi bọt không khí tạo ra trong lúc chuẩn bị và tiến hành lọc không còn nữa. Ngay trước khi đổ đầy phễu, thực hiện kiểm tra lần cuối nhiệt độ của mẫu không sai quá 0,5 °C so với nhiệt độ thử nghiệm đã thỏa thuận.
7.2.3. Chuẩn bị phễu chảy
Đặt phễu chảy lên giá đỡ (5.2.2), ở vị trí không có gió lùa, bằng cách sử dụng ống nivo (5.2.3) và điều chỉnh vít lên xuống của giá đỡ, sao cho vành mép trên của phễu chảy nằm trong một mặt phẳng nằm ngang.
7.2.4. Đổ mẫu vào phễu
Bịt lỗ phễu bằng ngón tay, đổ vào phễu mẫu vừa mới lọc, không có bọt không khí, rót từ từ để tránh tạo bọt không khí. Nếu bọt được tạo thành, để bọt nổi lên bề mặt và bỏ đi.
CHÚ THÍCH 8 Nếu phễu được cân bằng đúng cách, mẫu sẽ chảy tràn đều qua vành mép phễu vào đường rãnh. Loại bỏ mặt khum được tạo thành bằng cách dùng dao lưỡi thẳng (5.2.4) gạt qua toàn bộ mép phễu hoặc dùng tấm kính phẳng, cạnh tròn trượt qua mép phễu sao cho không tạo bọt không khí giữa kính và bề mặt của mẫu. Sau đó rút tấm kính bằng cách kéo nó ngang qua mép phễu sao cho chiều cao của mẫu trùng với đỉnh mép của phễu.
7.2.5. Đo thời gian chảy
Đặt cốc hứng thích hợp dưới phễu chảy sao cho khoảng cách giữa lỗ phễu và bề mặt của mẫu hứng được không nhỏ hơn 100 mm. Buông ngón tay ra khỏi lỗ phễu đồng thời bắt đầu tính thời gian (5.2.5), dừng đồng hồ lại ngay khi điểm ngắt đầu tiên xuất hiện trong dòng chảy của mẫu sát với lỗ phễu. Ghi lại thời gian chảy, chính xác đến 0,5 s.
Nếu phép thử không được thực hiện trong khoang có kiểm soát nhiệt độ, đặt bầu nhiệt kế (5.2.1) vào trong dòng chảy của mẫu sao cho không ảnh hưởng đến sự quan sát điểm ngắt của dòng chảy. Bất kỳ một sự sai khác nhiệt độ nào so với nhiệt độ điều chỉnh ban đầu đều không được lớn hơn 0,5 °C.
CHÚ THÍCH 9 Điều này sẽ được thực hiện thuận tiện bằng cách giữ nhiệt kế trong dụng cụ kẹp thích hợp sao cho bầu được đặt để hợp thành một góc với hướng của dòng chảy và được nhúng hoàn toàn vào dòng chảy và cách xa lỗ phễu không nhỏ hơn 100 mm. Để thuận lợi, sử dụng chính nhiệt kế đã dùng trước đó để điều chỉnh nhiệt độ của mẫu.
7.2.6. Lặp lại các phép xác định
Tiến hành phép xác định thứ hai trên phần mẫu thử khác của mẫu đã chuẩn bị ban đầu và cẩn thận kiểm tra để biết nhiệt độ thử nghiệm vẫn nằm trong giới hạn qui định hay không. Ghi lại thời gian chảy chính xác đến 0,5 s. Tính giá trị trung bình của hai phép xác định.
Nếu kết quả hai phép xác định chênh lệch trên 5 %, tiến hành phép xác định thứ ba. Nếu kết quả của phép xác định thứ ba và của một trong hai phép xác định trước không chênh lệch hơn 5 % thì loại bỏ kết quả nằm ngoài giới hạn 5 %. Tính kết quả trung bình của hai kết quả được chấp nhận.
Nếu phép xác định thứ ba không đáp ứng được cách làm theo thỏa thuận này, thì phương pháp thử có thể không thích hợp vì qui luật của dòng chảy là không bình thường, và phải xem xét đưa ra phương pháp thử khác.
8. Độ chụm
Độ chụm của phương pháp nhận được bằng kiểm tra thống kê các kết quả thử liên phòng như sau.
8.1. Độ lặp lại (r)
Chênh lệch tuyệt đối giữa hai kết quả đơn lẻ nhận được trên cùng mẫu thử do cùng một thí nghiệm viên thực hiện trong một phòng thử nghiệm trong khoảng thời gian ngắn, sử dụng phương pháp thử đã được tiêu chuẩn hóa có xác suất 95 % là 5 %.
8.2. Độ tái lập (R)
Chênh lệch tuyệt đối giữa hai kết quả thử đơn lẻ nhận được trên cùng mẫu thử do các thí nghiệm viên thực hiện trong các phòng thử nghiệm khác nhau, sử dụng phương pháp thử đã được tiêu chuẩn hóa có xác suất 95 % là 10 %.
9. Báo cáo thử nghiệm
Báo cáo thử nghiệm phải bao gồm ít nhất các thông tin sau:
a) Các chi tiết cần thiết để nhận dạng sản phẩm cần thử;
b) Viện dẫn tiêu chuẩn này và qui cách của phễu sử dụng (số 3, 4, 5 hay 6);
c) Số xác nhận của nhà sản xuất về phễu chảy được sử dụng;
d) Nhiệt độ thử nghiệm;
e) Thời gian chảy (đối với mục đích trọng tài, các giá trị đơn lẻ cũng phải được báo cáo);
f) Bất kỳ sai khác với phương pháp thử qui định, kể cả thỏa thuận hay cách khác;
g) Ngày thử nghiệm.
PHỤ LỤC A
(tham khảo)
SỬ DỤNG PHỄU CHẢY ĐỂ ĐIỀU CHỈNH ĐỘ ĐẶC CỦA SƠN
A.1. Khái quát
Trong điều kiện nhất định có thể cần phải điều chỉnh độ đặc của sơn đến thời gian chảy cần thiết ở nhiệt độ áp dụng.
Vì độ đặc sơn thay đổi theo nhiệt độ, nên nhà sản xuất sơn cần cung cấp biểu đồ chỉ mối quan hệ giữa nhiệt độ và lượng chất pha loãng được thêm vào để có được độ đặc mong muốn.
A.2. Sử dụng phễu chảy để xác định lượng chất pha loãng cần thiết để điều chỉnh sơn đạt được thời gian chảy qui định.
A.2.1. Độ đặc ứng dụng của sơn được điều chỉnh dễ dàng bằng cách thêm chất pha loãng để đạt được thời gian chảy yêu cầu tại nhiệt độ áp dụng. Khi điều kiện áp dụng được biết để thay đổi trên một dải nhiệt độ, như những biến đổi theo mùa hay ở những công trường khác nhau, các tỷ lệ thể tích của chất pha loãng so với sơn có thể được xác định trước và được biểu thị ở dạng biểu đồ hoặc dạng bảng để thuận lợi cho người sử dụng. Tuy thế, thời gian chảy thực vẫn nên được kiểm tra và điều chỉnh nếu cần, ngay trước khi sử dụng.
A.2.2. Khi sơn pha loãng đến độ đặc qui định, người sử dụng nên có, hoặc:
a) biểu đồ hoặc bảng chỉ ra tỷ lệ thể tích giữa chất pha loãng và sơn cần thiết để đạt được thời gian chảy xác định trước, phụ thuộc vào sự thay đổi nhiệt độ tại công trường; hoặc
b) thông tin từ nhà cung cấp chỉ ra thời gian chảy áp dụng và tỷ lệ pha loãng tương đối.
A.2.3. Phễu chảy, sử dụng cho vật liệu thử phải có thời gian chảy lớn hơn 20 s, đáp ứng được độ chính xác cho phép thử.
A.2.4. Pha loãng mẫu đại diện của khối sơn với thể tích chất pha loãng thích hợp và khuấy cho đến khi đồng đều.
A.2.5. Đặt phễu chảy sạch lên giá đỡ và chắc chắn rằng đỉnh của phễu được thăng bằng khi phễu nằm trên giá.
A.2.6. Bịt kín lỗ phễu bằng ngón tay, đổ sơn đã pha loãng vào phễu cho đến khi nó chảy tràn đều qua mép của phễu. (Nếu phễu ngang bằng, mẫu chảy tràn đều qua mép phễu.)
A.2.7. Buông ngón tay khỏi lỗ phễu và đồng thời khởi động dụng cụ đo thời gian, dừng lại ngay khi điểm ngắt đầu tiên xuất hiện trong dòng chảy của sơn sát với lỗ phễu. Ghi lại thời gian chảy chính xác đến giây.
Thêm chất pha loãng vào nếu thời gian chảy quá dài hoặc thêm sơn vào nếu thời gian chảy quá ngắn. Sau mỗi lần thêm, trộn đều sơn đã pha loãng và xác định lại thời gian chảy cho đến khi các giới hạn yêu cầu được đáp ứng.
A.3. Báo cáo thử nghiệm
Báo cáo thử nghiệm phải bao gồm tỷ lệ cần thiết giữa chất pha loãng và sơn, nếu cần, điều khoản a), b), c), f) và g) của điều 9, cùng với bản ghi nhiệt độ thử, chính xác đến 0,5 °C, và thời gian chảy chính xác đến giây.
1) Trong định nghĩa trong ISO 468:1982 Độ nhám bề mặt – Thông số, trị số và nguyên tắc chung về yêu cầu kỹ thuật, tức là độ lệch trung bình cộng R…, với đường trung bình của hình thái bề mặt.


