Tiêu chuẩn Việt Nam TCVN312-1:2007

  • Loại văn bản: Tiêu chuẩn Việt Nam
  • Số hiệu: TCVN312-1:2007
  • Cơ quan ban hành: ***
  • Người ký: ***
  • Ngày ban hành: ...
  • Ngày hiệu lực: ...
  • Lĩnh vực: Xây dựng
  • Tình trạng: Không xác định
  • Ngày công báo: ...
  • Số công báo: Còn hiệu lực

Nội dung toàn văn Tiêu chuẩn quốc gia TCVN 312-1:2007 (ISO 148-1:2006) về thử va đập kiểu con lắc Charpy – Phần 1: Phương pháp thử


TIÊU CHUẨN VIỆT NAM

TCVN 312-1:2007

VẬT LIỆU KIM LOẠI

THỬ VA ĐẬP KIỂU CON LẮC CHARPY PHẦN 1: PHƯƠNG PHÁP THỬ

Metallic materials – Charpy pendulum impact test – Part 1: Test method

1. Phạm vi áp dụng

Tiêu chuẩn này quy định phương pháp thử va đập kiểu con lắc Charpy (rãnh V và rãnh U) để xác định năng lượng hấp thụ trong thử va đập vật liệu kim loại.

Tiêu chuẩn này không đ cập đến thiết bị (dụng cụ) để thử va đập, điều này được quy đnh trong ISO 14556.

2. Tài liệu viện dẫn

Các tài liệu dưới đây là rất cần thiết đối với việc áp dụng tiêu chuẩn này. Đối với tài liệu có ghi năm công bố, áp dụng phiên bản được nêu. Đối với tài liệu không có năm công bố, áp dụng phiên bản mi nhất (kể cả các sửa đổi).

TCVN 312-2 : 2007 (ISO 148-2 : 1998), Vật liệu kim loại – Th va đập kiểu con lắc Charpy – Phn 2: Kiểm định máy thử.

TCVN 2244 (ISO 286-1), Hệ thống ISO về dung sai và lắp ghép – Cơ sở của dung sai, sai lệnh và lắp ghép.

3. Thuật ngữ và định nghĩa

Tiêu chuẩn này áp dụng các thuật ngữ và định nghĩa sau:

3.1. Năng lượng

3.1.1.

Thế năng thực ban đu/Thế năng (Actual initial potential energy/ potential energy)

Kp

Giá trị được xác định bằng việc kiểm định trực tiếp

[TCVN 312-2 : 2007 định nghĩa 3.2.2]

3.1.2.

Năng lượng hấp thụ (Absorbed energy)

K

Giá trị năng lượng được biểu thị bằng kim chỉ hoặc dng cụ đọc kết qu khác.

CHÚ THÍCH: Chữ cái V hoặc U đưc sử dụng để biểu thị hình dạng vết khía, như : KV hoặc KU. Số 2 hoặc 8 là các con s được ghidưới cho biết bán kính lượn đu búa, ví dụ như là KV2.

3.2. Mu thử

Sử dụng các thuật ngữ sau đối với mẫu thử đặt trong vị trí thử trên các giá đ của máy, (xem Hình 1).

3.2.1.

Chiều cao (Height)

h

Khoảng cách giữa mặt khía rãnh và mặt đối điện.

3.2.2.

Chiều rộng (Width)

w

Kích thước vuông góc với chiều cao và song song với rãnh cắt.

3.2.3.

Chiều dài (Length)

l

Kích thước lớn nhất của mẫu thử đo theo phương vuông góc với rãnh cắt.

4. Ký hiệu (và các thuật ngữ viết tắt)

Tên gọi dùng trong tiêu chuẩn này được nêu trong Bng 1 và Bảng 2, và minh họa trong Hình 2.

Bảng 1 – Ký hiệu, đơn vị và tên gọi của chúng

Ký hiệu

Đơn vị

Tên gọi

Kp

J

Thế năng thực ban đầu (thế năng)

FA

%

Phn trăm mt gãy – cắt

h

mm

Chiu cao mu thử

KU2

J

Năng lượng hấp thụ trong mẫu thử rãnh chữ U sử dụng mũi búa 2 mm

KU8

J

Năng lượng hấp thụ trong mẫu thứ rãnh chữ U sử dụng mũi búa 8 mm

KV2

J

Năng lượng hấp thụ trong mẫu thử rãnh chữ V sử dụng mũi búa 2 mm

KV8

J

Năng lượng hấp thụ trong mẫu thử rãnh chữ V sử dụng mũi búa 8 mm

LE

mm

Độ giãn n ngang

l

mm

Chiều dài của mẫu thử

Tt

°C

Nhiệt độ chuyển biến

w

mm

Chiều rộng của mẫu thử

5. Nguyên lý thử

Phép thử này bao gm làm gãy mẫu thử có rãnh khía bằng một dao động đơn của con lắc dưới các điều kiện được xác định sau đây. Rãnh trên mẫu thử phải được quy định hình dạng và được đt chính giữa hai giá đỡ, đối diện với vị trí bị va đập trong khi thử. Độ dai được xác định bng năng lượng hấp thụ trong thử va đập.

Do các giá trị va đập của một svật liệu kim loại thay đổi theo nhiệt độ, nên phép thử được thực hiện nhiệt độ quy định. Khi nhiệt độ thử khác với nhiệt độ môi trường thì mẫu thử phải được nung nóng hoặc làm nguội đến nhiệt độ đó trong môi trường được kiểm soát.

6. Mẫu thử

6.1. Quy định chung

Mu thử tiêu chuẩn phải dài 55 mm có tiết diện vuông với các cạnh 10 mm. Ở tâm của chiều dài mẫu là rãnh chữ V hoặc rãnh chữ U như được mô tả trong 6.2.1 và 6.2.2.

Nếu mẫu thử tiêu chuẩn không thể lấy được từ vt liệu, phải sử dụng một trong các mẫu thử bổ sung có chiều rộng là 7,5 mm, 5 mm hoặc 2,5 mm (xem Hình 2 và Bng 2).

CHÚ THÍCH: Đối vi năng lượng thấp, sử dụng các miếng đệm là quan trọng, con lắc sẽ hấp phụ năng lượng dư thừa. Đối với năng lượng cao, điu này thể không quan trọng. Các miếng đệm có thể đưc đặt trên hoc dưới các giá đỡ mu thử sao cho na chiều cao ca mu là 5 mm cao hơn mặt giá đỡ mẫu thử 10 mm.

Các mẫu thử phải có độ nhám b mặt nh hơn Ra 5mm không kể các đầu mẫu.

Khi đánh giá vật liệu đã nhiệt luyện, mẫu thử sau khi nhiệt luyện lần cuối phải được gia công tinh, kể cả rãnh ct chữ V, trừ khi có thể chứng minh rằng độ gia công bề mặt trước và sau khi nhiệt luyện không khác nhau.

6.2. Hình dạng rãnh

Rãnh phải được chuẩn bị cẩn thận sao cho bán kính đáy rãnh không có các dấu vết của gia công cơ làm ảnh hưởng đến việc hấp thụ năng lượng.

Mt đối xứng của rãnh phải vuông góc với chiều dài trục của mẫu thử (xem Hình 2).

6.2.2. Rãnh chữ V

Rãnh chữ V phải có góc 45°, chiu sâu là 2 mm, và các bán kính đáy là 0,25 mm [xem Hình 2a) và Bảng 2].

6.2.2. Rãnh chữ U

Rãnh chữ U phải có chiều sâu là 5 mm (trừ khi có quy định khác) và các đường kính đáy là 1 mm [xem Hình 2b) và Bảng 2].

6.3. Dung sai của mẫu thử

Dung sai trên mẫu thử và các kích thước rãnh được quy định, nêu trong Hình 2 và Bảng 2.

6.4. Chuẩn bị mẫu thử

Chuẩn bị mẫu thử phải được thực hiện theo hưng giảm đến mức tối thiểu bất cứ sự thay đổi nào của mẫu thử, ví dụ như, do nung nóng hoặc biến cứng nguội do gia công .

6.5. Đánh dấu các mẫu thử

Mu thử ch được đánh dấu trên bề mặt không tiếp xúc với các giá đỡ, đe hoặc búa và vị trí xa các tác động của biến dạng dẻo và chỗ gián đoạn của bề mặt khi đo năng lượng hấp thụ trong phép thử (xem 8.7).

7. Thiết bị thử

7.1. Quy định chung

Thiết bị được sử dụng cho tất cả các phép đo phải theo các tiêu chuẩn quốc gia hoặc quốc tế. Các thiết bị đó phải được hiệu chuẩn trong chu k thời gian thích hợp.

7.2. Lắp đặt và hiệu chuẩn

Máy thử phải được lắp đặt và hiệu chuẩn theo TCVN 312-2.

7.3. Mũi búa

Hình dạng của mũi búa được quy định hoặc là búa 2 mm hoặc là búa 8 mm. Các bán kính mũi búa được thể hiện bằng các ch s ghi chân ký hiệu độ dai như sau; KV2 hoặc KV8.

Tham kho đặc điểm của sn phẩm để có hướng dẫn hình dạng mũi búa.

CHÚ THÍCH: Một số vật liệu có thể đưa ra các kết qu khác nhau (sai sphn trăm) tại các mc năng lượng thấp, và các kết quả của búa 2 mm có thể lớn hơn kết quả của búa 8 mm.

8. Quy trình thử

8.1. Quy định chung

Mu thử phải đặt vuông góc vi đe của máy thử, mặt đối xứng của rãnh khía ở trong khoảng 0,5 mm so với mặt phng giữa các đe. Mũi búa phải đập trên mặt phng đối xứng của rãnh và phía đi diện với rãnh (xem Hình 1).

8.2. Nhiệt độ thử

8.2.1. Trừ khi có quy định khác, phép thử phải được thực hiện (23 ± 5) °C. Khi nhiệt độ được quy định, thì mẫu thử được điều hòa tới nhiệt độ với sai lch ± 2 °C.

8.2.2. Nếu mẫu thử được điu hòa bằng nung nóng hoặc làm nguội trong chất lỏng, mẫu thử phải được đặt trong hộp, trên các lưới cách đáy hộp ít nhất là 25 mm và được chìm trong chất lỏng ít nhất 25 mm và cách các mặt bên của hộp ít nhất là 10 mm. Môi trường phải được khuấy đều và phải được giữ ở nhiệt độ quy định bằng phương pháp thích hợp. Dụng cụ để đo nhiệt độ của môi trường phải được đặt tâm của nhóm các mẫu thử. Nhiệt độ mỗi trường phải được giữ nhiệt độ quy định dao động trong khoảng ± 1 °C trong thời gian ít nhất là 5 min.

CHÚ THÍCH: Khi môi trường cht lỏng có nhiệt độ gn vi điểm sôi, việc làm nguội do bay hơi có thể làm giảm nhiệt độ mẫu thử đột ngột trong quá trình chuyển mẫu từ chất lng đến máy thử va đập (xem tiêu chuẩn tham khảo [4] trong Thư mục).

8.2.3. Đối vi phép thử nhiệt độ cao không quá 200 °C, mu thử phải được ngâm ít nhất là 10 min trong bể chất lỏng có nhiệt độ quy định vi sai lệch khoảng ± 2 °C. Khi thử ở nhiệt độ cao trên 200 °C thì mẫu thử phải được giữ ở nhiệt độ không đổi trong ít nhất là 20 min trong lò ủ được duy trì nhiệt độ quy định với sai lệch khoảng ± 5 °C.

8.3. Vn chuyển mẫu thử

Khi phép thử được thực hiện nhiệt độ khác so với nhiệt độ phòng, thời gian kể từ khi lấy mẫu từ môi trường nung nóng hoặc làm nguội đến khi thử va đập không được quá 5 s.

Thiết bị di chuyển mẫu phải được thiết kế và sử dụng sao cho nhiệt độ của mẫu thử được giữ trong khoảng nhiệt độ cho phép.

Các chi tiết của thiết bị tiếp xúc với mẫu thử trong khi di chuyển mu từ môi trường nung đến máy thử phải có nhiệt độ phù hp với các mẫu thử.

Phải đm bảo rng thiết bị dùng để định tâm mẫu thử trên các đe không gây ra nứt gãy các đầu mẫu có độ dai thấp hoặc các mẫu thử độ bền cao không bị bật khi thiết bị này văng vào con lắc dn tới sai số lớn về năng lượng đo được. Khi khoảng h giữa đầu mẫu thử ở vị trí thử và thiết bị định tâm hoc bộ phận cố định của máy, ln hơn hoặc khoảng 13 mm thì trong quá trình búa đánh gãy mu, các đầu mẫu có thể văng trở lại đập vào con lc.

CHÚ THÍCH: Kìm tự định tâm, phù hợp vi các mẫu thử rãnh chữ V được giới thiệu trong Phụ lục A, thường được sử dụng đ di chuyển mẫu thử từ môi trường có nhiệt độ được điu khiển đến đúng vị tri thử. Các loi kìm này loại b được các vn đ v khoảng h có thể xuất hiện giữa các nửa gãy của mu và dụng cụ định tâm.

8.4. Sự vượt quá công suất máy

Năng lượng hấp thụ, K, không được vượt quá 80 % thế năng thực tế ban đu, Kp. Nếu năng lượng hấp thụ lớn hơn giá tr này, thì năng lượng hấp thụ phải được ghi lại như giá tr gần đúng và phải được ghi chú lại trong bản báo cáo là thử điều kiện vượt quá 80 % công suất máy .

CHÚ THÍCH: Trường hợp lý tưởng là có thể tiến hành th va đập với tốc đ va đập không đổi. Trong thử va đập kiểu con lắc thì vận tốc va đập giảm theo sự phát triển của các vết nứt. Đối với các mẫu có năng lượng phá hủy gn bằng năng suất của máy thì vận tốc con lc giảm tới không ngay trong quá trình phá hủy mu.

8.5. Gãy không hoàn toàn

Nếu một mu thử gãy không hoàn toàn trong một phép thử, thì năng lượng va đập có thể được ghi lại hoặc lấy trung bình theo các kết quả của các mẫu thử gãy hoàn toàn.

8.6. Sự kẹt mẫu thử

Nếu bất kỳ mẫu thử nào bkẹt trong máy, thì kết quả phải loại bỏ và phải kiểm tra máy thật kỹ đối vi sự hư hỏng gây ảnh hưởng đến việc hiệu chuẩn.

8.7. Kiểm tra sau gãy

Nếu việc kiểm tra sau gãy cho thấy bất kỳ vị trí đánh dấu nào trên mẫu thử bị biến dạng nhìn thấy được thì kết quả thử không đại diện cho vật liệu và điều này phi được ghi lại trong biên bản thử.

9. Biên bản thử nghiệm

9.1. Thông tin phải có

Biên bn thử phải bao gồm các thông tin sau đây:

a) viện dẫn số hiệu của tiêu chuẩn này;

b) ký hiệu mẫu thử (mác thép, số vật đúc…);

c) loại rãnh khía;

d) kích thước của mẫu thử, nếu khác với kích thước chuẩn;

e) nhiệt độ điều hòa của mẫu thử;

f) năng lượng hấp thụ, KV2, KV8, KU2 hoặc KU8 nếu thích hợp;

g) mọi khác thường có thể ảnh hưng đến phép thử.

9.2. Thông tin bổ sung

Biên bản thử có thể có thông tin bổ sung thêm cho thông tin trong 9.1 như sau:

a) hướng mẫu thử (xem ISO 3785);

b) năng lượng danh nghĩa của máy thở, tính theo joules;

c) sự giãn nở ngang (xem Phụ lục B);

d) dang phá hủy, phần trăm phá hủy dạng cắt (xem Phụ lục C);

e) đường cong năng lượng hấp thụ /nhiệt độ (xem D.1);

f) nhiệt độ biến giòn, tiêu chuẩn sử dụng (xem D.2);

g) số mẫu thử không gãy hoàn toàn trong phép thử.

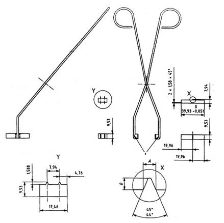
CHÚ DẪN:

h chiều cao mẫu thử

I chiều dài mẫu thử

w chiều rộng mu thử

1 đe

2 mẫu thử có kích thước chuẩn

3 các giá đỡ mu thử

4 nắp bảo vệ

a tâm đập của búa

b hướng dao động của con lắc.

Hình 1 – Thuật ngữ mẫu thử trình bày cấu hình của các giá đỡ mẫu thử và các đe của máy thử va đập kiu con lắc công nghiệp

a) Hình dạng rãnh chữ V

b) Hình dạng rãnh chữ U

CHÚ THÍCH: Các ký hiệu /, h, w và các số 1 đến 5 được trình bày trong Bảng 2.

Hình 2 – Mu thử va đập Charpy

Bảng 2 – Dung sai kích thước mẫu thử được quy định

Tên gọi

Ký hiệu và số

Mu th rãnh chữ V

Mu thử rãnh chữ U

Kích thước danh nghĩa

Dung sai chế tạo

Kích thước danh nghĩa

Dung sai chế tạo

 

Cấp dung saia

 

Cấp dung sai a

Chiu dài

l

55 mm

± 0,60 mm

js 15

55 mm

± 0,60 mm

js 15

Chiều caob

h

10 mm

± 0,075 mm

js12

10 mm

± 0,11 mm

js 13

Chiu rộngb

w

 

 

 

 

 

 

– mẫu thử chuẩn

 

10 mm

± 0,11 mm

js 13

10 mm

± 0,11 mm

js 13

– mu thử có tiết diện thu nhỏ

 

7,5 mm

± 0,11 mm

js 13

– mẫu thử có tiết diện thu nhỏ

 

5 mm

± 0,06 mm

js 12

– mẫu thử có tiết diện thu nhỏ

 

2,5 mm

± 0,05 mm

js 12

Góc rãnh

1

45°

± 2o

Chiều cao dưới rãnh

2

8 mm

± 0,075 mm

js12

5 mm c

 ± 0,09 mm

js13

Bán kính đường cong phn đáy rãnh

3

0,25mm

± 0,025mm

1 mm

± 0,07mm

js12

Khoảng cách từ các đu ca mẫu thử tới mt đối xng của rãnh cắt

4

27,5 mm

± 0,42 mmd

js15

27,5mm

± 0,42 mmd

js15

Góc giữa mặt đi xứng của rãnh và trc dc của mẫu thử

 

90°

±

90o

± 2°

Góc giữa các mt bên lin k của mu thử.

5

90°

±2 °

90°

±

a Theo TCVN 2244

b Các mu thử phi có độ nhám b mt nh hơn Ra 5mm trừ các đu mẫu

c Nếu quy đinh thêm chiu cao cho phép của mẫu (2 hoặc 3 mm), thì cũng phải quy định dung sai tương ứng.

d Đi vi máy định vị tự động mẫu thử thì lấy dung sai ± 0,165 mm thay cho ± 0,42 mm

 

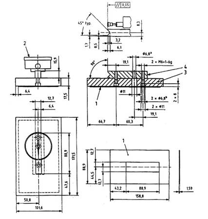
PHỤ LỤC A

(tham khảo)

KÌM TỰ ĐỊNH TÂM

Kìm được trình bày trong Hình A.1 thưng được sử dụng để chuyển mẫu thử từ môi trường nhiệt độ được kiểm soát đến vị trí thích hợp trn máy thử Charpy.

Kích thước tính bằng milimét

Chiều rộng mẫu

Chiều rộng đáy

A

Chiu cao

B

10

1,60 đến 1,70

1,52 đến 1,65

5

0,74 đến 0,80

0,69 đến 0,81

3

0,45 đến 0,51

0,36 đến 0,48

a Các má thép được hàn bạc trên các mũi kìm song song với nhau.

Hình A.1 – Kìm tự định tâm cho các mẫu Charpy rãnh chữ V

 

PHỤ LỤC B

(tham khảo)

SỰ GIÃN NỞ NGANG

B.1. Quy định chung

Đo khả năng chống phá hủy của vật liệu khi phải chịu tác dụng của ứng suất ba chiều, ví dụ như tại đáy của rãnh trong mẫu thử Charpy, là đo tổng số biến dạng xuất hiện vị tri này. Biến dạng trong trường hợp này là biến dạng co thắt. Do sự khó khăn khi đo biến dạng này kể cả sau khi gẫy, nên quy định đo độ giãn nở tại mép đối diện của mặt gy và sử dụng giá tr này để đặc trưng cho độ co thắt.

B.2. Quy trình

Phương pháp đo độ giãn nở ngang phải xét đến thực tế là ít khi các mặt gẫy đôi tại điểm có độ giãn nở lớn nhất trên cả hai mặt của mẫu thử. Một nửa mẫu thử bị gẫy có thể bao gồm cả độ giãn lớn nhất cho cả hai mặt, hoặc chỉ một mặt, hoặc không mặt nào cả. Do đó kỹ thuật thường dùng là đo độ giãn n trên hai nửa mẫu tách rời, vì vậy s cho giá trị tổng cao hơn giá trị đạt được trên mỗi mt. Tổng độ giãn nở trên mỗi mặt của mỗi nửa mẫu thử phải là giá trị giãn nở tương đối so vi phần mẫu không biến dạng (xem Hình B.1). Để đo độ giãn n có thể sử dụng thước đo giống như trong các Hình B.2 và B.3. Đo riêng hai nửa mẫu gẫy. Tuy nhiên đầu tiên phải kiểm tra các mặt vuông góc với rãnh cắt để đm bảo không có ba via trên các mặt này khi thử va đập; nếu có ba via thì chúng phải được loại bỏ, ví dụ như mài trên khăn bột mài để đảm bo rằng các phn nhô ra cn đo không bị mài nhãn khi loại bỏ ba via. Tiếp theo, chắp nối các nửa mẫu thử lại với nhau sao cho các mặt rãnh đối diện ban đầu lại đối diện lại một lần nữa. Lấy một trong các nửa mẫu thử (được đánh dấu X trong Hình B.1) và c định nó với các trụ đỡ chuẩn, với các phần nhô ra đối diện với đe chuẩn. Ghi lại số đọc và sau đó lập lại bước này với nửa mẫu thử khác (được đánh dấu Y trong Hình B.1), đảm bo mặt được đo phải cùng mặt bên. Hai giá trị lớn hơn là độ giãn nở của mặt bên mu thử. Tiếp theo, lặp lại quy trình này để đo đoạn nhô ra trên mt đối diện, và có thêm các giá trị lớn hơn trên mỗi mặt bên. Ví dụ như, nếu A1 > A2 và A3 = A4, thì LE = A1 + (A3 hoặc A4), nếu A1 > A2 và A3 > A4 thì LE = A1 + A3.

Nếu một hoặc nhiều đoạn nhô ra của mẫu thử bị hư hỏng do tiếp xúc với đe, bề mt bắt chặt khi lắp ráp máy, …, thì không đo được mẫu thử và vì vậy không đưa ra được điều kiện trong biên bàn thử.

Đo từng mẫu thử.

Hình B.1 – Các nửa mẫu thử va đập rãnh chữ V Charpy bị gẫy minh họa đo độ giãn nở ngang, các kích thước A1, A2, A3, A4chiều rộng ban đu, kích thước w

Hình B.2 – Đng h đo độ giãn n ngang của mẫu thử Charpy

Kích thước tính bằng milimét

CHÚ DẪN:

1  đệm cao su

2  đng h chỉ thị (hệ mét) chia độ Starret # 25- 481, vạch chia bằng 1/100 mm.

3  tấm đáy bằng thép không gỉ hoặc thép tấm crôm

4  giã đỡ mặt số bằng tấm thép không gỉ.

a Dùng cho vít 1/4 – 20 có ren thô theo tiêu chuẩn của Mỹ với đu có lỗ sáu cạnh dài 7/8”.

b Dùng cho vít M6 x 1 vi đu có lỗ sáu cạnh dài 25 mm

c Độ dy tấm nối lắp ráp.

Hình B.3 – Sự lắp ráp và các chi tiết của đng h đo độ giãn ngang

CHÚ THÍCH: Phụ lục này căn cứ vào tài liệu được xuất bn trong ASTM E 23, và được sử dụng với sự chấp nhận của ASTM, 100 Barr Harbor Drive. P.O. Box C 700. West Conshohocken. PA 19429-2959, USA.

 

PHỤ LỤC C

(tham khảo)

DẠNG MẶT GẪY

C.1. Quy định chung

Mặt gẫy của các mẫu thử Charpy thường được tính bằng phần trăm mặt gy cắt. Phn trăm mt gẫy cắt lớn hơn thì độ dai va đập của vật liệu lớn hơn. Mặt gẫy của các mẫu thử Charpy là tổng hợp của c mặt gãy cắt và mặt gãy theo thớ (giòn). Do phương pháp đánh giá này mang tính chủ quan, vì vậy không nên sử dụng trong quy chuẩn kỹ thuật..

CHÚ THÍCH: Việc xuất hiện mặt gãy dạng sợi được coi tương đương như mặt gãy dạng cắt. Các thuật ngữ dạng mặt gãy theo thớ và tinh thể thưng được coi như là đối nghịch với mặt gãy dạng ct. Điếu đó có nghĩa là 100 % mặt gẫy theo thớ tương đương 0 % mặt gẫy cắt.

C.2. Phương pháp

Phần trăm mặt gãy cắt thường được xác định bằng một trong các phương pháp sau đây:

a) đo chiều dài và chiều rộng của thớ (phần sáng) của mặt gẫy, được trình bày trên Hình C.1, và xác định phần trăm cắt theo Bng C.1;

b) so sánh dạng mặt gẫy của mu thử với sơ đồ dạng mặt gẫy, như được trình bày trên Hình C.2;

c) phóng đại mặt gãy và so sánh nó với sơ đ có sn, hoặc đo phn trăm mặt gẫy theo thớ bằng phương pháp thước đo diện tích, sau đó tính phn trăm mặt gãy cắt bằng (100 % – phần trăm mặt gẫy theo thớ);

d) chụp ảnh mt gy với độ phóng đại thích hợp và đo phần trăm mặt gẫy theo thớ bằng phương pháp thước đo diện tích, sau đó tính phần trăm mặt gẫy cắt bằng (100 % – phn trăm mặt gẫy theo thớ).

e) đo phần trăm mặt gẫy cắt bằng các kỹ thuật phân tích hình ảnh.

CHÚ THÍCH 1: Các kích thước trung bình A B đo đến 0,5 mm gần nht.

CHÚ THÍCH 2: Sử dụng Bảng C.1 để xác định phn trăm mặt gẫy ct.

CHÚ DẪN:

1   Vùng gãy (dẻo)

2   Vết khía

3   Vùng gãy thớ ( giòn )

Hình C.1 – Xác định phn trăm mặt gẫy cắt

Bảng C.1 – Phn trăm cắt trong các phép đo tính bằng milimét

B
mm

A
mm

1,0

1,5

2,0

2,5

3,0

3,5

4,0

4,5

5,0

5,5

6,0

6,5

7,0

7,5

8,0

8,5

9,0

9,5

10

Phần trăm cắt

1,0

99

98

98

97

96

96

95

94

94

93

92

92

91

91

90

89

89

88

88

1,5

98

97

96

95

94

93

92

92

91

90

89

88

87

86

85

84

83

82

81

20

98

96

95

94

92

91

90

89

88

86

85

84

82

81

80

79

77

76

75

25

97

95

94

92

91

89

88

86

84

83

81

80

78

77

75

73

72

70

69

3,0

96

94

92

91

89

87

85

83

81

79

77

76

74

72

70

68

66

64

62

3,5

96

93

91

89

87

85

82

80

78

76

74

72

69

67

65

63

61

58

56

4,0

95

92

90

88

85

82

80

77

75

72

70

67

65

62

60

57

55

52

50

4,5

94

92

89

86

83

80

77

75

72

69

66

63

61

58

55

52

49

46

44

5,0

94

91

88

85

81

78

75

72

69

66

62

59

56

53

50

47

44

41

37

5,5

93

90

86

83

79

76

72

69

66

62

59

55

52

48

45

42

38

35

31

6,0

92

89

85

81

77

74

70

66

62

59

55

51

47

44

40

36

33

29

25

6,5

92

88

84

80

76

72

67

63

59

55

51

47

43

39

35

31

27

23

19

7,0

91

87

82

78

74

69

65

61

56

52

47

43

39

34

30

26

21

17

12

7,5

91

86

81

77

72

67

62

58

53

48

44

39

34

30

25

20

16

11

6

8,0

90

85

80

75

70

65

60

55

50

45

40

35

30

25

20

15

10

5

0

Chú thích: 100% cắt khi đồng thời cả A và B bằng không.

a) Sơ đồ dạng mặt cắt và so sánh phần trăm mặt gẫy

b) Hướng dẫn đánh giá phần dạng mặt gẫy

Hình C.2 – Dạng mặt gẫy

CHÚ THÍCH: Phụ lục này căn cứ vào tài liệu được xuất bn trong ASTM E23 và được sử dụng với sự cho phép của ASTM quốc tế 100 Barr Harbour Drive, P O Box C700, West Conshohocken, PA 19429- 2959, USA

PHỤ LỤC D

(tham khảo)

NĂNG LƯỢNG HẤP THỤ THAY ĐỔI THEO NHIỆT ĐỘ VÀ NHIỆT ĐỘ CHUYỂN TIẾP

D.1. Đường cong năng lượng hấp thụ/ nhiệt đ

Đường cong năng lượng hấp thụ/ nhiệt độ (đường cong KV/T) ch ra năng lượng hấp thụ bng hàm s của nhiệt độ thử trong mỗi loại mẫu được nêu (xem Hình D.1). Thông thường, đưng cong được vẽ qua các giá trị riêng. Hình dạng của đường cong vêpsuwj phân tán của các giá trị thử tùy thuộc vào vật liệu, hình dạng mẫu, và tốc độ va đập. Trong trường hợp này đường cong có vùng chuyển tiếp (2), cần có sự phân biệt giữa dải trên (1), vùng chuyển tiếp và dải dưới (3).

CHÚ DN:

X   nhiệt độ

Y   năng lượng hấp thụ

1   vùng dải trên

2   vùng chuyển tiếp

3   vùng di dưới

Hình D.1 – Gin đồ đường cong năng lượng hấp thụ/nhiệt độ

D.2. Nhiệt độ chuyển tiếp

Nhiệt độ chuyển tiếp Tt đc trưng cho vị trí của độ dốc trên đường cong năng lượng hấp thụ/nhiệt độ. Do độ dốc tri dài trên một khoảng nhiệt độ khá rộng, vì vậy không thể áp dụng định nghĩa chung v nhiệt độ chuyển tiếp. Các tiêu chí sau đây dùng đ xác định nhiệt độ chuyển tiếp:

Nhiệt độ chuyển tiếp Tt là nhiệt độ tại đó:

a) đạt được một giá trị năng lượng hấp phụ riêng : ví dụ KV8 = 27J;

b) đạt đưc t lệ phn trăm năng lượng hấp thụ dải trên, ví dụ 50 %;

c) xuất hiện một phn của vết gẫy cắt: ví dụ 50 %; và

d) đạt được một lượng giãn n ngang, ví dụ 0,9 mm.

Việc lựa chọn phương pháp sử dụng để xác định nhiệt độ chuyển tiếp phải được quy định trong tiêu chuẩn sn phẩm, hoặc theo thỏa thun.

 

THƯ MỤC TÀI LIỆU THAM KHẢO

[1] ISO 3785, Metallic materials – Designation of test specimen axes in relation to product texture (Vt liệu kim loại – Ký hiệu trục mẫu thử liên quan tới cấu trúc đnh hướng của sản phẩm)

[2] ISO 14556, Steel – Charpy V-notch pendulum impact test – Instrumented test method (Thép – Thử va đập kiểu con lắc rãnh chữ VPhương pháp thử bằng dụng cụ)

[3] ASTM E23, Standard Test Methods for Notched Bar Impact Testing of Metallic Metarials (Phương pháp thử tiêu chuẩn đối với thử và đập thanh khía rãnh vật liệu kim loại)

[4] Nanstad, R.K., Swain, R.L, and Berggren.R.G. Influence of Thermal Conditioning Media on Charpy Specimen Test Temperature, ‘Charpy Impact Test: Factors and Variables’, ASTM STP 1072, ASTM.1990.p.195 (Ảnh hưởng của môi trường điều hòa nhiệt độ lẫn nhiệt độ thử của mẫu thử Charpy, thử và đập Charpy: các nhân tố và sự thay đổi)

 

Leave a Reply

Your email address will not be published. Required fields are marked *