Tiêu chuẩn Việt Nam TCVN5573:2011

  • Loại văn bản: Tiêu chuẩn Việt Nam
  • Số hiệu: TCVN5573:2011
  • Cơ quan ban hành: ***
  • Người ký: ***
  • Ngày ban hành: ...
  • Ngày hiệu lực: ...
  • Lĩnh vực: Xây dựng
  • Tình trạng: Không xác định
  • Ngày công báo: ...
  • Số công báo: Còn hiệu lực

Nội dung toàn văn Tiêu chuẩn quốc gia TCVN 5573:2011 về Kết cấu gạch đá và gạch đá cốt thép – Tiêu chuẩn thiết kế


TIÊU CHUẨN QUỐC GIA

TCVN 5573 : 2011

KẾT CẤU GẠCH ĐÁ VÀ GẠCH ĐÁ CỐT THÉP – TIÊU CHUẨN THIẾT KẾ

Masonry and reinforced masonry structures – Design standard

Lời nói đầu

TCVN 5573 : 2011 thay thế cho TCVN 5573 : 1991.

TCVN 5573 : 2011 do Viện Khoa học Công nghệ Xây dựng biên soạn, Bộ Xây dựng đề nghị, Tổng cục Tiêu chuẩn Đo lường Chất lượng thẩm định, Bộ Khoa học và Công nghệ công bố.

 

KẾT CẤU GẠCH ĐÁ VÀ GẠCH ĐÁ CỐT THÉP – TIÊU CHUẨN THIẾT KẾ

Masonry and reinforced masonry structures – Design standard

1. Phạm vi áp dụng

1.1. Tiêu chuẩn này áp dụng để thiết kế xây dựng mới, thiết kế xây dựng sửa chữa và cải tạo các ngôi nhà và công trình làm bằng kết cấu gạch đá và gạch đá cốt thép.

1.2. Khi thiết kế kết cấu gạch đá và gạch đá cốt thép cho các loại kết cấu đặc biệt hoặc ở những nơi có điều kiện sử dụng đặc biệt, ngoài việc thực hiện theo các yêu cầu của tiêu chuẩn này, cần xét đến những yêu cầu bổ sung phù hợp với các qui định khác.

2. Tài liệu viện dẫn

Các tài liệu viện dẫn sau rất cần thiết cho việc áp dụng tiêu chuẩn này. Đối với các tài liệu viện dẫn ghi năm công bố thì áp dụng phiên bản được nêu. Đối với các tài liệu viện dẫn không ghi năm công bố thì áp dụng phiên bản mới nhất, bao gồm cả các sửa đổi, bổ sung (nếu có).

TCVN 4065:1988, Kĩ thuật nhiệt – Kết cấu ngăn che – Tiêu chuẩn thiết kế.

TCVN 4612:1988, Hệ thống tài liệu thiết kế xây dựng – Kết cấu bê tông cốt thép – Kí hiệu qui ước và thể hiện bản vẽ.

TCXDVN 338:2005*, Kết cấu thép – Tiêu chuẩn thiết kế.

TCXDVN 356:2005*, Kết cấu bê tông và bê tông cốt thép – Tiêu chuẩn thiết kế.

3. Thuật ngữ và định nghĩa

Tiêu chuẩn này sử dụng các thuật ngữ và định nghĩa sau:

3.1. Tường chịu lực

Là tường mà ngoài việc chịu trọng lượng bản thân và tải trọng gió còn phải chịu tải trọng truyền từ sàn tầng, mái, cầu trục…

3.2. Tường tự chịu lực

Là tường, tường ngăn chịu trọng lượng bản thân và trọng lượng tường của tất cả các tầng phía trên của nhà và tải trọng gió.

3.3. Tường không chịu lực (bao gồm cả tường treo)

Là tường chỉ chịu tải trọng do trọng lượng bản thân tường và tải trọng gió trong phạm vi một tầng khi chiều cao tầng không quá 6 m; khi chiều cao tầng lớn hơn thì các tường này thuộc loại tường tự chịu lực.

3.4. Vách ngăn

Là tường ngăn chỉ chịu tải trọng do trọng lượng bản thân và tải trọng gió (nếu có) trong phạm vi một tầng khi chiều cao tầng không quá 6 m, khi chiều cao tầng lớn hơn thì tường đó thuộc loại tường tự chịu lực.

3.5. Sàn và mái bê tông cốt thép lắp ghép toàn khối hóa

Là loại sàn và mái được lắp ghép bằng các tấm sau đó được tăng cường bằng cách hàn cốt thép với nhau và đặt thêm cốt phụ vào các kẽ nối của các tấm rồi đổ bê tông chèn kín.

3.6. Khối xây gạch rung

Là khối xây bằng gạch được sản xuất bằng phương pháp đầm rung (bằng bàn rung, bệ rung…).

3.7. Tấm gạch rung

Là tấm tường bằng gạch được sản xuất bằng phương pháp đầm rung (bằng bàn rung, bệ rung…).

4. Đơn vị đo và kí hiệu

4.1. Đơn vị đo

Trong tiêu chuẩn này sử dụng hệ đơn vị đo SI: đơn vị dài: m; đơn vị ứng suất: MPa; đơn vị lực: N.

4.2. Kí hiệu

4.2.1. Các đặc trưng hình học

A là diện tích tiết diện cấu kiện; là diện tích tính toán của tiết diện chịu nén cục bộ;

Ab là diện tích phần bê tông trong kết cấu hỗn hợp;

Abn là diện tích vùng chịu nén của bê tông;

Abr là diện tích tiết diện toàn phần;

Acb là diện tích phần chịu nén cục bộ;

Akn là diện tích vùng chịu nén của khối xây;

Akx là diện tích tiết diện khối xây;

Alt là diện tích tiết diện ngang của lanh tô;

An là diện tích phần chịu nén của tiết diện;

Anl là diện tích phần tiết diện đã trừ đi phần giảm yếu;

An,red là diện tích vùng chịu nén của tiết diện qui đổi;

Ared là diện tích tiết diện qui đổi;

At là diện tích cốt thép dọc nằm ở vùng chịu kéo hoặc chịu nén ít hơn;

A’t là diện tích cốt thép dọc nằm ở vùng chịu nén;

Atn là tổng diện tích cốt thép dọc chịu nén;

Atd là diện tích tiết diện cốt thép đai hoặc bản thép đai;

Att là diện tích tiết diện thanh thép;

Cb, Ch là khoảng cách từ điểm đặt lực Q tới các mép gần nhất của tiết diện chữ nhật của cấu kiện;

H là khoảng cách giữa các sàn tầng hoặc các gối tựa nằm ngang; là chiều cao tầng;

H1 là độ cao của phần trên cùng của tường; là chiều cao phía trên dầm đỡ tường;

I là mô men quán tính của tiết diện tường đối với trục đi qua trọng tâm của tiết diện tường trên mặt bằng;

Ired­ là mô men quán tính của tiết diện qui đổi của dầm đỡ tường;

Is là mô men quán tính của tiết diện dầm thép đỡ tường;

So là mô men tĩnh của phần tiết diện nằm về một phía của trục đi qua trọng tâm tiết diện;

Vt là thể tích của cốt thép;

Vkx là thể tích của khối xây;

W là mô men chống uốn của tiết diện khối xây khi làm việc đàn hồi;

a là chiều sâu ngàm của gối tựa;

a1 là chiều dài đoạn gối tựa của dầm đỡ tường;

b là chiều rộng của tiết diện cấu kiện; chiều rộng thực tế của một lớp tường khi tính toán tường nhiều lớp;

bred là chiều rộng của lớp tường qui đổi;

e0 là độ lệch tâm của lực tính toán đối với điểm giữa của chiều sâu ngàm;

e0d là độ lệch tâm của lực tác dụng dài hạn;

eb, eh là các độ lệch tâm của lực tính toán khi nén lệch tâm đối với các cạnh tương ứng;

h là cạnh nhỏ của tiết diện chữ nhật; là cạnh nhỏ của tiết diện cột chữ nhật; là chiều cao tiết diện; là chiều dày tường;

l0 là chiều cao tính toán của tường, cột;

l là chiều dài tự do của tường; chiều dài của tường ngang trên mặt bằng; nhịp thông thủy của lanh tô.

4.2.2. Nội lực và ngoại lực

M là mô men uốn;

N là lực dọc (nén hoặc kéo);

Ncb là lực nén cục bộ;

Ns là lực cắt để tính toán neo;

Q là lực cắt tính toán;

Các nội lực có thể được xác định theo tải trọng tính toán hoặc tải trọng tiêu chuẩn tùy theo trường hợp kiểm tra;

T là lực cắt dùng để tính toán lanh tô.

4.2.3. Các đặc trưng của vật liệu và kết cấu

R là cường độ chịu nén tính toán của khối xây gạch thông thường;

Rr là cường độ chịu nén tính toán của khối xây gạch rung;

Rb là cường độ chịu nén tính toán của bê tông;

Rc là cường độ chịu cắt tính toán của khối xây gạch không có cốt thép;

Rbc là cường độ chịu nén tiêu chuẩn của bê tông (tương đương với Rbn trong TCXDVN 356:2005);

Rcb là cường độ chịu nén cục bộ tính toán của khối xây;

Ri là cường độ tính toán của lớp tường bất kì;

Rk là cường độ chịu kéo của khối xây gạch không có cốt thép;

Rkc là ứng suất kéo chính khi uốn của khối xây gạch không có cốt thép;

Rku là cường độ chịu kéo khi uốn của khối xây gạch không có cốt thép;

R1 là cường độ tính toán chịu nén của khối xây không có cốt thép ở tuổi đang xét của vữa;

R25 là cường độ chịu nén tính toán của khối xây không có cốt thép trong khi mác vữa là 2,5;

Rt là cường độ chịu kéo tính toán của cốt thép trong khối xây (tương đương với Rs­ trong TCXDVN 356:2005);

R’t là cường độ chịu nén tính toán của cốt thép trong khối xây (tương đương với Rs­c trong TCXDVN 356:2005);

Rtb là cường độ chịu nén trung bình của khối xây không có cốt thép;

Rt,tb là cường độ chịu nén trung bình của khối xây có cốt thép;

Rtc là cường độ chịu nén tiêu chuẩn của cốt thép trong khối xây có cốt thép (tương đương với Rsn­ trong TCXDVN 356:2005);

Rtk là cường độ tính toán của khối xây có lưới thép và chịu nén đúng tâm;

Rtk,u là cường độ tính toán của khối xây có lưới thép và chịu nén lệch tâm;

Rhh là cường độ chịu nén tính toán của khối xây hỗn hợp;

Rtr là cường độ tính toán về trượt của khối xây không có cốt thép;

Rtt là cường độ tính toán về trượt của khối xây có cốt thép;

Eo là mô đun đàn hồi của khối xây;

E là mô đun biến dạng của khối xây;

Es là mô đun đàn hồi của thép;

E0,hh là mô đun đàn hồi của kết cấu hỗn hợp;

G là mô đun chống trượt của khối xây;

md là hệ số xét đến ảnh hưởng của từ biến khi tính theo cường độ;

a là đặc trưng đàn hồi của khối xây không có cốt thép;

a1 là đặc trưng đàn hồi của khối xây có cốt thép;

ahh là đặc trưng đàn hồi của kết cấu hỗn hợp;

ared là đặc trưng đàn hồi qui đổi của khối xây;

b là tỉ số giữa chiều cao tầng và chiều dày tường;

g là khối lượng thể tích;

gb là hệ số điều kiện làm việc của bê tông dùng trong kết cấu được gia cố bằng vòng đai;

gkx là hệ số điều kiện làm việc của khối xây dùng trong kết cấu được gia cố bằng vòng đai;

gn là hệ số điều kiện làm việc của khối xây dùng khi tính toán theo sự mở rộng khe nứt;

gt là hệ số điều kiện làm việc của cốt thép;

e là biến dạng tương đối của khối xây;

egh là biến dạng tương đối giới hạn của khối xây;

h là hệ số dùng trong cấu kiện chịu nén lệch tâm;

lh là độ mảnh của cấu kiện có tiết diện chữ nhật;

li là độ mảnh của cấu kiện có tiết diện bất kì;

lh1n, li1n là độ mảnh của phần chịu nén của cấu kiện tại các tiết diện chịu mô men uốn lớn nhất;

m là hệ số ma sát;

m1 là hàm lượng cốt thép theo thể tích trong khối xây có cốt thép;

v là hệ số kể đến ảnh hưởng từ biến của khối xây;

x là hệ số dùng để tính Rcb;

x1 là hệ số phụ thuộc vào vật liệu khối xây và vị trí đặt lực, dùng để tính Rcb;

s là ứng suất trong khối xây, dùng để tính e;

so là ứng suất nén trung bình khi tải trọng tính toán là nhỏ nhất, được xác định với hệ số vượt tải bằng 0,9;

scb là ứng suất nén cục bộ;

j là hệ số uốn dọc dùng trong cấu kiện chịu nén đúng tâm;

jl là hệ số uốn dọc dùng trong cấu kiện chịu nén lệch tâm;

jn là hệ số uốn dọc của phần chịu nén của tiết diện cấu kiện;

jhh là hệ số uốn dọc dùng trong kết cấu hỗn hợp;

w là hệ số dùng trong cấu kiện chịu nén lệch tâm.

5. Qui định chung

5.1. Khi thiết kế kết cấu gạch đá và gạch đá cốt thép phải đảm bảo các yêu cầu tiết kiệm xi măng, thép cũng như phải chú ý sử dụng các vật liệu địa phương.

5.2. Nên sử dụng vật liệu nhẹ (bê tông tổ ong, bê tông nhẹ, gạch rỗng …) để làm tường ngăn và tường tự chịu lực, cũng như các loại vật liệu cách nhiệt có hiệu quả để làm tường ngoài.

5.3. Kết cấu gạch đá và gạch đá có cốt thép, trong trường hợp cần thiết phải có lớp bảo vệ cốt thép cần thiết để chống lại các tác động cơ học và khí quyển cũng như tác động của môi trường xâm thực.

Phải chú ý chống rỉ cho các cấu kiện và các liên kết bằng kim loại ở trong nhà và công trình.

5.4. Độ bền và độ ổn định của kết cấu gạch đá và gạch đá có cốt thép cũng như các cấu kiện của chúng phải được đảm bảo khi sử dụng cũng như khi vận chuyển và xây lắp.

5.5. Khi thiết kế các kết cấu phải chú ý đến phương pháp sản xuất vật liệu và thi công sao cho phù hợp với điều kiện địa phương, trong các bản vẽ thi công phải chỉ dẫn:

a) Mác thiết kế của các loại vật liệu bê tông, gạch, vữa dùng trong khối xây cũng như dùng trong mối nối.

b) Các loại cốt thép và các yêu cầu khi thi công.

6. Vật liệu

6.1. Gạch, đá và vữa dùng trong kết cấu gạch đá và gạch đá có cốt thép cũng như bê tông dùng để sản xuất viên xây và các blốc cỡ lớn… phải thỏa mãn các yêu cầu kỹ thuật của các tiêu chuẩn và những hướng dẫn kỹ thuật tương ứng. Được phép sử dụng các loại mác sau:

a) Gạch đá: mác theo cường độ chịu nén 4, 7, 10, 15, 35, 50, 75, 100, 150, 200, 250, 300, 400, 500, 600, 800 và 1000.

b) Bê tông: mác theo cường độ chịu nén:

– Bê tông nặng: M50, M75, M100, M150, M200, M250, M300, M400;

– Bê tông cốt liệu rỗng: M25, M35, M50, M75, M150, M150, M200, M250, M350, M400;

– Bê tông tổ ong: M15, M25, M35, M50, M75, M150, M150;

– Bê tông rỗng lớn: M15, M25, M35, M50, M75, M150;

– Bê tông rỗng: M25, M35, M50, M75, M150;

– Bê tông silicát: M150, M200, M250, M350, M400.

Đối với các loại bê tông dùng để giữ nhiệt cho phép sử dụng loại có cường độ 0,7 MPa (M7), 1 MPa (M10).

c) Vữa: mác theo cường độ chịu nén 0,4; 1; 2,5; 5; 7,5; 10; 15; 20.

6.2. Tùy theo khối lượng riêng ở trạng thái khô, vữa được chia thành: vữa nặng, khi g ≥ 1500 kg/cm3 và vữa nhẹ khi  g < 1500 kg/cm3.

6.3. Cốt thép dùng trong kết cấu gạch đá nên dùng:

– Thép thanh nhóm CI, CII hoặc thép nhập tương ứng nhóm Al, AII của Nga.

– Sợi thép các bon thấp loại thông thường.

Đối với các chi tiết đặt sẵn hoặc chi tiết nối khi sử dụng các loại thép bản, thép tấm, thép hình phải thỏa mãn các yêu cầu của tiêu chuẩn thiết kế kết cấu thép TCXDVN 338:2005.

7. Các đặc trưng tính toán

7.1. Cường độ tính toán

7.1.1. Cường độ chịu nén tính toán của khối xây bằng gạch đá các loại được lấy theo các bảng từ Bảng 1 đến Bảng 8.

7.1.2. Cường độ chịu nén tính toán của khối xây gạch silicát rỗng, với độ rỗng dưới 25 %, được lấy theo Bảng 1 với các hệ số như sau:

0,8 – đối với vữa chưa có cường độ và vữa có cường độ bằng 0,2 MPa;

0,85; 0,9 và 1 – lần lượt ứng với mác vữa 0,4; 1; 2,5 và lớn hơn.

7.1.3. Cường độ chịu nén tính toán của khối xây khi chiều cao hàng xây từ 150 mm đến 200 mm được xác định bằng cách lấy trung bình cộng các giá trị trong Bảng 1 và Bảng 4, còn khi chiều cao từ 300 mm đến 500 mm lấy theo nội suy giữa các trị số của Bảng 3 và Bảng 4.

7.1.4. Cường độ chịu nén tính toán của khối xây ghi trong các bảng từ Bảng 1 đến Bảng 7 cần được nhân với hệ số điều kiện làm việc của khối xây, mkx, bằng:

0,8 – đối với cột và mảng tường giữa 2 ô cửa có diện tích tiết diện dưới 0,3 m2;

0,6 – đối với cấu kiện tiết diện tròn xây bằng gạch thường (không cong) và không có lưới thép;

1,1 – đối với khối xây bằng blốc và gạch bê tông nặng và đá thiên nhiên (g ≥ 1800 kg/cm3);

0,9 – đối với khối xây bằng blốc và gạch bê tông silicát có mác theo cường độ lớn hơn 30;

0,8 – đối với khối xây bằng blốc và gạch bê tông lỗ rỗng lớn;

0,7 – đối với khối xây bằng blốc và gạch bê tông tổ ong.

7.1.5. Cường độ chịu nén tính toán của khối xây bằng blốc bê tông được xác định theo thí nghiệm.

Trong trường hợp không có số liệu thí nghiệm có thể lấy theo Bảng 3 với hệ số 0,9; 0,5 và 0,25 khi độ rỗng của blốc tương ứng nhỏ hơn hoặc bằng 5 %, 25 % và 45 %. Đối với những độ rỗng trung gian thì các hệ số này cần được xác định theo phương pháp nội suy.

7.1.6. Cường độ chịu nén tính toán của khối xây bằng gạch mộc và gạch đá ong lấy theo Bảng 6 rồi nhân với hệ số:

0,7 – đối với khối xây của tường ngoài ở khu vực khí hậu khô ráo;

0,5 – đối với khối xây của tường ngoài ở khu vực khác;

0,8 – đối với khối xây ở tường trong.

Gạch mộc và gạch đá ong chỉ cho phép sử dụng làm tường nhà có niên hạn sử dụng không lớn hơn 25 năm.

7.1.7. Cường độ chịu nén tính toán của khối xây bằng đá thiên nhiên đẽo nhẵn phẳng đáy được xác định bằng cách nhân các trị số của cường độ tính toán ghi trong Bảng 3, Bảng 4 và Bảng 6 với hệ số:

0,8 – đối với khối xây bằng đá đẽo nhẵn vừa (lồi lõm đến 10 mm);

0,7 – đối với khối xây bằng đá đẽo thô (lồi lõm đến 20 mm).

Bảng 1 – Cường độ chịu nén tính toán, R, của khối xây bằng gạch các loại và gạch gốm lỗ rỗng thẳng đứng rộng tới 12 mm có chiều cao hàng xây từ 50 mm đến 150 mm, dùng vữa nặng

Đơn vị tính bằng Megapascal

Mác gạch hoặc đá

Trị số R

Khi mác vữa

Khi cường độ vữa

20

15

10

7,5

5

2,5

1

0,4

0,2

chưa có

300

3,90

3,60

3,30

3,00

2,80

2,50

2,20

1,80

1,70

1,50

250

3,60

3,30

3,00

2,80

2,50

2,20

1,90

1,60

1,50

1,30

200

3,20

3,00

2,70

2,50

2,20

1,80

1,60

1,40

1,30

1,00

150

2,60

2,40

2,20

2,00

1,80

1,50

1,30

1,20

1,00

0,80

125

2,20

2,00

1,90

1,70

1,40

1,20

1,10

0,90

0,70

100

2,00

1,80

1,70

1,50

1,30

1,00

0,90

0,80

0,60

75

1,50

1,40

1,30

1,10

0,90

0,70

0,60

0,50

50

1,10

1,00

0,90

0,70

0,60

0,50

0,35

35

0,90

0,80

0,70

0,60

0,45

0,40

0,25

CHÚ THÍCH: Cường độ tính toán của khối xây dùng mác vữa từ 0,4 đến 5 cần phải được giảm bớt bằng cách nhân với các hệ số sau:

0,85 – khi xây bằng vữa xi măng ít dẻo (không cho thêm vôi hoặc đất sét) hoặc xây bằng vữa nhẹ và vữa vôi có tuổi dưới 3 tháng;

0,90 – khi xây bằng vữa xi măng (không vôi) có thêm phụ gia hóa dẻo.

Bảng 2 – Cường độ chịu nén tính toán, Rr, của khối xây gạch rung dùng vữa nặng

Đơn vị tính bằng Megapascal

Mác gạch

Trị số Rr khi mác vữa

20

15

10

7,5

5

300

5,6

5,3

4,8

4,5

4,2

250

5,2

4,9

4,4

4,1

3,7

200

4,8

4,5

4,0

3,6

3,3

150

4,0

3,7

3,3

3,1

2,7

125

3,6

3,3

3,0

2,9

2,5

100

3,1

2,9

2,7

2,6

2,3

75

2,5

2,3

2,2

2,0

CHÚ THÍCH 1: Cường độ chịu nén tính toán của khối xây được đầm rung bằng bàn rung lấy theo Bảng 2 được nhân thêm với hệ số 1,05.

CHÚ THÍCH 2: Cường độ chịu nén tính toán của khối xây gạch rung có chiều dày lớn hơn 30 cm được lấy theo Bảng 2 nhân với hệ số 0,85.

CHÚ THÍCH 3: Cường độ tính toán ghi trong Bảng 2 dùng cho những tấm khối xây có chiều dày không nhỏ hơn 40 cm. Đối với tường tự chịu lực và tường không chịu lực cho phép dùng các tấm có chiều dày từ 22 cm đến 33 cm. Trong trường hợp này cường độ tính toán lấy theo Bảng 2 nhân với hệ số 0,8.

Bảng 3 – Cường độ chịu nén tính toán, R, của khối xây bằng các blốc bê tông cỡ lớn và blốc đá thiên nhiên cưa hoặc đẽo nhẵn khi chiều cao của hàng xây từ 500 mm đến 1000 mm

Đơn vị tính bằng Megapascal

Mác bê tông hoặc đá

Trị số R

Khi mác vữa

Khi vữa chưa có cường độ

20

15

10

7,5

5

2,5

1

1000

17,90

17,50

17,10

16,80

16,50

15,80

14,50

11,30

800

15,20

14,80

14,40

14,10

13,80

13,30

12,30

8,40

600

12,80

12,40

12,00

11,70

11,40

10,90

9,90

7,30

500

11,10

10,70

10,30

10,10

9,80

9,30

8,70

6,30

400

9,30

9,00

8,70

8,40

8,20

7,70

7,40

5,30

300

7,50

7,20

6,90

6,70

6,50

6,20

5,70

4,40

250

6,70

6,40

6,10

5,90

5,70

5,40

4,90

3,80

200

5,40

5,20

5,00

4,90

4,70

4,30

4,00

3,00

150

4,60

4,40

4,20

4,10

3,90

3,70

3,40

2,40

100

3,30

3,10

2,90

2,70

2,60

2,40

1,70

75

2,30

2,20

2,10

2,00

1,80

1,30

50

1,70

1,60

1,50

1,40

1,20

0,85

35

1,10

1,00

0,90

0,60

25

0,90

0,80

0,70

0,50

CHÚ THÍCH: Cường độ chịu nén tính toán của khối xây bằng blốc lớn có chiều cao mỗi hàng xây lớn hơn 1000 mm lấy theo Bảng 3 nhân với hệ số 1,1.

Bảng 4 – Cường độ chịu nén tính toán, R, của khối xây bằng gạch bê tông đặc và đá thiên nhiên cưa hoặc đẽo nhẵn với chiều cao hàng xây từ 200 mm đến 300 mm

Đơn vị tính bằng Megapascal

Mác gạch đá

Trị số R

Khi mác vữa

Khi vữa chưa có cường độ

20

15

10

7,5

5

2,5

1

0,4

0,2

1000

13,00

12,50

12,00

11,50

11,00

10,50

9,50

8,50

8,30

8,00

800

11,00

10,50

10,00

9,50

9,00

8,50

8,00

7,00

6,80

6,50

600

9,00

8,50

8,00

7,80

7,50

7,00

6,00

5,50

5,30

5,00

500

7,80

7,30

6,90

6,70

6,40

6,00

5,30

4,80

4,60

4,30

400

6,50

6,00

5,80

5,50

5,30

5,00

4,50

4,00

3,80

3,50

300

5,80

4,90

4,70

4,50

4,30

4,00

3,70

3,30

3,10

2,80

200

4,00

3,80

3,60

3,50

3,30

3,00

2,80

2,50

2,30

2,00

150

3,30

3,10

2,90

2,80

2,60

2,40

2,20

2,00

1,80

1,50

100

2,50

2,40

2,30

2,20

2,00

1,80

1,70

1,50

1,30

1,00

75

1,90

1,80

1,70

1,50

1,40

1,20

1,10

0,80

50

1,50

1,40

1,30

1,20

1,00

0,90

0,80

0,60

35

1,00

0,95

0,85

0,70

0,60

0,45

25

0,80

0,75

0,65

0,55

0,50

0,35

15

0,50

0,45

0,38

0,35

0,25

CHÚ THÍCH 1: Cường độ tính toán của khối xây bằng gạch bê tông xỉ đặc phải được giảm bớt bằng cách nhân với hệ số 0,8.

CHÚ THÍCH 2: Cường độ tính toán khối xây bằng các loại gạch đá nêu ở bảng này phải nhân với hệ số 1,3 đối với khối xây bằng gạch bê tông và đá thiên nhiên có mác từ 150 trở lên bề mặt phẳng và chiều dày mạch vữa không quá 5 mm.

Bảng 5 – Cường độ chịu nén tính toán, R, của khối xây bằng gạch bê tông rỗng khi chiều cao hàng xây từ 200 mm đến 300 mm

Đơn vị tính bằng Megapascal

Mác gạch đá

Trị số R

Khi mác vữa

Khi cường độ vữa

10

7,5

5

2,5

1

0,4

0,2

chưa có

150

2,70

2,60

2,40

2,20

2,00

1,80

1,70

1,30

125

2,40

2,30

2,10

1,90

1,70

1,60

1,40

1,10

100

2,00

1,80

1,70

1,60

1,40

1,30

1,10

0,90

75

1,60

1,50

1,40

1,30

1,10

1,00

0,90

0,70

50

1,20

1,15

1,10

1,00

0,90

0,80

0,70

0,50

35

1,00

0,90

0,80

0,70

0,60

0,55

0,40

25

0,70

0,65

0,55

0,50

0,45

0,30

CHÚ THÍCH: Cường độ tính toán của khối xây bằng gạch bê tông xỉ, rỗng phải giảm bớt bằng cách nhân với hệ số 0,8.

Bảng 6 – Cường độ chịu nén tính toán, R, của khối xây bằng đá thiên nhiên cường độ thấp có hình dạng đều đặn (cưa và đẽo nhẵn)

Đơn vị tính bằng Megapascal

Loại khối xây

Mác gạch đá

Trị số R

Khi mác vữa

Khi cường độ vữa

2,5

1

0,4

0,2

chưa có

1. Bằng đá thiên nhiên khi chiều cao hàng xây dưới 150 mm

25

0,60

0,45

0,35

0,30

0,20

15

0,40

0,35

0,25

0,20

0,13

10

0,30

0,25

0,20

0,18

0,10

7

0,35

0,20

0,10

0,15

0,07

2. Bằng đá thiên nhiên khi chiều cao hàng xây từ 200 mm đến 300 mm

10

0,38

0,33

0,28

0,25

0,20

7

0,28

0,25

0,23

0,20

0,12

4

0,15

0,14

0,12

0,08

Bảng 7 – Cường độ chịu nén tính toán, R, của khối xây bằng đá hộc đập thô

Đơn vị tính bằng Megapascal

Mác đá hộc

Trị số R

Khi mác vữa

Khi cường độ vữa

10

7,5

5

2,5

1

0,4

0,2

chưa có

1000

2,50

2,20

1,80

1,20

0,80

0,50

0,40

0,33

800

2,20

2,00

1,60

1,00

0,70

0,45

0,33

0,28

600

2,00

1,70

1,40

0,90

0,65

0,40

0,30

0,20

500

1,80

1,50

1,30

0,85

0,60

0,38

0,27

0,18

400

1,50

1,30

1,10

0,80

0,55

0,33

0,23

0,15

300

1,30

1,15

0,95

0,70

0,50

0,30

0,20

0,12

200

1,10

1,00

0,80

0,60

0,45

0,28

0,18

0,08

150

0,90

0,80

0,70

0,55

0,40

0,25

0,17

0,07

100

0,75

0,70

0,60

0,50

0,35

0,23

0,15

0,05

50

0,45

0,35

0,25

0,20

0,13

0,03

35

0,36

0,29

0,22

0,18

0,12

0,02

25

0,3

0,25

0,20

0,15

0,10

0,02

CHÚ THÍCH 1: Cường độ tính toán ghi ở Bảng 7 ứng với các cột các mác vữa lớn hơn hoặc bằng 4 được dùng cho khối xây ở tuổi 3 tháng, trong đó mác vữa xác định ở tuổi 28 ngày. Còn khi khối xây ở tuổi 28 ngày thì cần nhân với hệ số 0,8.

CHÚ THÍCH 2: Đối với khối xây bằng đá hộc phẳng đáy cường độ tính toán được nhân với hệ số 1,5.

CHÚ THÍCH 3: Cường độ tính toán của khối xây móng bằng đá hộc có lấp đất bốn phía được tăng thêm:

0,1 MPa – khi khối xây được lấp đất theo từng lớp;

0,2 MPa – khi khối xây tì vào thành hố móng là đất nguyên thổ hoặc sau khi lấp đất, hố móng đã được lèn chặt một thời gian dài (khi xây thêm tầng nhà).

Bảng 8 – Cường độ chịu nén tính toán, R, của bê tông đá hộc (không đầm)

Đơn vị tính bằng Megapascal

Loại bê tông đá hộc

Trị số R khi mác bê tông

200

150

100

75

50

35

Với đá hộc đập thô mác:

 

 

 

 

 

 

200 và lớn hơn

4,0

3,5

3,0

2,5

2,0

1,7

100

2,2

1,8

1,5

50 hay với gạch vỡ

2,0

1,7

1,3

CHÚ THÍCH: Đối với bê tông đá hộc được đầm, cường độ chịu nén tính toán R được nhân với hệ số 1,15.

7.1.8. Cường độ tính toán của khối xây gạch đá chịu kéo dọc trục Rk, chịu kéo khi uốn Rku, chịu cắt Rc và chịu ứng suất kéo chính khi uốn, Rkc, khi khối xây bị phá hoại theo mạch vữa hoặc phá hoại qua gạch hoặc đá lấy theo các Bảng 9, 10 và 11.

Bảng 9 – Cường độ tính toán Rk , Rku , Rc , Rkc của khối xây bằng gạch đá đặc với vữa xi măng vôi hoặc vữa vôi khi khối xây bị phá hoại theo mạch vữa ngang hay đứng

Đơn vị tính bằng Megapascal

Loại trạng thái ứng suất

Trị số R

Khi mác vữa

Khi cường độ vữa

≥ 5

2,5

1

0,4

0,2

A. Kéo dọc trục, Rk

1. Theo mạch không giằng đối với mọi loại khối xây (lực dính pháp tuyến, Hình 1)

0,08

0,05

0,03

0,01

0,050

2. Theo mạch giằng (cài răng lược, Hình 2)

 

 

 

 

 

a) đối với khối xây gạch đá có hình đều đặn

0,16

0,11

0,05

0,02

0,010

b) đối với khối xây đá hộc

0,12

0,08

0,04

0,02

0,010

B. Kéo khi uốn, Rku

1. Theo mạch không giằng đối với mọi loại khối xây và mạch nghiêng bậc thang (ứng suất kéo chính khi uốn Rkc)

0,12

0,08

0,04

0,02

0,010

2. Theo mạch giằng (Hình 3)

 

 

 

 

 

a) đối với khối xây bằng gạch đá có hình đều đặn

0,25

0,16

0,08

0,04

0,020

b) đối với khối xây đá hộc

0,18

0,12

0,06

0,03

0,015

C. Cắt, Rc

1. Theo mạch không giằng đối với mọi loại khối xây (lực dính tiếp tuyến)

0,16

0,11

0,05

0,02

0,010

2. Theo mạch giằng đối và đối với khối xây đá hộc

0,24

0,16

0,08

0,04

0,020

CHÚ THÍCH 1: Cường độ tính toán của khối xây ghi ở Bảng 9 cần được nhân với hệ số:

0,70 – đối với khối xây bằng gạch silicát thông thường, còn khối xây bằng gạch silicát được sản xuất bằng các loại cát nhỏ được lấy theo số liệu thực nghiệm. Khi tính theo trạng thái mở rộng khe nứt theo công thức (61) cường độ tính toán Rku của khối xây bằng mọi loại gạch silicát được lấy theo Bảng 9 (không có hệ số);

0,75 – đối với khối xây không rung, xây bằng vữa xi măng ít dẻo không có chất phụ gia vôi hoặc đất sét;

1,25 – đối với khối xây gạch rung được chế tạo bằng gạch đất sét ép dẻo;

1,40 – đối với khối xây gạch rung bằng bàn rung khi tính với tổ hợp tải trọng đặc biệt.

CHÚ THÍCH 2: Khi tỉ số giữa chiều sâu liên kết cài răng lược và chiều cao một hàng xây của khối xây bằng gạch đá có hình đều đặn nhỏ hơn 1 thì cường độ tính toán RkRku theo mạch giằng được lấy bằng các trị số ghi ở Bảng 9 nhân với tỉ số đó.

 

Hình 1 – Khối xây chịu kéo theo mạch không giằng

Hình 2 – Khối xây chịu kéo theo mạch giằng

Hình 3 – Khối xây chịu kéo khi uốn theo mạch giằng

Bảng 10 – Cường độ tính toán Rk , Rku , Rc , Rkc của khối xây bằng gạch đá có hình dạng đều đặn khi khối xây bị phá hoại qua gạch hay đá

Đơn vị tính bằng Megapascal

Trạng thái ứng suất

Trị số R khi mác gạch đá

200

150

100

75

50

35

25

15

10

Kéo dọc trục Rk

0,25

0,20

0,18

0,13

0,10

0,08

0,06

0,05

0,03

Kéo khi uốn Rku và ứng suất kéo chính Rkc

0,40

0,30

0,25

0,20

0,16

0,12

0,10

0,07

0,05

Cắt Rc

1,00

0,80

0,65

0,55

0,40

0,30

0,20

0,14

0,09

CHÚ THÍCH 1: Cường độ tính toán Rk , Rkc , Rku được tính với toàn bộ tiết diện đứt của khối xây.

CHÚ THÍCH 2: Cường độ tính toán chịu cắt theo mạch giằng chỉ được tính với diện tích tiết diện gạch hay đá trong tiết diện (diện tích gạch đá thực của tiết diện) mà không kể diện tích mạch vữa đứng.

Bảng 11 – Cường độ tính toán của bê tông đá hộc chịu kéo dọc trục Rk , chịu ứng suất kéo chính Rkc và chịu kéo uốn Rku

Đơn vị tính bằng Megapascal

Trạng thái ứng suất

Trị số R khi mác bê tông

200

150

100

75

50

35

Kéo dọc trục Rk và ứng suất kéo chính Rkc

0,20

0,18

0,16

0,14

0,12

0,10

Kéo uốn Rku

0,27

0,25

0,23

0,20

0,18

0,16

7.1.9. Cường độ tính toán chịu kéo của cốt thép Rt lấy theo TCXDVN 356:2005, nhân với hệ số điều kiện làm việc gt cho trong Bảng 12.

Bảng 12 – Hệ số điều kiện làm việc gt  của cốt thép

Loại cốt thép trong kết cấu

Nhóm thép

Cl (hoặc Al)

CII (hoặc AII)

Bp-I

1. Lưới thép

0,75

0,60

2. Cốt thép dọc trong khối xây:

 

 

 

a) Cốt thép dọc chịu kéo

1,00

1,00

1,00

b) Cốt thép dọc chịu nén

0,85

0,70

0,60

c) Cốt thép xiên và cốt thép đai

0,80

0,80

0,60

3. Neo và liên kết trong khối xây dùng vữa:

 

 

 

a) mác 2,5 và lớn hơn

0,90

0,90

0,80

b) mác 1 và nhỏ hơn

0,50

0,50

0,60

CHÚ THÍCH: Cường độ tính toán của các loại cốt thép khác không lấy cao hơn cường độ tính toán của loại thép CII, (AII) hoặc sợi thép Bp-I tương ứng.

7.2. Mô đun đàn hồi và mô đun biến dạng của khối xây khi chịu tải trọng ngắn hạn và dài hạn. Các đặc trưng đàn hồi của khối xây, biến dạng co ngót, hệ số giãn nở nhiệt và hệ số ma sát

7.2.1. Mô đun đàn hồi (mô đun biến dạng ban đầu) của khối xây Eo khi tải trọng tác dụng ngắn hạn được xác định theo các công thức:

Đối với khối xây không có cốt thép:

Eo = aRtb                            (1)

Đối với khối xây có cốt thép:

Eo = a1Rt,tb                         (2)

Trong các công thức (1) và (2):

a a1 lần lượt là đặc trưng đàn hồi của khối xây không có cốt thép và có cốt thép, lấy theo 7.2.2.

Rtb là cường độ chịu nén trung bình (giới hạn trung bình của cường độ) của khối xây, xác định theo công thức:

Rtb = kR                           (3)

trong đó:

k là hệ số, lấy theo Bảng 13;

R là cường độ chịu nén tính toán của khối xây, lấy theo các bảng từ Bảng 1 đến Bảng 8 có kể tới các hệ số trình bày trong phần chú thích của các bảng trên và ở 7.1.2 đến 7.1.7;

Rt,tb là cường độ chịu nén trung bình (giới hạn trung bình của cường độ) của khối xây có cốt thép, xây bằng gạch đá có chiều cao một hàng xây không lớn hơn 150 mm, được xác định theo công thức:

Đối với khối xây có cốt thép dọc:

                        (4)

Đối với khối xây có cốt thép lưới:

                      (5)

Với mt là hàm lượng cốt thép:

+ đối với khối xây có cốt thép dọc: mt  = 100At / Akx, trong đó At Akx tương ứng là diện tích tiết diện của cốt thép và khối xây;

+ đối với khối xây có cốt thép lưới: mt được xác định theo 8.2.1.1.

Rtc là cường độ chịu kéo tiêu chuẩn của cốt thép trong khối xây có cốt thép, đối với thép thanh loại CI và CII lấy theo TCXDVN 356:2005, còn đối với sợi thép thông thường Bp-I cũng lấy theo tiêu chuẩn trên với hệ số điều kiện làm việc 0,6 (chú ý: trong tiêu chuẩn vừa nêu, cường độ chịu kéo tiêu chuẩn của cốt thép được kí hiệu là Rsn).

Bảng 13 – Hệ số k

Loại khối xây

Hệ số k

1. Khối xây gạch đá các loại bằng blốc lớn đá hộc, bê tông đá hộc và khối xây gạch rung

2,00

2. Khối xây blốc lớn và nhỏ bằng bê tông tổ ong

2,25

7.2.2. Trị số đặc trưng đàn hồi của khối xây không có cốt thép a lấy theo Bảng 14. Trị số đặc trưng đàn hồi của khối xây có cốt thép a1 lấy bằng:

khi dùng cốt thép lưới:

                         (6)

khi dùng cốt thép dọc: lấy theo Bảng 14 như đối với khối xây không có cốt thép.

Bảng 14 – Trị số đặc trưng đàn hồi a

Loại khối xây

Trị số a

Khi mác vữa

Khi cường độ vữa

2,5 đến 20

1

0,4

0,2

chưa có

1. Bằng các blốc cỡ lớn làm từ bê tông nặng và bê tông có lỗ rỗng lớn với cốt liệu nặng và bằng đá thiên nhiên nặng (g ≥ 1800 kg/cm3)

1500

1000

750

750

500

2. Bằng đá thiên nhiên, gạch bê tông nặng và đá hộc

1500

1000

750

500

350

3. Bằng các khối lớn làm từ bê tông cốt liệu rỗng và bê tông lỗ rỗng lớn với cốt liệu nhẹ, bê tông silicát và bằng đá thiên nhiên nhẹ

1000

750

500

500

350

4. Bằng khối lớn làm từ bê tông tổ ong

Chưng áp

750

750

500

500

350

Không chưng áp

500

500

350

350

350

5. Bằng gạch bê tông tổ ong

Chưng áp

750

500

350

350

200

Không chưng áp

500

350

200

200

200

6. Bằng gạch gốm

1200

1000

750

500

350

7. Bằng gạch đất sét ép dẻo đặc và có lỗ rỗng, gạch bê tông với cốt liệu rỗng và đá thiên nhiên nhẹ

1000

750

500

350

200

8. Gạch silicát đặc và rỗng

750

500

350

350

200

9. Gạch đất sét (đặc và có lỗ rỗng) ép nửa khô

500

500

350

350

200

CHÚ THÍCH 1: Khi xác định hệ số uốn dọc với độ mảnh lo / i ≤ 28 hay lo / h ≤ 8 (xem 8.1.1.2) cho phép lấy trị số đặc trưng đàn hồi a cho khối xây bằng mọi loại gạch như cho khối xây bằng gạch ép dẻo.

CHÚ THÍCH 2: Trị số đặc trưng đàn hồi a từ điểm 7 đến 9 cũng dùng cho các tấm lớn và khối gạch rung.

CHÚ THÍCH 3: Đặc trưng đàn hồi của bê tông đá hộc được lấy bằng a = 2000.

CHÚ THÍCH 4: Đối với khối xây vữa nhẹ đặc trưng đàn hồi, a lấy theo Bảng 14 với hệ số 0,7.

CHÚ THÍCH 5: Đặc trưng đàn hồi của khối xây bằng đá thiên nhiên được xác định trên cơ sở thí nghiệm.

7.2.3. Mô đun biến dạng E của khối xây phải lấy như sau:

a) Khi tính toán kết cấu theo cường độ khối xây để xác định nội lực trong khối xây ở trạng thái giới hạn chịu nén với điều kiện biến dạng của khối xây được xác định bằng cách cho cùng làm việc với các bộ phận của kết cấu làm bằng các vật liệu khác (ví dụ: để xác định nội lực trong dây căng của vòm, trong các lớp của tiết diện chịu nén nhiều lớp; để xác định nội lực do biến dạng nhiệt độ gây ra; khi tính toán khối xây trên dầm đỡ tường hoặc dưới các giằng phân phối lực), E tính theo công thức:

E = 0,5 E0                                 (7)

b) Khi xác định biến dạng của khối xây do lực dọc hoặc lực ngang, xác định nội lực trong các hệ khung siêu tỉnh mà ở đó các phần kết cấu bằng khối xây cũng làm việc với các phần làm bằng vật liệu khác; xác định chu kỳ dao động hoặc độ cứng của kết cấu, v.v.., E tính theo công thức:

E = 0,8 E0                                 (8)

trong đó:

E0  là mô đun đàn hồi được xác định theo công thức (1) và (2).

7.2.4. Biến dạng tương đối của khối xây có kể đến từ biến được xác định theo công thức:

             (9)

trong đó:

s là ứng suất dùng để xác định e;

v là hệ số xét đến ảnh hưởng của từ biến đối với khối xây, lấy bằng:

1,8 – đối với khối xây bằng gạch gốm có lỗ rỗng thẳng đứng;

2,2 – đối với khối xây bằng gạch đất sét ép dẻo và ép nửa khô;

2,8 – đối với khối xây bằng khối lớn hoặc bằng gạch bê tông nặng;

3,0 – đối với khối xây bằng gạch silicát đặc và rỗng cũng như bằng gạch được làm từ bê tông cốt liệu rỗng hoặc và blốc lớn silicát;

3,5 – đối với khối xây bằng blốc lớn và nhỏ hoặc gạch chế tạo từ bê tông tổ ong chưng áp;

4,0 – đối với khối xây bằng blốc lớn và nhỏ hoặc gạch chế tạo từ bê tông tổ ong không chưng áp.

7.2.5. Mô đun đàn hồi có khối xây E0  khi có tác dụng của tải trọng thường xuyên và tải trọng dài hạn có kể đến từ biến cần được giảm xuống bằng cách chia nó cho hệ số từ biến v.

7.2.6. Mô đun đàn hồi và biến dạng của khối xây bằng đá thiên nhiên cho phép lấy trên cơ sở thí nghiệm.

7.2.7. Biến dạng co ngót của khối xây bằng:

3×10-4 – đối với khối xây bằng gạch đá, blốc cỡ lớn và cỡ nhỏ được xây bằng chất kết dính silicát hay xi măng;

4×10-4 – đối với khối xây bằng gạch và blốc làm từ bê tông tổ ong chưng áp;

8×10-4 – đối với khối xây bằng gạch và blốc làm từ bê tông tổ ong không chưng áp.

Còn đối với khối xây bằng gạch đất sét và gạch gốm thì không kể đến biến dạng co ngót.

7.2.8. Mô đun trượt của khối xây lấy bằng G = 0,4E0E0 là mô đun đàn hồi khi nén.

7.2.9. Trị số hệ số giãn nở nhiệt của khối xây khi nhiệt độ thay đổi 1 oC được lấy theo Bảng 15.

Bảng 15 – Hệ số giãn nở nhiệt của khối xây a1

Vật liệu của khối xây

Trị số a1

(oC-1)

1. Gạch đất sét (đặc và rỗng) và gạch gốm

5×10-6

2. Gạch silicát, gạch và blốc bê tông, bê tông đá hộc

10×10-6

3. Đá thiên nhiên, gạch và blốc bê tông tổ ong

8×10-6

7.2.10. Hệ số ma sát lấy theo Bảng 16.

Bảng 16 – Hệ số ma sát m

Vật liệu

Trạng thái bề mặt ma sát

Khô

Ẩm

1. Khối xây trên khối xây hoặc trên bê tông

0,70

0,60

2. Gỗ trên khối xây hoặc trên bê tông

0,60

0,60

3. Thép trên khối xây hoặc trên bê tông

0,45

0,35

4. Khối xây và bê tông trên cát hay trên sỏi

0,60

0,50

5. Khối xây và bê tông trên đất á sét

0,55

0,40

6. Khối xây và bê tông trên đất sét

0,50

0,30

8. Tính toán các cấu kiện của kết cấu gạch đá và gạch đá cốt thép theo trạng thái giới hạn thứ nhất (theo khả năng chịu lực)

8.1. Kết cấu gạch đá

8.1.1. Cấu kiện chịu nén đúng tâm

8.1.1.1. Tính toán các cấu kiện của kết cấu gạch đá không có cốt thép chịu nén đúng tâm theo công thức:

N = md j R A                                  (10)

trong đó:

N là lực dọc tính toán;

R là cường độ chịu nén tính toán của khối xây, xác định theo các bảng từ Bảng 1 đến Bảng 8;

j là hệ số uốn dọc, xác định theo 8.1.1.2;

A là diện tích tiết diện của cấu kiện;

md là hệ số xét đến ảnh hưởng của tải trọng tác dụng dài hạn và được xác định theo công thức (16) với e0,d = 0.

Khi cấu kiện có cạnh nhỏ nhất h không nhỏ hơn 30 cm (hay là có bán kính quán tính nhỏ nhất của tiết diện ngang bất kì i nhỏ hơn 8,7 cm) thì hệ số md lấy bằng 1.

8.1.1.2. Hệ số uốn dọc j dùng để xét đến sự giảm khả năng chịu lực của các cấu kiện chịu nén. Đối với cấu kiện có tiết diện không đổi theo chiều dài, j  được xác định theo Bảng 17 tùy thuộc vào độ mảnh của cấu kiện

                     (11)

hoặc đối với các tiết diện hình chữ nhật

                                    (12)

và đặc trưng đàn hồi a của khối xây (lấy theo Bảng 14).

Trong các công thức (11) và (12):

lo là chiều cao tính toán của cấu kiện, được xác định theo chỉ dẫn trong 8.1.1.3;

i là bán kính quán tính nhỏ nhất của tiết diện cấu kiện;

h là cạnh nhỏ của tiết diện hình chữ nhật.

8.1.1.3. Chiều cao tính toán của tường và cột lo dùng để xác định hệ số uốn dọc j được lấy tùy theo điều kiện tựa của chúng lên các gối tựa nằm ngang, cụ thể là:

a) Khi tựa lên gối khớp cố định (Hình 4a): lo = H;

b) Khi gối trên là gối đàn hồi và gối dưới là ngàm cứng (Hình 4b):

– Đối với nhà một nhịp lo = 1,5 H;

– Đối với nhà nhiều nhịp lo = 1,25 H;

c) Khi kết cấu đứng tự do (Hình 4c) lo = 2 H;

d) Khi kết cấu có các tiết diện gối được ngàm không hoàn toàn thì phải xét đến mức độ ngàm thực tế nhưng lo > 0,8H, trong đó H là khoảng cách giữa các sàn hay giữa các gối tựa nằm ngang.

CHÚ THÍCH 1: Khi có các gối tựa cứng (xem 10.1.7) và khi có các sàn bê tông cốt thép được cắm vào tường lấy lo = 0,9 H, còn khi có các sàn bê tông cốt thép đổ toàn khối kê lên tường theo bốn cạnh thì lấy lo = 0,8 H.

CHÚ THÍCH 2: Nếu tải trọng chỉ là trọng lượng bản thân của cấu kiện trong phạm vi đoạn đang tính thì chiều cao tính toán lo cần giảm bớt bằng cách nhân với hệ số 0,75.

Bảng 17 – Hệ số uốn dọc j

Độ mảnh

Trị số j khi đặc trưng đàn hồi của khối xây a bằng

l = lo / h

li = lo / i

1500

1000

750

500

350

200

100

4

14

1,00

1,00

1,00

0,98

0,94

0,90

0,82

6

21

0,98

0,96

0,95

0,91

0,88

0,81

0,68

8

28

0,95

0,92

0,90

0,85

0,80

0,70

0,54

10

35

0,92

0,88

0,84

0,79

0,72

0,60

0,43

12

42

0,88

0,84

0,79

0,72

0,64

0,51

0,34

14

49

0,85

0,79

0,73

0,66

0,57

0,43

0,28

16

56

0,81

0,74

0,68

0,59

0,50

0,37

0,23

18

63

0,77

0,70

0,63

0,53

0,45

0,32

22

76

0,69

0,61

0,53

0,43

0,35

0,24

26

90

0,61

0,52

0,45

0,36

0,29

0,20

30

104

0,53

0,45

0,39

0,32

0,25

0,17

34

118

0,44

0,38

0,32

0,26

0,21

0,14

38

132

0,36

0,31

0,26

0,21

0,17

0,12

42

146

0,29

0,25

0,21

0,17

0,14

0,09

46

160

0,21

0,18

0,16

0,13

0,10

0,07

50

173

0,17

0,15

0,13

0,10

0,08

0,05

54

187

0,13

0,12

0,10

0,08

0,06

0,04

CHÚ THÍCH 1: Với các trị số độ mảnh trung gian, hệ số j được lấy theo nội suy.

CHÚ THÍCH 2: Với các trị số độ mảnh lh vượt quá trị số giới hạn (xem 10.2.1 đến 10.2.5), hệ số j được dùng để xác định jn (xem 7.1.2.1) trong trường hợp tính toán cấu kiện chịu nén lệch tâm lớn.

CHÚ THÍCH 3: Đối với khối xây có cốt thép lưới thì trị số đặc trưng đàn hồi được xác định theo công thức (6) có thể nhỏ hơn 200.

Hình 4 – Hệ số j  md theo chiều cao tường và cột chịu nén

8.1.1.4. Đối với tường và cột có gối khớp cố định mà chiều cao tính toán lo = H (xem 8.1.1.3) thì khi tính toán những tiết diện nằm ngang trong đoạn H /3 ở giữa, giá trị hệ số j  và md được lấy không đổi và bằng trị số tính toán cho tường và cột đó, còn khi tính toán những tiết diện nằm ngang trong đoạn H /3 ở hai đầu, hệ số j  và md được lấy tăng dần từ trị số tính toán tới 1 ở gối theo qui luật đường thẳng (Hình 4a).

Đối với tường và cột ngàm cứng ở phía dưới và tựa đàn hồi ở phía trên thì khi tính những tiết diện nằm ở phần dưới của tường và cột tới chiều cao 0,7 H, trị số j  và md lấy theo tính toán còn khi tính những tiết diện còn lại ở phần trên của tường và cột, trị số j  và md lấy tăng dần từ trị số tính toán tới 1 tại gối đàn hồi theo qui luật đường thẳng (Hình 4b).

Đối với tường và cột đứng tự do, khi tính những tiết diện ở nửa phần dưới (tới chiều cao 0,5 H) trị số j  và md lấy theo tính toán, còn nửa phần trên lấy tăng dần từ trị số tính toán tới 1 theo qui luật đường thẳng (Hình 4c).

8.1.1.5. Trong các tường có các ô cửa khi tính mảng tường nằm giữa hai ô cửa, hệ số j  lấy theo độ mảnh của tường.

Trong trường hợp mảng tường hẹp giữa hai ô cửa, có chiều rộng nhỏ hơn chiều dày của tường, thì mảng tường sẽ được tính toán kiểm tra trong mặt phẳng của tường, khi đó chiều cao tính toán lo của mảng tường lấy bằng chiều cao của ô cửa.

8.1.1.3. Đối với tường và cột giật cấp, phần trên có tiết diện ngang nhỏ hơn, hệ số j  và md được xác định như sau:

a) Khi tường và cột tựa lên gối khớp cố định, chúng được xác định phụ thuộc vào chiều cao tính toán lo = H (H là chiều cao của tường hay cột lấy theo 8.1.1.3) và vào tiết diện nhỏ nhất nằm trong đoạn H/3 ở giữa;

b) Khi ở phía trên là gối tựa đàn hồi hay không có gối, hệ số j  và md được xác định phụ thuộc vào chiều cao tính toán lo (xác định theo 8.1.1.3) và vào tiết diện ở phần gối tựa dưới, còn khi tính toán phần tường và cột trên có chiều cao H1 thì hệ số j  và md được xác định phụ thuộc vào chiều cao tính toán l01 và vào tiết diện của phần này: l01 được xác định giống như lo nhưng với H0 = H1.

8.1.2. Cấu kiện chịu nén lệch tâm

8.1.2.1. Tính toán các cấu kiện chịu nén lệch tâm của khối xây không có cốt thép được tiến hành theo công thức:

N ≤ mdj1RAnw                                    (13)

Đối với tiết diện chữ nhật: theo công thức:

N ≤ mdj1RA(1 – 2e0)w                            (14)

trong đó:

                                  (15)

Trong các công thức từ (13) đến (15):

R là cường độ chịu nén tính toán của khối xây;

A là diện tích tiết diện cấu kiện;

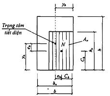
An là diện tích phần chịu nén của tiết diện, được xác định với giả thiết là biểu đồ ứng suất nén có dạng hình chữ nhật (Hình 5) và từ điều kiện trọng tâm của diện tích phần chịu nén trùng với điểm đặt của lực dọc tính toán N;

h là chiều cao tiết diện trong mặt phẳng tác dụng mô men uốn;

eo là độ lệch tâm của lực dọc tính toán N đối với trọng tâm của tiết diện;

j là hệ số uốn dọc đối với toàn bộ tiết diện, được xác định trong mặt phẳng tác dụng của mô men uốn theo Bảng 17 và phụ thuộc vào chiều cao tính toán của cấu kiện lo (xem 8.1.1.2 và 8.1.1.3).

jn là hệ số uốn dọc (theo Bảng 17) đối với phần chịu nén của tiết diện, được xác định trong mặt phẳng tác dụng của mô men uốn với độ mảnh lhn hoặc lin. Khi biểu đồ mô men uốn không đổi dấu: lhn = H /hn ; lin = H /in ,

trong đó:

H là chiều cao thực tế của cấu kiện;

hn in lần lượt là chiều cao và bán kính quán tính phần chịu nén của tiết diện ngang trong mặt phẳng tác dụng mô men uốn.

Đối với tiết diện chữ nhật: hn = h – 2e0;

Đối với tiết diện chữ T (khi e0 > 0,45 y): có thể lấy gần đúng An = 2(y – e0)bh­n = 2(y – e0)

trong đó:

y là khoảng cách từ trọng tâm tiết diện của cấu kiện đến mép tiết diện về phía lệch tâm;

b là chiều rộng cánh hay sườn chịu nén của tiết diện chữ T tùy thuộc vào hướng lệch tâm.

Khi biểu đồ mô men uốn đổi dấu theo chiều cao cấu kiện (Hình 6) thì việc tính toán theo cường độ được tiến hành tại các tiết diện có trị số mô men uốn lớn nhất. Hệ số uốn dọc jn được xác định phụ thuộc vào độ mảnh:  hay ;  hay

trong đó:

H1 H2 là chiều cao từng phần tính toán cấu kiện có mô men uốn cùng dấu;

hn1 , in1 hn2 , in2 lần lượt là chiều cao và bán kính quán tính vùng nén của cấu kiện tại những tiết diện có mô men uốn lớn nhất;

w là hệ số xác định theo Bảng 18;

md là hệ số xác định theo công thức:

                       (16)

trong đó:

Nd là lực dọc do phần tải trọng tác dụng dài hạn gây nên;

h là hệ số lấy theo Bảng 19;

e0d là độ lệch tâm của tải trọng tác dụng dài hạn.

Khi h ≥ 30 cm hay l ≥ 8,7 cm thì hệ số md lấy bằng 1.

Hình 5 – Cấu kiện chịu nén lệch tâm

HÌnh 6 – Biểu đồ mô men uốn đổi dấu của cấu kiện chịu nén lệch tâm

Bảng 18 – Hệ số w

Loại khối xây

Trị số w đối với tiết diện

bất kì

chữ nhật

1. Khối xây các loại (trừ những loại nói ở điểm 2 dưới đây)

2. Bằng gạch và tấm lớn sản xuất từ bê tông tổ ong, bê tông lỗ rỗng lớn bằng đá thiên nhiên (kể cả đá hộc)

1

1

CHÚ THÍCH: Nếu 2y < h thì khi xác định hệ số w  thay 2y bằng h.

Bảng 19 – Hệ số h của khối xây

Độ mảnh

Trị số h của khối xây

lh

li

Bằng gạch đất sét, bằng khối lớn sản xuất từ bê tông nặng, bằng đá thiên nhiên các loại

Bằng gạch silicát, bằng gạch đá sản xuất từ bê tông nhẹ và bê tông tổ ong

Khi hàm lượng cốt thép dọc, %

≤ 0,1

≥ 0,3

≤ 0,1

≥ 0,3

< 10

≤ 35

0,00

0,00

0,00

0,00

12

42

0,04

0,03

0,05

0,03

14

49

0,08

0,07

0,09

0,08

16

56

0,12

0,09

0,14

0,11

18

63

0,15

0,13

0,19

0,15

20

70

0,20

0,16

0,24

0,19

22

76

0,24

0,20

0,29

0,22

24

83

0,27

0,23

0,23

0,26

26

90

0,31

0,26

0,26

0,30

CHÚ THÍCH: Đối với khối xây không có cốt thép, hệ số h lấy giống khối xây có hàm lượng cốt thép bằng và nhỏ hơn 0,1 %. Khi hàm lượng cốt thép lớn hơn 0,1 % và nhỏ hơn 0,3 %, hệ số h xác định bằng nội suy.

8.1.2.2. Khi e0 > 0,7y, ngoài việc tính toán cấu kiện chịu nén lệch tâm theo công thức (13), cần phải tiến hành tính toán theo sự mở rộng khe nứt ở các mạch vữa của khối xây theo chỉ dẫn trong 9.2.

8.1.2.3. Khi tính toán các tường tự chịu lực (xem 10.1.6) có chiều dày nhỏ hơn và bằng 22 cm, cần kể đến độ lệch tâm ngẫu nhiên và phải cộng thêm với độ lệch tâm của lực dọc. Giá trị của độ lệch tâm ngẫu nhiên lấy như sau:

– Đối với tường chịu lực: 20 mm;

– Đối với tường tự chịu lực: 10 mm.

8.1.2.4. Giá trị lớn nhất của độ lệch tâm (có xét đến độ lệch tâm ngẫu nhiên) trong cấu kiện chịu nén lệch tâm không có cốt thép dọc ở vùng kéo không được vượt quá:

– Đối với tổ tải trọng cơ bản: 0,90y;

– Đối với tổ tải trọng đặc biệt: 0,95y;

Ở các tường có chiều dày nhỏ hơn và bằng 22 cm thì không được vượt quá:

– Đối với tổ hợp tải trọng cơ bản: 0,8y;

– Đối với tổ hợp tải trọng đặc biệt: 0,85y.

Khi đó khoảng cách từ điểm đặt của lực đến mép tiết diện chịu nén lớn hơn không được nhỏ hơn 2 cm đối với tường và cột chịu lực.

8.1.2.5. Những cấu kiện làm việc chịu nén lệch tâm cần được kiểm tra theo nén đúng tâm trong mặt phẳng vuông góc với mặt phẳng tác dụng của mô men uốn khi chiều rộng b nhỏ hơn chiều cao của tiết diện.

8.1.3. Cấu kiện chịu nén lệch tâm xiên

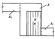
Tính toán các cấu kiện chịu nén lệch tâm xiên được tiến hành theo công thức (13) khi biểu đồ ứng suất có dạng hình chữ nhật theo hai phương. Diện tích phần chịu nén của tiết diện A qui ước lấy theo dạng hình chữ nhật, có trọng tâm trùng với điểm đặt lực và hai cạnh giới hạn bởi mép tiết diện của cấu kiện (Hình 7) với: hn = 2Ch ; bn = 2CbAn = 4ChCb, trong đó Ch Cb là các khoảng cách từ điểm đặt lực N đến các mép gần nhất của tiết diện.

Trong trường hợp hình dạng tiết diện phức tạp, để đơn giản tính toán cho phép lấy phần hình chữ nhật của tiết diện mà không tính đến các phần có hình dạng phức tạp (Hình 8). Các giá trị w, j1md được xác định với hai trường hợp:

– Theo chiều cao tiết diện h hay bán kính quán tính ih và độ lệch tâm eh theo phương h;

– Theo chiều cao tiết diện b hay bán kính quán tính ib và độ lệch tâm eb theo phương b.

Sau khi tính toán chọn giá trị nhỏ nhất trong hai giá trị tính được theo công thức (13) làm khả năng chịu lực của cấu kiện.

Nếu eb > 0,7Cb hoặc eh > 0,7Ch thì ngoài việc tính toán theo khả năng chịu lực còn phải tính toán theo sự mở rộng khe nứt ở phía tương ứng theo 9.2.

CHÚ DẪN:

A1 và A2 là các diện tích được bỏ qua trong tính toán

Hình 7 – Sơ đồ tính toán tiết diện chữ nhật khi nén lệch tâm

Hình 8 – Sơ đồ tính toán tiết diện phức tạp khi nén lệch tâm xiên

8.1.4. Cấu kiện chịu nén cục bộ

8.1.4.1. Tính toán tiết diện chịu nén (ép) cục bộ khi tải trọng phân phối trên một phần diện tích của tiết diện được tiến hành theo công thức:

Ncby d RcbAcb                               (17)

trong đó:

Ncb là trị số tải trọng nén cục bộ;

Rcb là cường độ tính toán của khối xây chịu nén (ép) cục bộ, được xác định theo 8.1.4.2;

Acb là diện tích chịu nén (ép) mà tải trọng truyền lên;

d = 1,5 – 0,5y đối với khối xây gạch và khối xây gạch rung, cũng như khối xây bằng khối bê tông nặng và bê tông nhẹ;

d = 1 đối với khối xây bằng bê tông có lỗ rộng lớn và bê tông tổ ong;

y là hệ số đầy của biểu đồ áp lực do tải trọng cục bộ gây ra.

Khi áp lực phân phối đều: y = 1, phân phối theo biểu đồ hình tam giác: y = 0,5.

Nếu dưới gối tựa của cấu kiện chịu uốn không yêu cầu đặt bản đệm phân bố áp lực thì cho phép lấy tích số jd = 0,75 đối với khối xây bằng vật liệu ghi ở điểm 1 và 2 của Bảng 20 và jd = 0,5 đối với khối xây bằng vật liệu ghi ở điểm 3 của Bảng 20.

Bảng 20 – Hệ số x1

Vật liệu xây

Trị số x1 đối với sơ đồ tải trọng trên

Hình 9, a, c, c1, e, g

Hình 9, b, d, f, h

Tải trọng cục bộ

Tổng tải trọng cục bộ và tải trọng chính

Tải trọng cục bộ

Tổng tải trọng cục bộ

1. Gạch đá đặc, khối bê tông nặng hay bê tông cốt liệu rỗng có mác 50 và lớn hơn

2,0

2,0

1,0

1,2

2. Gạch gốm có lỗ rỗng, gạch rỗng, bê tông đá hộc

1,5

2,0

1,0

1,2

3. Khối bê tông có lỗ rỗng. Khối bê tông đặc mác 35. Khối bê tông tổ ong và đá thiên nhiên

1,2

1,5

1,0

1,0

8.1.4.2. Cường độ tính toán của khối xây chịu nén cục bộ Rcb được xác định theo công thức:

Rcb = x R                            (18)

trong đó:

                           (19)

đồng thời xx1

trong đó:

A là diện tích tính toán của tiết diện, được xác định theo 8.1.4.4;

x1 là hệ số phụ thuộc vào vật liệu của khối xây và điểm đặt tải trọng, xác định theo Bảng 20.

Khi tính toán nén cục bộ của khối xây có lưới thép thì cường độ Rcb trong công thức (17) là giá trị lớn nhất trong hai giá trị Rcb  xác định theo công thức (18) của khối xây không cốt thép hoặc Rcb = Rtk , với Rtk là cường độ chịu nén tính toán của khối xây có lưới cốt thép, được xác định theo công thức (27) hoặc (28).

8.1.4.3. Khi các tải trọng cục bộ (phản lực gối tựa của dầm, xà, sàn…) và các tải trọng chính (trọng lượng của khối xây phía trên tải trọng truyền lên khối xây đó) tác dụng đồng thời thì việc tính toán được tiến hành riêng biệt theo tải trọng cục bộ và theo tổng tải trọng cục bộ và tải trọng chính với các giá trị x1 thích hợp tra ở Bảng 20.

Khi tính toán theo tổng tải trọng cục bộ và tải trọng chính, cho phép chỉ kể đến phần tải trọng cục bộ đặt trước khi chất tải diện tích cục bộ của tải trọng chính.

CHÚ THÍCH: Trong trường hợp, khi mà diện tích tiết diện chỉ đủ để chịu một mình tải trọng cục bộ, mà không đủ để chịu tổng tải trọng cục bộ và tải trọng chính, thì cho phép dùng các biện pháp cấu tạo để tránh không cho truyền tải trọng chính lên diện tích chịu nén cục bộ (ví dụ: tạo một khoảng rỗng hay đặt tấm đệm trên đầu dầm, xà hoặc lanh tô).

8.1.4.4. Diện tích tính toán của tiết diện A được xác định theo nguyên tắc sau:

a) Khi tải trọng cục bộ tác dụng toàn bộ chiều dài của tường, diện tích tính toán của tiết diện gồm cả phần diện tích 2 bên có chiều dài không lớn hơn chiều dày của tường (Hình 9a);

b) Khi tải trọng cục bộ tác dụng ở mép tường trên toàn bộ chiều dày của tường, diện tích tính toán của tiết diện lấy bằng diện tích nén cục bộ, còn khi tính với tổng tải trọng cục bộ và chính, diện tích tính toán của tiết diện bao gồm cả phần diện tích kề sát với mép của tải trọng cục bộ có chiều dài không lớn hơn chiều dày của tường (Hình 9b);

c) Khi tải trọng cục bộ là tải trọng ở những chỗ gối tựa của các đầu xà và dầm, diện tích tính toán của tiết diện là diện tích tiết diện của tường có chiều rộng bằng chiều sâu phần gối tựa của xà hoặc dầm và chiều dài không lớn hơn khoảng cách giữa hai nhịp cạnh tranh nhau của dầm (Hình 9c). Nếu khoảng cách giữa các dầm lớn hơn hai lần chiều dày tường thì chiều dài của phần diện tích tính toán của tiết diện lấy bằng tổng số chiều rộng của dầm b và hai lần chiều dày của  tường h (Hình 9c1);

d) Khi tải trọng cục bộ tác dụng ở góc tường, diện tích tính toán của tiết diện lấy bằng diện tích chịu nén cục bộ, còn khi tính toán với tổng tải trọng cục bộ và chính, thì diện tích tính toán của tiết diện lấy theo Hình 9d trong phạm vi đường đứt nét;

e) Khi tải trọng cục bộ đặt trên một phần chiều dài và chiều rộng của tiết diện, diện tích tính toán của tiết diện lấy theo Hình 9e. Nếu đặt như vậy nhưng ở gần mép tường, thì khi tính toán với tổng tải trọng cục bộ và chính diện tích tính toán lấy không nhỏ hơn diện tích tính được xác định theo Hình 9d khi tải trọng cục bộ đặt ở góc tường;

f) Khi tải trọng cục bộ đặt hoàn toàn trong phạm vi phần bổ trụ, diện tích tính toán lấy bằng diện tích chịu nén cục bộ, còn khi tính toán với tổng tải trọng cục bộ và chính thì diện tích tính toán của tiết diện lấy theo Hình 9f trong phạm vi đường đứt nét;

g) Khi tải trọng cục bộ đặt ở phần bổ trụ và một phần tường, diện tích tính toán được lấy tăng so với diện tích chịu nén cục bộ chỉ khi mà hợp lực của tải trọng có điểm đặt nằm trong cánh (tường) hoặc trong phạm vi phần sườn (bổ trụ) với độ lệch tâm eo > L / 6 về phía tường (trong đó L là chiều dài của phần diện tích chịu nén cục bộ, e0 là độ lệch tâm so với trục của diện tích chịu nén cục bộ). Trong trường hợp này, diện tích tính toán của tiết diện gồm cả phần diện tích tường ở hai bên kề sát với bổ trụ có chiều rộng c1 bằng chiều sâu gối tựa lên khối xây tường và chiều dài về mỗi phía không lớn hơn chiều dày tường (Hình 9g);

h) Nếu tiết diện có hình dạng phức tạp, không được phép tính vào diện tích tính toán những phần diện tích có liên kết yếu (với phần chịu tải) không đủ độ truyền áp lực (phần 1 và 2 trên Hình 9h).

CHÚ THÍCH: Trong mọi trường hợp trình bày trên Hình 9, diện tích tính toán của tiết diện A đã bao gồm cả diện tích chịu nén cục bộ Acb.

CHÚ DẪN:

a) đến h) là các trường hợp nén cục bộ

1 và 2 là các phần tiết diện không đưa vào tính toán

Hình 9 – Xác định diện tích tính toán của tiết diện khi nén cục bộ

8.1.4.5. Khi cấu kiện chịu uốn (dầm, xà…) kê lên mép của khối xây mà không có bản kê hoặc với bản kê có thể xoay cùng với đầu cấu kiện, thì chiều sâu phần gối tựa cần được xác định theo tính toán. Khi đó bản kê chỉ đảm bảo phân bố tải trọng theo phương vuông góc với cấu kiện chịu uốn.

Các chỉ dẫn của mục này không áp dụng để tính gối tựa của các tường treo. Việc tính toán này cần được tiến hành theo chỉ dẫn ở 8.1.4.1.

CHÚ THÍCH 1: Khi cần tăng diện tích chịu nén cục bộ dưới các tấm đệm gối tựa, cần đặt các tấm thép đệm để định vị áp lực gối tựa.

CHÚ THÍCH 2: Những yêu cầu về cấu tạo các phần khối xây chịu tải trọng cục bộ xem chỉ dẫn ở 10.6.1 đến 10.6.4.

8.1.5. Cấu kiện chịu uốn

Tính toán cấu kiện chịu uốn không có cốt thép được tiến hành theo công thức:

M RkuW                                 (20)

trong đó:

M là mô men uốn tính toán;

W là mô men chống uốn của tiết diện khối xây làm việc ở giai đoạn đàn hồi;

Rku là cường độ tính toán của khối xây chịu kéo khi uốn theo tiết diện giằng (Bảng 9 đến Bảng 11).

Tính toán cấu kiện chịu uốn không có cốt thép với lực cắt Q được tiến hành theo công thức:

Q RkcbZ                       (21)

trong đó:

Rkc là cường độ tính toán chịu ứng suất kéo chính khi uốn của khối xây, lấy theo các bảng từ Bảng 9 đến Bảng 11;

b là chiều rộng của tiết diện;

Z là cánh tay đòn của nội ngẫu lực, đối với tiết diện chữ nhật Z = (2/3)h.

CHÚ THÍCH: Không cho phép thiết kế các cấu kiện của kết cấu gạch đá làm việc chịu uốn theo tiết diện không giằng.

8.1.6. Cấu kiện chịu kéo đúng tâm

Tính toán các cấu kiện chịu kéo đúng tâm không có cốt thép theo cường độ khi chịu kéo đúng tâm được tiến hành theo công thức:

NRkAnt                              (22)

trong đó:

N là lực dọc tính toán khi kéo;

Rk ­là cường độ chịu kéo của khối xây, lấy theo Bảng 9 đến Bảng 11 theo tiết diện có giằng;

Ant là diện tích tiết diện chịu kéo của khối xây đã trừ phần giảm yếu (diện tích thu hẹp).

CHÚ THÍCH: Không cho phép thiết kế cấu kiện kết cấu gạch đá làm việc chịu kéo dọc trục theo tiết diện không giằng.

8.1.7. Cấu kiện chịu cắt

Tính toán chịu cắt khối xây không có cốt thép theo mạch vữa ngang không giằng và khối xây đá hộc theo mạch vữa có giằng được tiến hành theo công thức sau:

Q ≤ (Rc + 0,8nmso)A                               (23)

trong đó:

Rc là cường độ chịu cắt tính toán của khối xây (xem Bảng 9);

m là hệ số ma sát theo mạch của khối xây, lấy bằng 0,7 cho khối xây bằng gạch và đá có hình đều đặn;

so là ứng suất nén trung bình khi tải trọng nhỏ nhất được xác định với hệ số vượt tải 0,9;

n là hệ số, lấy bằng 1 với khối xây bằng đá và gạch đặc, lấy bằng 0,5 đối với khối xây bằng gạch rỗng và đá có các khe rỗng thẳng đứng, cũng như đối với khối xây bằng đá hộc;

A là diện tích tính toán của tiết diện.

Việc tính toán khối xây chịu cắt theo tiết diện có giằng (theo gạch hay đá) cũng được tiến hành theo công thức (23) nhưng không kể đến ảnh hưởng của ứng suất nén (bỏ số hạng thứ hai của công thức (23). Cường độ tính toán của khối xây lấy theo Bảng 10.

Khi chịu nén lệch tâm với độ lệch tâm vượt ra khỏi giới hạn của lõi tiết diện (đối với tiết chữ nhật có e0 > 0,17h) thì diện tích tính toán của tiết diện chỉ là diện tích vùng nén của tiết diện An.

8.1.8. Tường nhiều lớp (tường cấu tạo từ khối xây nhẹ và tường có các lớp ốp)

8.1.8.1. Các lớp riêng biệt của tường nhiều lớp phải được nối với nhau bằng các liên kết cứng hoặc mềm (xem 10.4.1 và 10.4.2). Các liên kết cứng phải bảo đảm phân phối tải trọng giữa các lớp.

8.1.8.2. Khi tính toán độ bền của tường nhiều lớp, phân loại hai trường hợp:

a) Liên kết cứng các lớp. Độ bền và các tính chất đàn hồi của các lớp, cũng như việc sử dụng không hết độ bền của chúng khi chúng làm việc đồng thời cần được kể đến bằng cách qui đổi diện tích tiết diện về một loại vật liệu của lớp chịu lực chính. Độ lệch tâm của tất cả các lực phải được xác định so với trục của tiết diện qui đổi;

b) Liên kết mềm các lớp. Mỗi lớp cần được tính toán riêng biệt với tải trọng truyền vào nó: tải trọng do sàn mái và sàn tầng chỉ được truyền lên lớp trong. Tải trọng do trọng lượng bản thân của lớp cách nhiệt cần được phân phối theo tỉ lệ tiết diện của chúng.

8.1.8.3. Khi qui đổi tiết diện tường về một loại vật liệu, thì chiều dày của các lớp phải lấy theo thực tế, còn chiều rộng của chúng (dọc chiều dài tường) lấy thay đổi theo tỉ lệ với các cường độ tính toán và hệ số sử dụng cường độ của các lớp theo công thức:

              (24)

trong đó:

bred là chiều rộng qui đổi của một lớp;

b là chiều rộng thực tế của lớp;

R, m lần lượt là cường độ tính toán và hệ số sử dụng cường độ của lớp mà đang tính qui đổi về nó;

Ri, mi lần lượt là cường độ tính toán và hệ số sử dụng cường độ của bất kỳ lớp tường nào khác.

Các hệ số sử dụng cường độ mmi của các lớp trong tường nhiều lớp cho trong Bảng 21.

8.1.8.4. Việc tính toán tường nhiều lớp dùng liên kết cứng cần được tiến hành:

a) khi nén đúng tâm: theo công thức (10);

b) khi nén lệch tâm: theo công thức (13).

Trong các công thức (10) và (13): lấy diện tích qui đổi của tiết diện Ared , diện tích phần chịu nén của tiết diện qui đổi An,red , và cường độ tính toán đã kể đến hệ số sử dụng cường độ, mR , của lớp mà tiết diện qui đổi về nó.

Các hệ số uốn dọc j , j1 và hệ số md cần được xác định theo các chỉ dẫn trong 8.1.1.2 đến 8.1.1.6 và 8.1.2.1 đối với vật liệu của lớp mà tiết diện qui đổi về nó.

Khi độ lệch tâm đối với trục của tiết diện qui đổi vượt quá 0,7y, cũng cần phải tiến hành tính toán nó theo sự mở rộng vết nứt theo các chỉ dẫn trong 9.2.

Bảng 21 – Hệ số sử dụng cường độ của vật liệu

Gạch bê tông

Các lớp làm từ vật liệu

gạch gốm

gạch đất sét ép dẻo

gạch silicát

gạch đất sét ép nửa khô

m

mi

m

mi

m

mi

m

mi

Gạch bê tông cốt liệu rỗng và gạch bê tông rỗng mác 25 trở lên

0,80

1,00

0,90

1,00

1,00

0,90

1,00

0,85

Gạch bê tông tổ ong loại A mác 25 trở lên

0,85

1,00

1,00

0,80

1,00

0,80

Gạch bê tông tổ ong loại B mác 25 trở lên

0,70

1,00

0,80

1,00

0,90

1,00

8.1.8.5. Khi tính toán tường nhiều lớp dùng liên kết mềm (không giằng đối đầu) thì các hệ số j , j1 md cần được xác định theo 8.1.1.2 đến 8.1.1.6 và 8.1.2.1 đối với chiều rộng qui ước bằng tổng chiều dày của hai lớp chịu lực của tường rồi nhân với hệ số 0,7.

Khi các lớp dùng vật liệu khác nhau thì xác định đặc trưng đàn hồi qui đổi ared theo công thức:

              (25)

trong đó:

a1 a2 là đặc trưng đàn hồi của các lớp;

h1h2 là chiều dày của các lớp.

8.1.8.6. Trong tường hai lớp dùng liên kết cứng, độ lệch tâm của lực dọc về phía lớp cách nhiệt-cách nước không được vượt quá 0,5y.

8.1.8.7. Tường nhiều lớp dùng băng cách nhiệt (làm từ băng khoáng, băng polimer và các băng tương tự), bột hoặc chèn bằng bê tông có cường độ chịu nén từ 1,5 MPa trở xuống cần được tính toán theo tiết diện khối xây không kể đến khả năng chịu lực của lớp cách nhiệt.

8.1.8.8 Việc tính toán tường có các lớp ốp được liên kết cứng với vật liệu tường, khi có hoặc không có các lớp chịu lực kèm cách nhiệt-nước cần được tiến hành theo các nguyên tắc tính toán tường nhiều lớp (8.1.8.2 đến 8.1.8.4) theo diện tích tiết diện qui đổi về một loại vật liệu của lớp chịu lực chính của tường.

Trong tường nhiều lớp có các lớp ốp, trị số của hệ số sử dụng cường độ của lớp chịu lực mà tiết diện được qui đổi về nó cần được lấy theo số nhỏ hơn từ các trị số cho trong Bảng 21 và Bảng 22.

Khi độ lệch tâm của tải trọng về phía lớp ốp, thì hệ số w trong công thức (13) cần lấy bằng 1.

Khi độ lệch tâm về phía khối xây vượt quá 0,7y so với trục của tiết diện qui đổi, thì tiến hành tính toán độ rộng khe nứt của các mạch ốp ở phần chịu kéo của tiết diện theo các chỉ dẫn trong 9.2.

Các hệ số sử dụng cường độ mmi của các lớp trong tường có các lớp ốp cho trong Bảng 22.

8.1.8.9. Khi tính toán tường có các lớp ốp, thì độ lệch tâm của tải trọng về phía lớp ốp không được vượt quá 0,25y (với y là khoảng cách từ trọng tâm tiết diện qui đổi đến mép của tiết diện về phía lệch tâm). Khi độ lệch tâm về phía mép trong của tường e0 > y(1 – m)/(1 + m), nhưng không nhỏ hơn 0,1y , thì việc tính toán theo các công thức từ (10) đến (13) được tiến hành không kể đến các hệ số m mi (cho trong Bảng 21 và Bảng 22) như tiết diện một lớp dùng vật liệu của lớp chịu lực chính của tường, khi đó, phải đưa vào tính toán toàn bộ diện tích của tiết diện tường.

Bảng 22 – Hệ số sử dụng cường độ

Vật liệu của lớp ốp

Vật liệu của tường

đá gốm

gạch đất sét ép dẻo

gạch silicát

gạch đất sét ép nửa khô

m

mi

m

mi

m

mi

m

mi

Gạch ốp mặt ép dẻo có chiều cao 65 mm

0,80

1,00

1,00

0,90

1,00

0,60

1,00

0,65

Đá gốm ốp mặt có các rãnh dạng lỗ rỗng cao 140 mm

1,00

0,90

1,00

0,80

0,85

0,60

1,00

0,50

Tấm cỡ lớn làm từ bê tông silicát

0,60

0,80

0,60

0,70

0,70

0,60

0,90

0,60

Gạch silicát

0,60

0,85

0,60

1,00

1,00

1,00

1,00

0,80

Đá silcát cao 138 mm

0,90

1,00

0,80

1,00

1,00

0,80

1,00

0,70

Tấm cỡ lớn làm từ bê tông nặng (dùng chất kết dính là xi măng)

1,00

0,90

1,00

0,90

1,00

0,75

1,00

0,65

8.2. Kết cấu gạch đá cốt thép

8.2.1. Cấu kiện dùng lưới thép đặt ngang

8.2.1.1. Tính các cấu kiện có cốt thép lưới (Hình 10) chịu nén đúng tâm theo công thức:

N ≤ md j RtkA                                (26)

trong đó:

N là lực dọc tính toán;

Rtk là cường độ tính toán khi nén đúng tâm đối với khối xây có cốt thép lưới bằng gạch các loại và bằng đá gốm có khe rỗng thẳng đứng được xác định theo công thức:

             (27)

Khi mác vừa nhỏ hơn 2,5 (khi kiểm tra cường độ khối xây trong quá trình thi công), thì Rtk được xác định theo công thức:

                     (28)

Khi cường độ vữa lớn hơn 2,5 MPa thì tỉ số R1 /R25 lấy bằng 1;

CHÚ DẪN:

1 Lưới thép

2 Đầu lưới thép thò ra ngoài để tiện kiểm tra

Hình 10 – Khối xây đặt lưới thép

R1 là cường độ tính toán chịu nén của khối xây không có cốt thép ở tuổi đang xét của vữa;

R25 là cường độ tính toán của khối xây khi mác vữa là 2,5;

mt = (Vt / Vk)100 là hàm lượng cốt thép theo thể tích, đối với lưới ô vuông bằng thép thanh có tiết diện Att, đặt cách nhau một khoảng bằng S theo chiều cao khối xây, cạnh ô vuông là C thì

Vt Vk là thể tích của cốt thép và khối xây;

md là hệ số, xác định theo công thức (16);

j là hệ số uốn dọc, xác định theo Bảng 17 với lh hay li và đặc trưng đàn hồi của khối xây có cốt thép lưới at tính theo công thức (6).

CHÚ THÍCH 1: Hàm lượng thép của khối xây đặt cốt thép lưới khi chịu nén đúng tâm không được vượt quá giá trị số xác định theo công thức:

CHÚ THÍCH 2: Những cấu kiện đặt cốt thép lưới phải dùng vữa có mác không nhỏ hơn 50 khi chiều cao mỗi hàng xây không lớn hơn 150 mm.

8.2.1.2. Việc tính toán các cấu kiện chịu nén lệch tâm có cốt thép lưới khi lệch tâm nhỏ không vượt quá giới hạn lõi tiết diện (đối với tiết diện chữ nhật e0 ≤ 0,17h) cần thực hiện theo công thức:

N ≤ mdj1RtkuAnw                            (29)

hoặc đối với tiết diện chữ nhật:

            (30)

trong đó:

Rtku là cường độ tính toán của khối xây có cốt thép lưới khi chịu nén lệch tâm, được xác định theo công thức (31) khi mác vữa lớn hơn hoặc bằng 5:

            (31)

còn khi mác vữa nhỏ hơn 2,5 (khi kiểm tra cường độ khối xây trong quá trình thi công) được xác định theo công thức:

                (32)

Các kí hiệu còn lại xem giải thích trong 8.1.1.1 và 8.1.2.1.

CHÚ THÍCH 1: Khi độ lệch tâm vượt ra ngoài giới hạn tiết diện (tiết diện chữ nhật e0 > 0,17h) cũng như khi lh > 53 không nên dùng cốt thép lưới.

CHÚ THÍCH 2: Hàm lượng thép của khối xây đặt cốt thép lưới khi chịu nén lệch tâm không được vượt quá giá trị số xác định theo công thức: mt = 50R/((1 – 2eo /y)Rt) ≥ 0,1%.

8.2.2. Cấu kiện dùng cốt thép dọc

8.2.2.1. Tính toán cấu kiện gạch đá có cốt thép dọc chịu nén đúng tâm theo công thức:

N ≤ mdj(0,85RA + R’tAtn)                  (33)

trong đó:

Atn là diện tích cốt thép dọc;

R’t là cường độ tính toán của cốt thép dọc chịu nén lấy theo 7.1.9.

Còn các kí hiệu khác xem 8.1.1.1.

8.2.2.2. Tính toán cấu kiện tiết diện chữ nhật có cốt thép dọc chịu nén lệch tâm khi độ lệch nhỏ (x > 0,55 h0) theo công thức:

                   (34)

Nếu độ lệch tâm không vượt ra ngoài giới hạn lõi tiết diện (tiết diện chữ nhật) cần phải kiểm tra bổ sung theo điều kiện sau:

                     (35)

Trong các công thức trên:

b là chiều rộng tiết diện chữ nhật;

x là chiều cao vùng chịu nén của khối xây được xác định từ phương trình (37);

aa’ tương ứng là khoảng cách từ trọng tâm cốt thép AtA’t đến mép ngoài của tiết diện gần nhất;

h là chiều cao của tiết diện chữ nhật;

ho = h – a h’ = h – a’ là chiều cao tính toán của tiết diện;

At là diện tích cốt thép dọc nằm ở vùng chịu kéo hoặc chịu nén ít hơn;

A’t là diện tích cốt thép dọc nằm ở vùng chịu nén;

R’t là cường độ tính toán của cốt thép dọc lấy theo 7.1.9;

ee’ tương ứng là khoảng cách từ điểm đặt lực N đến trọng tâm cốt thép At A’t.

Các kí hiệu khác xem 8.1.1.1.

8.2.2.3. Tính toán cấu kiện chữ nhật có cốt thép dọc chịu nén lệch tâm lớn (x ≤ 0,55h0) theo công thức:

N ≤ mdj(1,05Rbx + R’tA’ – RtAt)                  (36)

trong đó vị trí trục trung hòa xác định theo công thức:

                  (37)

Rt là cường độ tính toán của cốt thép dọc chịu kéo, lấy theo 6.1.9.

CHÚ THÍCH 1: Công thức (37) lấy dấu “cộng” nếu lực dọc đặt ở ngoài phạm vi khoảng cách giữa trọng tâm cốt thép At A’t trường hợp ngược lại lấy dấu “trừ”.

CHÚ THÍCH 2: Chiều cao vùng chịu nén x phải lớn hơn hoặc bằng 2 a’.

8.2.2.4. Tính toán cấu kiện tiết diện chữ nhật có cốt thép dọc chịu uốn theo công thức:

a) Khi đặt cốt đơn:

M = 1,25 Rbx(ho – 0,5x)                      (38)

trong đó vị trí trục trung hòa được xác định từ phương trình:

RtAt = 1,25 Rbx                                   (39)

b) Khi đặt cốt thép kép

M ≤ 1,25 Rbx(h0 – 0,5x) + RtAt(h0 – a’)                 (40)

Vị trí trục trung hòa được xác định từ phương trình:

RtAt – R’tA’t = 1,05 Rbx                                         (41)

Chiều cao vùng chịu nén của khối xây trong mọi trường hợp phải thỏa mãn điều kiện:

x ≤ 0,55h0x ≥ 2 a’                              (42)

8.2.2.5. Tính toán với lực cắt trong các cấu kiện chịu uốn được tiến hành theo công thức:

Q ≤ RkcbZ                                   (43)

Với tiết diện chữ nhật:

Z = h0 – 0,5x                                (44)

Các kí hiệu khác xem 8.1.5 và 8.2.2.2.

CHÚ THÍCH: Trong trường hợp, cường độ khối xây không đủ chịu lực cắt nhất thiết phải cấu tạo và tính toán cốt thép đai một cách tương tự như trong TCXDVN 356:2005.

8.2.2.6. Tính toán cấu kiện của khối xây đặt cốt thép dọc chịu kéo đúng tâm được tiến hành theo công thức:

N ≤ RtAt                                      (45)

trong đó:

Rt là cường độ tính toán của cốt thép dọc;

At là diện tích tiết diện cốt thép dọc.

8.3. Gia cường kết cấu gạch đá

8.3.1. Gia cố bằng bê tông cốt thép

8.3.3.1. Tính toán các cấu kiện chịu nén đúng tâm của kết cấu hỗn hợp (Hình 11) theo công thức:

N ≤ mdjhh(0,85RAkx + R’tA’t)             (46)

trong đó:

R là cường độ chịu nén tính toán của khối xây;

R’b , R’1 lần lượt là cường độ chịu nén tính toán của bê tông và của cốt thép dọc, lấy theo TCXDVN 356:2005;

Akx, A’b và A’t lần lượt là diện tích tiết diện của khối xây, của bê tông và cốt thép chịu nén.

md là hệ số xét đến ảnh hưởng của tải trọng tác dụng dài hạn (xem 8.1.1.1);

jhh là hệ số uốn dọc của kết cấu hỗn hợp, xác định theo Bảng 17 với đặc trưng đàn hồi của kết cấu hỗn hợp:

                            (47)

E0,hh là mô đun đàn hồi tính đổi của kết cấu hỗn hợp:

               (48)

jhh là cường độ tiêu chuẩn tính đổi của vật liệu hỗn hợp:

            (49)

Trong các công thức (48) và (49):

E0Eb lần lượt là mô đun đàn hồi của khối xây và bê tông;

Ikx Ib lần lượt là mô men quán tính của tiết diện khối xây và bê tông đối với trọng tâm hình học của tiết diện;

E0 Eb lần lượt là mô đun đàn hồi của khối xây và bê tông;

IkxIb lần lượt là mô men quán tính của tiết diện khối xây và bê tông đối với trọng tâm hình học của tiết diện;

Rtb là cường độ chịu nén trung bình của khối xây (xem 7.2.1);

Rbc là cường độ chịu nén tiêu chuẩn của bê tông lấy theo TCXDVN 356:2005. Trong tiêu chuẩn vừa nêu đại lượng này được ký hiệu là Rbn

CHÚ THÍCH 1: Đối với kết cấu hỗn hợp được phép dùng bê tông mác 100 đến 200.

CHÚ THÍCH 2: Lượng cốt thép chịu nén tính trong tính toán không được dưới 0,2%.

CHÚ DẪN:

1 Cốt thép dọc

2 Cốt thép đai

Hình 11 – Tiết diện kết cấu hỗn hợp

8.3.3.2. Tính toán các cấu kiện chịu nén lệch tâm của kết cấu hỗn hợp khi độ lệch tâm nhỏ (Shh ≥ 0,8Soh) theo công thức:

                             (50)

Nếu lực N đặt giữa trọng tâm cốt thép At A’t thì cần phải kiểm tra bổ sung theo điều kiện sau:

                               (51)

Trong các công thức trên:

S0h = Skx + ;

Shh là mô men tĩnh của tiết diện tích phần chịu nén của tiết diện hỗn hợp đối với trọng tâm cốt thép At : Shh = Skn + (Rb / R)Sbn ;

Skn Sbn là mô men tĩnh của diện tích phần chịu nén của tiết diện khối xây và của tiết diện bê tông đối với trọng tâm cốt thép At;

Skx, Sb St là mô men tĩnh của diện tích tiết diện khối xây, bê tông và cốt thép A’t đối với trọng tâm cốt thép At;

S’kx , S’b S’t là mô men tĩnh của diện tích tiết diện khối xây, bê tông và cốt thép At đối với trọng tâm cốt thép A’t ;

e e’ là khoảng cách từ điểm đặt lực N đến trọng tâm cốt thép AtA’t.

Vị trí trục trung hòa được xác định từ phương trình (53).

8.3.3.3. Tính toán cấu kiện chịu nén lệch tâm của kết cấu hỗn hợp có bố trí bê tông ở mặt ngoài khối xây (Hình 11b, 11c) khi độ lệch tâm lớn (Shh ≤ 0,8S0h) theo công thức:

N ≤ mdj­hh(1,05RAkn + 1,25RbAbn + R’tA’t – RtAt).                    (52)

trong đó vị trí trục trung hòa được xác định từ phương trình:

1,05RSknn + 1,25RbSbnn ± R’tA’te’ – RtAte = 0                           (53)

Trong công thức trên:

Akn , Abn là diện tích vùng chịu nén của khối xây và của bê tông;

SknnSbnn là mô men tĩnh của vùng chịu lực nén của khối xây và của bê tông đối với điểm đặt lực N;

Rt là cường độ chịu kéo tính toán của cốt thép dọc, lấy theo TCXDVN 356:2005. Trong tiêu chuẩn vừa nêu, đại lượng này được kí hiệu là Rs.

Các kí hiệu khác xem 8.3.3.1 và 8.3.3.2.

CHÚ THÍCH 1: Trong công thức (53) lấy dấu “cộng” nếu lực dọc đặt ở ngoài phạm vi khoảng cách giữa trọng tâm cốt thép At A’t trường hợp ngược lại lấy dấu “trừ”.

CHÚ THÍCH 2: Với kết cấu hỗn hợp có bố trí bê tông ở bên trong khối xây, tính toán cấu kiện chịu nén lệch tâm với độ lệch tâm lớn được tiến hành theo công thức (52) và (53) nhưng thay thế số 1,25 của Rb bằng 1.

8.3.3.4. Tính toán các cấu kiện chịu uốn kết cấu hỗn hợp theo công thức:

M ≤ 1,05RSkn + 1,25Rb + R’t + R’tSt                                  (54)

trong đó vị trí trục trung hòa được xác định từ phương trình:

RtAt – Rs‘ As‘ = 1,05RAkn + 1,25RbAbn                    (55)

Chiều cao vùng chịu nén của tiết diện hỗn hợp trong mọi trường hợp phải thỏa mãn điều kiện:

Shh ≤ 0,08S0h và Z ≤ h0 – a’                                     (56)

trong đó:

Z là cánh tay đòn của một ngẫu lực bằng khoảng cách từ điểm đặt của hợp lực 1,05RAkn và 1,25RbAbn tới trọng tâm cốt thép At;

Shh Skn được xác định theo chỉ dẫn của 8.3.3.2.

8.3.3.5. Tính toán với lực cắt trọng các cấu kiện chịu uốn của các kết cấu hỗn hợp theo chỉ dẫn trong 7.2.2.7.

8.3.3.6. Tính toán các cấu kiện của kết cấu hỗn hợp khi chịu kéo đúng tâm được tiến hành theo chỉ dẫn trong 8.2.2.8.

8.3.2. Kết cấu được gia cố bằng vòng đai

Tính toán các cấu kiện xây gạch được gia cố bằng các vòng đai (Hình 12) khi chịu nén đúng tâm theo các công thức:

a) Khi vòng đai bằng thép:

                      (57)

CHÚ DẪN:

1 Thép bản dẹt

4 Cốt thép đai

2 Mối hàn

5 Bê tông mác 100 đến mác 200

3 Cốt thép dọc

6 Vữa cốt thép

Hình 12 – Sơ đồ các cột gạch được gia cường

b) Khi vòng đai bằng bê tông cốt thép:

                 (58)

c) Khi vòng đai bằng vữa cốt thép:

                                            (59)

Trong các công thức trên:

md là hệ số xét đến ảnh hưởng của tải trọng tác động dài hạn (xem 8.1.1.1);

j là hệ số uốn dọc, xác định theo Bảng 17 (khi xác định trị số được lấy như đối với khối xây thông thường, không được gia cố);

lkx là hệ số điều kiện làm việc của khối xây, khi khối xây không bị hư hại lkx = 1, còn khi khối xây bị phá hủy phần nhỏ, có rạn nứt lkx được xác định theo thực tế hiện trường;

lb là hệ số điều kiện làm việc của bê tông, khi tải trọng truyền vào vòng đai từ hai phía (từ dưới lên và từ trên xuống) lấy lb = 1. Khi tải trọng truyền vào vòng đai từ một phía (từ dưới lên hoặc xuống) lấy lb = 0,7, còn khi tải trọng không trực tiếp truyền vào vòng đai lb = 0,35;

Akx là diện tích tiết diện khối xây;

Ab là diện tích tiết diện bê tông vòng đai nằm giữa các cốt thép đai và khối xây (không kể lớp bê tông bảo vệ);

A’t là diện tích tiết diện cốt thép dọc (có thể là thép góc) của vòng đai đặt trong vữa;

mt là hàm lượng cốt thép; khi tỉ lệ các cạnh không lớn hơn 2,5 thì xác định theo công thức:

                           (60)

trong đó:

Atd là diện tích cốt đai hoặc các bản ngang;

ab là các cạnh tiết diện của cấu kiện được gia cố (Hình 12);

S là khoảng cách giữa các cốt thép đai (S ≤ 15 cm) hoặc khoảng cách giữa các trục của các bản ngang (a ≥ S ≤ b, nhưng S không lớn hơn 50 cm);

R , Rb Rt xem 8.3.3.1.

9. Tính toán các cấu kiện của kết cấu gạch đá và gạch đá cốt thép theo trạng thái giới hạn thứ hai

9.1. Qui định chung

9.1.1. Cần phải tính toán theo sự hình thành và mở rộng khe nứt (mạch của khối xây) và theo biến dạng cho các trường hợp sau:

a) Cấu kiện gạch đá không có cốt thép chịu nén lệch tâm với độ lệch tâm e0 > 0,7y;

b) Cấu kiện hỗn hợp làm bởi các vật liệu có độ biến dạng khác nhau (mô đun đàn hồi, từ biến, độ co ngót) hoặc có sự chênh lệch khá lớn về ứng suất trong các cấu kiện đó;

c) Tường tự chịu lực, liên kết với các khung nhà và chịu uốn ngang, nếu khả năng chịu lực của tường không đủ để chịu tải độc lập (không kể đến khả năng chịu tải của khung);

d) Tường chèn khung bị uốn vênh trong mặt phẳng tường;

e) Cấu kiện chịu uốn, chịu nén lệch tâm và chịu kéo có cốt thép dọc làm việc trong môi trường xâm thực có hại cho cốt thép;

f) Các bể chứa đặt cốt thép dọc, khi có yêu cầu các lớp trát và các tấm ốp của kết cấu không thấm nước;

g) Các cấu kiện khác của nhà và công trình không cho phép xuất hiện khe nứt hoặc là phải hạn chế sự mở rộng khe nứt theo điều kiện sử dụng.

9.1.2. Tính toán kết cấu gạch đá và đá có cốt thép theo trạng thái giới hạn thứ hai cần tiến hành với tải trọng tiêu chuẩn của tổ hợp cơ bản. Riêng khi tính toán cấu kiện chịu nén lệch tâm không có cốt thép theo sự mở rộng khe nứt với e0 > 0,7y (xem 9.2) cần tiến hành với tải trọng tính toán.

9.2. Tính toán theo sự hình thành và mở rộng vết nứt

9.2.1. Tính toán theo sự mở rộng khe nứt (mạch khối xây) của cấu kiện gạch đá chịu nén lệch tâm không có cốt thép khi e0 > 0,7y phải dựa trên các giả thiết sau:

a) Khi tính toán xem biểu đồ ứng suất là đường thẳng như đối với vật liệu đàn hồi.

b) Tính toán được tiến hành theo ứng suất kéo qui ước (ở các mép ngoài cùng) đặc trưng cho độ rộng khe nứt ở vùng kéo.

Việc tính toán được tiến hành theo công thức:

                       (61)

trong đó:

I là mô men quán tính của tiết diện trong mặt phẳng tác dụng của mô men uốn;

y là khoảng cách từ trọng tâm tiết diện đến mép khi uốn theo tiết diện không giằng (xem Bảng 9);

Rku là cường độ tính toán của khối xây khi tính toán theo tiết diện không giằng (xem Bảng 9);

gn là hệ số điều kiện làm việc của khối xây khi tính toán theo sự mở rộng khe nứt, lấy theo Bảng 23;

Các kí hiệu còn lại xem 8.1.2.1.

Bảng 23 – Hệ số điều kiện làm việc của khối xây khi tính toán theo sự mở rộng khe nứt

Đặc trưng và điều kiện làm việc của khối xây

Trị số gn khi niên hạn sử dụng

(năm)

100

50

25

1. Khối xây không có cốt thép chịu tải trọng lệch tâm và chịu kéo

1,5

2,0

3,0

2. Như trên, với ốp trang trí

1,2

1,2

3. Khối xây không có cốt thép chịu tải trọng lệch tâm có lớp trát cách nước dùng cho kết cấu chịu áp lực thủy tinh của chất lỏng

1,2

1,5

4. Như trên, với lớp trát chống axít hay lớp ốp được gắn kết bằng thủy tinh lỏng

0,8

1,0

1,0

CHÚ THÍCH: Hệ số điều kiện làm việc gn khi tính khối xây đặt cốt thép dọc chịu nén lệch tâm, chịu uốn, chịu kéo đúng tâm và lệch tâm, chịu ứng suất kéo chính được lấy theo Bảng 23 với các hệ số: k = 1,25 khi mt ≥ 0,1% và k = 1,00 khi mt ≥ 0,05%.

Với các hàm lượng cốt thép trung gian hệ số k được tính nội suy theo công thức: k = 0,75 + 5 mt.

9.3. Tính toán theo biến dạng

9.3.1. Những kết cấu, mà trong quá trình sử dụng không cho phép xuất hiện khe nứt ở lớp vữa hay các lớp phủ ngoài khác, cần phải được kiểm tra theo điều kiện biến dạng của bề mặt chịu kéo.

Đối với khối xây có cốt thép, các biến dạng này được xác định với tải trọng tiêu chuẩn sẽ đặt vào khối xây sau khi trát vữa hoặc các lớp phủ ngoài khác theo công thức (62) đến (65), và không được lớn hơn trị số biến dạng tương đối giới hạn egh cho trong Bảng 24.

9.3.2. Tính toán theo biến dạng trên bề mặt chịu kéo của khối xây không cốt thép, cần tiến hành theo các công thức sau:

Chịu kéo dọc trục:

N ≤ EAegh                                      (62)

Bảng 24 – Biến dạng tương đối giới hạn, egh , dùng để kiểm tra biến dạng trên bề mặt chịu kéo của khối xây

Loại và chức năng của lớp trát

egh x 104

1. Lớp trát bằng xi măng cách nước dùng cho các kết cấu chịu áp lực thủy tĩnh của các chất lỏng

0,8

2. Lớp trát bằng vữa chống axít dùng thủy tinh lỏng hoặc lớp phủ một lớp bằng các tấm đá mỏng (đá diabaz, đá bazan) gắn bằng chất chống axít

0,5

3. Lớp phủ 2 hoặc 3 lớp bằng các tấm đá mỏng hình chữ nhật gắn bằng chất chống axít

 

a) dọc theo cạnh dài của các tấm

1,0

b) dọc theo cạnh ngắn của các tấm

0,8

CHÚ THÍCH: Khi đặt cốt thép dọc cho kết cấu, cũng như khi trát vữa lên các lưới bọc ngoài của kết cấu không có cốt thép biến dạng giới hạn có thể tăng lên 25 %.

Chịu uốn:

                                       (63)

Chịu nén lệch tâm:

                            (64)

Chịu kéo lệch tâm:

                              (65)

Trong các công thức (62) đến (65):

NM là lực dọc và mô men do tải trọng tiêu chuẩn tác dụng sau khi đã trát vữa hay đặt các tấm ốp lên bề mặt của khối xây;

egh là biến dạng tương đối giới hạn lấy theo Bảng 24;

(h – y) là khoảng cách từ trọng tâm tiết diện khối xây đến bề mặt chịu kéo xa nhất của lớp phủ ngoài;

I là mô men quán tính của tiết diện;

E là mô đun biến dạng của khối xây, xác định theo công thức (8).

10. Các chỉ dẫn thiết kế

10.1. Các chỉ dẫn chung

10.1.1. Cần phải kiểm tra cường độ của tường, cột, mái đua và những cấu kiện khác trong giai đoạn thi công và giai đoạn sử dụng. Trong giai đoạn thi công, các cấu kiện của sàn như dầm, bản, tấm sàn… tùy theo tiến độ xây lắp, có thể phải tựa trên khối xây mới xong.

10.1.2. Các cấu kiện có kích thước lớn (như tấm tường, khối xây lớn…) phải được kiểm tra bằng tính toán trong giai đoạn chế tạo, vận chuyển và dựng lắp. Trọng lượng bản thân của cấu kiện lắp ghép được tính với hệ số động lực lấy bằng 1,8 khi vận chuyển và bằng 1,5 khi nâng cẩu, lắp ghép; khi đã kể đến hệ số động lực thì không kể đến hệ số vượt tải nữa.

10.1.3. Yêu cầu tối thiểu về liên kết trong khối xây đặc bằng gạch hoặc đá có hình dạng vuông vắn (ngoại trừ tấm gạch rung) như sau:

a) Đối với khối xây bằng gạch có chiều dày đến 65 mm – một hàng gạch ngang cho sáu hàng gạch dọc; còn đối với khối xây bằng gạch rỗng có chiều dày đến 65 mm – một hàng gạch ngang cho bốn hàng gạch dọc;

b) Đối với khối xây bằng đá có chiều cao một hàng xây từ 200 mm trở xuống (một hàng ngang cho ba hàng dọc).

10.1.4. Cần phải chống ẩm cho tường và cột. Nước mao dẫn có thể thấm vào tường từ phía móng hoặc vỉa hè do vậy lớp cách nước phải nằm trên vỉa hè hoặc trên bề mặt móng. Lớp cách nước cũng phải đặt dưới nền tầng hầm.

Đối với bậu cửa, tường chắn mái hoặc những bộ phận khối xây nhô ra phải chịu tác động của nước mưa thì phải có lớp bảo vệ bằng vữa xi măng hoặc tôn lá. Các bộ phận nhô ra này cần có độ dốc thích hợp để thoát nước.

10.1.5. Khối xây không có cốt thép được chia ra bốn nhóm tùy theo loại khối xây và cường độ của gạch, cường độ của vữa (xem Bảng 25).

10.1.6. Tùy thuộc vào sơ đồ kết cấu của nhà, tường gạch được chia ra:

– Tường chịu lực: ngoài việc chịu trọng lượng bản thân và tải trọng gió còn phải chịu tải trọng truyền từ sàn tầng, mái, cầu trục…;

– Tường tự chịu lực: chịu tải trọng do trọng lượng bản thân tường của tất cả các tầng nằm phía trên của nhà và tải trọng gió;

– Tường không chịu lực (kể cả tường treo): chỉ chịu tải trọng do trọng lượng bản thân tường và tải trọng gió trong phạm vi một tầng khi chiều cao tầng không quá 6 m; khi chiều cao tầng lớn hơn thì các tường này thuộc loại tường tự chịu lực;

– Vách ngăn: các tường bên trong chỉ chịu tải trọng do trọng lượng bản thân và tải trọng gió (khi các cửa sổ mở) trong phạm vi một tầng khi chiều cao của nó không quá 6 m; khi chiều cao tầng lớn hơn thì các tường loại này được qui ước gọi là tường tự chịu lực.

Bảng 25 – Phân nhóm khối xây

Loại khối xây

Nhóm khối xây

I

II

III

IV

1. Khối xây bằng gạch hoặc đá mác 50 và lớn hơn

Vữa mác 1 và lớn hơn

Vữa mác 0,4

2. Khối xây bằng gạch hoặc đá mác 35 và 25

Vữa mác 1 và lớn hơn

Vữa mác 0,4

3. Khối xây bằng gạch hoặc đá mác 10, 15 và 7

Vữa bất kỳ

Vữa bất kỳ

4. Khối xây bằng gạch hoặc đá mác 4

Vữa bất kỳ

5. Khối blốc lớn bằng gạch hoặc đá (rung hoặc không rung)

Vữa mác 2,5 và lớn hơn

6. Khối xây bằng gạch mộc

Vữa vôi

Vữa đất sét

7. Khối xây bằng đá hộc

Vữa mác 5 và lớn hơn

Vữa mác 2,5 và 1

Vữa mác 0,4

8. Bê tông đá hộc

Bê tông mác 100

Bê tông mác 75 và 50

Bê tông mác 35

Trong những ngôi nhà có tường ngoài tự chịu lực và không chịu lực, tải trọng do sàn, mái… được truyền vào khung hoặc vào các tường ngang của nhà.

10.1.7. Theo phương nằm ngang, tường và cột gạch tựa vào sàn mái và tường ngang. Những gối tựa này được chia thành gối tựa cứng (không chuyển vị) và gối tựa đàn hồi.

Những kết cấu sau đây được xem là gối tựa cứng:

a) Tường ngang bằng gạch và bằng bê tông có chiều dày không dưới 11 cm, tường bê tông cốt thép có chiều dày không dưới 6 cm, khung ngang có nút cứng và những kết cấu khác được tính để chịu tải trọng ngang;

b) Sàn và mái khi khoảng cách giữa các tường (hoặc khung) ngang (như ở 10.1.7a) không vượt quá những giá trị cho trong Bảng 26;

c) Giàn gió, giằng và các giằng bê tông cốt thép được tính theo cường độ và biến dạng để chịu tải trọng ngang truyền từ tường vào.

Sàn và mái được gọi là gối tựa đàn hồi khi khoảng cách giữa các tường (hoặc khung) ngang vượt quá giá trị trong Bảng 26, mà không có giằng gió, như trong 10.1.7c).

10.1.8. Khi sàn và mái là gối tựa đàn hồi thì tường và cột gạch đóng vai trò cột của khung ngang mà xà ngang là sàn và mái. Khi đó cần được ngàm cứng vào móng. Khi tính nội lực trong khung ngang, độ cứng của tường hoặc gạch xác định theo mô đun đàn hồi của khối xây E = 0,8E0 và mô men quán tính của tiết diện được tính theo tiết diện toàn phần không để đến sự mở rộng các khe nứt ở vùng kéo còn sàn và mái thì được coi là xà ngang tuyệt đối cứng có liên kết khớp với tường.

Bảng 26 – Khoảng cách giữa các tường (khung) ngang

Đơn vị tính bằng mét

Loại sàn và mái

Khoảng cách giữa các tường (khung) ngang ứng với nhóm khối xây

I

II

III

IV

A. Sàn và mái bê tông cốt thép lắp ghép rồi đổ bù (xem chú thích 2 và 3.1.4) và toàn khối

54

42

30

B. Sàn và mái bằng các tấm nhỏ lắp ghép (xem chú thích 3) có hoặc không có xà gỗ hay dầm trung gian

42

36

24

C. Sàn và mái bằng gỗ

30

24

18

12

CHÚ THÍCH 1: Những giá trị cho trong Bảng 26 phải giảm đi trong những trường hợp sau:

a) Khi áp lực gió là 0,7; 0,85; 1,0 và 1,2 kPa thì giảm tương ứng là 15, 20, 25 và 32 %.

b) Khi chiều cao nhà là 22 m đến 32 m thì giảm 10 %, 33 đến 48 m thì giảm 20 % và trên 48 m thì giảm 25 %.

c) Đối với những nhà hẹp mà chiều rộng b nhỏ hơn hai lần chiều cao H của tầng thì giảm tỉ lệ với tỉ số bl(2H).

CHÚ THÍCH 2: Trong những sàn lắp ghép có toàn khối hóa loại A, mối nối giữa các tấm cần phải được tăng cường để truyền được lực kéo (bằng cách hàn cốt thép với nhau, đặt cốt phụ vào kẽ nối các tấm rồi đổ bê tông lấp kín các kẽ, cấp độ bền của bê tông đổ vào kẽ nối không thấp hơn M100 đối với tấm bằng bê tông nhẹ; có thể dùng những cách toàn khối hóa khác).

CHÚ THÍCH 3: Trong những sàn loại B, mối nối giữa các tấm và các dầm trung gian phải được nhồi vữa một cách cẩn thận; mác vữa không thấp hơn 5.

10.1.9. Chiều rộng của tường có bổ trụ hoặc không có bổ trụ khi tính toán lấy như sau:

a) Nếu kết cấu mái đảm bảo truyền đều áp lực trên suốt chiều dài tựa thì lấy bằng chiều rộng của mảng tường nằm giữa các lỗ cửa, còn khi tường không lỗ cửa thì lấy bằng chiều rộng của phần tường nằm giữa hai trục của nhịp;

b) Nếu áp lực ngang được truyền từ tường lên mái qua chỗ tựa của dầm hoặc giàn lên tường thì tường có bổ trụ được xem như cột của khung có tiết diện không đổi theo chiều cao và chiều rộng của cánh lấy bằng H/3 về mỗi phía mép trụ nhưng không lớn hơn 6h, không lớn hơn chiều rộng của mảng tường nằm giữa các cửa sổ (H là chiều cao của tường tính từ cao trình ngàm, h là chiều dày tường). Khi tường không bổ trụ và có tải trọng tập trung truyền lên tường thì chiều rộng H/3 được lấy về mỗi phía của mép bản phân bố lực dưới gối tựa của giàn hoặc dầm.

10.1.10. Tường và cột có gối tựa cứng là các sàn nêu trong 10.1.7 được tính như là dầm liên tục theo phương thức chịu tải trong lệch tâm.

Cho phép chia tường và cột thành những dầm một nhịp có gối tựa khớp tại vị trí gối tựa của sàn. Khi đó tải trọng từ các tầng trên truyền xuống được coi như đặt ở trọng tâm tiết diện tường và cột của tầng trên tầng đang xét, còn tải trọng trong phạm vi tầng đang xét thì có độ lệch tâm đối với trọng tâm tiết diện tường hoặc cốt có thể đến sự thay đổi tiết diện trong phạm vi tầng ấy. Khi không cấu tạo những gối tựa đặc biệt để định vị phản lực gối tựa thì cho phép lấy khoảng cách từ điểm đặt phản lực gối tựa của dầm hoặc bản đến mép trong của tường bằng một phần ba chiều sâu cắm vào tường nhưng không lớn hơn 7 cm. Mô men uốn do tải trọng gió gây ra trong phạm vi mỗi tầng được xác định như đối với dầm có hai đầu ngàm; ở tầng trên cùng thì gối tựa trên cùng được xem là khớp.

10.1.11. Khi tính tường (hoặc các đoạn tường thẳng đứng độc lập) chịu tác dụng của tải trọng thẳng đứng và tải trọng ngang, cần phải kiểm tra:

a) Những tiết diện ngang chịu nén hoặc nén lệch tâm;

b) Những tiết diện nghiêng chịu ứng suất kéo chính khi uốn trong mặt phẳng của tường;

c) Sự hình thành vết nứt ở tấm tường có nối với nhau và phải chịu những tải trọng thẳng đứng khác nhau hoặc ở những chỗ tiếp giáp của những tường có độ cứng khác nhau.

Khi tính toán tường dọc và tường ngang chịu tải trọng ngang cần phải kiểm tra sức chịu cắt ở những chỗ nối dọc và tường ngang theo công thức:

                                (66)

trong đó:

T là lực trượt trong phạm vi một tầng;

Q là lực cắt tính toán do tải trọng nằm ngang tác dụng ở giữa chiều cao tầng;

y là khoảng cách từ trục của tường dọc đến trục đi qua trọng tâm của tiết diện tường trên mặt bằng (Hình 13);

Al là diện tích tiết diện của cánh (đoạn tường dọc được kể vào tính toán);

I là mô men quán tính của tiết diện tường đối với trục đi qua trọng tâm của tiết diện tường trên mặt bằng;

h là chiều dày của tường ngang;

H là chiều cao tầng;

Rc là cường độ tính toán chịu cắt của khối xây theo mạch giằng.

Khi xác định diện tích tiết diện cánh A và mô men quán tính của tiết diện tường cần kể đến các chỉ dẫn nêu trong 10.1.9.

CHÚ DẪN:

1 Mảng tường dọc

2 Tường ngang

Hình 13 – Mặt bằng tiết diện tường ngang và mảng tường dọc

10.1.12. Tính toán tường ngang chịu ứng suất kéo chính theo công thức:

                           (67)

Khi tường có một phần tiết diện chịu kéo thì tính theo công thức:

                         (68)

Trong các công thức trên:

Q là lực cắt tính toán ở giữa chiều cao tầng do tải trọng ngang gây ra:

                    (69)

Rkc là cường độ tính toán chịu ứng suất kéo chính trên mạch vữa của khối xây (Bảng 10).

Rtr là cường độ tính toán về trượt của khối xây chịu lực nén tính toán N với hệ số vượt tải 0,9;

                                     (70)

khi tường có một phần tiết diện chịu kéo thì tính

                                      (71)

A2 là diện tích tiết diện tường ngang có kể đến (hoặc không kể đến) phần tường dọc (xem Hình 13);

An là diện tích phần chịu nén của tiết diện tường khi tường có một phần chịu kéo;

h là chiều dày của tường ngang. Lấy là chiều dày nhỏ nhất nếu đoạn có chiều dày đó vượt quá 1/4 lần chiều cao tầng hoặc vượt quá 1/4 lần chiều dài tường. Khi trong tường có ống rãnh thì phải trừ bớt chiều rộng của nó khỏi chiều dày của tường.

l là chiều dài trên mặt bằng của tường ngang nếu tiết diện bao gồm cả cánh là một phần tường dọc thì I là khoảng cách giữa trục của hai cánh:

v = Sol/I là hệ số phân bố không đều của ứng suất tiếp của tiết diện. Giá trị v được phép lấy như sau:

Đối với tiết diện chữ I: v = 1,15;

Đối với tiết diện chữ T: v = 1,35;

Đối với tiết diện chữ nhật (không kể sự làm việc của tường dọc): v = 1,5;

S0 là mô men tĩnh của phần tiết diện nằm về một phía của trục đi qua trọng tâm tiết diện;

I là mô men quán tính của toàn bộ tiết diện đối với trục đi qua trọng tâm tiết diện.

10.1.13. Khi cường độ chống trượt của khối xây xác định theo công thức (67) và (68) không đủ thì cho phép đặt cốt thép trong mạch vữa ngang. Cường độ tính toán về trượt của khối xây có cốt thép Rtt được xác định theo công thức:

                          (72)

trong đó:

mt là hàm lượng cốt thép xác định theo tiết diện thẳng đứng của tường.

10.1.14. Khi tính toán tường ngang chịu tải ngang tác dụng trong mặt phẳng của nó, các lanh tô được xem như những thanh liên kết khớp với các mảnh tường thẳng đứng.

Khi chịu tác dụng của tải trọng ngang, nếu cường độ của tường ngang có lỗ cửa chỉ được đảm bảo nhờ độ cứng của lanh tô phải chịu một lực cắt ngang xác định theo công thức:

                             (73)

trong đó:

Q là lực cắt tính toán do tải trọng ngang gây ra ở tiết diện ngang với mặt sàn kề với lanh tô đang xét;

H là chiều cao tầng;

l là chiều dài của tường ngang trên mặt bằng (xem 10.1.1.2);

v lấy theo 6.12.

10.1.15. Cường độ của lanh tô được kiểm tra theo các công thức (74) và (75):

                           (74)

                         (75)

trong đó:

hl là chiều cao và nhịp của lanh tô (thông thủy);

T xem công thức (73);

Alt là diện tích tiết diện ngang của lanh tô;

Rkc Rku xem Bảng 10.

Nếu cường độ của lanh tô không đủ thì cần phải gia cường bằng cốt thép dọc hoặc dầm bê tông cốt thép. Khi đó dầm phải chịu mô men uốn:

                                   (76)

và lực cắt T tính theo công thức (73). Việc tính toán chiều sâu chôn dầm (lanh tô) vào tường cần được thực hiện theo các chỉ dẫn trong 10.7.3.

10.1.16. Trong các nhà khung bằng bê tông cốt thép hoặc bằng thép có chèn bằng khối xây gạch, nếu có các cấu tạo để bảo đảm sự truyền lực đứng và ngang từ khung và khối xây chèn (khối xây chèn khung) thì phải kể đến khả năng tham gia chịu lực của khối xây chèn.

Đối với tường chèn có lỗ cửa, khối xây chỉ được xét đến trong trường hợp mà ở tầng đang xét có trên 30 % tường chèn không có lỗ cửa.

10.2. Tỉ số cho phép giữa chiều cao và chiều dày của tường và cột

10.2.1. Tỉ số giữa chiều cao và chiều dày của tường và của cột không được vượt quá những qui định nêu trong 10.2.2 và 10.2.5.

10.2.2. Tỉ số b = H / h (trong đó H là chiều cao tầng, h là chiều dày tường hoặc chiều rộng nhỏ nhất của cột có tiết diện chữ nhật) đối với tường không có lỗ cửa, chịu tải trọng truyền từ sàn hoặc mái xuống, khi chiều dài tự do của tường l ≤ 2,5H không được vượt quá những giá trị trong Bảng 27 (đối với khối xây bằng vật liệu hình dáng qui cách).

Đối với tường có bổ trụ và cột có tiết diện phức tạp thì thay h bằng chiều dày qui ước hred = 3,5i, với i là bán kính quán tính của tiết diện (i = ). Đối với cột có tiết diện tròn hoặc đa giác nội tiếp vòng tròn thì hred = 0,85d (d là đường kính tiết diện cột).

CHÚ THÍCH: Nếu chiều cao tầng H lớn hơn chiều dài tự do l thì tỉ số l / h không được vượt quá 1,2b (b lấy theo Bảng 27).

Bảng 27 – Tỉ số giới hạn cho phép giữa chiều cao và chiều dày của tường và cột

Mác vữa

Trị số của b đối với các nhóm khối xây (xem Bảng 25)

I

II

III

IV

50 và lớn hơn

25

22

25

22

20

17

10

20

17

15

14

4

15

14

13

10.2.3. Tỉ số b đối với tường và vách ngăn trong các trường hợp khác với những chỉ dẫn trong 7.18 được nhân với hệ số điều chỉnh k cho trong Bảng 28.

Bảng 28 – Hệ số điều chỉnh k

Đặc trưng của tường và vách ngăn

Hệ số k

1. Tường và vách ngăn không chịu tải trọng truyền từ sàn hoặc mái với chiều dày:

 

22 cm và lớn hơn

1,2

11 cm và nhỏ hơn

1,8

2. Tường có lỗ cửa

3. Vách ngăn có lỗ cửa

0,9

4. Tường và vách ngăn có chiều dài tự do giữa các tường ngang hoặc cột tiếp giáp từ 2,5H đến 3,5H

0,9

5. Như trên, khi l > 3,5H

0,8

6. Tường bằng khối xây đá hộc hoặc bê tông đá hộc

0,8

CHÚ THÍCH 1: Hệ số điều chỉnh (làm giảm tỉ số b) được xác định bằng cách nhân các số k riêng rẽ (trong Bảng 28) với nhau không được nhỏ hơn hệ số k cho trong Bảng 29 với cột.

CHÚ THÍCH 2: Khi chiều dày của tường không chịu lực và vách ngăn lớn hơn 11 cm và nhỏ hơn 22 cm thì hệ số k được xác định bằng cách nội suy.

CHÚ THÍCH 3: Trị số Ant là diện tích đã giảm yếu và Abr là diện tích toàn phần được xác định theo tiết diện ngang của tường.

Tỉ số b giới hạn đối với cột sẽ lấy theo Bảng 27 rồi nhân với hệ số k cho Bảng 29.

Bảng 29 – Hệ số k đối với cột

Cạnh nhỏ nhất của tiết diện cột (cm)

Hệ số k đối với cột

Bằng gạch và đá có hình dáng qui cách

Bằng đá hộc và bê tông đá hộc

90 và lớn hơn

0,75

0,60

Từ 70 đến 89

0,70

0,55

Từ 50 đến 69

0,65

0,50

Nhỏ hơn 50

0,60

0,45

CHÚ THÍCH: Tỉ số giới hạn b với những mảng tường hẹp mà chiều rộng nhỏ hơn chiều dày tường phải lấy như đối với cột có chiều cao của lỗ cửa.

10.2.4. Tỉ số b cho trong Bảng 27 và được nhân với hệ số k cho trong Bảng 28 đối với tường và vách ngăn có thể được tăng lên 20 % khi có đặt cốt thép trong mạch vữa của khối xây với hàm lượng mt ≥ 0,05 %.

Khi khoảng cách giữa các kết cấu bảo đảm ổn định ngang của tường l ≤ kbh thì chiều cao H của tường không bị hạn chế và được xác định bằng tính toán về cường độ. Khi chiều dài tự do l ≥ H nhưng không lớn hơn 2H (H là chiều cao tầng) thì phải tuân theo điều kiện:

H + l ≤ 3kbh                                  (77)

10.2.5. Đối với tường, vách ngăn và cột mà đầu trên không liên kết, tỉ số b phải lấy giảm đi 30 % so với các qui định trong 10.2.2, 10.2.3 và 10.2.4.

10.3. Tường bằng tấm và blốc cỡ lớn

10.3.1. Tấm tường gạch phải được thiết kế bằng gạch đất sét hoặc silicát có mác không thấp hơn 75 và vữa có mác không thấp hơn 5.

10.3.2. Khi thiết kế tấm tường phải dự kiến dùng chấn động để lấy vữa vào các mạch. Cường độ tính toán của khối xây gạch rung lấy theo Bảng 2. Cho phép thiết kế tấm tường một lớp dùng cho tường ngoài bằng gạch và hai gạch không rung. Cường độ tính toán của khối xây trong trường hợp này lấy theo Bảng 1.

CHÚ THÍCH: Trong những tấm tường gạch gốm có lỗ không dùng phương pháp rung phải bảo đảm không trùng mạch đứng. Điều đó phải được chỉ rõ trong thiết kế.

10.3.3. Tấm tường gạch dùng cho tường ngoài phải được thiết kế 2 lớp hoặc 3 lớp. Tấm tường hai lớp phải có chiều dày nửa gạch hoặc lớn hơn với lớp cách nhiệt bằng tấm cách nhiệt cứng đặt ở phía trong hoặc phía ngoài và được bảo vệ bằng lớp vữa có cốt thép dày từ 40 mm trở lên, mác vữa không thấp hơn 5.

Tấm tường 3 lớp phải có 2 lớp ngoài bằng gạch với chiều dày bằng 1/2 viên gạch và lớp giữa bằng tấm cách nhiệt cứng hoặc nửa cứng.

Sườn trong tấm tường ngoài được đặt theo chu vi tấm tường hoặc theo chu vi lỗ cửa với chiều dày tường; chiều rộng sườn không quá 60 mm.

Khi thiết kế tấm tường ngoài phải chú ý đến yêu cầu kiến trúc, khi đó mặt ngoài tấm tường có thể là gạch hoặc đá không trát hoặc có lớp trang trí.

10.3.4. Tấm tường trong một lớp có chiều dày 1/4 viên gạch, 1/2 viên gạch và 1 viên gạch.

Sườn tấm tường trong cũng phải đặt theo chu vi tấm tường và theo chu vi lỗ cửa.

CHÚ THÍCH 1: Chiều dày tấm tường chỉ ra ở trên là đã thiết kế đến các lớp vữa trong và vữa ngoài.

CHÚ THÍCH 2: Tấm tường có chiều dày 1/4 viên gạch chỉ được thiết kế cho vách ngăn.

10.3.5. Tấm tường bằng gạch, gạch gốm phải được tính toán về nén lệch tâm theo những chỉ dẫn ở 8.1.2.1 và 8.1.2.2 dưới tác dụng của tải trọng thẳng đứng và tải trọng gió, cũng như những nội lực xuất hiện khi vận chuyển và dựng lắp (xem 10.1.2).

Nếu không cần cốt thép mà cường độ tấm tường vẫn đảm bảo thì diện tích cốt thép dọc đặt trong sườn phải không ít hơn 0,25 cm2 cho một mét dài tấm tường theo phương ngang và theo phương đứng. Nếu cốt thép cần phải được xét đến khi tính khả năng chịu lực của tấm tường thì việc tính toán sẽ giống như đối với kết cấu gạch đá có cốt thép. Khi tính tấm tường có chiều dày 27 cm và nhỏ hơn phải xét đến độ lệch tâm ngẫu nhiên mà giá trị của nó: lấy bằng 1 cm đối với tấm tường chịu lực có một lớp; lấy bằng 0,5 cm đối với tấm tường tự chịu cũng như đối với mỗi lớp riêng biệt của tấm tường chịu lực có ba lớp; đối với tấm tường không chịu lực và vách ngăn thì không kể đến độ lệch tâm ngẫu nhiên.

10.3.6. Nối tấm tường ngoài và tường trong cũng như tấm tường với tấm sàn nhờ những liên kết bằng thép hàn vào các chi tiết chôn sẵn hoặc hàn vào khung của sườn.

Mối nối giữa các tấm phải đặt trong các rãnh đặt ở góc tấm và phủ một lớp vữa có chiều dày không nhỏ hơn 10 mm. Khi các chi tiết liên kết bằng thép thường, cần phải có biện pháp chống rỉ, mác vữa cho mối nối tường phải lấy theo tính toán nhưng không nhỏ hơn 5.

10.3.7. Blốc cỡ lớn dùng cho tường ngoài và tường trong phải được chế tạo từ bê tông xi măng và bê tông silicát nặng, từ bê tông có cốt liệu nhẹ, bê tông tổ ong và đá thiên nhiên cũng như từ các khối xây gạch và đá thiên nhiên. Cường độ tính toán của khối xây bằng blốc cỡ lớn lấy theo Bảng 3, còn đối với blốc chế tạo bằng gạch hoặc đá không rung thì lấy theo Bảng 1, Bảng 4 và Bảng 6.

Mác vữa để xây các blốc với nhau phải lấy cao hơn một cấp so với mác vữa xây blốc.

10.3.8. Trong những ngôi nhà xây bằng blốc cỡ lớn cao từ 5 tầng trở xuống và chiều cao mỗi tầng dưới 3 m, liên kết giữa tường dọc và tường ngang phải bảo đảm như sau:

a) Ở góc tường ngoài, khối xây phải được cắt mỏ và phải có blốc hình thước thợ đặc biệt (không ít hơn một lớp blốc hình thước thợ một tầng).

b) Ở những chỗ nối ngang ở cao trình sàn cho mỗi tầng.

Đối với nhà blốc cỡ lớn cao hơn 5 tầng và đối với nhà có chiều cao tầng lớn hơn 3 m cần phải có liên kết cứng giữa các tường ở các góc cũng như ở những chỗ nối tường trong với tường ngoài. Những liên kết này có dạng các chi tiết chôn sẵn trong blốc rồi nối lại bằng hàn thông qua các tấm đệm.

10.4. Tường nhiều lớp (bằng khối xây nhẹ và tường có các lớp ốp)

10.4.1. Khi tính toán tường nhiều lớp (xem 8.1.8.1 đến 8.1.8.9), liên kết giữa các lớp tường được coi là cứng:

a) khi dùng lớp cách nhiệt bất kỳ và khoảng cách giữa các trục vách đứng tính từ viên gạch hoặc đá của hàng gạch đầu không quá 10 h và không lớn hơn 120 cm, trong đó h là chiều dày của lớp tường mỏng nhất;

b) khi dùng lớp cách nhiệt bằng bê tông đổ tại chỗ có cường độ chịu nén không nhỏ hơn 0,7 MPa hoặc khối xây bằng đá có mác không thấp hơn 1, khi các hàng xây đầu nằm ngang nằm cách nhau không quá 5 h và không quá 62 cm tính theo trục của các hàng xây đó.

10.4.2. Các liên kết mềm cần được thiết kế bằng thép chống ăn mòn hoặc thép được bảo vệ chống ăn mòn, cũng như bằng các vật liệu polimer. Tổng diện tích tiết diện của các liên kết mềm bằng thép không được nhỏ hơn 0,4 cm2 trên 1 m2 bề mặt tường.

10.4.3. Lớp ốp và khối xây chính của tường, nếu chúng được liên kết với nhau bằng giằng, thông thường, phải có các tính chất biến dạng gần giống nhau. Khuyến cáo sử dụng gạch ốp hoặc đá có chiều cao bằng chiều cao hàng xây của khối xây chính.

10.4.4. Trong thiết kế cần tính đến việc giằng lớp ốp được liên kết cứng với khối xây ở hàng xây đầu theo các chỉ dẫn ở 10.1.3.

10.4.5. Khi bố trí rãnh trong khối xây được liên kết cứng với lớp ốp, thì trong phạm vi phần lồi ra của tường trên toàn bộ chiều dày của nó, trong thiết kế cần phải dự tính đặt các lưới thép không cách nhau quá 3 mạch vữa.

10.5. Neo tường và neo cột

10.5.1. Tường gạch và cột gạch cần phải được liên kết với sàn và mái bằng các neo có tiết diện không ít hơn 0,5 cm2.

10.5.2. Khoảng cách giữa những neo của dầm, xà ngang hoặc giàn cũng như tấm đan hay tấm sàn tựa lên tường không được lớn hơn 6 m. Khi tăng khoảng cách giữa các giàn lên 12 m, thì phải có thêm neo phụ nối tường với mái. Đầu dầm gối lên xà ngang, gối lên tường trong hoặc cột phải được neo chắc và khi hai bên đều có dầm tựa thì chúng được nối lại với nhau.

10.5.3. Tường tự chịu lực trong nhà khung phải được liên kết với cột bằng các liên kết mềm cho phép có biến dạng thẳng đứng riêng rẽ của tường và của cột. Liên kết đặt dọc chiều cao cột phải bảo đảm sự ổn định của tường cũng như truyền tải trong gió từ tường sang cột khung.

10.5.4. Cần phải tính toán neo khi:

a) Khoảng cách giữa các neo lớn hơn 3 m;

b) Có những thay đổi không đối xứng của chiều dày cột hoặc tường;

c) Giá trị lực pháp tuyến N trên mảng tường lớn hơn 1000 kN.

Nội lực tính toán trong neo xác định theo công thức:

                                (78)

trong đó:

M là mô men uốn do tải trọng tính toán gây ra ở chỗ tựa của sàn hoặc mái lên tường trên chiều rộng bằng khoảng cách giữa các neo (Hình 14);

H là chiều cao tầng;

Ns là lực pháp tuyến tính toán trong tường ở tiết diện nằm ở mức ngang với cao trình neo tính trên chiều rộng bằng khoảng cách giữa hai neo.

CHÚ THÍCH: Những chỉ dẫn này không áp dụng cho tường bằng tấm gạch rung.

10.5.5. Nếu chiều dày của tường hoặc vách ngăn được thiết kế có xét đến điều kiện tựa ở chu vi thì cần phải có biện pháp liên kết với các kết cấu kề với tường hoặc vách ngăn ấy.

Hình 14 – Xác định nội lực trong neo do mô men uốn gây ra

10.6. Gối tựa của kết cấu lên tường

10.6.1. Dưới gối tựa của cấu kiện truyền tải trọng cục bộ lên khối xây phải có lớp vữa không dày hơn 15 mm và điều đó phải được chỉ ra trong thiết kế.

Ở những chỗ đặt tải trọng cục bộ, khi cần phải tính toán về ép cục bộ thì phải bố trí bản đệm có chiều dày là bội số các chiều dày lớp gạch nhưng không nhỏ hơn 15 cm và được đặt hai lưới cốt thép theo tính toán với một lượng không ít hơn 0,5 % thể tích bê tông.

10.6.2. Ở những chỗ tựa của giàn, dầm sàn, dầm cầu trục… lên phần bổ trụ thì phải có bản đệm giằng vào tường. Chiều sâu bản đệm ăn vào tường không được nhỏ hơn 11 cm (Hình 15). Khối xây nằm trên bản đệm phải được xây ngay sau khi làm bản đệm đó. Không cho phép chừa rãnh trong khối xây để làm bản đệm.

Hình 15 – Các tấm đệm bằng bê tông cốt thép

10.6.3. Khi tải trọng cục bộ đặt sát mép tường vượt quá 80 % khả năng chịu lực của khối xây về nén cục bộ thì phải đặt cốt thép cho phần khối xây ở gối tựa bằng các lưới thép mà đường kính thanh không nhỏ hơn 3 mm với kích thước ô lưới không lớn hơn 60 mm x 60 mm vào ít nhất là ba mạch vữa ngang.

Khi các tải trọng cục bộ trên trụ của tường bổ trụ thì phần khối xây nằm dưới bản đệm trong phạm vi 1 m phải bố trí lưới thép như trên nhưng cách nhau ba hàng gạch. Các lưới thép phải nối phần khối xây trụ với tường chính và ăn sâu vào tường không ít hơn 11 cm.

10.7. Tính toán gối tựa của các cấu kiện đặt trên tường gạch

10.7.1. Khi có dầm, xà ngang hoặc tấm lát bê tông cốt thép tựa trên tường và cột gạch thì ngoài việc tính toán các tiết diện nằm dưới gối tựa chịu nén lệch tâm và nén cục bộ còn cần phải kiểm tra tiết diện chịu nén đúng tâm theo khả năng chịu lực của khối xây và của các cấu kiện bê tông cốt thép.

Tính toán gối tựa chịu nén đúng tâm theo công thức:

N ≥ gpRA                                           (79)

trong đó:

A là tổng diện tích tiết diện khối xây và cấu kiện bê tông cốt thép ở gối tựa trong phạm vi tường hoặc cột mà cấu kiện đặt lên nó;

R là cường độ chịu nén tính toán của khối xây;

g là hệ số phụ thuộc vào diện tích gối tựa của cấu kiện bê tông cốt thép;

p là hệ số phụ thuộc vào loại lỗ rỗng trong cấu kiện bê tông cốt thép;

Hệ số g đối với tất cả các loại cấu kiện bê tông cốt thép (dầm, xà ngang, lanh tô, tấm lát) lấy như sau:

g = 1 nếu Ab 0,1A;

g = 0,8 nếu Ab ≥ 0,4A;

trong đó:

Ab là tổng diện tích gối tựa của bê tông cốt thép.

Với những giá trị trung gian của Ab thì hệ số g xác định theo nội suy. Nếu cấu kiện bê tông cốt thép (dầm, tấm lát…) kê lên khối xây từ nhiều phía có chiều cao như nhau và diện tích gối tựa Ab > 0,8A thì trong công thức (79) cho phép không dùng hệ số g và lấy A bằng Ab.

Hệ số p lấy bằng 1 với những cấu kiện đặc và tấm lát có lỗ tròn, lấy bằng 0,5 đối với tấm lát có lỗ rỗng ô van và có cốt đai tại khu vực gối tựa.

10.7.2. Trong những tấm lát bằng bê tông cốt thép lắp ghép có lỗ rỗng chưa lấp kín, ngoài việc kiểm tra khả năng chịu lực nói chung của mặt gối tựa còn cần phải kiểm tra khả năng chịu lực của tiết diện ngang cắt qua sườn tấm đan theo công thức:

N ≤ nRbAnt + RAkx                               (80)

trong đó:

Rb là cường độ chịu nén tính toán của bê tông lấy theo TCXDVN 356:2005;

Ant là diện tích tiết diện ngang của tấm lát có kể đến sự giảm yếu bởi các lỗ rỗng trên chiều dài gối tựa của tấm lát lên khối xây (tổng diện tích tiết diện sườn);

R là cường độ chịu nén tính toán của khối xây;

Akx là diện tích tiết diện khối xây ở phạm vi gối tựa (không kể phần tiết diện mà tấm lát kê gối).

n = 1,25 đối với bê tông nặng và n = 1,1 đối với bê tông cốt liệu rỗng.

10.7.3. Tính toán mối ngàm của dầm công xôn vào khối xây (Hình 16a) được tiến hành theo công thức sau:

                  (81)

trong đó:

Q là tải trọng tính toán do trọng lượng của dầm và các tải trọng đặt vào nó;

Rcb là cường độ tính toán của khối xây khi chịu nén cục bộ;

a là chiều sâu đoạn ngàm của dầm vào khối xây;

b là chiều rộng cánh dầm;

e0 là độ lệch tâm của lực tính toán; đối với điểm giữa của đoạn ngàm: e0 = C + a/2;

C là khoảng cách từ lực Q đến mặt phẳng tường.

Chiều sâu cần thiết của gối tựa ngàm cần được xác định theo công thức:

                    (82)

Nến mối ngàm đầu dầm không thỏa mãn yêu cầu tính toán theo công thức (81) thì cần tăng độ sâu của ngàm hoặc đặt tấm phân phối lực ở bên dưới và bên trên dầm công xôn.

Nếu độ lệch tâm của tải trọng đối với trọng tâm diện tích gối ngàm lớn hơn 2 lần chiều sâu mối ngàm (e0 > 2a) có thể không cần tính đến ứng suất do nén: trong trường hợp này cần tính toán theo công thức sau:

                  (83)

Khi sử dụng các tấm kê phân phối lực ở dạng dầm hẹp với chiều rộng không lớn hơn 1/3 chiều sâu gối ngàm, cho phép lấy biểu đồ ứng suất dưới tấm kê có dạng hình chữ nhật (Hình 16).

Hình 16 – Sơ đồ tính toán mối ngàm của dầm công xôn

10.8. Lanh tô và tường treo

10.8.1. Các lanh tô bằng bê tông cốt thép được tính với tải trọng của sàn và áp lực do khối xây còn mới chưa đóng rắn sinh ra, tương đương với trọng lượng của dải khối xây có chiều cao bằng 1/3 nhịp lanh tô.

CHÚ THÍCH 1: Khi có các biện pháp đặc biệt (khấc lồi lõm trong các lanh tô đúc sẵn, có thép chờ…) cho phép kể đến sự làm việc chung giữa lanh tô và khối xây.

CHÚ THÍCH 2: Không kể đến các tải trọng đè lên lanh tô từ các dầm, tấm sàn nếu chúng đặt cao hơn lanh tô một khoảng cách bằng nhịp lanh tô.

10.8.2. Khối xây của các tường treo, xây trên các dầm đỡ cần được kiểm tra về cường độ và chịu nén cục bộ ở vùng trên gối tựa của dầm đỡ. Cũng cần phải kiểm tra cường độ khối xây chịu nén cục bộ ở dưới gối của dầm đỡ tường. Chiều dài của biểu đồ phân bố áp lực trong mặt phẳng tiếp xúc giữa tường và dầm đỡ tường được xác định tùy thuộc vào độ cứng của khối xây và dầm đỡ tường. Khi đó dầm đỡ tường được thay thế bằng một dải khối xây qui ước tương đương theo điều kiện độ cứng. Chiều cao của dải được xác định theo công thức:

                                (84)

trong đó:

Eb là mô đun đàn hồi ban đầu của bê tông;

Ired là mô men quán tính của tiết diện qui đổi của dầm đỡ tường, lấy theo TCXDVN 356:2005;

E là mô đun biến dạng của khối xây xác định theo công thức (7);

h là chiều dày của tường treo.

Độ cứng của dầm đỡ tường bằng thép được tính bằng tích số EsIs, trong đó: Es Is là mô đun đàn hồi của thép và mô men quán tính của tiết diện dầm đỡ bằng thép.

10.8.3. Biểu đồ phân bố áp lực trong khối xây trên các gối tựa các dầm đỡ tường liên tục có thể lấy theo dạng hình tam giác khi a 2S (Hình 17a) và theo dạng hình thang với đáy nhỏ bằng (a – 2S) khi 2S < a ≤ 3S (Hình 17b). Giá trị lớn nhất của ứng suất nén cục bộ scb (chiều cao của hình tam giác hoặc hình thang) được xác định từ điều kiện cân bằng thể tích của biểu đồ áp lực và phản lực gối tựa của dầm đỡ tường theo công thức:

– Khi biểu đồ áp lực có dạng tam giác (a ≤ 2S):

                                (85)

– Khi biểu đồ áp lực có dạng hình thang (2S < a ≤ 3S):

                                           (86)

trong đó:

a là chiều dài gối tựa (chiều rộng mảng tường);

N là phản lực gối tựa của dầm đỡ tường tải trọng đặt trong phạm vi nhịp dầm và chiều dài gối tựa đã trừ đi trọng lượng bản thân dầm đỡ tường;

S là chiều dài đoạn biểu đồ phân bố áp lực về mỗi phía kể từ mép gối tựa: S = 1,57H0;

h là chiều dày tường.

Nếu a1 > 3S thì trong công thức (86) thay a bằng chiều dài tính toán của gối tựa a1 = 3S được tạo nên bởi hai đoạn dài 1,5S về mỗi phía của mảng tường (Hình 17c) với đáy.

a) Ở gối tựa giữa của dầm liên tục khi a ≤ 2S

b) Ở gối tựa giữa của dầm liên tục khi 2S < a ≤ 3S

c) cũng như trên khi a > 3S

d) Ở gối tựa biên của dầm liên tục và ở gối tựa của dầm đỡ một nhịp

Hình 17 – Biểu đồ phân bố áp lực trong khối xây ở bên trên gối tường treo

10.8.4. Biểu đồ phân bố áp lực trên gối biên của dầm đỡ liên tục hoặc trên gối đỡ tựa của dầm đỡ một nhịp nên lấy theo hình tam giác (Hình 17d) với đáy.

lc = a1 + S1                              (87)

trong đó:

S1 là chiều dài đoạn biểu đồ phân bố áp lực kể từ mép gối tựa: S1 = 0,9H0;

a1 là chiều dài đoạn gối tựa của phần dầm đỡ nhưng không lớn hơn 1,5 H (H là chiều cao của dầm đỡ tường).

Ứng suất lớn nhất ở bên trên gối đỡ dầm:

                        (88)

10.8.5. Cường độ của khối xây tường treo khi chịu nén cục bộ ở trên khu vực trên gối tựa của dầm đỡ cần được kiểm tra theo các chỉ dẫn từ 8.1.4.1 đến 8.1.4.4.

Tính toán về nén cục bộ của khối xây dưới gối tựa của các dầm đỡ liên tục cần tiến hành đối với phần nằm trong phạm vi gối tựa với chiều dài:

a) Không lớn hơn 3 H kể từ mép gối tựa (H là chiều cao dầm đỡ tường);

b) Không lớn hơn 1,5 H đối với gối tựa biên và gối tựa của dầm đỡ tường một nhịp (chiều dài gối tựa của dầm một nhịp không được nhỏ hơn H).

Nếu tiết diện tính toán nằm ở độ cao H1 so với mặt trên của dầm đỡ tường thì khi xác định chiều dài đoạn SS1 cần lấy chiều cao dải khổ xây H01 = H0 + H1.

Diện tích tính toán của tiết diện A khi tính toán tường treo chịu nén cục bộ lấy như sau:

– Trong vùng ở bên trên gối tựa giữa của dầm đỡ tường liên tục: lấy giống như trường hợp khối xây chịu tải trọng cục bộ đặt ở phần giữa tiết diện;

– Trong vùng ở bên trên gối tựa biên của dầm đỡ tường liên tục hoặc ở bên trên gối tựa của dầm đơn giản cũng như khi tính khối xây ở bên dưới gối tựa của dầm đỡ tường thì lấy giống như trường hợp khối xây chịu tải trọng đặt ở mép tiết diện.

10.8.6. Biểu đồ phân bố áp lực trong khối xây của tường treo khi có ô cửa lấy theo dạng hình thang, sao cho phần diện tích tam giác bị bớt đi khỏi biểu đồ áp lực ở phạm vi ô của sổ phải bằng diện tích tam giác bị bớt đi khỏi biểu đồ áp lực ở phạm vi ô cửa sổ phải bằng diện tích hình bình hành, được thêm vào trong phần còn lại của biểu đồ (Hình 18). Khi ô cửa nằm ở độ cao H1 so với dầm đỡ thì chiều dài đoạn S tương ứng phải được lấy tăng lên (xem 10.8.5).

Hình 18 – Biểu đồ phân bố áp lực trong khối xây tường treo khi có ô cửa

10.8.7. Tính toán dầm đỡ tường được tiến hành với hai trường hợp chất tải:

a) Tải trọng tác dụng trong giai đoạn xây dựng. Khi khối xây tường làm bằng gạch, gạch gốm hay gạch bê tông thường, cần lấy tải trọng là trọng lượng bản thân của khối xây chưa khô có chiều cao bằng 1/3 nhịp.

Khi khối xây tường bằng các tấm blốc cỡ lớn (bê tông hoặc gạch), chiều cao của dải khối xây có tải trọng tác dụng lên dầm đỡ tường bằng 1/2 nhịp, nhưng không nhỏ hơn chiều cao một hàng xây. Khi có các ô cửa, trong trường hợp chiều cao của dải khối xây từ mặt trên dầm tường tới bệ cửa nhỏ hơn 1/3 nhịp, phải tính cả trọng lượng khối xây tường tới mặt trên của lanh tô bê tông cốt thép hoặc thép (Hình 19). Khi dùng lanh tô bằng gạch cần kể đến trọng lượng của khối xây tường cao tới độ cao cao hơn mặt trên của ô cửa một khoảng bằng 1/3 chiều rộng của ô cửa.

b) Tải trọng tác dụng khi ngôi nhà đã hoàn thành. Những tải trọng này được thể hiện trên Hình 17, 18 và truyền lên dầm tường qua gối tựa.

Số lượng và cách bố trí cốt thép trong dầm dựa theo trị số mô men uốn và lực cắt lớn nhất được xác định theo hai giai đoạn tính toán nêu ở trên.

CHÚ DẪN:

1 Tải trọng lên dầm tường

2 Lanh tô bê tông cốt thép

Hình 19 – Sơ đồ chất tải lên dầm tường khi có ô cửa trong tường

10.9. Mái đua và tường chắn mái

10.9.1. Tính toán phần trên cùng của tường tại tiết diện nằm trực tiếp dưới mái đua được tiến hành theo hai giai đoạn hoàn thành của ngôi nhà:

a) Cho các ngôi nhà chưa hoàn thành khi chưa có mái và sàn tầng hầm mái;

b) Cho các ngôi nhà đã hoàn thành.

10.9.2. Tính toán tường dưới mái đua cho các ngôi nhà chưa hoàn thành theo các tải trọng sau:

a) Tải trọng tính toán do trọng lượng bản thân của mái đua và ván khuôn (đối với các mái đua bằng bê tông cốt thép đổ tại chỗ và bằng gạch cốt thép) nếu ván khuôn được đỡ bằng các công xôn hoặc thanh chống xiên ngàm chặt vào khối xây;

b) Tải trọng tính toán tạm thời trên mép mái đua là 1 kN trên 1 mét dài của mái đua hoặc trên một cấu kiện của mái đua lắp ghép, nếu nó có chiều dài nhỏ hơn 1 mét;

c) Tải trọng gió tiêu chuẩn lên mặt trong của tường.

CHÚ THÍCH 1: Nếu khi thiết kế đầu mút của các neo giữ ổn định cho mái đua được ngàm chặt dưới sàn của tầng hầm, thì khi tính toán cần kể đến tác dụng của sàn này (toàn bộ hay một phần).

CHÚ THÍCH 2: Cần phải kiểm tra ổn định của mái đua khi khối xây chưa khô.

10.9.3. Mái đua và phần tường mái đua của các ngôi nhà đã hoàn thành phải được tính toán theo các tải trọng sau:

a) Trọng lượng của tất cả các cấu kiện của nhà, kể cả những trọng lượng tạo nên mô men lật đối với mép ngoài của tường cũng như trọng lượng làm tăng ổn định của tường, khi đó trọng lượng mái lấy giảm đi một lượng bằng trị số lực hút của tải trọng gió tính toán;

b) Tải trọng tính toán đặt ở mép mái đua là 1,5 kN trên 1 mét dài hoặc trên một cấu kiện của mái đua lắp ghép có chiều dài nhỏ hơn 1 mét;

c) 50% giá trị của tải trọng gió tính toán.

10.9.4. Phần nhô ra của mái đua, do các hàng gạch xây nhô ra tạo nên, không được lớn hơn một nửa chiều dày của tường. Trong đó phần nhô ra của mỗi hàng không được vượt quá 1/3 chiều dài của viên gạch hoặc đá.

10.9.5. Đối với các khối xây của mái đua có phần nhô ra nhỏ hơn một nửa chiều dày của tường và không lớn hơn 20 cm được sử dụng các loại vừa dùng cho các khối xây tường ở tầng trên cùng. Khi phần nhô ra của mái đua gạch lớn hơn, phải dùng mác vữa lớn hơn hoặc bằng 5 cho các khối xây đó.

10.9.6. Khi mái đua và tầng chắn mái không đủ ổn định, chúng cần được neo chắn vào phần dưới của khối xây bằng các neo.

Khoảng cách giữa các neo không được lớn hơn 2 m, nếu các đầu neo gắn bằng các rông đen riêng biệt, còn khi gắn các đầu neo vào đầu xà ngang thì khoảng cách giữa các neo có thể tăng tới 4 m. Neo phải ngàm sâu hơn chiều dài tính toán một đoạn ít nhất 15 cm.

Khi sàn tầng áp mái bằng bê tông cốt thép thì đầu neo cần đặt dưới sàn này.

Khi mái đua được lắp ghép bằng các cấu kiện bê tông cốt thép, thì cần phải bảo đảm sự ổn định của từng cấu kiện trong quá trình xây dựng.

10.9.7. Theo nguyên tắc, các neo đặt trong khối xây và cách mép trong của tường 1/2 viên gạch. Còn nếu các neo đặt ở ngoài khối xây, thì chúng cần được bảo vệ bằng lớp vữa xi măng dày 3 cm (kể từ mặt ngoài của neo). Khi khối xây bằng vữa mác 1 và thấp hơn, các neo phải đặt trong các hốc và sau đó được chèn bằng bê tông.

10.9.8. Tiết diện của neo cho phép xác định theo nội lực:

                        (89)

trong đó:

M là mô men uốn lớn nhất do tải trọng tính toán gây ra;

h0 là khoảng cách từ mép chịu nén của tiết diện tường đến trục neo (chiều cao tính toán của tiết diện).

10.9.9. Khối xây của tường mái đua phải được kiểm tra chịu nén lệch tâm. Khi không có neo, cũng như khi có neo tại tiết diện ở vị trí ngàm của chúng, độ lệch tâm không được lớn hơn 0,7y.

Trong mọi trường hợp, cần phải kiểm tra bằng tính toán tất cả các mối truyền lực (vị trí ngàm của neo, các dầm neo…).

10.9.10. Tường chắn mái cần tính toán tại tiết diện thấp nhất theo nén lệch tâm chịu tải trọng do trọng lượng bản thân và tải trọng gió tính toán (với hệ số khí động bằng 1,4). Khi không có neo, thì độ lệch tâm không được lớn hơn 0,7y.

10.9.11. Những tải trọng làm tăng ổn định của mái đua và tường chắn mái được nhân với hệ số vượt tải bằng 0,9.

10.10. Móng và tường tầng hầm

10.10.1. Móng, tường, tầng hầm được phép dùng gạch đất sét ép dẻo nung kỹ, đá thiên nhiên có qui cách hoặc ở dạng thô, bê tông đá hộc, bê tông toàn khối cũng như blốc bê tông cỡ lớn và nhỏ lắp ghép.

Cường độ tính toán của khối xây móng băng và tường tầng hầm bằng blốc bê tông cỡ lớn lấy theo Bảng 3.

Khi tính toán tường tầng hầm hoặc tường móng trong trường hợp mà chiều dày của chúng nhỏ hơn chiều dày của tầng xây ở trên, cần kể thêm độ lệch tâm ngẫu nhiên C = 4 cm và độ lệch tâm của lực dọc.

10.10.2. Chuyển từ một độ sâu đặt móng này đến một độ sâu đặt móng khác cần phải làm bậc. Khi đất chặt thì tỉ lệ chiều cao và chiều rộng của bậc không được vượt quá 1:1 và chiều cao của bậc không quá 1 m. Khi đất không chặt thì tỉ lệ chiều cao và chiều rộng của bậc không được vượt quá 1:2 và chiều cao của bậc không quá 0,5 m.

Việc mở rộng móng đá hộc và móng bê tông đá hộc tới đệm móng cũng phải làm bậc. Chiều cao của bậc móng bê tông đá hộc không nhỏ hơn 30 cm, còn chiều cao bậc của móng đá hộc không nhỏ hơn 2 hàng xây (35 cm đến 60 cm). Chiều rộng của bậc xác định bằng tính toán sao cho tỉ lệ chiều cao và chiều rộng không nhỏ hơn số liệu ghi trong Bảng 30.

Bảng 30 – Tỉ lệ nhỏ nhất giữa chiều cao và chiều rộng của bậc móng bê tông đá hộc và móng đá hộc

Bê tông

Mác vữa

Trị số của tỉ lệ khi áp lực trên đất nền

s ≤ 0,2 MPa

s > 0,2 MPa

Từ mác 50 đến 100

Từ 5 đến 10

1,25

1,50

Từ mác 10 đến 25

Từ 1 đến 2,5

1,50

1,75

0,4

1,75

2,00

CHÚ THÍCH: Không cần kiểm tra các móng chịu uốn và cắt.

10.10.3. Trong các móng và tường hầm:

a) bằng bê tông đá hộc, chiều dày tường lấy không nhỏ hơn 33 cm và kích thước tiết diện các cột không nhỏ hơn 40 cm;

b) bằng khối đá hộc, chiều dày tường lấy không nhỏ hơn 50 cm và kích thước tiết diện các cột không dưới 60 cm.

10.10.4. Tính toán các tường ngoài của tầng hầm phải kể đến áp lực ngang của đất và các tải trọng ở trên mặt đất. Khi không có các yêu cầu đặc biệt, tải trọng tiêu chuẩn trên mặt đất lấy bằng 10 kN/m2. Tường tầng hầm cần được tính toán như dầm có hai gối tựa khớp cố định.

10.11. Các yêu cầu cấu tạo đối với khối xây có cốt thép

10.11.1. Trong các kết cấu gạch đá có cốt thép, được dùng 4 loại cốt thép sau:

a) Cốt thép ngang (làm bằng các lưới thép, đặt trong các mạch vữa ngang của khối xây và được dùng trong các khối xây bằng gạch đặc và rỗng (xem Hình 10);

b) Cốt thép dọc làm bằng các khung hàn hoặc các thanh liên kết bằng cốt thép đai, đặt trong khối xây ở các mạch vữa giữa các viên gạch trong các khe rãnh của khối xây sẽ được nhồi kín bằng vữa hoặc bê tông;

c) Cốt của các kết cấu hỗn hợp bằng bê tông cốt thép, bê tông sẽ được đổ xen vào khối xây gạch đá trong quá trình thi công (Hình 11);

d) Cốt trong vòng đai bằng thép, bằng bê tông cốt thép và bằng vữa cốt thép (Hình 12).

Vữa dùng cho kết cấu gạch đá có cốt thép và kết cấu hỗn hợp phải là vữa xi măng (không vôi) và phải có mác lớn hơn hoặc bằng 5.

10.11.2. Chỉ cho phép sử dụng lưới cốt thép đặt trong mạch vữa ngang của khối xây khi mà việc tăng mác gạch đá và vữa không đảm bảo cường độ cần thiết của khối xây và khi diện tích tiết diện ngang của cấu kiện không được phép tăng lên. Thường được dùng trong cấu kiện chịu nén đúng tâm và lệch tâm nhỏ với độ mảnh lh ≤ 15 hoặc li ≤ 53.

10.11.3. Cốt thép dọc và lõi bằng bê tông cốt thép được dùng:

a) Để chịu các lực kéo trong các cấu kiện chịu uốn, chịu kéo và chịu kéo lệch tâm khi trong các tiết diện xuất hiện các lực kéo vượt quá mức chịu kéo tính toán của khối xây;

b) Trong các cột chịu nén đúng tâm và lệch tâm khi độ mảnh lớn (lo/h ≥ 15) với mục đích tăng cường tính ổn định và cường độ cốt;

c) Trong các tường móng và các tường ngăn với mục đích tăng cường ổn định và cường độ của chúng khi tải trọng ngang tác động lên nó;

d) Trong các tường và cột chịu chấn động mạnh với mục đích tránh cho khối xây khỏi bị nứt.

10.11.4. Kết cấu gia cố bằng vòng đai được dùng khi cần tăng tải trọng trên các kết cấu có sẵn (ví dụ: khi xây cao thêm), cũng như khi khối xây không thật tốt (rạn nứt, không chỉ liên kết) hoặc khi khả năng chịu lực của khối xây đã bị giảm.

Cột và mảng tường có thể được gia cố bằng đai thép, đai bê tông cốt thép hoặc các đai vữa cốt thép (xem Hình 12).

Đai thép bằng các thép góc thẳng đứng đặt trong vữa của các góc của các cấu kiện cần được gia cố và cốt đai bằng thép bản hàn vào thép góc. Khoảng cách giữa các đai thép không được lớn hơn cạnh nhỏ của tiết diện và không lớn hơn 50 cm. Đai thép phải được bảo vệ bằng lớp trát vữa xi măng (không vôi).

Đai bê tông cốt thép làm bằng bê tông mác 100 đến 200 và có chiều dày 6 cm đến 10 cm. Dùng các thanh thẳng đứng và cốt đai hàn với khoảng cách giữa các thép đai không được quá 15 cm làm cốt thép trong vành đai.

Đai bằng vữa cốt thép cũng đặt như đai bê tông cốt thép, nhưng cốt thép được phủ bằng lớp vữa xi măng (không vôi, mác 5 đến mác 10) thay cho bê tông.

Việc gia cố bằng các vòng đai không nên dùng đối với các cấu kiện có độ mảnh lh > 15 hoặc li > 53.

Khi gia cố bằng các vòng đai cho các cột và các tường có tiết diện hình chữ nhật với tỉ lệ các cạnh lớn hơn 2,5 thì ngoài việc gia cố bằng đai theo chu vi, cần phải đặt ở cạnh dài những giằng ngang xuyên qua khối xây để chia các cấu kiện được gia cố thành các hình chữ nhật với tỉ lệ cạnh không lớn hơn 2,5.

10.11.5. Hàm lượng cốt thép được kể đến trong tính toán cột và mảng tường không được nhỏ hơn:

0,1 % – đối với lưới cốt thép, cũng như đối với cốt thép dọc chịu nén;

0,05 % – đối với cốt thép dọc chịu kéo.

10.11.6. Đường kính cốt thép không được nhỏ hơn 3 mm đối với lưới cốt thép và cốt dọc chịu kéo; 8 mm – đối với cốt thép dọc chịu nén.

Đường kính cốt thép trong các mạch vữa nằm ngang của khối xây không được lớn hơn:

6 mm – khi cốt thép chồng lên nhau trong mạch vữa;

8 mm – khi cốt thép không chồng lên nhau trong mạch vữa.

Khoảng cách giữa các thanh của lưới không được lớn hơn 12 cm và không được nhỏ hơn 3 cm. Các mạch vữa của khối xây của các kết cấu gạch đá có cốt thép phải có chiều dày lớn hơn đường kính cốt thép ít nhất là 4 mm.

Đầu của cốt thép dọc chịu kéo phải neo vào lớp bê tông hoặc vữa bằng cách làm các móc và được hàn vào các thanh ngang hoặc các thanh khác.

10.11.7. Lưới cốt thép không được đặt thưa quá năm hàng gạch xây thông thường (35 cm).

Để kiểm tra việc đặt các lưới thép trong khối xây, các lưới phải được sản xuất và đặt sao cho đầu thanh kiểm tra thò ra ngoài khối xây chừng 2 mm đến 3 mm (xem Hình 10).

10.11.8. Lớp bảo vệ bằng vữa xi măng cho các kết cấu gạch đá có cốt thép với cốt thép đặt ngoài khối xây (kể từ mép ngoài của cốt thép chịu lực) không được nhỏ hơn giá trị cho trong Bảng 31.

10.11.9. Cốt thép đai trong các cấu kiện có cốt thép dọc phải thỏa mãn các yêu cầu sau:

a) Đường kính cốt thép đai không được nhỏ hơn 3 mm và không lớn hơn 6 mm;

b) Khi bố trí các đai bên ngoài khối xây thì đai phải được bảo vệ bằng một lớp vữa xi măng (không vôi) dày không dưới 1 cm;

Bảng 31 – Chiều dày lớp bảo vệ bằng vữa xi măng đối với các kết cấu có cốt thép

Đơn vị tính bằng milimét

Loại kết cấu có cốt thép

Lớp bảo vệ cho các kết cấu được đặt

Trong phòng có độ ẩm bình thường

Trong các cấu kiện đặt ngoài trời

Trong các phòng ẩm ướt, trong các bể chứa, trong các móng…

Dầm và cột

20

25

30

Tường

10

15

20

c) Khoảng cách giữa các đai trong các cấu kiện chịu nén không được quá 50 cm và không được quá:

15d – khi cốt thép dọc đặt bên ngoài khối xây;

20d – khi cốt thép dọc đặt bên trong khối xây;

với d là đường kính của thanh cốt thép dọc.

Trong các cấu kiện chịu uốn, khoảng cách giữa các cốt thép đai không được quá 3/4 chiều cao của dầm không quá 50 cm.

10.11.10. Hàm lượng cốt thép trong các tường đặt cốt thép ngang và dọc thẳng đứng được kể đến trong quá trình tính toán không được nhỏ hơn 0,05% cho từng phương.

Khoảng cách giữa các thanh đứng cũng như các thanh ngang hoặc các cốt thép dọc cũng như các đai không vượt quá 8h (h là chiều dày của tường). Với cốt thép đai và cốt thép dọc, khoảng cách giữa chúng có thể tăng lên nếu kết quả tính toán kiểm tra khả năng chịu lực của tấm tường ở vùng giữa các đai và cốt thép dọc cho phép.

10.11.11. Đặt cốt thép trong tường phải tuân theo các qui tắc sau:

a) Cốt thép ngang của tường được bố trí phân bố ở các mạch vữa của khối xây;

b) Khi tải trọng một dấu, cho phép chỉ đặt cốt thép ở phía tường chịu kéo mà không cần đặt cốt thép ở phía tường chịu nén (diện tích cốt thép chịu nén A’t = 0);

c) Tường có chiều dày lớn hơn 11 cm, khi mô men ngược dấu không lớn hơn lắm cũng cho phép chỉ đặt cốt thép chịu kéo ở giữa chiều dày tường;

d) Cốt thép thẳng đứng đặt theo cấu tạo hoặc để chịu kéo bố trí ở phía ngoài của tường phải được liên kết bằng các thép đai với khoảng cách không thưa hơn 80d và không lớn hơn 50 cm;

e) Các đầu của các thanh ngang và thẳng đứng cần phải được ngàm chặt vào các kết cấu tiếp giáp (tường chính, cột, các dầm giằng…) bằng các neo.

10.12. Khe biến dạng

10.12.1. Khe nhiệt độ và khe co ngót trong trường hợp của các nhà bằng gạch phải được bố trí ở những vị trí có khả năng xuất hiện biến dạng co ngót một cách tập trung, vì những biến dạng này có thể gây nên những vết nứt, đứt gãy khối xây, lật và trượt của khối xây (theo các đầu của thanh cốt thép và bản thép, cũng như ở những chỗ tường bị giảm yếu đáng kể bởi ô cửa hoặc lỗ hở) mà theo yêu cầu sử dụng là không cho phép. Khoảng cách giữa các khe nhiệt độ và khe co ngót cần được xác định theo tính toán, trong đó các trị số nhiệt độ và độ ẩm tính theo TCVN 4605 : 1988.

10.12.2. Khi thiết kế nên kết hợp bố trí khe nhiệt độ và khe co ngót trùng với khe lún.

Đối với tường ngoài không có cốt thép, khoảng cách lớn nhất giữa các khe nhiệt độ không cần tính toán mà lấy theo Bảng 32.

Bảng 32 – Khoảng cách lớn nhất giữa các khe nhiệt độ trong tường của các ngôi nhà

Đơn vị tính bằng mét

Loại khối xây

Khoảng cách

1. Khối xây bằng gạch đất sét thường, gạch gốm, đá thiên nhiên, các blốc cỡ lớn bằng bê tông hay bằng gạch với:

 

mác vữa 5

100

mác vữa 2,5

120

2. Khối xây bằng gạch silicát, gạch bê tông và các blốc cỡ lớn bằng bê tông silicát hay bằng gạch silicát với:

 

mác vữa ≥ 5

70

mác vữa ≤ 2,5

80

CHÚ THÍCH 1: Đối với công trình bằng gạch đá lộ thiên khoảng cách ghi trong bảng này phải nhân với hệ số 0,5.

CHÚ THÍCH 2: Đối với tường bằng bê tông đá hộc lấy giống như đối với khối xây bằng bê tông mác vữa 5 với hệ số 0,5.

CHÚ THÍCH 3: Đối với nhà tấm lớn lấy theo chỉ dẫn về thiết kế nhà tấm lớn.

10.12.3. Khe biến dạng trong tường được giằng với bê tông cốt thép hoặc kết cấu thép phải trùng với khe biến dạng ở các kết cấu ấy. Khi cần thiết, tùy thuộc vào sơ đồ kết cấu của nhà, có thể làm thêm các khe nhiệt độ phụ ở trong khối xây mà không cần làm thêm cho kết cấu bê tông hay kết cấu thép ở những vị trí ấy.

10.12.4. Các khe lún trong tường cần phải được bố trí ở những nơi có thể xảy ra lún không đều của móng nhà và công trình.

10.12.5. Khi thiết kế khe nhiệt độ và khe lún cần có các biện pháp cấu tạo để loại trừ khả năng xê dịch của khe.

 

Phụ lục A

(Qui định)

Các yêu cầu đối với bản vẽ thi công gạch đá và gạch đá cốt thép

Trong các bản vẽ thi công cần chỉ ra:

1. Loại gạch đá, vật liệu ốp và bê tông dùng cho khối xây cũng như vật liệu để chế tạo tấm và blốc cỡ lớn cùng với các chỉ dẫn tương ứng của tiêu chuẩn hoặc về điều kiện kĩ thuật và mác thiết kế của chúng theo cường độ hoặc cấp độ bền. Đối với bê tông cốt liệu rỗng, bê tông tổ ong, bê tông xốp cần chỉ rõ độ đặc chắc của vật liệu (chú ý: bê tông khí là một dạng của bê tông tổ ong).

2. Mác thiết kế của vữa, loại chất kết dính trong các khối xây lắp ghép cũng như để chế tạo tấm và blốc cỡ lớn.

3. Loại thép và mác thép làm cốt thép và chi tiết chôn sẵn.

4. Cấu tạo tường và các mối nối, loại và chiều dày lớp cách nhiệt nếu có.

5. Các yêu cầu về kiểm tra cường độ gạch, vữa đối với kết cấu chịu tải trọng lớn hơn 80 % khả năng chịu lực của chúng. Những kết cấu loại này phải được ghi chú vào trong bản vẽ.

6. Trong trường hợp cần thiết, cần chỉ dẫn trình tự thi công, thiết bị cố định tạm thời và những biện pháp khác để đảm bảo cường độ và độ ổn định của kết cấu khi xây dựng; chỉ dẫn về cường độ vữa tối thiểu (tỉ lệ phần trăm so với mác thiết kế) để có thể cho khối xây chịu tải.

 

MỤC LỤC

Lời nói đầu

1 Phạm vi áp dụng

2 Tài liệu viện dẫn

3 Thuật ngữ và định nghĩa

4 Đơn vị đo và ký hiệu

4.1 Đơn vị đo

4.2 Kí hiệu

4.2.1 Các đặc trưng hình học

4.2.2 Nội lực và ngoại lực

4.2.3 Các đặc trưng của vật liệu và kết cấu

5 Qui định chung

6 Vật liệu

7 Các đặc trưng tính toán

7.1 Cường độ tính toán

7.2 Mô đun đàn hồi và mô đun biến dạng của khối xây khi chịu tải trọng ngắn hạn và dài hạn. Các đặc trưng đàn hồi của khối xây, biến dạng co ngót, hệ số giãn nở nhiệt và hệ số ma sát

8 Tính toán các cấu kiện của kết cấu gạch đá và gạch đá cốt thép theo trạng thái giới hạn thứ nhất (theo khả năng chịu lực)

8.1 Kết cấu gạch đá

8.1.1 Cấu kiện chịu nén đúng tâm

8.1.2 Cấu kiện chịu nén lệch tâm

8.1.3 Cấu kiện chịu nén lệch tâm xiên

8.1.4 Cấu kiện chịu nén cục bộ

8.1.5 Cấu kiện chịu uốn

8.1.6 Cấu kiện chịu kéo đúng tâm

8.1.7 Cấu kiện chịu cắt

8.1.8 Tường nhiều lớp (tường cấu tạo từ khối xây nhẹ và tường có các lớp ốp)

8.2 Kết cấu gạch đá cốt thép

8.2.1 Cấu kiện dùng lưới thép đặt ngang

8.2.2 Cấu kiện dùng cốt thép dọc

8.3 Gia cường kết cấu gạch đá

8.3.1 Gia cố bằng bê tông cốt thép

8.3.2 Kết cấu được gia cố bằng vòng đai

9 Tính toán các cấu kiện của kết cấu gạch đá và gạch đá cốt thép theo trạng thái giới hạn thứ hai

9.1 Qui định chung

9.2 Tính toán theo sự hình thành và mở rộng vết nứt

9.3 Tính toán theo biến dạng

10 Các chỉ dẫn thiết kế

10.1 Các chỉ dẫn chung

10.2 Tỉ số cho phép giữa chiều cao và chiều dày của tường và cột

10.3 Tường bằng tấm và blốc cỡ lớn

10.4 Tường nhiều lớp (bằng khối xây nhẹ và tường có các lớp ốp)

10.5 Neo tường và neo cột

10.6 Gối tựa của kết cấu lên tường

10.7 Tính toán gối tựa của các cấu kiện đặt trên tường gạch

10.8 Lanh tô và tường treo

10.9 Mái đua và tường chắn mái

10.10 Móng và tường tầng hầm

10.11 Các yêu cầu cấu tạo đối với khối xây có cốt thép

10.12 Khe biến dạng

Phụ lục A (Qui định) Các yêu cầu đối với bản vẽ thi công gạch đá và gạch đá cốt thép


* Các TCXDVN đang được chuyển đổi thành TCVN

Leave a Reply

Your email address will not be published. Required fields are marked *