Tiêu chuẩn Việt Nam TCVN 5673:1992 về hệ thống tài liệu thiết kế xây dựng – cấp thoát nước bên trong – hồ sơ bản vẽ thi công do Bộ Xây dựng ban hành đã được thay thế bởi Tiêu chuẩn quốc gia TCVN 5673:2012 về Hệ thống tài liệu thiết kế xây dựng – Cấp thoát nước bên trong – Hồ sơ bản vẽ thi công .
Nội dung toàn văn Tiêu chuẩn Việt Nam TCVN 5673:1992 về hệ thống tài liệu thiết kế xây dựng – cấp thoát nước bên trong – hồ sơ bản vẽ thi công do Bộ Xây dựng ban hành
TIÊU CHUẨN VIỆT NAM
TCVN 5673:1992
Nhóm H
HỆ THỐNG TÀI LIỆU THIẾT KẾ XÂY DỰNG – CẤP THOÁT NƯỚC BÊN TRONG – HỒ SƠ BẢN VẼ THI CÔNG
System of documents for building design – Internal water supply and drainage – Working drawings
– Tiêu chuẩn này quy định nội dung và cách trình bày hồ sơ bản vẽ thi công hệ thống cấp thoát nước bên trong nhà và công trình lĩnh vực xây dựng.
– Tiêu chuẩn này không quy định cách trình bày bản vẽ thi công các công trình xử lí
nước cấp và nước thải, mạng lưới đường ống bên ngoài công trình.
1. Quy định chung.
1.1.Tổng nhiệt trở của kết cấu ngăn che nhiều lớp R0 ,tính bằng (m2.h 0C)/kcal, xác
định theo công thức:
Khi lập bản vẽ thi công hệ thống cấp thoát nước bên trong cần phải tuân theo các quy
định trong tiêu chuẩn này và các tiêu chuẩn khác thuộc hệ thống tài liệu thiết kế xây dựng.
1.2.Thành phần hồ sơ bản vẽ thi công hệ thống cấp thoát nước bên trong gồm có :
– Các số liệu chung (nguồn nước, các giải pháp kĩ thuật, tình trạng kĩ thuật của mạng lưới hiện có…);
– Toàn bộ bản vẽ chính của hệ thống cấp thoát nước bên trong (mặt bằng, mặt cắt, sơ
đồ);
– Bản vẽ các thiết bị không tiêu chuẩn hoá hoặc không điển hình hoá (mặt bằng, mặt cắt, sơ đồ);
– Bảng thống kêthiết bị, nguyên vật liệu và thuyết minh;
– Các bản vẽ khác có liên quan;
1.3.Việc thể hiện các kí hiệu quy ước trên bản vẽ cần tuân theo các quy định trong tiêu chuẩn TCVN 4036: 1985 và TCVN 4615: 1988.
Trên đường ống hay thiết bị được thể hiện cần phải ghi đầy đủ số lượng, kí hiệu và số thứ tự của đường ống hay thiết bị đó.
Ví dụ: lC1 ; 2T1: lCl- l ; CTl-2;
Con số đầu tiên chỉ số lượng (nếu một ống, thì cho phép không cần ghi số); C1: Đường ống cấp nước sinh hoạt (theo TCVN 4036- 85);
T1: Đường ống thoát nước sinh hoạt (theo TCVN 4036- 85);
Tl-2: Đường ống thoát nước sinh hoạt thứ 2 trong hệ thống ống đứng được kí hiệu là: Ođ
+ Trong hệ thống cấp nước: Ođ C Trong hệ thống thoát nước: OđT
Đối với các thiết bị vệ sinh :
+ Chậu xí: Xl, X2…
+ Chậu rửa: R1, R2…
+ Chậu tiểu: Ti1, Ti2…
– Đường kính ống được ghi vào chỗ ngắt của đường ống hoặc ghi trên đường dóng.
– Trường hợp trên đường dóng có ghi kí hiệu ống thì đường kính ống được ghi bên dưới đường dóng (xem hình l)

2. Các số liệu chung
2.1.Trong phần số liệu chung của bản vẽ thi công hệ thống cấp thoát nước bên trong gồm:
– Mục lục hồ sơ bản vẽ thi công (xem mẫu số l);
– Bảng thống kê các tiêu chuẩn quy phạm có liên quan, bản thuyết minh, các bản vẽ thiết kế điển hình áp dụng cho công trình, các tài liệu khác có liên quan đến hồ sơ thi công;
– Các chỉ dẫn chung;
– Bảng thống kê thiết bị và nguyên vật liệu;
– Các kí hiệu quy ước có trong thiết kế;
– Số liệu về nước cấp, nước thải và nước mưa;
– Đặc điểm của hệ thống;
– Bảng nhật kí công trình ghi chép nội dung thay đổi, sửa chữa bản vẽ thi công đối với những bộ phận công trình;
2.2.Số liệu cấp thoát nước được trình bày theo mẫu số 2. Khi trình bày theo mẫu cần chú ý:
– Trình bày theo từng hệ thống: cấp nước và thoát nước;
– Cần ghi rõ nhu cầu cấp nước và thoát nước cho từng đối tượng;
Ví dụ: “Nhu cầu dùng nước cho ăn uống” ; “Nhu cầu dùng nước cho sản xuất”…
-Trường hợp cụ thể có thể lấy theo thiết kế;
2.3.Trong phần số liệu chung của hồ sơ thi công cần trình bày theo các nội dung sau:
– Số liệu và các chỉ tiêu cơ bản để lập hồ sơ thi công (xem mẫu số 3);
– Độ cao thiết kế nhà và công trình;
– Các đặc trưng kĩ thuật của thiết bị;
– Yêu cầu kĩ thuật đối với công tác chế tạo, lắp đặt, sơn và cách ly đường ống;
– Yêu cầu đặc biệt đối với các thiết bị gây cháy nổ, chịu axít…
2.4.Bảng thống kê các thiết bị và nguyên vật liệu của hệ thống cấp thoát nước được lập theo mẫu số 4.
Bảng này được lập theo từng hệ thống: cấp nước và thoát nước;
Trong từng hệ thống cần ghi theo thứ tự sau:
– Thiết bị;
– Dụng cụ vệ sinh;
– Phụ tùng;
– Đường kính;
– Vật liệu;
Cho phép lập bảng thống kê từng phần theo độ cao khu đất, tầng nhà và theo mục
(như dưới độ cao 0,000 ; trên độ cao 0,000).
Trong bảng thống kê thiết bị và nguyên vật liệu dùng hệ đơn vị đo lường hợp pháp của Việt Nam.
– Chiều dài đường ống m
– Chi tiết, cấu kiện Cái, chiếc
– Đường kính ống mm
– Vật liệu chống thấm m3, m2, hoặc kg
– Vật liệu phủ và bảo vệ m2
– Các vật liệu khác kg
3. Bản vẽ của hệ thống cấp thoát nước
3.1.Bản vê mặt bằng
3.1.1.Bản vẽ mặt bằng hệ thống cấp thoát nước bên trong được thể hiện như quy định ở bảng l.
Bảng 1
|
Loại bản vẽ |
Tỉ lệ |
|
– Mặt bằng – Mặt bằng các công trình đơn giản – Mặt bằng các chi tiết, cấu kiện – Nút mạng lưới – Chi tiết cấu tạo thiết bị |
l: 100 ; l: 200 ; l: 500 l: 50 ; l: l00 l: 50 ; l: l00 l: 20 ; 1: 50 1: 2 ; l: 5 ; 1: 10 |
3.1.2.Mặt bằng hệ thống cấp nước và mặt bằng hệ thống thoát nước bên trong được hiện
trên từng bản vẽ riêng biệt hoặc trên cùng một bản vẽ (đối với công trình đơn giản).
3.1.3.Nếu trên hình khai triển, các đường ống được bố trí ống này trên ống kia thì trên mặt bằng chúng được thể hiện bằng các đường nét song song. ống cấp nước ghi ở trong, ống thoát nước ghi ở ngoài .
3.1.4.Các thiết bị của hệ thống (máy bơm, két nước) trên mặt bằng được thể hiện dưới dạng sơ đồ đơn giản, còn các bộ phận khác được thể hiện theo kí hiệu quy ước trong TCVN 4615: 88.
3.1.5.Trên bản vẽ mặt bằng cần thể hiện:
– Trục các bộ phận ngôi nhà (công trình), khoảng cách giữa các nhà (khoảng cách giữa các đơn nguyên, hạng mục);
– Các kết cấu và thiết bị có lắp đặt đường ống cấp và thoát nước có ảnh hưởng đến công tác thi công;
– Độ cao sàn nhà và khu vệ sinh;
– Kích thước liên kết các thiết bị của hệ thống đường ống dẫn nước vào, ống xả nước thải, các đường ống chính, ống đứng, dụng cụ vệ sinh, họng chữa cháy, máng rãnh thoát nước với hệ trục toạ độ hoặc các bộ phận kết cấu;
– Đường kính ống cấp và ống thoát;
– Kí hiệu ống đứng;
Trên mặt bằng cần ghi rõ tên các phòng, thiết bị an toàn phòng cháy, nổ. Các bộ phận ngôi nhà hay công trình được vẽ bằng nét liền mảnh;
3.1.6.Trên các bản vẽ phải có tiêu đề Ví dụ: mặt bằng tầng 1;
Khi thể hiện một bộ phận mặt bằng và mặt cắt trong tiêu đề của bản vẽ cần phải nêu trục giới hạn của bộ phận đó (xem mẫu số 5);
Ví dụ: mặt bằng tầng l trục 1- 5
Chú thích: Trường hợp cần thiết phải có bản vẽ mặt bằng tầng kĩ thuật.
3.2. Sơ đồ không gian hệ thống cấp thoát nước
3.2.1. Sơ đồ hệ thống cấp thoát nước được thể hiện trên sơ đồ không gian (hình chiếu trục đo đứng đều) và theo tỉ lệ như quy định ở bảng 2.
Bảng 2
|
Loại bản vẽ |
Tỉ lệ |
|
– Sơ đồ toàn hệ thống – Sơ đồ nút, cụm mạng lưới – Đối với công trình đơn giản – Sơ đồ khai triển |
l: 50 ; l: l00 ; l: 200 1: 10 ; l: 20 ; 1: 50 l: 50; 1: 50 ; l: l00 |
Chú thích: Sơ đồ cấp nước và thoát nước được thể hiện riêng biệt. Đối với nhà và công trình đơn giản có hệ thống cấp thoát nước không phức tạp cho phép vẽ mặt cắt thay cho sơ đồ.
3.2.2. Đối với mạng lưới đường ống quá dài và do diện tích giấy vẽ hạn chế cho phép thể hiện đường ống bằng các đường thẳng ngắt quãng. Chỗ các đường ống bị ngắt quãng có ghi các chữ cái thường để kí hiệu chỗ tiếp nối.

3.2.3.Trên sơ đồ cấp nước cần thể hiện:
– Đường ống dẫn nước vào có ghi đường kính ống và độ cao ống ở chỗ giao nhau với trục tường ngoài nhà (hoặc công trình);
– Độ cao trục ống;
– Hướng và độ dốc đường ống;
– Đường ống và đường kính ống;
– Chiều dài các đường ống bị ngắt quãng;
– Các chi tiết gia cố;
– Các thiết bị điều chỉnh, van khoá, họng chữa cháy, vòi tưới;
– Hệ thống ống đứng và kí hiệu;
– Thiết bị dụng cụ đo, kiểm tra và các bộ phận khác;
3.2.4.Trên sơ đồ thoát nước cần thể hiện: ống xả có ghi đường kính, độ dốc, chiều dài ống, độ cao đáy ống ở nơi đường giao nhau với trục tường ngoài nhà (công trình);
– ống nhánh thoát nước và đường kính ống;
– Độ cao đáy ống;
– Hướng và độ dốc ống;
– Chiều dài của các đường ống bị ngắt quãng;
– Các chi tiết gia cố;
– ống đứng và kí hiệu;
– Các dụng cụ vệ sinh, phễu thu nước mưa, giếng thăm, giếng kiểm tra, thông tắc và
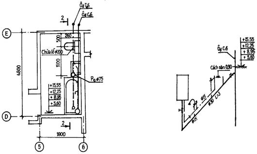
các bộ phận khác (xem ví dụ ở các hình 3, 4 và 5);

Hình 3. Mặt bằng cấp thoát nước Hình 4. Hình chiếu trục đo khu vệ sinh số 6
Khu vệ sinh số 6(tầng 2,3,4,5)
4. Chi tiết cấu tạo thiết bị
4.1.Mặt bằng, mặt cắt và sơ đồ chi tiết cấu tạo các thiết bị được thể hiện theo tỉ lệ quy
định như trong bảng 3 của tiêu chuẩn này và được vẽ theo dạng sơ đồ đơn giản.
Bảng 3
|
Loại bản vẽ |
Tỉ lệ |
|
– Mặt bằng, mặt cắt – Nút (cụm) thiết bị – Bản vẽ chi tiết |
l: 50 ; 1: l00 l: 20 l: 2 ; 1: 5 ; l: l0 |
Chú thích: Trường hợp cần thiết trên bản vẽ cần có chỉ dẫn về biện pháp gia cố, định vị và
lắp nối thiết bị.
4.2.Trên bản vẽ mặt bằng và mặt cắt chi tiết cấu tạo các thiết bị cần thể hiện :
– Hệ trục các bộ phận ngôi nhà (công trình) và khoảng cách giữa các hạng mục;
– Các kích thước cơ bản, độ cao, kích thước liên kết của thiết bị với trục của nhà
(công trình);
4.3.Đường ống trên bản vẽ mặt bằng và mặt cắt thiết bị được thể hiện bằng một đường thẳng khi đường kính ống nhỏ hơn hoặc bằng l00mm ; bằng hai đường thẳng khi
đường kính ống lớn hơn l00mm.
4.4.Trên bản vẽ mặt bằng và mặt cắt ngoài việc thể hiện chi tiết cấu tạo của thiết bị còn cần phải thể hiện các kết cấu xây dựng và vị trí để lắp đặt các thiết bị đó và kiểm tra.
4.5.Chi tiết các thiết bị trên bản vẽ được thể hiện như quy định ở điều l.4 của tiêu chuẩn này và có đánh số thứ tự cho từng thiết bị.
4.6.Bảng thống kê thiết bị và nguyên vật liệu được thể hiện trên bản vẽ và được lập theo bản vẽ mặt bằng.
Chú thích : Nêú trong hồ sơ bản vẽ thi công cấp thoát nước có sử dụng các tiêu chuẩn và
thiết kế điển hình có liên quan thì phải có trích dẫn đầy đủ, chính xác.
Mẫu số 1
Mục lục hồ sơ bản vẽ thi công hệ thống cấp thoát nước bên trong
|
Số tờ |
Tên bản vẽ |
Kí hiệu bản vẽ |
Nội dung bản vẽ |
|
1
2
3 |
Mặt bằng cấp nước tầng 1
Mặt bằng thoát nước
… |
N01/TSBV
N02/TSBV
N03/TSBV |
– Mặt bằng – Sơ đồ không gian cấp nước – Bảng thống kê thiết bị và nguyên vật liệu – Mặt bằng thoát nước tầng 1 – Sơ đồ không gian thoát nước – Bảng thống kê thiết bị và nguyên vật liệu |
Chú thích: TSBV – Tổng số bản vẽ
Mẫu số 2
Số liệu dùng cho nhu cầu cấp và thoát nước
|
Số TT |
Tên đối tượng dùng nước |
Khối lượng |
Số giờ làm việc trong 1 ngày đêm |
Nhu cầu cấp nước |
|||||||||
|
Yêu cầu chất lượng nứơc |
áp lực yêu cầu của các đối tượng dùng nước |
Chế độ tiêu thụ nước |
Lưu lượng nước tính cho 1 đối tượng dùng nước m3/h |
Lấy từ nhu cầu nước dùng cho sinh hoạt |
Lấy từ nhu cầu nước dùng cho sản xuất |
||||||||
|
m3/ngđ |
m3/h |
1/s |
m3/ngđ |
m3/h |
1/s |
||||||||
|
|
|
|
|
|
|
|
|
|
|
|
|
|
|
Nhu cầu thoát nước
|
Thoát nước sinh hoạt |
Thoát nước sản xuất |
Tính chất của nứơc thải |
Nồng độ các chất nhiễm bẩn (mg/1) |
Chế độ dòng chảy |
Ghi chú |
||||
|
m3/ngđ |
m3/h |
1/s |
m3/ngđ |
m3/h |
1/s |
||||
|
|
|
|
|
|
|
|
|
|
|
Mẫu số 3
Các chi tiết cơ bản trong hồ sơ bản vẽ thi công cấp thoát nước
|
Tên hệ thống cấp thoát nước |
áp lực yêu cầu m cột nước |
Lưu lượng nước tính toán |
Công suất thiết bị và công suất động cơ điện |
Ghi chú |
|||
|
m3/ngđ |
m3/h |
1/s |
Khi có cháy 1/s |
||||
|
|
|
|
|
|
|
|
|
Mẫu số 4
|
Số TT |
Tên vật liệu |
Đơn vị |
Số lượng |
Ghi chú |
|
|
|
|
|
|

Hình 5


