Tiêu chuẩn Việt Nam TCVN5686:1992

  • Loại văn bản: Tiêu chuẩn Việt Nam
  • Số hiệu: TCVN5686:1992
  • Cơ quan ban hành: ***
  • Người ký: ***
  • Ngày ban hành: ...
  • Ngày hiệu lực: ...
  • Lĩnh vực: Xây dựng
  • Tình trạng: Không xác định
  • Ngày công báo: ...
  • Số công báo: Hết hiệu lực

Tiêu chuẩn Việt Nam TCVN 5686:1992 về hệ thống tài liệu thiết kế xây dựng – Các kết cấu công trình xây dựng – Ký hiệu quy ước chung đã được thay thế bởi Tiêu chuẩn quốc gia TCVN 5686:2012 về Hệ thống tài liệu thiết kế xây dựng – Các cấu kiện xây dựng – Ký hiệu quy ước chung .

Nội dung toàn văn Tiêu chuẩn Việt Nam TCVN 5686:1992 về hệ thống tài liệu thiết kế xây dựng – Các kết cấu công trình xây dựng – Ký hiệu quy ước chung


TIÊU CHUẨN VIỆT NAM

TCVN 5686 : 1992

HỆ THỐNG TÀI LIỆU THIẾT KẾ XÂY DỰNG CÁC KẾT CẤU CÔNG TRÌNH XÂY DỤNG-KÍ HIỆU QUY ƯỚC CHUNG
System Of documents for building design – Components of building structures – General symbols and conventions .

1. Quy định chung

1.1. Tiêu chuẩn này quy định kí hiệu quy ước bằng chữ và số của các kết cấu công trình nhà ở dân dụng và công nghiệp trên các bản vẽ thiết kế (đặc biệt bản vẽ sơ đồ lắp đặt các cấu kiện BTCT) .

Ngoài những quy định trong tiêu chuẩn này, phải tuân theo những quy định trong các tiêu chuẩn khác thuộc hệ thống tài liệu thiết kế xây dựng có liên quan.

1.2. Khi dùng những kí hiệu bằng chữ và số chưa được quy định trong tiêu chuẩn này thì phải có chú thích, và phải tuân theo quy định trong mục 2.1 của tiêu chuẩn này.

2. Cấu tạo của kí hiệu

2.1. Kí hiệu quy ước gồm 4 nhóm;

Nhóm 1; gồm các chữ in hoa viết tên của kết cấu

Thí dụ;       Móng;              M

                 Vì kèo;             VK

                 Khung;             K

                 Ban công;        BC

Ngoài ra bên cạnh chữ in hoa cho phép ghi thêm các chữ in thường để tránh trùng lặp và chi rõ loại kết cấu.

Thí dụ;                 Dầm trần;        Dtr

Nhóm 2; gồm các chữ thường để chỉ vật liệu dùng làm kết cấu, viết dưới dạng số mũ.

Thí dụ;                          Cột bê tông cốt thép        Cbtct

                                    Cột gạch;                        Cgh

                                    Cột bê tông;                    Cbt

                                    Cột gỗ;                           Cg

                                    Cột thép;                        Ct

Trong trường hợp hệ kết cấu cấu lực chính của công trinh làm bằng một loại vật liệu chủ yếu thì trên kí hiệu cho các kết cấu đó không cần phải ghi nhóm này.

Nhóm 3; gồm chữ số, chỉ vị trí tầng của kết cấu, viết ngang hàng với nhóm 1. Đối với các kết cấu của công trình một tầng và các kết cấu móng không cần ghi nhóm này.

Nhóm 4; gồm số có hai chữ số, chỉ thứ tự kết cấu, viết sau nhóm 3. Nhóm 4 được phân cách với nhóm 3 bằng dấu chấm.

Thí dụ; Cột tầng 3 số 2; C3.02

2.2. Một số kí hiệu thông thường

Các ký hiệu thường dùng được nêu trong bảng dưới đây;

Tên kết cấu

Ký hiệu quy ước

Tên kết cấu

Ký hiệu quy ước

Móng

Móng máy

Bản móng

Sườn móng

Dầm móng

Cọc

Đài cọc

Giằng

Cột

Lanh tô có ô văng

Ô văng

Ban công

Công son

Bản

Bản sàn

M

Mm

Bm

Sm

Dmg

Cc

Đc

G

C

Ov

BC

CS

B

Bs

Khung

Dầm

Dầm trần

Dầm mái

Vì kèo

Tường

Cầu thang

Cốn thang

Lanh tô

Vòm

Máng nước

Bể nước

Panen

Panen mái

Panen sàn

K

D

Dtr

Dm

VK

T

CT

Cth

L

V

MN

BN

P

Pm

Ps

 

Phụ lục 1

(Quy định tên gọi của tầng nhà)

–  Tầng nhà là không gian giữa hai “độ cao”, được bao bọc bởi sàn, trần và các tường (kể cả những giới  hạn này) Mỗi tầng được gọi tên bằng một số. Số đặt cho tầng được quy định từ thấp lên cao, bắt đầu từ số 1. Tầng hầm được gọi là “tầng 0” (hình 1)

–  Độ cao của tầng quy định là mặt trên của sàn chịu lực

Phụ lục 2

(Cách ghi kí hiệu quy ước trên bản vẽ)

1. Cách ghi kí hiệu quy ước các kết cấu trên mặt cắt (Hình 1)

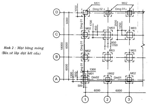
2. Cách ghi kí hiệu quy ước các kết cấu trên mặt bằng (hình 2)

 

Leave a Reply

Your email address will not be published. Required fields are marked *