Nội dung toàn văn Tiêu chuẩn quốc gia TCVN 6078:2012 (ISO 4172:1991) về Bản vẽ kỹ thuật – Bản vẽ xây dựng – Bản vẽ lắp ghép kết cấu chế tạo sẵn
TIÊU CHUẨN QUỐC GIA
TCVN 6078:2012
ISO 4172:1991
BẢN VẼ KỸ THUẬT – BẢN VẼ XÂY DỰNG- BẢN VẼ LẮP GHÉP KẾT CẤU CHẾ TẠO SẴN
Technical drawings – Construction drawings – Drawing for the asseembly of Prefabricated structures
Lời nói đầu
TCVN 6078:2012 thay thế TCVN 6078:1995 (ISO 4172:1991).
TCVN 6078:2012 hoàn toàn tương đương với ISO 4172:1991.
TCVN 6078:2012 được chuyển đổi từ TCVN 6078:1995 (ISO 4172:1991) theo quy định tại khoản 1 Điều 69 của Luật Tiêu chuẩn và Quy chuẩn kỹ thuật và điểm b) Khoản 1 Điều 6 Nghị định 127/2007/NĐ-CP ngày 01/8/2007 của Chính phủ quy định chi tiết thi hành một số điều của Luật Tiêu chuẩn và Quy chuẩn kỹ thuật.
TCVN 6078:2012 do Viện Kiến trúc, Quy hoạch Đô thị và Nông thôn – Bộ Xây dựng biên soạn, Bộ Xây dựng đề nghị, Tổng cục Tiêu chuẩn Đo lường Chất lượng thẩm định, Bộ Khoa học và Công nghệ công bố.
BẢN VẼ KỸ THUẬT – BẢN VẼ XÂY DỰNG- BẢN VẼ LẮP GHÉP KẾT CẤU CHẾ TẠO SẴN
Technical drawings – Construction drawings – Drawing for the asseembly of Prefabricated structures
1. Phạm vi áp dụng
Tiêu chuẩn này quy định các nguyên tắc cơ bản để thể hiện các bản vẽ thi công trong lĩnh vực lắp ghép kết cấu chế tạo sẵn trong công tác xây dựng.
2. Tài liệu viện dẫn
Các tài liệu viện dẫn sau rất cần thiết khi áp dụng tiêu chuẩn này. Đối với các tài liệu viện dẫn có ghi năm công bố thì áp dụng phiên bản được nêu. Đối với các tài liệu viện dẫn không ghi năm công bố thì áp dụng phiên bản mới nhất, bao gồm cả các sửa đổi, bổ sung (nếu có).
TCVN 8, Bản vẽ kỹ thuật – Nguyên tắc chung về biểu diễn.;
TCVN 6003-1 : 20121), Bản vẽ xây dựng- Hệ thống ký hiệu. Phần 1: Nhà và các bộ phận của nhà
TCVN 6085 : 20121), Bản vẽ kỹ thuật- Bản vẽ xây dựng- Nguyên tắc chung để lập bản vẽ thi công các kết cấu chế tạo sẵn.
TCVN 7285 : 2003, Tài liệu kỹ thuật cho sản phẩm – Khổ giấy và cách trình bày tờ giấy vẽ.
TCVN 7286 : 2003, Bản vẽ kỹ thuật – Tỷ lệ;
TCVN 9260: 20121), Bản vẽ xây dựng – Cách thể hiện độ sai lệch giới hạn.
ISO 129, Technical drawings- Dimensioning – General principles, definitions, methods of execution and special indications (Bản vẽ kỹ thuật – Ghi kích thước – Nguyên tắc chung, định nghĩa, phương pháp thực hiện và các chỉ dẫn đặc biệt).
ISO 2444, Joints in building – Vocabulary (Liên kết trong xây dựng – Từ vựng);
ISO 2445, Joints in building – Fundamental principles for design (Liên kết trong xây dựng – Nguyên tắc cơ bản để thiết kế);
ISO 2553, Welded – Symbolic representation on drawings (Hàn – Ký hiệu thể hiện trên bản vẽ);
ISO 7200 : 19842), Technical drawings – Title blocks (Bản vẽ kỹ thuật- Khung tên)
ISO 8048 : 1984, Technical drawings- Construction drawings- Representation of views, sections and cuts (Bản vẽ kỹ thuật – Bản vẽ xây dựng – Thể hiện mặt nhìn, mặt cắt và tiết diện).
3. Thuật ngữ và định nghĩa
Trong tiêu chuẩn này sử dụng các thuật ngữ dưới đây:
3.1. Kết cấu lắp ghép chế tạo sẵn (prefabricated structures)
Kết cấu được lắp ráp bằng các cấu kiện chế tạo sẵn.
3.2. Cấu kiện chế tạo sẵn (prefabricated structural component)
Bộ phận hay một phần của kết cấu lắp ghép chế tạo sẵn được chuyển đến công trường.
4. Hồ sơ
4.1. Quy định chung
Thảnh phần hồ sơ bản vẽ lắp ghép kết cấu chế tạo sẵn gồm:
a) Bản vẽ định vị (Bản vẽ bố trí chung);
b) Bản vẽ chi tiết;
c) Bản liệt kê các cấu kiện (và bản vẽ bố trí các cấu kiện);
d) Quy định kỹ thuật bổ sung và các danh mục vật liệu phụ, những chỉ dẫn riêng về bốc dỡ, vận chuyển v.v…
Những tài liệu này phải được chuẩn bị phù hợp với các tiêu chuẩn đã nêu ở Điều 2.
4.2. Bản vẽ định vị
4.2.1. Bản vẽ định vị là biểu thị đơn giản hóa một kết cấu chế tạo sẵn và vị trí các cấu kiện đã được kí hiệu. Các cấu kiện thường được trình bày bằng nét liền rất đậm (xem Hình 1, 3 và 4) hoặc bằng đường bao đơn giản.
Đối với mỗi nhóm cấu kiện chế tạo sẵn liên hệ bằng những điều kiện xây dựng giống nhau, các bản vẽ định vị được thể hiện theo trình tự quá trình lắp ghép.
Trường hợp cần thiết, sơ đồ tính toán hoặc sơ đồ tải trọng phải được trình bày trên bản vẽ vị trí, trên đó chỉ ra các giới hạn tải trọng, trình tự xây lắp và các chi tiết khác liên quan đến lắp dựng như liên kết và các liên kết và các công trình tạm để thi công, đồng thời tham khảo thêm những tài liệu có thông tin như vậy.
Bản vẽ định vị kết cấu chế tạo sẵn bao gồm các bản vẽ sau:
a) Bố trí trục lưới tọa độ của tòa nhà;
b) Ký hiệu các cấu kiện;
c) Mối liên hệ giữa các cấu kiện với bố trí trục lưới tọa độ;
d) Cao độ của các cấu kiện cụ thể;
e) Chỉ dẫn tham khảo các bản vẽ chi tiết.
Cấu kiện phải được thể hiện trên các mặt bằng hoặc mặt cắt hoặc mặt nhìn (Xem Hình 1 đến Hình 6).
Bản vẽ định vị cho các kết cấu không gian 3 chiều phức tạp phải được thực hiện ở các mặt bằng khác.
Các bản vẽ định vị được thể hiện theo tỷ lệ 1/50; 1/100; 1/200.
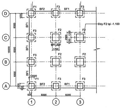
4.2.2. Trên bản vẽ định vị móng chế tạo sẵn và các kết cấu dưới đất khác cần thể hiện:
a) Đường bao đáy móng;
b) Lớp đệm móng (nét đứt);
c) Các kích cỡ;
d) Mối liên hệ với sơ đồ bố trí các trục;
e) Dầm móng;
f) Tường tầng hầm.
Các bản vẽ vị trí móng và các kết cấu dưới đất khác sẽ được thể hiện với giả thiết nền đất là trong suốt.
4.2.3. Trong phần tên của bản vẽ định vị sàn chế tạo sẵn, phải thể hiện số thứ tự các sàn hoặc cao độ của sàn trung gian hoặc chiếu nghỉ cầu thang, phù hợp với quy định trong TCVN 6003-1 : 2012.
4.2.4. Trong bản vẽ định vị các kết cấu tường panen chế tạo sẵn, cấu kiện phải được thể hiện bằng đường bao nét đậm (Xem Hình 6).
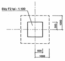
Kích thước tính bằng milimét trừ thể hiện cao độ tính bằng mét

CHÚ THÍCH: Trên bản vẽ vị trí thể hiện kích cỡ các móng F1, F2 và F3 được coi là ví dụ để áp dụng cho các móng tương tự
Hình 1- Ví dụ về bản vẽ định vị (mặt bằng) cho móng và dầm móng – Tỷ lệ 1/200
Kích thước tính bằng milimét

Hình 2 – Ví dụ về bản vẽ định vị (mặt bằng) cho tấm sàn (tỷ lệ 1/200)
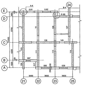
Kích thước tính bằng milimét

Hình 3 – Ví dụ về bản vẽ định vị (mặt bằng) cho các cấu kiện khung (tỷ lệ 1/200)
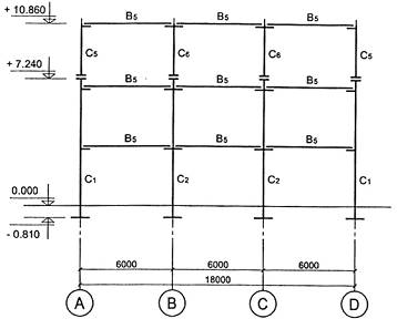
Kích thước tính bằng milimét

Hình 4 – Ví dụ mặt cắt điển hình (tỷ lệ 1/200)
Kích thước tính bằng milimét trừ thể hiện cao độ tính bằng mét

Hình 5 – Ví dụ về bản vẽ định vị (mặt nhìn) panen tường (tỷ lệ 1/200)
Kích thước tính bằng milimét

Hình 6 – Ví dụ về bản vẽ định vị (mặt bằng) panen tường (tỷ lệ 1/200)
4.3. Bản vẽ chi tiết
4.3.1. Các bản vẽ chi tiết có thể được thể hiện trên các bản vẽ riêng hoặc chung và được coi như là thông tin bổ sung cho bản vẽ định vị
Các bản vẽ chi tiết thường được thể hiện theo tỷ lệ 1/20; 1/10; 1/5.
Các chi tiết phải được chú thích chính xác trên bản vẽ định vị tương ứng. Các chi tiết phải ghi cùng thứ tự của mặt cắt tương ứng trên bản vẽ.
4.3.2. Thể hiện liên kết các cấu kiện phải coi là một phần chính trong bản vẽ chi tiết. Liên kết thường được thể hiện trên một bản vẽ riêng.
Bản vẽ liên kết các cấu kiện thể hiện mối quan hệ giữa các kết cấu chế tạo sẵn tại chỗ lắp ghép tại những chỗ cần thể hiện như:
a) Sơ đồ bố trí;
b) Kích thước liên kết có thể hiện dung sai dung sai nếu cần;
c) Ký hiệu quy ước của cấu kiện trên bản vẽ định vị và trường hợp cần thiết phải đánh dấu nhận biết trên bề mặt lắp ghép tại liên kết;
d) Phương pháp nối chẳng hạn như hàn, nối bằng bulông hoặc sử dụng các móc cốt thép thường sử dụng khi đổ bê tông trên công trường;
e) Những bộ phận được xây dựng và các chi tiết nối bao gồm cả những thành phẩm sử dụng.
Hai liên kết giống nhau phải thể hiện như hai liên kết độc lập và có kí hiệu quy ước riêng.
Trường hợp cần phân biệt giữa sơ đồ minh họa các liên kết giữa yêu cầu lắp và ghép và yêu cầu miêu tả sự hoàn thiện liên kết (như chống ăn mòn, giãn nở nhiệt…) hoặc giữa những liên kết đỡ, gắn kết liên kết và liên kết mở cần phải sử dụng những ký hiệu quy ước riêng biệt hoặc kí hiệu có giải thích trên bản vẽ
Ví dụ về sơ đồ minh họa liên kết xem trên Hình 7 và Hình 8.
CHÚ THÍCH: Trường hợp cần thiết, sơ đồ minh họa liên kết phải có giải thích kèm theo trong quá trình ghép, lắp ráp và chống ăn mòn.
Kích thước tính bằng milimét

Hình 7 – Ví dụ liên kết bằng bulông – Mặt cắt ngang
Kích thước tính bằng milimét

Hình 8 – Ví dụ mối liên kết bằng nối cốt thép và bê tông tại chỗ – Mặt cắt đứng
4.4. Bảng liệt kê cấu kiện
4.4.1. Bảng liệt kê cấu kiện là danh mục các bộ phận của kết cấu chế tạo sẵn.
4.4.2. Bảng liệt kê cấu kiện bao gồm những thông tin sau:
a) Ký hiệu cấu kiện (tham khảo);
b) Tên cấu kiện;
c) Số lượng cấu kiện.
4.4.3. Bảng liệt kê cấu kiện cũng phải bao gồm thông tin sau:
a) Khối lượng, tính bằng kilôgam hoặc tấn;
b) Các kích cỡ;
c) Tổng khối lượng, tính bằng kilôgam hoặc tấn;
d) Các tài liệu tham khảo đặc biệt;
e) Nhận xét.
Trường hợp bảng liệt kê cấu kiện được thể hiện trên tờ riêng, mỗi tờ phải có khung tên đặt phía dưới bảng liệt kê.
5. Đặt tên các cấu kiện chế sẵn
Trên bản vẽ định vị các cấu kiện chế tạo sẵn phải được biểu thị bằng kí hiệu quy ước.
Các cấu kiện giống nhau phải có kí hiệu quy ước như nhau.
Các cấu kiện sản xuất tại chỗ bằng thủ công phải được chỉ rõ bằng kí hiệu độc lập.
Kí hiệu quy ước của các cấu kiện trên bản vẽ định vị và bản vẽ chi tiết phải ghi ngay cạnh phần hình minh họa của cấu kiện (xem Hình 9a và 9b hoặc ghi trên đường dóng, xem hình 9c).
Các kí hiệu quy ước cho trong các hình từ Hình 1 đến Hình 10 chỉ là các ví dụ.
CHÚ THÍCH: Những hình vẽ từ 1 đến 10 chỉ cho một kết cấu điển hình đơn lẻ và chỉ sử dụng với mục đích minh họa.

Hình 9 – Ký hiệu quy ước các cấu kiện trên bản vẽ định vị
Kích thước tính bằng milimét trừ thể hiện cao độ tính bằng mét

Hình 10 – Quy ước thể hiện các thông tin bổ sung (tỷ lệ 1/100)
MỤC LỤC
1. Phạm vi áp dụng
2. Tài liệu viện dẫn
3. Thuật ngữ và định nghĩa
4. Hồ sơ
5. Đặt tên các cấu kiện chế sẵn
1) Các TCVN chuyển đổi, sắp ban hành
2) Đã thay thế


