Nội dung toàn văn Tiêu chuẩn quốc gia TCVN 6305-5:2009 (ISO 6182-5:2006) về Phòng cháy và chữa cháy – Hệ thống Sprinkler tự động – Phần 5: Yêu cầu và phương pháp thử đối với van tràn
TIÊU CHUẨN QUỐC GIA
TCVN 6305-5:2009
ISO 6182-5:2006
PHÒNG CHÁY CHỮA CHÁY – HỆ THỐNG SPRINKLER TỰ ĐỘNG – PHẦN 5: YÊU CẦU VÀ PHƯƠNG PHÁP ĐỐI VỚI VAN TRÀN
Fire protection – Automatic sprinkler systems – Part 5: Requirements and test methods for deluge valves
Lời nói đầu
TCVN 6305-5:2009 thay thế TCVN 6305-5:1997
TCVN 6305-5:2009 hoàn toàn tương đương với ISO 6182-5:2006.
TCVN 6305-5:2009 do Bản kỹ thuật tiêu chuẩn quốc gia TCVN/TC 21 Thiết bị phòng cháy chữa cháy biên soạn, Tổng cục Tiêu chuẩn Đo lường Chất lượng đề nghị, Bộ Khoa học và Công nghệ công bố.
TCVN 6305 (ISO 6182) Phòng cháy chữa cháy – Hệ thống sprinkler tự động bao gồm 6 phần sau:
– TCVN 6305-1:2007 (ISO 6182-1:2004) – Phần 1: Yêu cầu và phương pháp thử đối với Sprinkler;
– TCVN 6305-2:2007 (ISO 6182-2:2005) – Phần 2: Yêu cầu và phương pháp thử đối với van báo động kiểu ướt, bình làm trễ và chuông nước;
– TCVN 6305-3:2007 (ISO 6182-3:2005) – Phần 3: Yêu cầu và phương pháp thử đối với van ống khô.
– TCVN 6305-5:2009 (ISO 6182-5:2006) – Phần 5: Yêu cầu và phương pháp thử đối với van tràn.
– TCVN 6305-7:2006 (ISO 6182-7:2004) – Phần 7: Yêu cầu và phương pháp thử đối với đầu phun nhanh ngăn chặn sớm;
– TCVN 6305-11:2006 (ISO 6182-11:2004) – Phần 11: Yêu cầu và phương pháp thử đối với giá treo ống.
ISO 6182 Fire protection – Automatic sprinkler systems còn có các phần sau:
– Part 4: Requirements and test methods for quick-opening devices;
– Part 6: Requirements and test methods for check valves;
– Part 8: Requirements and test methods for pre-action dry alarm valves;
– Part 9: Requirements and test methods for water mist nozzles;
– Part 10: Requirements and test methods for domestic sprinklers;
– Part 12: Requirements and test methods for grooved end pipe couplings;
– Part 6: Requirements and test methods for extended coverage sprinklers.
PHÒNG CHÁY CHỮA CHÁY – HỆ THỐNG SPRINKLER TỰ ĐỘNG – PHẦN 5: YÊU CẦU VÀ PHƯƠNG PHÁP ĐỐI VỚI VAN TRÀN
Fire protection – Automatic sprinkler systems – Part 5: Requirements and test methods for deluge valves
1. Phạm vi áp dụng
Tiêu chuẩn này qui định các yêu cầu về đặc tính, phương pháp thử, ghi nhãn đối với van tràn, thiết bị bổ sung có liên quan của nhà sản xuất dùng trong hệ thống tràn và hệ thống phòng cháy chữa cháy tự động tác động trước. Van tràn theo qui định trong tiêu chuẩn này có thể vận hành bằng thủy lực, khí nén, điện, cơ khí, bằng tay, bằng nhiệt hoặc bằng sự kết hợp của các tác động đó.
Tiêu chuẩn này không quy định đặc tính và các yêu cầu về thử nghiệm cho các chi tiết và phụ tùng khác của van tràn.
Tiêu chuẩn này không áp dụng cho các van hoạt động bằng nhiệt tác động trực tiếp lên van làm van nhả ra. Kiểu van này sử dụng một thiết bị nhiệt dạng thanh truyền-đòn bẩy hoặc bầu thủy tinh của một sprinkler để đóng van. Sự vận hành của thiết bị nhiệt làm cho van mở ra.
2. Tài liệu viện dẫn
Các tài liệu viện dẫn sau đây áp dụng tiêu chuẩn này. Đối với các tài liệu có ghi năm áp dụng thì chỉ áp dụng phiên bản đã nêu. Đối với các tài liệu không ghi năm áp dụng thì chỉ áp dụng phiên bản mới nhất (bao gồm cả các sửa đổi).
TCVN 2229, Cao su, lưu hóa hoặc nhiệt dẻo – Phép thử già hóa nhanh và độ chịu nhiệt.
TCVN 4509, Cao su, lưu hóa hoặc nhiệt dẻo – Xác định các tính chất ứng suất-dãn dài khi kéo.
ISO 7-1 Pipe threads where pressure-tight joints are made on the threads – Part 1: Designation, dimensions and tolerances (Ren ống dùng cho mối nối ren kín áp – Phần 1: Ký hiệu, kích thước, và dung sai).
ISO 898-1, Mechanical properties of fasteners made of carbon stell and alloy steel – Part 1: Bolts, screws and studs (Cơ tính của các chi tiết kẹp chặt bằng thép cacbon và thép hợp kim – Phần 1: Bulông, vít và vít cấy).
ISO 898-2, Mechanical properties of fasteners – Part 2: Nuts with specified proof load values – Coarse thread (Cơ tính của các chi tiết kẹp chặt – Phần 2: Đai ốc với các giá trị tải trọng thử qui định – Ren bước lớn).
3. Thuật ngữ và định nghĩa
Tiêu chuẩn này áp dụng các thuật ngữ và định nghĩa sau:
3.1
Thiết bị báo động (Alarm device)
Cơ cấu cơ khí hoặc điện phát ra tín hiệu báo động khi van tràn hoạt động.
3.2
Then cài (anti-resest latch)
Cơ cấu hãm không cho bộ bịt kín trở lại vị trí đã lắp đặt sau khi hoạt động.
3.3
Van tràn tự động (automatic drain valve)
Cơ cấu thường mở, tự động thoát nước và thông khí cho buồng trung gian ra môi trường của một van tràn khi van ở trạng thái sẵn sàng và hạn chế nước từ buồng này chảy ra khi van đã nhả.
3.4
Áp lực bổ trợ (auxiliary pressure)
Áp lực tác động vào một màng hoặc pittông trợ lực được trích ra từ áp lực làm việc hoặc một nguồn bên ngoài.
3.5
Lá van (clapper)
Một loại chi tiết bịt kín.
CHÚ THÍCH: Xem 3.19.
3.6
Vật liệu chống ăn mòn (corrosion-resistant material)
Vật liệu kim loại như đồng bronze (đồng đỏ), đồng thau, kim loại Monel, thép không gỉ austenit hoặc vật liệu tương tự hoặc vật liệu chất dẻo (nhựa) phù hợp với yêu cầu của tiêu chuẩn này.
3.7
Hệ thống tràn (deluge system)
Hệ thống tự động chữa cháy sử dụng một van tràn được vận hành bằng cơ cấu bổ trợ cho nước chảy vào hệ thống sprinkler hoặc các đầu phun không tự động mở.
3.8
Van tràn (deluge valve)
Van cấp nước điều khiển tự động, được vận hành bằng cơ cấu bổ trợ cho nước chảy vào một hệ thống đường ống dẫn mở của hệ thống tràn (thoát nước) hoặc hệ thống đường ống kín của hệ thống tác động trước.
CHÚ THÍCH: Cơ cấu bổ trợ để vận hành van tràn có thể là cơ khí, điện, thủy lực, khí nén, nhiệt, thủ công hoặc sự kết hợp của tác động đó.
3.8.1
Van tràn vận hành bằng thủy lực (hydraulically operated deluge valve)
Van tràn được duy trì ở vị trí chỉnh đặt do áp suất thủy lực tác động vào một màng hoặc pittông làm đóng bộ bịt kín.
CHÚ THÍCH: Sự thay đổi áp suất thủy lực tác động vào màng hoặc pittông làm cho van mở ra. Áp suất được thay đổi là do tác động của cơ cấu điều khiển bằng tay, cơ cấu điều khiển điện như van điện tử hoặc cơ cấu vận hành bằng thủy lực, nhiệt hoặc khí nén.
3.8.1.1
Van tràn vận hành do giảm áp (pressure-loss operated deluge valve)
Kiểu van tràn vận hành bằng thủy lực được nhả khỏi vị trí chỉnh đặt bằng cách giảm áp suất tác động vào màng hoặc pittông trợ lực.
3.8.1.2
Van tràn vận hành do tăng áp (supply-pressure operated deluge valve)
Kiểu van tràn vận hành bằng thủy lực được giữ ở vị trí chỉnh đặt bằng một lò xo hoặc chi tiết khác và được vận hành bằng cách cung cấp áp lực thủy tĩnh để tác động vào màng hoặc pittông bổ trợ.
3.8.2
Van tràn vận hành bằng cơ khí (mechanically operated deluge valve)
Van tràn được giữ ở vị trí chỉnh đặt bởi một cơ cấu cơ khí.
CHÚ THÍCH: Van được nhả ra bằng cơ khí, ví dụ bằng tác động của trọng lượng nhả.
3.9
Cơ cấu dẫn động khô (dry pilot actuator)
Van kiểu vi sai khi mất áp lực khí nén từ truyền dẫn động khô sẽ cho phép van tràn vận hành bằng thủy lực hoạt động.
3.10
Đường truyền dẫn khô (dry pilot line)
Hệ thống đường ống phát hiện và khởi động bằng khí nén được lắp với các cơ cấu nhạy cảm với nhiệt, thường là các sprinkler, các cơ cấu này khi chịu tác động của nguồn nhiệt không bình thường, sẽ vận hành để nhả áp lực khỏi hệ thống đường ống và cơ cấu dẫn động khô làm cho van tràn hoạt động tự động.
3.11
Lưu tốc (flow velocity)
Tốc độ của nước chảy qua van tràn được coi như tương đương tốc độ nước chảy qua ống có cùng cỡ kích thước danh nghĩa với van tràn đó.
3.12
Buồng trung gian (intermediate chamber)
Bộ phận của van tràn chia tách các bề mặt tựa của bộ bịt kín không khí và/hoặc nước và có áp suất bằng áp suất khí quyển khi van ở trạng thái sẵn sàng.
3.13
Điểm rò rỉ (leak point)
Áp suất không khí của hệ thống đối với một áp lực làm việc riêng tại đó nước bắt đầu chảy ra từ buồng trung gian, van xả tự động hoặc mạch báo động.
3.14
Hệ thống tác động trước (pre-action system)
Hệ thống phòng cháy chữa cháy tự động sử dụng một van tràn được vận hành bằng phương tiện trợ lực cho nước chảy vào hệ thống sprinkler hoặc vòi phun tự động.
3.15
Nước mồi (priming water)
Nước dùng để đóng bộ bịt kín và ngăn ngừa sự dính kết của các bộ phận làm việc.
3.16
Áp suất làm việc định mức (rated working pressure)
Áp suất hoạt động tối đa tới đó thì van tràn làm việc.
3.17
Trạng thái sẵn sàng (ready condition)
Trạng thái chỉnh đặt (set condition)
Trạng thái của van tràn với bộ bịt kín ở vị trí đóng và chỉnh đặt có sự tác động của áp suất làm việc trong hệ thống.
3.18
Chi tiết đàn hồi tăng cường (reinforced elastomeric element)
Chi tiết của lá van, cụm lá van hoặc các đệm kín của hợp chất nhựa đàn hồi với nhiều thành phần (chi tiết khác).
3.19
Bộ bịt kín (sealing assembly)
Chi tiết bịt kín chính, di động (như là một lá van) của van tràn để ngăn ngừa dòng nước hồi và duy trì áp suất không khí trong đường ống của hệ thống.
3.20
Gioăng đệm của bộ bịt kín (sealing assembly seat ring)
Chi tiết bịt kín chính cố định của van tràn để ngăn ngừa dòng nước hồi và duy trì áp suất không khí trong đường ống của hệ thống.
3.21
Áp suất làm việc (service pressure)
Áp suất thủy tĩnh tại cửa cấp nước của van tràn khi van này ở trạng thái sẵn sàng.
3.22
Thiết bị bổ sung (trim)
Thiết bị và đường ống bên ngoài, trừ đường ống của thiết bị chính, được lắp với cụm van tràn.
3.23
Điểm nhả (trip point)
Điểm mà tới đó van tràn vận hành cho nước chảy vào hệ thống, thường được xác định dưới dạng áp suất không khí của hệ thống tại một áp suất làm việc đã cho.
3.24
Chuông nước (water-motor alarm)
Cơ cấu vận hành bằng thủy lực đưa nước chảy qua một van tràn để phát ra tín hiệu báo động bằng âm thanh nghe được trong một khu vực.
3.25
Cơ cấu báo động thủy lực từ xa (water-motor transmitter)
Cơ cấu vận hành bằng thủy lực tạo dòng điện để báo động từ xa làm vận hành van.
3.26
Đường truyền dẫn ướt (wet pilot line)
Hệ thống đường ống phát hiện và khởi động bằng thủy lực được lắp với các cơ cấu nhạy cảm nhiệt, thường là các sprinkler tự động, khi chịu tác động của nhiệt từ đám cháy các cơ cấu này sẽ vận hành, giải phóng áp lực khỏi hệ thống đường ống và làm cho van tràn tự động hoạt động.
4. Yêu cầu đối với van tràn
4.1 Kích thước danh nghĩa
Kích thước danh nghĩa của van tràn là đường kính danh nghĩa của các mối nối cửa cấp nước và thoát nước của van, nghĩa là kích thước của ống lắp các mối nối này. Phải sử dụng các kích thước sau: 40mm, 50mm, 65mm, 80mm, 100mm, 125mm, 150mm, 200mm, 250 mm hoặc 300 mm. Đường kính của dòng nước chảy qua vòng tựa của bộ bịt kín có thể nhỏ hơn kích thước danh nghĩa.
4.2 Mối nối
4.2.1 Tất cả các mối nối phải được thiết kế để sử dụng ở áp suất làm việc định mức của van tràn.
4.2.2 Kích thước của tất cả các mối nối phải phù hợp với các yêu cầu có thể áp dụng được của các tiêu chuẩn quốc tế. Nếu không áp dụng được các tiêu chuẩn quốc tế thì phải sử dụng các tiêu chuẩn quốc gia.
4.2.3 Mối nối của đường báo động phải có đường kính danh nghĩa của lỗ không nhỏ hơn 15 mm.
4.2.4 Nếu cần có nước mồi để bịt kín phía sau của bộ bịt kín thì phải có thiết bị bên ngoài để đưa nước mồi vào.
4.2.5 Phải có phương tiện để ngăn ngừa sự hình thành cột nước và kiểm tra mức nước mồi (nếu có yêu cầu).
4.2.6 Phải có phương tiện thích hợp để dễ thử nghiệm các cơ cấu báo động mà không cần phải nhả van.
4.2.7 Các van tràn phải được trang bị phương tiện phát ra tín hiệu báo động bằng âm thanh nếu nước vào đường ống phía sau van tới mức cao hơn bộ bịt kín 0,5 m, trừ khi van có phương tiện thoát nước tự động.
4.3 Áp suất làm việc định mức
4.3.1 Áp suất làm việc định mức không được nhỏ hơn 1,2 MPa (12 bar).
4.3.2 Các đầu nối cấp nước và thoát nước của van tràn có thể được gia công để thích hợp với thiết bị có áp suất làm việc thấp hơn với điều kiện là van phải được ghi nhãn với áp suất làm việc thấp hơn. Xem 7.3 f.
4.4 Thân và nắp
4.4.1 Thân và nắp van tràn phải được chế tạo từ vật liệu có độ bền chống ăn mòn ít nhất là tương đương với gang.
4.4.2 Các chi tiết kẹp chặt nắp van tràn phải được chế tạo bằng thép, thép không gỉ, titan hoặc các vật liệu khác có cơ lý tính tương đương.
4.4.3 Nếu một phần của thân hoặc nắp van tràn được chế tạo từ vật liệu phi kim loại khác với vật liệu của đệm kín hoặc được chế tạo từ kim loại có điểm nóng chảy nhỏ hơn 800 0C thì cụm van phải được thử đốt nóng trên ngọn lửa như qui định trong 6.9. Theo sau thử đốt trên ngọn lửa, bộ bịt kín phải mở ra tự do và hoàn toàn, và van phải chịu được phép thử áp lực thủy tĩnh như qui định trong 6.7.1 mà không có biến dạng dư hoặc hư hỏng.
4.4.4 Không được lắp ráp van với tấm nắp ở vị trí không đúng với chiều dòng chảy hoặc ngăn cản sự vận hành đúng của van tràn
4.5 Độ bền
4.5.1 Van tràn ở dạng đã lắp với bộ bịt kín để mở phải chịu được áp suất thủy tĩnh bên trong gấp bốn lần áp suất làm việc định mức trong thời gian 5 min mà không bị phá hủy khi được thử theo qui định trong 6.8.
4.5.2 Nếu không thực hiện được phép thử theo 6.9 đối với các chi tiết kẹp chặt được sản xuất theo tiêu chuẩn thì nhà cung cấp phải đưa ra tài liệu chứng minh rằng tải trọng thiết kế tính toán của bất cứ chi tiết kẹp chặt nào, không kể đến lực nén lên vòng đệm, không được vượt quá độ bền kéo nhỏ nhất được qui định trong ISO 898-1 và ISO 898-2 khi van tràn được tăng áp tới bốn lần áp suất làm việc định mức. Diện tích chịu tác dụng của áp lực phải được tính toán như sau:
a) Nếu sử dụng vành đệm kín có mặt cắt đặc thì bề mặt chịu tác dụng của áp lực là bề mặt mở rộng ra tới đường mép trong của các bulông.
b) Nếu sử dụng vòng đệm tiết diện “0” hoặc vòng đệm kín thì bề mặt chịu tác dụng của lực là bề mặt mở rộng đến đường tâm của các vòng đệm kín này.
4.6 Tiếp cận để bảo dưỡng
Phải có phương tiện để tiếp cận các bộ phận, chi tiết làm việc và tháo được bộ bịt kín. Bất cứ phương pháp nào được chấp nhận cũng phải cho phép một người có thể dễ dàng thực hiện được công việc bảo dưỡng với thời gian ngừng làm việc là tối thiểu.
4.7 Các chi tiết
4.7.1 Bất cứ chi tiết nào thường phải tháo ra trong quá trình làm việc phải được thiết kế sao cho dễ dàng lắp đúng lại mà không cần có sự chỉ dẫn bằng hình ảnh khi van tràn được vận hành trở lại.
4.7.2 Trừ các mặt tựa của van, tất cả các chi tiết được dự kiến thay thế tại hiện trường phải có khả năng tháo lắp được bằng các dụng cụ thông thường.
4.7.3 Tất cả các chi tiết phải không tách ra được trong quá trình làm việc bình thường của van tràn.
4.7.4 Sự hư hỏng của các màng hoặc đệm kín của bộ bịt kín không được ngăn cản sự mở ra của van tràn.
4.7.5 Các mặt tựa của các bộ bịt kín phải có độ bền chống ăn mòn tương đương với đồng bronze (đồng đỏ) và có đủ chiều rộng của bề mặt tiếp xúc để chịu được sự mài mòn và xé rách thông thường, sự sử dụng quá mức, các ứng suất nén và hư hỏng do cáu cặn trong ống hoặc các vật lạ có trong nước.
4.7.6 Các lò xo và màng (chắn) không được nứt gãy hoặc bị phá hủy trong 5000 chu kỳ vận hành bình thường khi được thử theo 6.2.
4.7.7 Không được có dấu hiệu hư hỏng khi kiểm tra bằng mắt đối với bộ bịt kín sau khi thử các yêu cầu về vận hành trong 4.1.4 theo 6.10 và 6.12.
4.7.8 Khi được mở ra hết cỡ, bộ bịt kín phải dừng lại. Điểm tiếp xúc phải được bố trí sao cho sự va đập, hoặc phản lực của dòng nước không được gây ra biến dạng dư xoắn, uốn hay làm đứt gãy các chi tiết của van tràn.
4.7.9 Khi cần có chuyển động quay hoặc trượt, bộ phận hoặc ở trục của nó phải được chế tạo bằng vật liệu chống ăn mòn. Các vật liệu không có tính chống ăn mòn phải được lắp với bạc lót, ống lót hoặc các chi tiết được chế tạo từ vật liệu chống ăn mòn tại các điểm không có chuyển động.
4.7.10 Phải có phương tiện để ngăn ngừa van tràn tự động trở về trong trạng thái sẵn sàng (chỉnh đặt) và cho phép thải nước từ đường ống sau khi van đã nhả. Phải có phương tiện điều khiển bằng tay hoặc phương tiện từ bên ngoài để đưa van tràn trở về trạng thái sẵn sàng (chỉnh đặt).
4.8 Sự rò rỉ
4.8.1 Không được có sự rò rỉ, biến dạng dư hoặc đứt gãy đối với van tràn khi được thử theo 6.7.1 với áp suất bên trong bằng hai lần áp suất làm việc định mức, tác dụng trong thời gian 5 min với bộ bịt kín được mở.
4.8.2 Không được có sự rò rỉ, biến dạng dư hoặc đứt gãy đối với van tràn khi được thử theo 6.7.2 với áp suất bên trong bằng hai lần áp suất làm việc định mức, tác dụng trong thời gian 2 h ở phía trước bộ bịt kín và đầu phía sau bộ bịt kín được thông hơi.
4.9 Các chi tiết phi kim loại (trừ các đệm kín, màng, nút bịt kín và các chi tiết đàn hồi khác)
4.9.1 Các chi tiết phi kim loại của van tràn có ảnh hưởng đến sự vận hành đúng của van phải được hóa già như mô tả trong 6.4 và 6.5 khi sử dụng các bộ mẫu thử riêng biệt. Sau khi hóa già, van tràn phải đáp ứng các yêu cầu của 4.8, 4.13 và 4.14.4 khi được thử theo các phép thử trong 6.6, 6.8 và 6.11.
4.9.2 Không được có các vết rạn, nứt, cong vênh, rão hoặc các dấu hiệu hư hỏng khác có thể ngăn cản sự hoạt động đúng với van tràn.
4.10 Các chi tiết của bộ bịt kín
4.10.1 Nút bịt kín làm bằng vật liệu đàn hồi hoặc các vật liệu có đàn tính khác không được bám dính vào bề mặt đệm khi được thử theo 6.3.1. Khi một kết cấu mặt tựa được sử dụng cho nhiều cỡ van tràn thì cho phép chỉ thử cỡ van có ứng suất cao nhất trên bề mặt tựa.
4.10.2 Bất cứ chất đàn hồi không được gia cường nào dùng để chế tạo nút bịt kín (nút) cũng phải có các tính chất sau khi được thử theo 6.3.2 và các phần thích hợp của TCVN 4509:
a) có độ biến dạng dư lớn nhất 5 mm khi khoảng cách giữa các điểm đánh dấu trên vật liệu đàn hồi dài 25 mm được kéo dài tối đa 75 mm, giữ ở vị trí này trong 2 min rồi nhả ra, sau 2 min nhả ra, tiến hành đo lại chiều dài 25 mm;
b) hoặc
1) có độ bền kéo nhỏ nhất 10 MPa (100 bar) và độ giãn dài giới hạn nhỏ nhất 300% (25mm đến 100mm), hoặc
2) có độ bền kéo nhỏ nhất 15 MPa (150 bar) và độ giãn dài thích giới hạn nhỏ nhất 20% (25 mm đến 75 mm);
c) sau khi sấy 96 h trong oxy ở (70 ± 1,5) 0C và 2,0 MPa (20 bar) và độ giãn dài giới hạn không nhỏ hơn 70 % các tính chất tương ứng của các mẫu thử không được nung nóng trong oxy, và bất cứ sự thay đổi nào về độ cứng cũng không được lớn hơn 5 đơn vị đo độ cứng của dụng cụ đo độ cứng theo rạch của mũi nhọn thang A;
d) sau khi ngâm trong nước cất 70 h ở (97,5 ± 2,5) 0C, độ bền kéo và độ giãn dài giới hạn không được nhỏ hơn 70 % các tính chất tương ứng của các mẫu thử không được nung nóng trong nước và sự thay đổi thể tích của mẫu không được lớn hơn 20 %.
4.10.3 Chi tiết bịt kín làm bằng vật liệu đàn hồi được gia cường phải có khả năng chịu được uốn mà không bị nứt hoặc gãy và phải có sự thay đổi về độ giãn nở thể tích không lớn hơn 20% khi được thử theo 6.3.3.
4.10.4 Các bề mặt bịt kín phải ngăn ngừa sự rò rỉ nước vào trong cổng báo động khi thử van ở vị trí sẵn sàng theo 6.10.
4.10.5 Đối với vật liệu composit của một hợp chất đàn hồi với một hoặc nhiều chi tiết khác thì độ bền kéo của vật liệu composit này ít nhất phải bằng hai lần độ bền kéo của riêng vật liệu đàn hồi.
4.11 Khe hở
4.11.1 Khe hở đồng trục giữa bộ bịt kín kiểu khớp xoay với các vách trong ở mọi vị trí, trừ vị trí mở rộng không được nhỏ hơn 12 mm đối với thân van bằng gang và không nhỏ hơn 6 mm nếu thân van và bộ bịt kín bằng gang hoặc thép có lớp phủ bảo vệ chống ăn mòn được thử theo 6.14, vật liệu kim loại màu, thép không gỉ hoặc các vật liệu có các tính chất cơ lý và chống ăn mòn tương đương. Xem Hình 1a).
4.11.2 Phải có khe hở lệch trục không nhỏ hơn 6 mm giữa các rìa trong vòng mặt tựa và các chi tiết kim loại của bộ bịt kín kiểu khớp xoay khi van tràn ở vị trí đóng kín. Xem Hình 1b).
4.11.3 Bất cứ khoảng trống nào trong bộ bịt kín có thể gom các mảnh vụn bên ngoài mặt tựa của van phải có độ sâu không nhỏ hơn 3 mm.
4.11.4 Khe hở lệch trục (D2 – D1) giữa trục và ổ trục của khớp xoay không được nhỏ hơn 0,125 mm. Xem Hình 1b).
4.11.5 Tổng khe hở hướng trục giữa khớp xoay lá van và các bề mặt của ổ trục thân van tràn liền kề không được nhỏ hơn 0,25 mm. Xem Hình 1c).
4.11.6 Bất cứ các chi tiết dẫn hướng chuyển động tịnh tiến qua lại nào để cho phép mở van tràn phải có khe hở lệch trục nhỏ nhất không nhỏ hơn 0,7 mm ở phần mà chi tiết chuyển động đi vào chi tiết cố định và không nhỏ hơn 0,05 mm ở phần mà chi tiết chuyển động tiếp xúc liên tục với chi tiết cố định ở trạng thái sẵn sàng.
4.11.7 Các bạc hướng dẫn của bộ bịt kín hoặc các ổ trục khớp xoay phải nhô ra theo phương chiều trục một khoảng đủ để duy trì khe hở giữa các chi tiết kim loại màu không nhỏ hơn 1,5 mm (khe hở A). Xem Hình 1c).
Khe hở được phép nhỏ hơn 1,5 mm khi các chi tiết liền kề bằng đồng bronze (đồng đỏ), đồng thay, kim loại Monel, thép không gỉ austinit, titan, hoặc các vật liệu chống ăn mòn tương tự. Khi độ bền chống ăn mòn của các chi tiết thép được bảo đảm bằng lớp phủ bảo vệ thì các chi tiết này không được có các dấu hiệu hư hỏng nhìn thấy được của lớp phủ như sự phồng rộp, sự phân lớp, sự tạo thành vảy, hoặc sức cản chuyển động tăng lên khi được thử theo 6.13.
|
|
|
|
a) Khe hở đồng trục CR = R2 – R1 |
b) Khe hở lệch trục CD = D2 – D1 |
Hình 1 – Khe hở

c) Tổng khe hở hướng trục, CTA
CTA = L2 – L1;
Khe hở = (L3 – L2)/2

d) Các kích thước bạc lót bên trong
CTA = L2 – L4;
Khe hở A = (L3 – L2)/2 + (L4 – L1)/2
CHÚ DẪN
1 Thân van
2 Trục
3 Bộ bịt kín
4 Bạc lót
Hình 1 – Khe hở (tiếp theo và kết thúc).
4.12 Tổn thất thủy lực do ma sát
Tổn thất áp suất lớn nhất qua van tràn ở lưu lượng thích hợp cho trong Bảng 1, khi được thử theo phương pháp trong 6.6 không được vượt quá 0,08 MPa (0,8 bar). Nếu tổn thất áp suất vượt quá 0,02 MPa (0,2 bar) thì phải ghi tổn thất áp suất trên van tràn. Xem 7.3 j)
Bảng 1 – Các lưu lượng yêu cầu để xác định độ sụt áp
|
Cỡ kích thước danh nghĩa mm |
Lưu lượng l/min |
|
40 |
380 |
|
50 |
590 |
|
65 |
1000 |
|
80 |
1 510 |
|
100 |
2 360 |
|
125 |
3 860 |
|
150 |
5 300 |
|
200 |
9 920 |
|
250 |
14 720 |
|
300 |
21 200 |
4.13 Độ bền
Van tràn và các chi tiết chuyển động của van không được có dấu hiệu biến dạng, rạn, nứt, lỏng ra, rời ra hoặc các dấu hiệu hư hỏng khác khi có lưu lượng nước theo 6.11 chảy qua trong 30 min.
4.14 Tính năng vận hành
4.14.1 Van tràn phải vận hành đúng khi không điều chỉnh ở áp suất làm việc trong phạm vi từ 0,14 MPa (1,4 bar) đến áp suất làm việc định mức khi được thử theo 6.10, van phải điều khiển báo động đúng trong phạm vi áp suất do nhà sản xuất qui định và với lưu tốc đến 5 m/s.
Nếu van tràn ở vị trí chỉnh đặt thì van không được mở ra nếu áp suất cung cấp giảm tới 0 MPa (0 bar) trong thời gian đến 1 h và sau đó lại tăng lên.
4.14.2 Van tràn vận hành do giảm áp phải vận hành khi áp suất chỉnh đặt là 0,03 MPa (0,3 bar) hoặc lớn hơn, đối với áp suất làm việc của nước trong phạm vi từ 0,14 MPa (1,4 bar) đến áp suất làm việc định mức nhỏ hơn hoặc bằng một nửa áp suất làm việc, đối với áp suất làm việc trong phạm vi từ 0,14 MPa (1,4 bar) đến áp suất làm việc định mức van tràn phải được thiết kế để ngăn ngừa sự rò rỉ nước từ phía trước van tràn (khi được chỉnh đặt) tới phía sau van tràn hoặc phải có phương tiện thích hợp để thải đi bất cứ sự rò rỉ nước nào ra khỏi phía trước van.
Sự rò rỉ nhỏ trong các màng chắn, vòng bịt, đường ống kiểm tra v..v … không được gây cản trở tới việc mở van tràn. Phải dễ dàng phát hiện ra sự không kín hoặc khuyết tật của các vòng bịt có thể làm vướng hoặc cản trở sự mở van.
4.14.3 Tất cả các van tràn phải vận hành được bằng các phương tiện tự động hoặc bằng tay.
4.15 Phương tiện thoát nước
4.15.1 Van tràn phải được trang bị cửa thoát nước khỏi thân van khi van được lắp đặt ở bất cứ vị trí nào do nhà sản xuất qui định hoặc kiến nghị. Cỡ kích thước danh nghĩa nhỏ nhất của cửa (lỗ) thoát nước phải là 20 mm.
4.15.2 Các cửa thoát nước trên các van phải được phép sử dụng để thoát nước đường ống của hệ thống khi có kích thước phù hợp với các tiêu chuẩn thiết bị của hệ thống.
4.15.3 Phải có phương tiện tự động thoát nước trong đường ống giữa van tràn, hoặc bất cứ van ngắt báo động nào, và chuông nước hoặc cơ cấu báo động thủy lực từ xa.
4.15.4 Phải trang bị buồng trung gian cho van tràn có một van thoát nước tự động.
4.15.5 Các van thoát nước kiểu lưu lượng hoặc vận tốc phải đóng kín (nghĩa là lưu lượng rất hạn chế) khi được thử theo 6.11. Các van này phải duy trì ở vị trí đóng trong quá trình thoát nước của hệ thống tới khi áp suất hiệu dụng ở cơ cấu bịt kín nhỏ hơn 0,03 MPa (0,3 bar) và phải mở ra ở áp suất trong khoảng từ 0,0035 MPa (0,035 bar) tới 0,03 MPa (0,3 bar).
4.15.6 Lưu lượng chảy qua đầu mút hở hoặc van thoát nước kiểu vận tốc không được vượt quá 0,63 l/s ở bất cứ áp suất làm việc nào đến áp suất làm việc định mức.
4.16 Cơ cấu báo động
4.16.1 Van tràn phải khởi động được các cơ cấu báo động cơ khí và điện liên kết với van ở các lưu tốc qua van đến 5 m/s, dựa trên kích thước danh nghĩa của ống, tại áp suất cung cấp ở cửa vào từ 0,14 MPa (1,4 bar) đến áp suất làm việc định mức khi được thử vận hành theo 6.10.
4.16.2 Van tràn phải tạo ra được áp suất không nhỏ hơn 0,05 MPa (0,5 bar) tại cổng báo động ở áp suất làm việc 0,14 MPa (1,4 bar) trong khi khởi động các cơ cấu báo động có liên quan khi được thử theo 6.10.
4.17 Ngăn ngừa tác động đến van
4.17.1 Khi van tràn ở trạng thái sẵn sàng, sự tác động từ bên ngoài không được gây cản trở tới cơ cấu vận hành van.
4.17.2 Van tràn có thể điều áp được khi không có nắp đậy thì phải có phương tiện để báo hiệu rằng van ở trạng thái “không đậy nắp”.
4.18 Giới hạn về độ cao của đường dẫn nước
4.18.1 Đặc tính vận hành của một van tràn phải được xác định trong mối quan hệ với độ cao tối đa có thể lắp đặt được tuyến dẫn nước cho các sprinkler ở phía trên van đó. Trong quá trình thử nghiệm theo 6.10, phải lấy các dữ liệu theo áp suất điểm nhả của van tại mỗi áp suất làm việc của nước. Nếu ở một áp suất làm việc đã cho của nước, áp suất nhả tại van vượt áp suất do độ cao của cột nước giữa van tràn và sprinkler dẫn nước cao nhất thì van tràn sẽ không mở khi sprinkler này mở.
4.18.2 Độ cao tối đa tính bằng mét của bất cứ đoạn ống hoặc phụ tùng nối ống nào của tuyến dẫn nước, ở áp suất làm việc riêng của nước, phải bằng áp suất điểm nhả tính bằng mét cột nước chia cho 1,5 để có được hệ số an toàn. Cũng xem 8.2.
Giới hạn độ cao của các tuyến dẫn nước phải được xác lập đối với một phạm vi các áp suất làm việc của nước từ 0,14 MPa (1,4 bar) đến áp suất làm việc định mức lớn nhất.
Nhà sản xuất phải chuẩn bị phương pháp kiểm tra thích hợp các giới hạn theo thiết kế của các tuyến dẫn động nước. Các giới hạn theo thiết kế phải bao gồm các giới hạn tối đa về độ cao của các tuyến dẫn động nước được xác định trong 4.18.2 và độ sụt áp lớn nhất cho phép đối với sprinkler thủy lực hoặc trạm kéo tay xa nhất trong tuyến dẫn nước. Phương pháp này phải là một phần của bản hướng dẫn được cấp kèm theo mỗi van tràn (xem 8.2).
5. Thử và kiểm tra chất lượng trong sản xuất
5.1 Nhà sản xuất phải có trách nhiệm thực hiện và duy trì chương trình kiểm tra chất lượng để bảo đảm cho sản xuất luôn luôn đáp ứng được các yêu cầu của tiêu chuẩn này theo như các mẫu thử gốc.
5.2 Mỗi van tràn sản xuất ra phải qua thử thủy tĩnh đối với thân van trong khoảng thời gian không ít hơn 1 min ở áp suất bằng hai lần áp suất làm việc định mức mà không có rò rỉ.
5.3 Theo sau phép thử thủy tĩnh đối với thân van được nêu trong 5.2, mỗi van tràn sản xuất ra phải qua phép thử vận hành để xác định chức năng hoạt động đúng của van bao gồm cả cài then lá van lúc nhả và dòng chảy từ cổng báo động.
5.4 Mỗi van tràn được sản xuất ra phải chịu được áp suất thủy tĩnh bằng hai lần áp suất làm việc định mức tác dụng ở phía trước lá van mà không có rò rỉ.
6. Thử nghiệm
6.1 Mẫu thử
Phải tiến hành các thử nghiệm sau cho một mẫu thử đại diện được lấy từ mỗi cỡ kích thước của van tràn.
6.2 Thử lò xo và màng chắn
Cho lò xo hoặc màng chắn ở vị trí lắp ráp bình thường vận hành với 5000 chu kỳ vận hành trong không khí hoặc nước. Các chi tiết không được vận hành ở mức vượt quá 6 chu kỳ trong 1 min.
Đối với các lò xo của bộ bịt kín, bộ bịt kín phải được xoay ra so với mặt tựa góc 450 và lại từ từ trở về vị trí đóng kín. Đối với các lò xo của van tràn mạch nối song song thì van phải được vận hành từ vị trí mở hoàn toàn tới vị trí đóng kín hoàn toàn. Các màng chắn phải được uốn từ vị trí mở bình thường tới vị trí đóng kín bình thường.
6.3 Thử các chi tiết bịt kín
6.3.1 Thử nhả
Với van tràn ở một vị trí làm việc bình thường và bộ bịt kín ở vị trí đóng, cho tác dụng áp suất thủy tĩnh 0,35 MPa (3,5 bar) tại đầu vào của van trong khoảng thời gian 90 ngày. Trong thời gian này, nhiệt độ của nước phải được duy trì ở 85 0C ± 2 0C bằng dụng cụ đun nóng đặt chìm hoặc dụng cụ đun nóng thích hợp khác. Phải có phương tiện để duy trì đầu ra của van ở áp suất khí quyển.
Khi hoàn thành thời gian thử này, phải xả hết nước khỏi van và để cho van nguội đi tới nhiệt độ môi trường trong thời gian ít nhất là 24 h. Với đầu ra của van tràn ở áp suất khí quyển, cho tác dụng từ từ áp suất thủy tĩnh 0,035 MPa (0,35 bar) ở đầu vào của van. Bộ bịt kín phải dịch chuyển ra khỏi mặt tựa và không có chi tiết nào của nút bịt kín được bám dính vào bề mặt đệm, trừ các vết màu.
Khi sử dụng cùng một kết cấu nút bịt kín cho nhiều kích thước van tràn thì chỉ phải mẫu thử có kích thước tạo ra ứng suất cao nhất trên bề mặt tựa.
6.3.2 Thử chi tiết bịt kín bằng vật liệu đàn hồi không được gia cường
Chuẩn bị 16 mẫu thử theo TCVN 4509. Phải sử dụng bốn mẫu thử cho từng yêu cầu sau:
a) 4.10.2a);
b) 4.10.2b) 1) hoặc b)2);
c) 4.10.2c);
d) 4.10.2d).
6.3.3 Thử chi tiết bịt kín bằng vật liệu đàn hồi được gia cường. Mỗi mẫu thử phải được nhận dạng duy nhất. Bốn mẫu thử phải được sấy trong môi trường oxy theo TCVN 2229 trong 96 h ở áp suất 2 MPa (20 bar) và nhiệt độ 70 0C. Bốn mẫu còn lại phải được ngâm trong nước cất đun sôi trong 70 h. Sau khi sấy, các mẫu thử phải được để nguội tới nhiệt độ phòng trong thời gian ít nhất là 24 h. Phải đo lại thể tích của mỗi mẫu thử. Sau đó mỗi mẫu thử phải được uốn ngược lại bằng tay ba lần theo cùng một chiều quanh trục có đường kính bằng bốn đến năm lần chiều dày của vật liệu.
6.4 Thử lão hóa bằng nước nóng các chi tiết phi kim loại (trừ đệm kín, nút bịt kín và các chi tiết đàn hồi khác)
Phải ngâm bốn mẫu thử chưa được thử của mỗi chi tiết trong nước máy ở 87 0C ± 20C trong thời gian 180 ngày.
Nếu vật liệu không thể chịu nổi nhiệt độ đã nêu mà bị mềm đi quá mức, bị biến dạng hoặc hư hỏng thì có thể tiến hành thử lão hóa bằng nước ở nhiệt độ thấp hơn nhưng không thấp hơn 70 0C trong thời gian dài hơn. Khoảng thời gian thử phải được tính toán theo phương trình
t = 74857e
(1)
Trong đó
t là thời gian ngâm trong nước nóng, tính bằng ngày;
e là cơ số của logarit tự nhiên (=2,7183);
T là nhiệt độ thử, tính bằng 0C
CHÚ THÍCH: Phương pháp này dựa trên qui tắc 10 0C, nghĩa là mỗi lần tăng lên 10 0C thì tốc độ của phản ứng hóa học sẽ tăng lên xấp xỉ gấp đôi. Khi áp dụng cho lão hóa chất dẻo, có thể giả thiết rằng tuổi thọ của nhiệt độ t, tính bằng 0C, bằng một nửa tuổi ở nhiệt độ (t-10)0C.
Các mẫu thử phải được lấy ra khỏi nước và để nguội tới nhiệt độ phòng trong thời gian ít nhất là 24 h. Phải kiểm tra các chi tiết về rạn, nứt, cong vênh, rão hoặc các dấu hiệu hư hỏng khác có thể cản trở sự vận hành đúng của van tràn. Sau đó các chi tiết được lắp vào van tràn và phải tuân theo các yêu cầu trong 4.8.1 và 4.14 khi được thử theo 6.7 và 6.10.
6.5 Thử lão hóa trong không khí đối với các chi tiết phi kim loại (trừ đệm kín, nút bịt kín và các chi tiết đàn hồi khác)
Phải hóa già bốn mẫu chưa được thử của mỗi chi tiết trong lò sấy không khí ở 120 0C ± 2 0C trong thời gian 180 ngày. Các mẫu phải được thử tiếp xúc với các vật liệu đệm trong điều kiện ứng suất có thể so sánh với điều kiện sử dụng ở áp suất làm việc định mức. Các chi tiết phải được đỡ để không tiếp xúc với nhau hoặc tiếp xúc với các mặt bên của lò sấy.
Nếu một vật liệu không thể chịu được nhiệt độ đã nêu mà bị mềm đi quá mức, bị biến dạng hoặc hư hỏng thì có thể tiến hành thử lão hóa trong không khí ở nhiệt độ thấp hơn nhưng không thấp hơn 70 0C trong khoảng thời gian dài hơn. Khoảng thời gian thử phải được tính toán theo phương trình (2)
t = 737000e
(2)
Trong đó
t là khoảng thời gian sấy trong lò, tính bằng ngày;
e là cơ số của logarit tự nhiên (=2,7183);
T là nhiệt độ thử, tính bằng 0C
CHÚ THÍCH: Phương pháp này dựa trên qui tắc 10 0C, nghĩa mỗi lần tăng lên 10 0C thì tốc độ của phản ứng hóa học sẽ tăng lên xấp xỉ gấp đôi. Khi áp dụng cho lão hóa chất dẻo, có thể giả thiết rằng tuổi thọ của nhiệt độ t, tính bằng 0C, bằng một nửa tuổi thọ ở nhiệt độ (t-10)0C.
Các mẫu thử phải được lấy ra khỏi lò và để nguội tới nhiệt độ phòng trong thời gian ít nhất là 24 h. Tất cả các phép thử sau khi sấy phải được tiến hành trong 72 h. Phải kiểm tra các chi tiết về rạn nứt, cong vênh, rão hoặc các dấu hiệu hư hỏng khác có thể cản trở sự vận hành đúng của van tràn. Sau đó các chi tiết được lắp vào van tràn và tuân theo các yêu cầu trong 4.8.1 và 4.14 khi được thử theo 6.7 và 6.10.
6.6 Thử tổn thất thủy lực do ma sát
Lắp van tràn vào một thiết bị thử khi sử dụng đường ống có cùng một đường kính danh nghĩa (xem 4.1). Sử dụng cơ cấu đo áp suất chênh có độ chính xác đến ± 2 %.
Đo và ghi lại áp suất chênh qua van ở một phạm vi lưu lượng trên và dưới các lưu lượng được nêu trong Bảng 1. Thay van trong thiết bị thử bằng một đoạn ống có cùng cỡ kích thước danh nghĩa, và đo áp suất chênh trên cùng một phạm vi các lưu lượng. Sử dụng phương pháp đồ thị để xác định các độ sụt áp ở các lưu lượng được nêu trong Bảng 1. Ghi lại tổn thất thủy lực do ma sát dưới dạng độ chênh lệch giữa độ sụt áp qua van và độ sụt áp qua đoạn ống thay thế.
6.7 Thử rò rỉ và biến dạng của van tràn
6.7.1 Thử rò rỉ thân van
Lắp van tràn vào một thiết bị thử áp lực với bộ bịt kín ở vị trí mở. Khóa tất cả các cửa trong thân van. Cho áp suất thủy tĩnh bằng hai lần áp suất làm việc định mức tác động trong khoảng thời gian 5 min và kiểm tra các dấu hiệu rò rỉ của van trong thời gian này. Van tràn phải tuân theo các yêu cầu trong 4.8.1.
6.7.2 Thử bộ bịt kín
Đặt van tràn ở vị trí sẵn sàng. Phần sau của van được thông với không khí bên ngoài. Tác động áp suất thủy tĩnh bằng áp suất làm việc định mức vào phần trước của bộ bịt kín và duy từ áp suất này trong khoảng thời gian 2 h. Không được có rò rỉ trong thời gian tác động của áp suất thủy tĩnh.
a) qua bộ bịt kín;
b) vào buồng trung gian (nếu áp dụng);
c) vào cổng báo động.
6.8 Thử độ bền thân van tràn
Để thực hiện phép thử này, có thể thay thế các bu lông, vòng đệm kín và nút bịt kín được sản xuất theo tiêu chuẩn bằng các chi tiết có khả năng chịu được áp suất thử. Các đầu nối vào và ra của van và tất cả các cửa khác phải được khóa hoặc nút kín một cách thích hợp.
Bố trí một đầu nối để điều chỉnh áp suất thủy tĩnh cho van mẫu tại đầu nối vào và phương tiện để thông khí và điều chỉnh áp suất chất lỏng tại đầu nối ra. Để bộ bịt kín ở vị trí mở, cho cụm van mẫu thử chịu tác động của áp suất thủy tĩnh bên trong bằng bốn lần áp suất làm việc định mức, nhưng không nhỏ hơn 4.8 MPa (48 bar) trong khoảng thời gian 5 min. Van mẫu thử phải tuân theo các yêu cầu trong 4.5.1.
6.9 Thử đốt nóng trên ngọn lửa
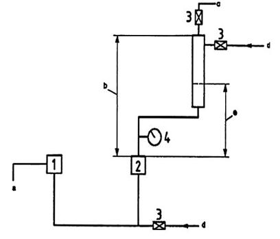
Lắp van tràn theo phương nằm ngang, không có thiết bị bổ sung với các cửa (lỗ) thân van được bít kín như chỉ dẫn trên Hình 2. Mở các van ngắt A và B. Chứa đầy nước vào đường ống và van. Mở van thử để thông với không khí.
Đóng kín van A và van B.
Bố trí một khay đốt lửa có diện tích bề mặt không nhỏ hơn 1 m2 ở giữa và bên dưới van mẫu thử. Đổ một lượng nhiên liệu thích hợp vào trong khay đủ để tạo ra nhiệt độ trung bình của không khí từ 800 0C đến 900 0C ở xung quanh van trong khoảng thời gian 15 min sau khi đã đạt tới nhiệt độ 800 0C.
Đo nhiệt độ bằng cặp nhiệt điện được bố trí cách bề mặt của van mẫu thử 10 mm trong một mặt phẳng nằm ngang song song với đường tâm (trục) của các đầu nối lắp ráp.
CHÚ Ý: Phải bảo đảm cho van mẫu thử được mở thông với môi trường không khí bên ngoài trong khi thử ở bất cứ áp lực nào được tạo ra sẽ thoát được ra ngoài.
Đốt cháy nhiên liệu và 15 min sau khi đạt tới nhiệt độ 800 0C, di chuyển khay lửa ra khỏi van mẫu thử hoặc dập tắt. Sau một phút dập tắt ngọn lửa hoặc di chuyển khay lửa ra khỏi van mẫu thử, bắt đầu làm nguội van mẫu thử bằng dòng nước có lưu lượng 100 l/min chảy qua đường ống trong thời gian 1 min. Thử nghiệm van mẫu thử với một áp suất thủy tĩnh bên trong theo phương pháp trong 6.7.1. Có thể thay thế các đệm kín và nút bịt kín cho phép thử này. Van tràn phải tuân theo các yêu cầu trong 4.4.2.

CHÚ DẪN
1 Van ngắt A
2 Van thử
3 Van ngắt B.
Hình 2 – Thiết bị thử đốt nóng trên ngọn lửa
6.10 Thử vận hành
6.10.1 Qui định chung
Thực hiện một loạt các phép thử vận hành đối với van tràn ở các áp suất làm việc của nước 0,14 MPa (14 bar) và từ 0,2 MPa (2 bar) đến áp suất làm việc định mức với bước tăng áp suất 0,1 MPa (1 bar) khi sử dụng thiết bị thử được giới thiệu trên Hình 3.

CHÚ DẪN
1 Van mở nhanh 150 mm
2 Van tràn được thử
3 Van ngắt
4 Áp kế
a Ra môi trường không khí bên ngoài
b Dung tích cung cấp 1,9 m3
c Không khí
d Nước
e Dung tích nước.
CHÚ THÍCH 1: Xả toàn bộ không khí khỏi đường ống giữa van mở nhanh và phía cửa vào của van ống khô trước mỗi phép thử.
CHÚ THÍCH 2: Danh mục ống theo tài liệu văn bản
Hình 3 – Thiết bị thử vận hành và thử chống đóng lại
6.10.2 Lắp đặt van tràn
Trước mỗi phép thử cần làm sạch các mặt tựa và vòng tựa của bộ bịt kín và tất cả các chi tiết làm việc khác. Định vị đúng bộ phận chính của bộ bịt kín và khi được sử dụng, đặt cơ cấu đòn bẩy vào vị trí chỉnh đặt theo hướng dẫn của nhà sản xuất. Lắp nắp đậy vào vị trí và bắt chặt bằng bu lông. Xác lập mức nước mồi (nếu có yêu cầu). Sau đó mở hoàn toàn van cấp nước chính, kiểm tra sự rò rỉ vào trong cổng báo động.
Nhả van tràn trong các điều kiện làm việc bình thường.
Ghi lại các áp suất sau:
a) cấp nước;
b) điểm nhả van;
c) cổng báo động.
Ghi lại vị trí của bộ bịt kín van liên quan đến cơ cấu cài then thử chống đóng lại, sau mỗi hoạt động nếu được trang bị. Van tràn phải đáp ứng các yêu cầu trong 4.14.
6.11 Thử độ bền
Khi sử dụng thiết bị thử mô tả trong 6.6, điều chỉnh lưu lượng tới lưu lượng do nhà sản xuất qui định nhưng không nhỏ hơn giá trị tương ứng cho trong bảng 1, với dung sai
%. Giữ dòng nước qua van ở lưu lượng này trong thời gian 30
min.
Kiểm tra sự phù hợp của van với các yêu cầu trong 4.13.
6.12 Thử chống đóng lại (xem 4.7.7)
6.12.1 Lắp đặt một van tràn vào hệ thống đường ống ở vị trí lắp đặt thông thường của nó. Lắp đặt một van thứ hai thuộc kiểu mở nhanh có kích thước danh nghĩa 150 mm như chỉ dẫn trên Hình 3, có đường xả ra môi trường không khí bên ngoài qua đường ống có đường kính 150 mm. Nối đầu ra của van được thử với một bình chứa có thể tích ít nhất là 1,9 m3 khi sử dụng đường ống có đường kính không nhỏ hơn kích thước của van được thử.
6.12.2 Chỉnh đặt bộ bịt kín của van được thử ở vị trí mở với bộ bịt kín ở trên then cài thấp nhất và sửa lại tấm nắp cho thích hợp. Nạp đầy nước vào hệ thống và van được thử, trừ dung tích 1,9 m3 của bình chứa. Nạp đầy không khí và nước vào bể chứa theo một bộ các giá trị đã cho trong Bảng 2. Đóng kín van cấp nước và nhả van mở nhanh tạo ra dòng chảy qua bộ bịt kín của van được thử.
CHÚ Ý: Phải đảm bảo chắc chắn rằng bình chứa được giảm áp hoàn toàn trước khi kiểm tra xem xét van được thử.
6.12.3 Lặp lại phép thử cho mỗi bộ các giá trị cho trong bảng 2.
Bảng 2 – Các điều kiện của bình chứa
|
Áp suất làm việc MPa (bar) |
Tỷ lệ phần trăm nước trong bình, % |
|
0,7 (7) |
45 |
|
1,0 (10) |
30 |
|
1,0 (10) |
15 |
|
1,2 (12) |
25 |
6.12.4 Kiểm tra bộ bịt kín để xác định nó không trở về vị trí sẵn sàng hoặc không có bất cứ sự biến dạng, nứt, sự tách rời hoặc các dấu hiệu hư hỏng nào khác.
6.12.5 Theo sau phép thử này, van tràn phải tuân theo các yêu cầu trong 4.14 ở áp suất làm việc 0,14 MPa (1,4 bar) khi được thử đúng giờ theo 6.10.
Phép thử có thể được dừng lại khi toàn bộ nước đã chảy qua van được thử.
6.13 Thử ăn mòn của sương muối
6.13.1 Thuốc thử
Dung dịch natri clorua gồm có (20 ± 1) % theo khối lượng của Natri clorua trong nước cất, độ pH từ 6,5 đến 7,2 và có mật độ từ 1,126 g/ml đến 1,157 g/ml ở nhiệt độ (35 ± 2) 0C.
6.13.2 Thiết bị
Một buồng sương mù có dung tích tối thiểu 0,43 m3 được lắp với một bình chứa tuần hoàn và các vòi phun để cung cấp bụi nước muối, và các phương tiện để lấy mẫu và kiểm soát môi trường trong buồng.
6.13.3 Qui trình
Tháp nắp (nếu được lắp) khỏi van báo động. Giữ van báo động và nắp van báo động trong buồng sương mù sao cho dung dịch không tụ tập lại trong bất cứ các hốc nào và phơi van, nắp van ra bụi nước muối bằng cách cấp dung dịch Natri clorua qua các vòi phun ở áp xuất từ 0,07 MPa (0,7 bar) đến 0,17 MPa (1,7 bar), trong khi duy trì nhiệt độ trong vùng phơi ở (35 ± 2) 0C. Phải bảo đảm cho dung dịch chảy ra từ các bộ phận được thử được thu gom lại và không chảy về bình chứa để tuần hoàn khép kín.
Có thể không tiến hành thử đối với nắp nếu các bạt lót bộ bịt kín các ổ trục hoặc các khe hở của chúng không có liên quan đến nắp. Thu gom bụi sương muối ít nhất là tại hai điểm trong vùng phơi và đo tốc độ phun và nồng độ muối. Bảo đảm đối với mỗi diện tích thu gom 80 cm2 thì tốc độ thu gom từ 1ml/h đến 2 ml/h trong khoảng thời gian (16
) h.
Phơi các bộ phận trong khoảng thời gian (10
) ngày. Sau khi phơi, lấy van báo động và nắp (nếu được thử) ra khỏi buồng sương mù và để cho khô trong thời gian (7
) ngày ở nhiệt độ không vượt quá 35 0C và độ ẩm tương đối không lớn hơn 70 %. Sau khoảng thời gian làm khô, kiểm tra các chi tiết bằng thép được bảo vệ chống ăn mòn về các dấu hiệu hư hỏng nhìn thấy được của lớp phủ như sự phồng rộp, sự phân lớp, sự tạo vảy hoặc sức cản chuyển động tăng lên.
7. Ghi nhãn
7.1 Van tràn phải được ghi nhãn trực tiếp trên thân van bằng chữ nổi hoặc chữ chìm hoặc trên nhãn kim loại cố định được gắn chặt bằng cơ khí (như tán đinh tán, hoặc bắt vít). Các nhãn bằng kim loại đúc phải làm bằng kim loại màu.
7.2 Nhãn trên thân đúc phải có chiều cao của chữ và con số ít nhất là 9,5 mm. Chiều cao ghi nhãn có thể giảm xuống tới 5 mm đối với các van có kích thước danh nghĩa 50 mm và nhỏ hơn. Các chữ và con số trên thân đúc phải có độ cao nổi lên hoặc độ sâu chìm xuống ít nhất là 0,75 mm.
Đối với các nhãn đúc, các chữ và con số phải có chiều cao ít nhất là 5 mm và độ cao nổi lên hoặc độ sâu chìm xuống 0,5 mm. Các chữ và con số trên nhãn được khắc ăn mòn hoặc dập phải có chiều cao ít nhất là 5 mm và độ sâu 0,1 mm. Số loạt hoặc năm sản xuất phải được dập bằng các chữ và con số có chiều cao ít nhất là 3 mm.
7.3 Van tràn phải được ghi nhãn với thông tin sau:
a) tên hoặc nhãn hiệu của nhà sản xuất hoặc người bán hàng;
b) số mẫu (model), ký hiệu theo catalog hoặc một ký hiệu tương đương;
c) tên “van tràn”;
d) chỉ thị chiều dòng chảy;
e) kích thước danh nghĩa;
f) áp suất làm việc tính bằng MPa (hoặc bar). Nếu các đầu nối vào và/hoặc ra được gia công cho áp suất làm việc thấp hơn như trong 4.3.2 thì phải ghi nhãn giới hạn áp suất thấp hơn.
g) số loạt hoặc năm sản xuất các van được sản xuất trong ba tháng cuối năm dương lịch thì có thể ghi nhãn năm sản xuất là năm sau: các van được sản xuất trong sáu tháng đầu năm dương lịch thì có thể được ghi nhãn năm trước là năm sản xuất;
h) vị trí lắp ráp, nếu được giới hạn cho vị trí thẳng đứng hoặc nằm ngang;
i) nhà máy chính (gốc), nếu được sản xuất ở hai hoặc nhiều nhà máy;
e) tổn thất áp suất, nếu có yêu cầu (xem 4.12).
8. Sơ đồ hướng dẫn và thiết bị bổ sung
8.1 Mỗi van tràn phải được cấp kèm theo một bản chỉ dẫn. Bản chỉ dẫn phải có hình minh họa chỉ ra chức năng thiết bị bổ sung của van. Các hình chiếu mặt cắt ngang của cụm van để giải thích sự vận hành của van và giá trị tổn thất áp suất do ma sát nếu vượt quá 0,02 MPa (0,2 bar).
8.2 Bản chỉ dẫn phải hướng dẫn việc giữ gìn bảo quản, và nêu chi tiết phương pháp lắp đặt van.
8.3 Bản chỉ dẫn phải bao gồm các giới hạn về chiều cao và các giới hạn khác về thiết kế của các tuyến dẫn nước được xác định trong 4.14 và 4.18. Ngoài ra trong bản chỉ dẫn phải có các nội dung quan trọng sau đây trong thiết kế tuyến dẫn nước:
a) áp suất cấp nước;
b) áp suất điểm nhả của van;
c) yêu cầu về chiều cao cho lắp đặt;
d) cỡ ống của tuyến dẫn nước;
e) hệ số C (tổn thất do ma sát) của đường ống tuyến dẫn nước;
f) cỡ của lỗ sprinkler;
g) cỡ của lỗ dùng để tiếp nước cho tuyến dẫn nước.




