Nội dung toàn văn Tiêu chuẩn Việt Nam TCVN 6379:1998 về Thiết bị chữa cháy – Trụ nước chữa cháy – Yêu cầu kỹ thuật
TIÊU CHUẨN VIỆT NAM
TCVN 6379 : 1998
THIẾT BỊ CHỮA CHÁY – TRỤ NƯỚC CHỮA CHÁY – YÊU CẦU KỸ THUẬT
Fire protection equipment – Fire hydrant – Technical requirements
1. PHẠM VI ÁP DỤNG:
Tiêu chuẩn này áp dụng cho tất cả các trụ nước chữa cháy (sau đây gọi tắt là trụ nước lắp đặt vào hệ thống cấp nước chung như: cấp nước đô thị, cấp nước bên ngoài của nhà hoặc công trình).
2. TIÊU CHUẨN ÁP DỤNG:
TCVN 209 : 1966 Ren hình thang có đường kính 10 ÷ 640mm. Kích thước cơ bản.
TCVN 210 : 1966 Dung sai của ren hình thang có đường kính 10 ÷ 300mm.
TCVN 257 : 1985 Kim loại. Xác định độ cứng theo phương pháp Rocven. Thang A, B và C.
TCVN 385 : 1970 Vật đúc bằng gang xám. Sai lệch cho phép về kích thước và khối lượng. Lượng dư cho gia công cơ.
TCVN 1917 : 1993 Ren hệ mét. Lắp ghép có độ hở. Dung sai.
TCVN 2003 : 1977 Vòng đẹm cao su có mặt tròn để làm kín các thiết bị thủy lực và khí nén.
TCVN 2097 : 1993 Sơn. Phương pháp xác định độ bám dính của màng.
TCVN 2254 : 1977 Rèn hình thang. Prôtin.
TCVN 4681 : 1989 Ren ống hình trụ.
TCVN 5739 : 1993 Thiết bị chữa cháy. Đầu nối.
3. THUẬT NGỮ VÀ ĐỊNH NGHĨA:
Trong tiêu chuẩn này sử dụng các thuật ngữ sau:
3.1. Trụ nước chữa cháy: Là thiết bị chuyên dùng được lắp đặt vào hệ thống đường ống cấp nước dùng để lấy nước phục vụ chữa cháy. Trụ nước chữa cháy bao gồm các bộ phận chính như van, thân trụ và họng chờ có kích thước theo tiêu chuẩn.
Trụ nước chữa cháy được chia làm hai loại là trụ nước chữa cháy nổi (trụ nổi) và trụ nước chữa cháy ngầm (trụ ngầm).
3.1.1. Trụ nổi: Là loại trụ nước chữa cháy mà toàn bộ phần họng chờ đặt nổi trên mặt đất với chiều cao quy định (xem Hình 1).
3.1.2. Trụ ngầm: Là loại trụ nước chữa cháy được đặt ngầm toàn bộ dưới mặt đất (xem hình 2). Khác với trụ nổi , muốn lấy nước qua trụ ngầm phải dùng cột lấy nước.
3.2. Cột lấy nước chữa cháy: Là thiết bị chuyên dùng được trang bị theo xe chữa cháy dùng nối với trụ ngầm để lấy nước. Cột lấy nước chữa cháy chỉ có hai họng chờ để cho xe chữa cháy hút nước trực tiếp qua cột hoặc để lắp vào vòi chữa cháy lấy nước vào xe hoặc trực tiếp chữa cháy.
4. THÔNG SỐ VÀ KÍCH THƯỚC CƠ BẢN:
4.1. Thông số và kích thước cơ bản của trụ nước: được quy định trong Bảng 1 và Hình 1, 2.
|
|
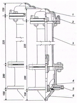
1. Nắp bảo vệ trục van 2. Họng và nắp họng nhỏ 3. Thân trụ 4. Họng và nắp họng lớn 5. Trục van 6. Cánh van 7. Lỗ xả nước đọng 8. Xích bảo vệ nắp họng 9. Van |
Hình 1: Trụ nổi
|
|
1. Nắp đậy bảo vệ 2. Bạc ren 3. Thân trụ 4. Cánh van 5. Lỗ xả nước đọng 6. Van |
Hình 2: Trụ ngầm
|
|
1. Tay van mở van trụ ngầm 2. Van họng chờ 3. Đầu nối họng chờ 4. Thân cột 5. Đầu nối để nối với trụ ngầm |
Hình 3: Cột lấy nước
Bảng 1:
Thông số |
Trụ nổi |
Trụ ngầm |
|
Áp suất làm việc, Mpa (Kg/cm2), không nhỏ hơn |
1(10) |
1(10) |
|
Đường kính trong thận trụ nước, mm |
125 |
125 |
|
Chiều cao nâng của van, mm |
30 |
30 |
|
Độ rơ của van dọc trục khi mở, mm, không lớn hơn |
0,4 |
0,4 |
|
Chiều cao trụ nước, mm |
1175 |
645 |
|
Số vòng quay cần thiết để van mở hoàn toàn, vòng |
15 |
15 |
|
Hệ số tổn hao áp suất trong trụ nước s2m-5, không lớn hơn |
1,2×103 |
1,2×103 |
|
Đường kính trong của họng ra, mm: |
|
|
|
– Họng lớn |
110 |
|
|
– Họng nhỏ |
69 |
|
|
Khớp vặn nối với cột lấy nước |
– |
Ren ống 6” |
|
Thông số mặt bích: |
|
|
|
– Đường kính vòng tròn tâm lỗ bắt bulông, mm ± 0,65 |
280 |
280 |
|
– Đường kính lỗ bắt bulông, mm |
22 |
22 |
|
– Số lỗ |
6 |
6 |
|
Khối lượng trụ nước, kg, không lớn hơn |
150 |
95 |
4.2. Các thông số và kích thước của van trụ nước: được quy định ở Hình 4.

Hình 4: Van trụ nước
5. YÊU CẦU KỸ THUẬT:
5.1. Trụ nước phải được chế tạo phù hợp với tiêu chuẩn này. Khi chế tạo các trụ nước có kết cấu và kích thước tương tự và đặc biệt khác phải được chấp thuận của cơ quan phòng cháy chữa cháy.
5.2. Trụ nước phải chịu được áp suất thử không dưới 1,5Mpa. Khi thử theo 6.10, không cho phép trụ nước có dấu hiệu nứt gãy hoặc biến dạng dư.
5.3. Sau khi lắp ráp trụ nước phải đảm bảo:
Kín với áp suất thủy lực không dưới 1Mpa;
Momen xoay để mở và đóng van trụ nước khi áp suất nước không dưới 1Mpa phải không lớn hơn 150Nm. Khi thử theo 6.11 ở trạng thái van đóng kín, không cho phép có hiện tưởng rò rỉ, “ra mồ hôi” ở các mối nối và ở trên thân trụ nước.
5.4. Van trụ nước và cơ cấu truyền động van phải chịu được tải trọng dọc trục không nhỏ hơn 3.104N. Khi thử theo 6.13, không cho phép van bị đứt, hỏng ren hoặc hỏng chốt tỳ.
5.5. Lượng nước đọng lại trong trụ nước không lớn hơn 50cm3. Khi lượng nước đọng lớn hơn, phải được sự đồng ý của cơ quan có thẩm quyền.
5.6. Đường kính lỗ xả nước đọng của thân trụ nước không nhỏ hơn 8mm, ở đầu ra của lỗ xả nước đọng là rên ống hình trụ “Ô ½” theo TCVN 4681:1989.
5.7. Ren ngoài của khớp nối với cột lấy nước của trụ ngầm là loại ren ống hình trụ “Ô 6” với dung sai 8g theo TCVN 1917:1993.
5.8. Họng chờ của trụ nổi phải phù hợp với đầu nối loại DR.2-125 (M150x6) đối với họng lớn và đầu nối loại ĐT.1-77 đối với họng nhỏ theo TCVN 5739:1993.
5.9. Ren trục van là ren hình thang theo TCVN 209:1996; TCVN 210:1966: TCVN 2254:1977.
5.10. Mối ghép ren giữa phần cánh van và thân van là 7H/8g theo TCVN 1917:1993.
5.11. Thân và van của trụ nước phải được chế tạo bằng vật liệu có cơ tính và tính chống ăn mòn không thấp hơn gang xám GX 15-32.
5.12. Trục van phần có ren của trụ nước phải được chế tạo bằng thép không gỉ với tính chất cơ lý không thấp hơn thép 30 Cr 13.
5.13. Phần có ren của khớp vặn của trụ ngầm phải được chế tạo bằng vật liệu có cơ tính và tính chống ăn mòn không thấp hơn hợp kim đồng Cu5Sn5Zn5Pb hoặc đồng thau CuZn4Si.
Kết cấu và cách cố định trục van của trụ nước phải đảm bảo độ chắc chắn và độ tin cậy của khớp nối, và phải không để xảy ra khả năng khớp nối bị xoay khi mở khóa cột lấy nước chữa cháy.
5.14. Vòng đệm của van phải được chế tạo bằng cao su chịu nhiệt, chịu lạnh, chịu mài mòn, có độ cứng cao và chịu được môi trường ăn mòn theo TCVN 2003-77. Cho phép sử dụng các loại vật liệu khác có tính chất tương đương.
5.15. Sai số về kích thước và khối lượng của vật đúc từ gang xám – độ chính xác cấp 3 theo TCVN 385-70.
5.16. Chi tiết của van phần nối với trục phải được chế tạo bằng vật liệu có các tính chất cơ bản không kém hợp kim đồng mác Cu5Sn5Zn5Pb hoặc đồng thau mác CuZn4Si.
5.17. Lớp sơn trên bề mặt ngoài trụ nước không được bong tróc, trong điều kiện vận hành theo quy định. Trụ nổi phải sơn phản quan màu da cam hoặc màu vàng toàn bộ nắp bảo vệ trục van ở đầu trụ.
5.18. Phần hình vuông của trục để nối trụ ngầm với cột lấy nước chữa cháy có kích thước 22x22mm với độ chính xác về kích thước phần hình vuông là -0,5. Bề mặt phần hình vuông có độ cứng từ 26 đến 38 HRC.
5.19. Nắp đậy trụ ngầm phải là kiểu lật, không gây cản trở khi lắp cột lấy nước. Nắp đậy của họng nước và trục van của trụ nổi phải mở bằng chìa khóa 5 cạnh Z22.
6. PHƯƠNG PHÁP THỬ
6.1. Thử nghiệm trụ nước được tiến hành trong điều kiện khí hậu:
– Áp suất khí quyển: 760Hg;
– Nhiệt độ: 25 ÷ 30°C;
– Độ ẩm tương đối: 85 ÷ 95%.
6.2. Kiểm tra áp suất làm việc (theo 4.1) bằng áp kế có giới hạn đo cực đại là 2Mpa và cấp chính xác không thấp hơn 1,5.
6.3. Kiểm tra đường kính trong (theo 4.1) và kích thước phần hình vuông của trục van (theo 5.18) bằng thước cặp có sai số ± 0,5mm. Kiểm tra độ cứng theo TCVN 257:1985.
6.4. Kiểm tra chiều cao nâng của van (theo 4.1) và kích thước của van (theo 4.2) bằng thước có cấp chính xác 0,5.
6.5. Kiểm tra độ rơ của van (theo 4.1) bằng thước đo khe hở.
6.6. Kiểm tra chiều cao trụ nước (theo 4.1), kích thước biên và kích thước liên kết bằng thước có chia vạch milimet với độ chính xác cấp 3.
6.7. Kiểm tra số vòng quay cần thiết để van mở hoàn toàn (theo 4.1) bằng cách đếm trực tiếp, kiểm tra ren (theo 5.8; 5.9) bằng đường kiểm ren, kiểm tra sự định vị nắp trụ nước (theo 5.19) bằng mắt, kiểm tra kích thước và khối lượng vật đúc (theo 5.15) bằng thước đo có độ chính xác cấp 3 và bằng cân có độ chính xác +0,5kg.
6.8. Hệ số tổn thất hao áp suất trong trụ nước, s2.m-5 (theo 4.1), được xác định theo công thức:
S = Δh / Q2
Trong đó:
– Δh là tổn thất áp suất trong trụ nước, tính bằng mét;
– Q là lưu lượng nước, tính bằng m3/s.
Xác định hệ số tổn hao áp suất trong điều kiện áp suất nước ở đầu vào trụ nước có các giá trị 0,2; 0,4 và 0,6 Mpa trong phạm vi lưu lượng nước từ 15×10-3 đến 28×10-3 m3/s.
Đo tổn thất áp suất Δh bằng áp kế vi sai có giới hạn đo cực đại 1,6Mpa và có độ chính xác 1,5. Khi đó áp suất cột nước đo ở vị trí đầu vào và đầu ra của trụ nước.
Xác định lưu lượng bằng thiết bị đo lưu lượng nước. Khi đó phải lắp đồng hồ ở đoạn đường ống thẳng sao cho chiều dài đoạn trước đồng hồ không nhỏ hơn 8 lần đường kính, và đoạn sau đồng hồ không nhỏ hơn 5 lần đường kính ống.
Cho phép xác định lưu lượng nước bằng phương pháp thể tích bằng các đo thể tích và thời gian chảy đầy một dung tích không nhỏ hơn 2m3 với độ chính xác +0,01m3.
6.9. Kiểm tra khối lượng trụ nước (theo 4.1) bằng cân có độ chính xác trung bình và thang cân cực đại 500kg.
6.10. Kiểm tra khả năng chịu áp trụ nước theo 5.2 được tiến hành với áp suất nước 1,5Mpa trong 1’ với van hở. Đo áp suất bằng kế áp có giới hạn đo là 2,5Mpa và cấp chính xác không thấp hơn cấp 1,5.
6.11. Kiểm tra độ kín của trụ nước (theo 5.3) ở áp suất 1Mpa trong 1’ với cả hai trường hợp van đóng và van mở. Đo áp suất theo 6.2.
6.12. Dùng lực kế để đo momen quay khi mở, đóng van, (theo 5.3) bằng khóa tay van của cột lấy nước hoặc bằng chìa khóa.
6.13. Kiểm tra độ bền cơ học của van và cơ cấu dẫn động van (theo 5.4) bằng cách tác dụng lên van một lực nén hoặc kéo dọc trục được đo bằng lực kế hoặc tạo thành bởi tải trọng có khối lượng 3000Kg trong thời gian 3’.
6.14. Lượng nước đọng lại trong trụ nước (theo 5.5) được xác định là hiệu số giữa lượng nước rót vào trụ nước ở trạng thái khô, đóng kín, đặt đứng, và lượng nước chảy ra ngoài trong thời gian 3’. Lượng nước rót vào trụ nước để kiểm tra không nhỏ hơn 2×10-3 m3.
6.15. Kiểm tra thông số và kích thước củ lỗ xả nước đọng (theo 5.6) và khớp nỗi bằng dụng cụ đo thông dụng.
6.16. Kiểm tra sự cố định khớp nối (theo 5.13) bằng cách vặn chặt hết cỡ cột lấy nước vào trụ nước đối với trụ ngầm và vòi hút hoặc vòi phun đối với trụ nổi trong trạng thái bảo đảm các điều kiện thử nghiệm theo 6.11.
6.17. Kiểm tra chất lượng sơn theo TCVN 2097:1993.
7. GHI NHÃN, BAO GÓI, VẬN CHUYỂN VÀ BẢO QUẢN
7.1. Trên mỗi trụ nước phải được ghi rõ và đầy đủ các nội dung sau:
– Tên hoặc dấu hiệu hàng hóa của nhà chế tạo;
– Loại trụ nước;
– Năm sản xuất;
– Số hiệu tiêu chuẩn này;
Nhãn được gắn ở phía sau họng lớn đối với trụ nổi và ở thân dưới đối với trụ ngầm.
7.2. Phần ren để hở và bề mặt các chi tiết kim loại không sơn phải được bôi mỡ bảo quản.
7.3. Mỗi trụ nước phải kèm theo tài liệu hướng dẫn lắp đặt và vận hành theo quy định của phụ lục A và B.
7.4. Bảo quản trụ nước ở nơi khô ráo. Phải đóng van khi bảo quản và vận chuyển trụ nước.
7.5. Khi vận chuyển, trụ nước phải được bao gói riêng từng cái và cố định chắc chắn. Nếu trụ nước được bao gói thành kiện thì mỗi kiện không được quá 6 cái đối với trụ nổi và 10 cái đối với trụ ngầm.
PHỤ LỤC A
(Quy định)
CHỈ DẪN LẮP ĐẶT
A.1. Trụ nước phải làm việc ở tư thế thẳng đứng. Yêu cầu về lắp đặt, khoảng cách lắp đặt và thời gian bảo dưỡng trụ nước trong hệ thống dẫn nước theo quy định của cơ quan có thẩm quyền.
A.2. Đối với trụ nổi lắp đặt trên vỉa hè, cạnh đường giao thông phải đảm bảo điều kiện khoảng cách tối thiểu giữa trụ nước và tường các ngôi nhà không dưới 5m và cách mép vỉa hè không quá 2,5m.
A.3. Trong trường hợp đặc biệt không thể lắp trụ trên vỉa hè, cho phép lắp đặt trụ ngầm dưới lòng đường nhưng phải bảo đảm hố trụ cách xa các công trình ngầm tối thiểu 0,5m; và phải tuân thủ những quy định về khoảng cách đối với công trình ngầm của các tài liệu pháp quy có liên quan.
A.4. Khi lắp trụ nổi trên vỉa hè, họng lớn của trụ phải quay ra phía lòng đường, khoảng cách từ mặt đất đến đỉnh trụ nước là 700mm.
A.5. Trụ ngầm lắp đặt trong các hố trụ. Kích thước hố trụ theo hình vẽ 6. Cho phép hố trụ có đáy hình vuông với kích thước cạnh là 1200mm và nắp đậy hố trụ có hình vuông hoặc hình tròn.
Trường hợp trụ ngầm lắp đặt dưới lòng đường trong hố trụ thì nắp đậy của hố trụ phải chịu được tải trọng của xe cộ trên 20 tấn.

Hình 5: Lắp đặt trụ nổi
|
1. Nắp 2. Trụ ngầm 3. Ống nước cấp 4. Lỗ xả nước đọng |
|
Hình 6: Hố trụ ngầm
PHỤ LỤC B
(Quy định)
CHỈ DẪN VẬN HÀNH
B. Abc
B.1. Trụ nước được đóng mở bằng chìa khóa chuyên dùng đối với trụ nổi hoặc cột lấy nước đối với trụ ngầm.
B.2. Chỉ sử dụng nước lấy từ trụ nước chữa cháy vào mục đích chữa cháy, thực tập chữa cháy và bảo dưỡng kỹ thuật.
B.3. Kiểm tra tình trạng kỹ thuật của tất cả các trụ nước ít nhất hai lần trong năm, lần kiểm tra trước cách lần kiểm tra sau không quá 6 tháng.
B.4. Bảo dưỡng kỹ thuật bao gồm việc kiểm tra:
Hiện trạng nắp đậy họng ra trụ nổi, nắp hố van và nắp đậy đối với trụ ngầm, và cùa toàn bộ các chi tiết của trụ nước;
Lượng nước trong thân trụ nước và trong hố;
Độ kín của van;
Sự vận hành của trụ nước đã lắp vòi chữa cháy và xác định khả năng tải (lưu lượng) của trụ nước;
Sự đóng mở dễ dàng của van.






