Nội dung toàn văn Tiêu chuẩn quốc gia TCVN 6591-2:2008 (ISO 8536-2 : 2001) về Thiết bị truyền dịch dùng trong y tế – Phần 2: Nút chai chứa dịch truyền
TIÊU CHUẨN QUỐC GIA
TCVN 6591-2 : 2008
ISO 8536-2 : 2001
THIẾT BỊ TRUYỀN DỊCH DÙNG TRONG Y TẾ − PHẦN 2: NÚT CHAI CHỨA DỊCH TRUYỀN
Infusion equipment for medical use − Part 2: Closures for infusion bottles
Lời nói đầu
TCVN 6591-2:2008 hoàn toàn tương đương với ISO 8536-2:2001 và Bản đính chính kỹ thuật 1:2003.
TCVN 6591-2:2008 do Tiểu ban kỹ thuật tiêu chuẩn quốc gia TCVN/TC210/SC2
Trang thiết bị y tế biên soạn, Tổng cục Tiêu chuẩn Đo lường Chất lượng đề nghị, Bộ Khoa học và Công nghệ công bố.
Bộ tiêu chuẩn TCVN 6591 (ISO 8536) Thiết bị truyền dịch dùng trong y tế, gồm các tiêu chuẩn sau:
– TCVN 6591-1:2008 (ISO 8536-1:2006) Phần 1: Chai thủy tinh chứa dịch truyền
– TCVN 6591-2:2008 (ISO 8536-2:2001) Phần 2: Nút chai chứa dịch truyền
– TCVN 6591-3:2008 (ISO 8536-3:1999) Phần 3: Nắp nhôm dùng cho chai chứa dịch truyền
– TCVN 6591-4:2008 (ISO 8536-4:2007) Phần 4: Bộ dây truyền dịch dùng một lần, dẫn truyền bằng trọng lực
– TCVN 6591-5:2008 (ISO 8536-5:2004) Phần 5: Bộ buret truyền dịch dùng một lần, dẫn truyền bằng trọng lực
Bộ tiêu chuẩn ISO 8536 Infusion equipment for medical use, còn các phần sau:
– Part 6: Freeze drying closures for infusion bottles
– Part 7: Caps made of aluminium-plastics combinations for infusion bottles
– Part 8: Infusion equipment for use with pressure infusion apparatus
– Part 9: Fluid lines for use with pressure infusion equipment
– Part 10: Accessories for fluid lines for use with pressure infusion equipment
– Part 11: Infusion filters for use with pressure infusion equipment
– Part 12: Check valves
Lời giới thiệu
Vật liệu được sử dụng làm nút chai chứa dịch tiêm truyền (bao gồm cả nút đàn hồi) phù hợp với vật liệu bao gói chủ yếu để bảo quản dịch truyền đến khi được sử dụng.
THIẾT BỊ TRUYỀN DỊCH DÙNG TRONG Y TẾ − PHẦN 2: NÚT CHAI CHỨA DỊCH TRUYỀN
Infusion equipment for medical use − Part 2: Closures for infusion bottles
1. Phạm vi áp dụng
Tiêu chuẩn này quy định các yêu cầu về thiết kế, kích thước, vật liệu, tính năng và thử nghiệm nút chai chứa dịch truyền theo quy định trong TCVN 6591-1 (ISO 8536-1).
Nút được mô tả dưới đây được thiết kế chỉ dùng một lần.
2. Tài liệu viện dẫn
Các tài liệu viện dẫn sau đây là cần thiết khi áp dụng tiêu chuẩn này. Đối với các tài liệu viện dẫn ghi năm công bố thì áp dụng bản được nêu. Đối với các tài liệu viện dẫn không ghi năm công bố thì áp dụng bản mới nhất, bao gồm cả bản sửa đổi (nếu có).
TCVN 4502 (ISO 868), Chất dẻo và ebonit − Xác định độ cứng ấn lõm bằng thiết bị đo độ cứng (Độ cứng Shore).
TCVN 4868 (ISO 2230), Cao su lưu hóa − Hướng dẫn xếp kho.
TCVN 6591-1 (ISO 8536-1), Thiết bị truyền dịch dùng trong y tế − Phần 1: Chai thủy tinh chứa dịch truyền.
TCVN 6591-3 (ISO 8536-3), Thiết bị truyền dịch dùng trong y tế − Phần 3: Nắp nhôm dùng cho chai chứa dịch truyền.
ISO 48, Rubber, vulcanized or thermoplastic — Determination of hardness (hardness between 10 IRHD and 100 IRHD) [Cao su, lưu hóa hoặc nhựa dẻo − Xác định độ cứng (độ cứng từ 10 IRHD đến 100 IRHD)]
ISO 8871-1, Elastomeric parts for parenterals and for devices for pharmaceutical use — Part 1: Extractables in aqueous autoClavates (Những bộ phận làm bằng nhựa dẻo dùng ngoài đường tiêu hóa và dùng cho các trang thiết bị để sử dụng trong dược − Phần 1: Chất chiết trong nồi hấp ướt).
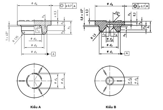
3 Kích thước và ký hiệu quy ước
3.1 Kích thước
Kích thước nút phải như chỉ dẫn trong Hình 1 và Bảng 1. Hình 1 minh họa hai kiểu thiết kế của nút, kiểu A và kiểu B.
Kích thước tính bằng milimét

Hình 1 – Kích thước và hình dạng nút kiểu A và kiểu B
Bảng 1 – Kích thước nút chai chứa dịch truyền
Kích thước tính bằng milimét
|
Kiểu |
Kích thước danh nghĩa |
d1 ± 0,2 |
d2 max. |
d3 min. |
d4 min. |
d5 max. |
d6 ± 0,3 |
h1 ± 0,4 |
h2 ± 0,3 |
h3 |
h4a ± 0,3 |
h5 |
|
A |
32 |
23,6 |
18,2 |
13 |
13 |
14 |
30,8 |
12,2 |
4 |
5,1 |
4 |
— |
|
B |
28 |
19,6 |
15,5 |
6,9 |
6,1 |
7,1 |
27,1 |
10,2 |
3,4 |
4,2 |
2,5 |
5,1 |
|
a Sự lõm vào có thể giảm độ dày cho kim đâm xuyên qua. |
||||||||||||
3.2. Ký hiệu quy ước
Nút có ký hiệu quy ước theo kiểu: kiểu A và kiểu B, được minh họa trong Hình 1. Ký hiệu quy ước được biểu thị bằng số hiệu của tiêu chuẩn này, tiếp theo là kích thước danh nghĩa của chai chứa dịch truyền và chữ cái biểu thị cho kiểu nút chai.
VÍ DỤ Nút chai chứa dịch truyền kiểu A có kích thước danh nghĩa 32 mm phù hợp với yêu cầu dưới đây của tiêu chuẩn này có ký hiệu quy ước như sau:
Nút chai chứa dịch truyền TCVN 6591-2 (ISO 8536-2) – 32 – A
4. Vật liệu
Nút phải được làm bằng vật liệu đàn hồi có khả năng tự kín và phải chịu được tiệt khuẩn bằng hơi nước bão hòa ở nhiệt độ (121 ± 2) oC trong 1 h mà không bị suy giảm chức năng trong điều kiện sử dụng bình thường.
5. Yêu cầu vật lý
5.1. Quy định chung
Các quy trình thử vật lý được mô tả trong các Phụ lục A, B và C, dùng làm các phép thử điển hình so sánh cho các vật liệu đàn hồi khác nhau và không được phép đưa ra các kết luận về khả năng bền của nút chai được áp dụng. Lý do của điều này vì trong thực tế nhiều kim bằng nhựa khác nhau đang lưu hành trên thị trường không đáp ứng yêu cầu của kim bằng thép viện dẫn trong Phụ lục D.
5.2. Tính năng
5.2.1. Để tạo điều kiện thuận lợi cho quá trình sản xuất, mép của nút có thể hơi côn (đường kính tối đa bằng 0,8 mm). Cạnh cắt của mép phải phù hợp với dung sai có thể chấp nhận quy định cho đường kính của mép.
5.2.2 Tất cả các cạnh của nút phải được làm tròn.
5.2.3 Không được có các lỗ, chỗ trích lấy máu, điểm cắm mũi tiêm trong vùng niêm kín.
5.2.4 Trên đường kính ở mặt trong, d3, có thể đánh dấu hoặc khía răng cưa; trên đường kính ở mặt ngoài, d4, có thể có những gờ đệm, cao không quá 0,3 mm.
5.3 Độ cứng
Độ cứng sẽ được thỏa thuận giữa nhà sản xuất và người sử dụng. Độ cứng không được sai khác lớn hơn ± 5 IRHD so với giá trị danh nghĩa khi được thử theo ISO 48 hay ± 5 độ cứng Shore A khi thử theo TCVN 4502 (ISO 868).
CHÚ THÍCH Nhà sản xuất nên cung cấp tấm thử phù hợp khi có yêu cầu.
5.4 Sự vỡ từng mảnh
Khi thử vỡ từng mảnh theo Phụ lục A, số mảnh vỡ quan sát được phải không lớn hơn 20 mảnh có đường kính bằng hoặc lớn hơn 50 µm trên mười lần đâm xuyên thủng.
5.5 Lực đâm xuyên kim
Khi thử khả năng đâm xuyên theo Phụ lục B, lực cần thiết để đâm xuyên qua nút phải không được vượt quá 80 N và giá trị trung bình phải thấp hơn 75 N. Nút không bị đẩy vào trong chai trong khi đâm xuyên.
5.6 Khả năng đóng kín và giữ kim
Khi thử theo Phụ lục C, trong mọi trường hợp, toàn bộ quá trình đâm xuyên qua phải đạt được (nút không bị đẩy vào trong chai) và không có dấu hiệu rò rỉ xuất hiện giữa kim và nút trong khoảng thời gian 4 h; kim cũng không bị bật ra khỏi nút trong khoảng thời gian này.
5.7 Bảo quản
Hướng dẫn bảo quản cao su lưu hóa xem TCVN 4868 (ISO 2230).
Tuổi thọ của nút khi tiếp xúc với dược phẩm là một trong các phép thử độ ổn định được tiến hành bởi các nhà sản xuất dược phẩm.
6 Yêu cầu hóa học
Yêu cầu hóa học theo ISO 8871-1.
7 Yêu cầu sinh học
Nút đàn hồi không được giải phóng bất kỳ chất nào với số lượng có thể ảnh hưởng bất lợi đến tính hiệu quả chữa bệnh của những sản phẩm có thể tiêm truyền, kể cả những chất có thể có biểu hiện độc, gây sốt hoặc phản ứng tiêu huyết.
8 Mẫu thử
Mẫu thống kê ngẫu nhiên cho các phần đàn hồi để kiểm tra phải đại diện cho mỗi lô hàng cung cấp ở trạng thái nguyên bản. Cỡ mẫu tối thiểu, đảm bảo một lượng đủ để thử nghiệm các phép thử vật lý và hoá học trong tiêu chuẩn này, như sau:
|
– |
kích thước danh nghĩa 32: |
40 |
|
– |
kích thước danh nghĩa 28: |
40 |
9 Ghi nhãn
Bao gói của nút có thể được đánh dấu/ghi nhãn với ký hiệu quy ước nêu trong 3.2.
10 Sự phù hợp
Nhà sản xuất nút phải đảm bảo sự nhận biết cũng như sự phù hợp với những thông số chức năng hay bản yêu cầu tóm tắt đã thỏa thuận trước đó.
Phụ lục A
(quy định)
Xác định các mảnh vỡ
A.1 Nguyên tắc
Mục đích của phép thử này là đánh giá xu hướng hướng tâm tương đối của những nút cao su ISO khác nhau. Những giá trị thu được có thể bị ảnh hưởng đáng kể do nhiều yếu tố, như quy trình gia công ban đầu của nút, kiểu thiết bị tạo khuôn, lực niêm kín, thiết kế, hình dạng của kim, lượng chất bôi trơn của kim và kỹ năng thao tác của kỹ thuật viên.
Do vậy, cần thiết kiểm soát những biến số này để thu được những kết quả có thể so sánh được. Trong ngữ cảnh này, có thể bao gồm cả thử nghiệm tiếp sau về chỉ tiêu vỡ ra từng mảnh của nút (thử nghiệm đối chứng), chẳng hạn, trong lần thử đầu tiên phải đánh giá được sự vỡ ra từng mảnh của nút; trong lần thử thứ hai nút có mảnh vỡ đã biết sẽ được thử (đối chứng).
Thử nghiệm tiếp sau này cần phải có theo từng thời kỳ để đảm bảo hệ thống đóng gói và thử nghiệm thích hợp.
Khi sự vỡ ra từng mảnh của các mẫu đối chứng được tìm thấy trong phạm vi các kết quả đã biết thì thử nghiệm được công nhận là hợp lệ.
A.2 Thiết bị, dụng cụ
A.2.1 Mười chai chứa dịch truyền, theo TCVN 6591-1 (ISO 8536-1). (20 chai chứa dịch truyền được yêu cầu nếu có cả thử nghiệm đối chứng).
A.2.2 Thiết bị đậy nút và nắp nhôm theo TCVN 6591-3 (ISO 8536-3) và là loại thích hợp với chai chứa dịch truyền được sử dụng trong thử nghiệm.
A.2.3 Bộ màng lọc.
A.2.4 Một kim thử, theo Phụ lục D.
CHÚ THÍCH Nên sử dụng cùng kim thử cho tất cả các thử nghiệm đối chứng và thử nghiệm mẫu.
A.3 Cách tiến hành
A.3.1 Chọn mười chai chứa dịch truyền có kích cỡ hợp với nút được thử.
A.3.2 Đổ nước vào các chai, tối thiểu bằng 50 % thể tích danh nghĩa.
A.3.3 Đặt nút có kiểu được thử lên mỗi chai trong mười chai. Đóng nắp nhôm lên tất cả các chai. Chuyển vào nồi hấp hơi nước bão hòa, hấp trong khoảng 30 min, ở (121 ± 2) oC. Để nguội đến nhiệt độ phòng và lấy các chai ra khỏi nồi hấp.
A.3.4 Tẩy chất nhờn ở kim thử bằng cách dùng một dung môi hữu cơ thích hợp và nhúng ngập nó vào trong nước cất. Kiểm tra kim trước khi sử dụng; kim phải sắc nhọn như lúc đầu và phải không bị hư hại.
A.3.5 Giữ kim thẳng đứng bằng tay và đâm xuyên qua nút số 1, trong vùng đã được đánh dấu, giữ chai số 1 chắc chắn trong một vị trí thẳng đứng. Lắc chai trong vài giây và rút kim.
A.3.6 Lặp lại A.3.4 và A.3.5 đến khi tất cả mười nút đều có được một lần đâm xuyên qua.
A.3.7 Lấy các nút đã được thử ra khỏi chai. Đổ nước chứa trong tất cả các chai qua một màng lọc. Đảm bảo rằng không có mảnh nào còn sót lại trong chai. Đếm và ghi lại số lượng các mảnh vỡ có thể nhìn thấy trong bộ lọc bằng mắt thường, dưới điều kiện bình thường, nghĩa là ở khoảng cách giữa mắt và màng lọc ở khoảng 25 cm.
CHÚ THÍCH Thừa nhận rằng các mảnh vỡ có đường kính lớn hơn 50 µm thì có thể nhìn thấy rõ đối với mắt người bình thường.
A.3.8 Để nhận dạng thêm, các mảnh vỡ cần được kiểm tra bằng kính hiển vi để xác định kích cỡ và bản chất.
A.4 Thử nghiệm đối chứng
Trong trường hợp khi thử nghiệm đối chứng được thực hiện, chuẩn bị mẫu đối chứng là các nút thử có các chỉ tiêu mảnh vỡ đã biết và tiến hành như mô tả trong A.3. Sử dụng cùng kim thử.
CHÚ THÍCH Thử nghiệm đối chứng là đánh giá duy nhất, tập hợp mẫu thử và mẫu đối chứng phải sử dụng cùng một kim thử.
A.5 Biểu thị kết quả
Báo cáo ghi lại số mảnh vỡ trên mười lần đâm xuyên qua của nút được đánh giá.
A.6 Giá trị pháp lý
Khi có thử nghiệm đối chứng, các kết quả thu được về nút thử nghiệm phải được coi là có giá trị khi các kết quả thu được từ mẫu đối chứng không phù hợp với các kết quả đã biết trước, và lý do cho sự mâu thuẫn như vậy phải được điều tra.
Phụ lục B
(quy định)
Xác định lực đâm xuyên kim
B.1 Nguyên tắc
Mục đích của thử nghiệm này là xác định lực yêu cầu để đâm xuyên qua nút bằng kim đã đáp ứng yêu cầu quy định trong Phụ lục D.
B.2 Thiết bị, dụng cụ
B.2.1 Thiết bị đâm xuyên qua phải là loại đáp ứng các yêu cầu sau:
– một kim chọc được kẹp chặt vào thiết bị, loại có thể di chuyển thẳng đứng với tốc độ 200 mm/min. Lực ép kim ngược trở lại trong khi di chuyển như vậy được biểu thị hoặc ghi lại theo cách mà có thể đọc được với độ chính xác ± 2 N;
– một chai chứa dịch truyền có thể được đặt vào thiết bị theo trục thẳng, cho phép đâm xuyên qua tâm của nút trên chai này.
B.2.2 Hai kim thử, phù hợp với Phụ lục D. Các kim được gọi là S1 và S2.
B.3 Chuẩn bị
B.3.1 Chọn một mẫu thử gồm mười nút từ kiểu hoặc lô đem thử.
B.3.2 Chuẩn bị mười chai chứa dịch truyền phù hợp với TCVN 6591-1 (ISO 8536-1), có kích cỡ bất kỳ, đổ nước tối thiểu bằng 50 % thể tích danh nghĩa. Đóng mười chai chứa dịch truyền đó lại với kiểu nút đem thử.
B.3.3 Cố định nút bằng nắp nhôm đáp ứng yêu cầu của TCVN 6591-3 (ISO 8536-3). Cho các chai vào nồi hấp hơi nước bão hoà, hấp trong 30 min ở (121 ± 2) oC. Để nguội các chai đến nhiệt độ phòng.
B.4 Cách tiến hành
B.4.1 Khử chất nhờn trên kim S1 bằng một dung môi hữu cơ thích hợp, làm hết sức cẩn thận để không làm cùn kim, và kẹp chặt kim S1 vào thiết bị đâm xuyên.
B.4.2 Lấy chai thứ nhất và bóc phần miếng bịt niêm kín. Đặt chai vào thiết bị thử nghiệm sao cho nút sẽ được kim đâm xuyên thẳng đứng qua tâm.
B.4.3 Vận hành thiết bị với tốc độ 200 mm/min và ghi lại lực ép ngay trước khi kim đâm xuyên qua (xem Hình B.1).

CHÚ DẪN
F lực ép lên kim
Fp lực ép khi kim đâm xuyên qua nút
l sự di chuyển của kim
Hình B.1 — Mô hình đường cong
B.4.4 Đưa kẹp về vị trí ban đầu của nó và lấy chai ra.
B.4.5 Lặp lại B.4.1 đến B.4.4 với bốn chai tiếp theo.
B.4.6 Sử dụng kim S2 và lặp lại B.4.1 đến B.4.4 với năm chai còn lại.
B.5 Biểu thị kết quả
B.5.1 Tính giá trị trung bình của lực đâm xuyên qua cho tất cả mười chai. Tính toán phạm vi các giá trị của lực đâm xuyên qua đối với tất cả mười chai.
B.5.2 Lặp lại thử nghiệm nếu phạm vi rộng hơn 50 N.
B.5.3 Nếu trong thử nghiệm lặp lại phạm vi các kết quả vẫn trên 50 N, lặp lại toàn bộ thử nghiệm bằng cách sử dụng hai kim mới.
Phụ lục C
(quy định)
Khả năng bịt/giữ kim
C.1 Chuẩn bị
Lấy mười chai đáp ứng được yêu cầu của TCVN 6591-1 (ISO 8536-1). Đổ nước vào chai tối thiểu bằng 50 % thể tích danh nghĩa, đóng nút vào các chai và siết chặt bằng nắp nhôm theo TCVN 6591-3 (ISO 8536-3), kiểu A. Cho các chai vào nồi hấp hơi nước bão hoà trong 30 min ở (121 ± 2) oC. Sau đó, làm nguội đến nhiệt độ phòng.
C.2 Cách tiến hành
C.2.1 Đặt một kim mới, phù hợp với quy định trong Phụ lục D, thẳng đứng tại tâm của nút, phần để hở, chưa bị xuyên thủng, như mô tả trong C.1.
C.2.2 Tác động một lực thẳng đứng lên kim. Tăng lực này đến khi kim đâm xuyên qua hoàn toàn hoặc ấn bằng tay với lực lớn nhất.
C.2.3 Khi đã đạt được đâm xuyên qua hoàn toàn, cố định chai thẳng đứng, đáy chai hướng lên trên, và gắn vào kim một vật nặng xấp xỉ 0,5 kg. Để ở vị trí này trong 4 h, quan sát và ghi bất kỳ dấu hiệu nào của chất lỏng dọc theo kim trong khoảng thời gian này.
C.3 Biểu thị kết quả
C.3.1 Báo cáo số trường hợp không đạt được đâm xuyên qua hoàn toàn và số lượng rò rỉ xuất hiện dọc theo kim trong khoảng thời gian quan sát.
C.3.2 Báo cáo số trường hợp đạt được đâm xuyên qua hoàn toàn và số lượng rò rỉ xuất hiện dọc theo kim trong khoảng thời gian quan sát.
C.3.3 Báo cáo số trường hợp kim không còn ở vị trí sau 4 h dưới tác dụng của ứng suất.
Phụ lục D
(quy định)
Kim xuyên qua nút
Vì hiện nay chưa có kim đối chứng bằng chất dẻo, nên sử dụng kim bằng thép không rỉ trong Hình D.1 là cần thiết. Giá trị thu được có thể không tương quan với giá trị thu được từ kim bằng chất dẻo.
Kích thước tính bằng milimét,
giá trị độ nhám bề mặt tính bằng micromét

Hình D.1 — Kim thử
MỤC LỤC
Lời nói đầu
Lời giới thiệu
1. Phạm vi áp dụng
2. Tài liệu viện dẫn
3. Kích thước và ký hiệu quy ước
4.Vật liệu
5. Yêu cầu vật lý .
6. Yêu cầu hóa học
7. Yêu cầu sinh học .
8. Mẫu thử
9. Ghi nhãn
10. Sự phù hợp
Phụ lục A (quy định) Xác định các mảnh vỡ
Phụ lục B (quy định) Xác định lực đâm xuyên kim
Phụ lục C (quy định) Khả năng bịt/giữ kim
Phụ lục D (quy định) Kim xuyên qua nút


