Tiêu chuẩn quốc gia TCVN 7937-3:2009 (ISO 15630-3:2002) về Thép dùng làm cốt bê tông và bê tông dự ứng lực – Phương pháp thử – Phần 3: Thép dự ứng lực đã được thay thế bởi Tiêu chuẩn quốc gia TCVN 7937-3:2013 (ISO 15630-3:2010) về Thép làm cốt bê tông và bê tông dự ứng lực – Phương pháp thử – Phần 3: Thép dự ứng lực .
Nội dung toàn văn Tiêu chuẩn quốc gia TCVN 7937-3:2009 (ISO 15630-3:2002) về Thép dùng làm cốt bê tông và bê tông dự ứng lực – Phương pháp thử – Phần 3: Thép dự ứng lực
TIÊU CHUẨN QUỐC GIA
TCVN 7937-3:2009
ISO 15630-3:2002
THÉP DÙNG LÀM CỐT BÊ TÔNG VÀ BÊ TÔNG DỰ ỨNG LỰC – PHƯƠNG PHÁP THỬ- PHẦN 3: THÉP DỰ ỨNG LỰC
Steel for the reinforcement and prestressing of concrete – Test methods – Part 3: Prestressing steel
Lời nói đầu
TCVN 7937-3:2009 hoàn toàn tương đương với ISO 15630-3:2002;
TCVN 7937-3:2009 do Ban kỹ thuật tiêu chuẩn quốc gia TCVN/TC 17 Thép biên soạn, Tổng cục Tiêu chuẩn Đo lường Chất lượng đề nghị, Bộ Khoa học và Công nghệ công bố.
TCVN 7937-3:2009 là một phần của TCVN 7937:2009. Tiêu chuẩn này bao gồm các phần sau:
– TCVN 7937-1:2009 Thép làm cốt bê tông và bê tông dự ứng lực – Phương pháp thử – Phần 1: Thanh, dây và sợi làm cốt;
– TCVN 7937-2:2009 Thép làm cốt bê tông và bê tông dự ứng lực – Phương pháp thử – Phần 2: Lưới hàn;
– TCVN 7937-3:2009 Thép làm cốt bê tông và bê tông dự ứng lực – Phương pháp thử – Phần 3: Thép dự ứng lực.
THÉP DÙNG LÀM CỐT BÊ TÔNG VÀ BÊ TÔNG DỰ ỨNG LỰC – PHƯƠNG PHÁP THỬ- PHẦN 3: THÉP DỰ ỨNG LỰC
Steel for the reinforcement and prestressing of concrete – Test methods – Part 3: Prestressing steel
1 Phạm vi áp dụng
Tiêu chuẩn này quy định các phương pháp thử dùng cho phép ứng lực (thanh, dây hoặc cáp).
2 Tài liệu viện dẫn
Các tài liệu dưới đây là cần thiết đối với việc áp dụng tiêu chuẩn này. Đối với tài liệu ghi năm công bố, áp dụng phiên bản được nêu. Đối với tài liệu không có năm công bố, áp dụng phiên bản mới nhất (kể cả các sửa đổi).
TCVN 197:2002 (ISO 6892:1998), Vật liệu kim loại – Thử kéo ở nhiệt độ phòng.
TCVN 198:2008 (ISO 7438:1985), Vật liệu kim loại – Thử uốn.
TCVN 257-1:2007 (ISO 6508-1:2005), Vật liệu kim loại – Thử độ cứng Rockwell – Phần 1: Phương pháp thử.
TCVN 1826:2006 (ISO 7801:1984) Vật liệu kim loại – Dây – Thử bẻ gập hai chiều
ISO 4287:1997, Geometrical Product Specification (GPS) – Surface texture: Profile method – Term, definitions and surface texture parameters. (Đặc điểm sản phẩm hình – Cấu tạo bề mặt: Phương pháp tạo hình – Thuật ngữ, định nghĩa và các đặc trưng cấu tạo bề mặt).
ISO 4965:1979, Axial load fatigue testing machines – Dynamic force calibration – Strain gauge technique. (Máy thử mỏi tải trọng chiều trục – Hiệu chuẩn lực động – Kỹ thuật đo ứng suất).
ISO 7500-1:1999, Metallic materials – Verification of static uniaxial testing machines – Part 1: Tension/compression testing machines – Verification and calibration of the force-measuring system. (Vật liệu kim loại – Kiểm định các máy thử đồng trục tĩnh – Phần 1: Máy thử kéo/nén – Kiểm định và hiệu chuẩn hệ thống đo lực)
ISO 9513:1999, Metallic materials – Calibration of extensometers used in uniaxial testing. (Vật liệu kim loại – Hiệu chuẩn các giãn kế được sử dụng trong phép thử một trục)
ISO/TR 9769:1991, Steel and iron – Review of available methods of analysis (Thép và gang – Tổng quan các phương pháp phân tích hiện có).
3 Ký hiệu
Bảng 1 – Ký hiệu
|
Ký hiệu |
Đơn vị |
Ý nghĩa |
Điều |
|
am |
mm |
Chiều cao gân tại điểm giữa |
13.3; 14.2 |
|
amax |
Mm |
Chiều cao gân lớn nhất hoặc chiều sâu lõm lớn nhất |
13.3 |
|
as,i |
Mm |
Chiều cao trung bình của phần thứ i khi chia một gân thành n phần trên chiều dài Dl |
14.2 |
|
A1/4 |
Mm |
Chiều cao gân tại vị trí một phần tư |
13.3; 14.2 |
|
A3/4 |
Mm |
Chiều cao gân tại vị trí ba phần tư |
13.3; 14.2 |
|
Agt |
% |
Độ giãn dài phần trăm tổng cộng tại lực lớn nhất |
5 |
|
c |
Mm |
Bước gân hoặc bước lõm |
13.3 |
|
C |
Mm |
Độ rộng rãnh tại đường kính danh nghĩa của gối uốn dùng trong thử kéo lệch phương, da |
11.3.4 |
|
d |
Mm |
Đường kính danh nghĩa của thanh, dây hoặc bó cáp |
9.2; 9.4.6; 10.3.4 |
|
da |
Mm |
Đường kính danh nghĩa của gối uốn dùng trong thử kéo lệch phương. |
11.3.4 |
|
db |
mm |
Đường kính xác định bởi hai hình trụ chuẩn đặt trong rãnh của gối uốn dùng trong thử kéo lệch phương |
11.3.4 |
|
de |
mm |
Đường kính hình trụ chuẩn dùng trong thử kéo lệch phương |
11.3.4 |
|
di |
mm |
Đường kính trong cùng của rãnh trên gối uốn dùng trong thử kéo lệch phương |
11.3.4 |
|
D |
% |
Giá trị trung bình của hệ số suy giảm lực lớn nhất khi kéo thử kéo lệch phương |
11.2; 11.4 |
|
Dc |
mm |
Đường kính trong của khoang chứa trong phép thử ăn mòn có ứng suất |
10.3.4 |
|
Di |
% |
Độ giãn phần trăm của lực lớn nhất cho từng sợi trong thử kéo lệch phương |
11.4 |
|
e |
mm |
Khe hở trung bình giữa hai hàng gân hoặc hai hàng lõm |
13.3.1.4, 13.3.2.4 |
|
E |
MPa |
Mô đun đàn hồi |
5.3 |
|
F |
Hz |
Tần số gia tải khi thử mỏi dọc trục |
9.1; 9.4.2 |
|
fR |
– |
Diện tích gân tương đối |
14 |
|
Fa, i |
N |
Lực phá hủy từng sợi trong thử kéo lệch phương |
11.4 |
|
Fm |
N |
Lực kéo lớn nhất |
5.3 |
|
Fm, m |
N |
Giá trị lực kéo lớn nhất |
8.2; 10.2; 11.2 |
|
Fp0,1 |
N |
Lực chảy 0,1% |
5.3 |
|
Fp0,2 |
N |
Lực chảy 0,2% |
5.3 |
|
Fr |
N |
Phạm vi lực trong thử mỏi dọc trục |
9.1; 9.3; 9.4.2 |
|
Frt |
N |
Giá trị lực còn trong mẫu thử tại thời điểm t trong thử chùng |
8.1 |
|
DFrt |
N |
Giá trị lực đã suy giảm của mẫu thử tại thời điểm t trong thử chùng |
8.1 |
|
FR |
mm2 |
Diện tích mặt cắt dọc của gân |
14.2 |
|
Fup |
N |
Lực cận trên trong thử mỏi dọc trục |
9.1;9.3;9.4.2 |
|
Fo |
N |
Lực ban đầu trong thử chùng ứng suất đẳng nhiệt và thử ăn mòn có ứng suất |
8.1;8.3;8.4;10.4.2 |
|
G |
mm |
Chiều sâu rãnh trên gối uốn dùng trong thử kéo lệch phương |
11.3.4 |
|
hb |
mm |
Độ vồng trong mặt phẳng cong |
13.3.4 |
|
Lt |
mm |
Chiều dài mẫu thử trong thử ăn mòn có ứng suất |
10.2 |
|
Lo |
mm |
Chiều dài tính toán (khi không có lực tác dụng) trong thử chùng ứng suất đẳng nhiệt Chiều dài tiếp xúc dung dịch của mẫu thử trong thử ăn mòn có ứng suất |
8.1; 8.3;8.4; 10.2; 10.3.4; 10.4.5 |
|
DLo |
mm |
Độ giãn của chiều dài tính toán Lo dưới tác dụng của lực Fo trong thử chùng ứng suất đẳng nhiệt. |
8.1;8.3;8.4; |
|
L1 |
mm |
Chiều dài bên bị động trong thử kéo lệch phương |
11.3.2 |
|
L2 |
mm |
Chiều dài bên chủ động trong thử kéo lệch phương |
11.3.2 |
|
P |
mm |
Bước xoắn của tao. |
13.3.3 |
|
R |
mm |
Bán kính tại gốc của gối uốn dùng trong thử kéo lệch phương |
11.3.4 |
|
Ra |
μm |
Độ nhám bề mặt của gối uốn dùng trong thử kéo lệch phương |
11.3.4 |
|
Sn |
mm2 |
Diện tích mặt cắt ngang danh nghĩa của mẫu thử |
5.3.2 |
|
ta |
h |
Thời gian thỏa thuận tối đa khi thử ăn mòn có ứng suất |
10.4.5 |
|
tf,i |
h |
Thời gian chịu lực của từng sợi trong thử ăn mòn có ứng suất |
10.4.5 |
|
tf,m |
h |
Thời gian chịu lực trung bình trong thử ăn mòn có ứng suất |
10.4.6 |
|
to |
s |
Thời điểm bắt đầu trong thử chùng ứng suất đẳng nhiệt và thử ăn mòn có ứng suất |
8.4.2;10.4 |
|
Vo |
mm3 |
Thể tích chứa dung dịch thử của khoang chứa trong thử ăn mòn có ứng suất |
10.4.3 |
|
α |
độ |
Góc lệch phương trong thử kéo lệch phương |
11.3.2 |
|
β |
độ |
Góc nghiêng của gân hoặc lõm với trục của thanh hoặc dây |
13.3 |
|
ρ |
% |
Độ chùng |
8.4.8 |
|
Σe1 |
mm |
Phần chu vi không chứa gân hoặc lõm |
13.3.1.4;13.3.2.4;14.2 |
|
CHÚ THÍCH: 1 MPa = 1 N/mm2 |
|||
4 Qui định chung về mẫu thử
Nếu không có thỏa thuận khác, mẫu thử sẽ được lấy từ các sản phẩm hoàn thiện trước khi đóng gói.
Nếu phải lấy mẫu từ các sản phẩm đã đóng gói (Ví dụ: cuộn hoặc bó) thì phải hết sức lưu ý tránh gây ra biến dạng dẻo dẫn tới thay đổi các tính chất của mẫu thử.
CHÚ THÍCH: Các điều khoản bổ sung cho mẫu thử có thể xuất hiện trong các mục riêng nếu có.
5 Thử kéo
5.1 Mẫu thử
Mẫu thử phải tuân theo các qui định chung trong điều 4.
5.2 Thiết bị thử
Thiết bị thử phải được kiểm tra và hiệu chuẩn theo ISO 7500-1 và có cấp chính xác tối thiểu là cấp 1.
Khi dùng giãn kế để xác định Fp0,1 hoặc Fp0,2 thì giãn kế phải đạt độ chính xác cấp 1 (xem ISO 9513), nếu dùng để xác định Agt thì phải đạt độ chính xác cấp 2 (xem ISO 9513).
Phải sử dụng các bộ gá kẹp mẫu thích hợp để tránh trường hợp vị trí đứt nằm trong hoặc quá gần vị trí kẹp.
5.3 Qui trình thử
5.3.1 Qui trình chung
Thử kéo phải được tiến hành theo TCVN 197:2002.
Phải sử dụng giãn kế để xác định các giá trị mô đun đàn hồi (E), các lực chảy 0,1% Fp0,1 và 0,2% Fp0,2 và độ giãn phần trăm tổng cộng tại lực lớn nhất (Agt). Chiều dài tính toán của giãn kế lấy theo các tiêu chuẩn sản phẩm tương ứng.
CHÚ THÍCH 1: Chỉ có thể xác định được giá trị Agt chính xác khi có sử dụng giãn kế. Nếu trong quá trình kéo không cho phép để giãn kế trên mẫu cho đến lúc đứt mẫu, khi đó độ giãn có thể được tính như sau:
– tiếp tục gia tải cho tới khi giãn kế đạt được độ giãn lớn hơn độ giãn ứng với Fp0,2, khi đó ta tháo bỏ giãn kế đồng thời ghi lại giá trị khoảng cách giữa các đầu kẹp của máy thử. Tiếp tục gia tải cho đến khi mẫu phá hủy. Ghi lại giá trị khoảng cách cuối cùng giữa các đầu kẹp;
– chênh lệch giữa hai giá trị khoảng cách đầu kẹp sẽ được tính thành phần trăm giãn dài của khoảng cách ban đầu giữa hai đầu kẹp và sẽ được cộng vào giá trị độ giãn đo được bằng giãn kế.
Đối với thanh và sợi, cho phép xác định Agt bằng cách vạch các điểm dấu trên toàn bộ chiều dài phần tự do của mẫu thử (xem Phụ lục H, TCVN 197:2002). Khoảng cách giữa các điểm dấu có thể là 20 mm, 10 mm hoặc 5 mm tùy theo đường kính thanh hoặc sợi.
CHÚ THÍCH 2: Nên tác dụng lên mẫu thử một lực sơ bộ bằng khoảng 0,1 lần giá trị lực kéo lớn nhất dự kiến trước khi lắp đặt giãn kế.
Nếu không thể xác định được hoàn toàn Agt bằng giãn kế thì phải mô tả lại trong báo cáo.
Các chỉ tiêu kéo như Fp0,1, Fp0,2, Fm phải được xác định theo các đơn vị lực.
Trong trường hợp vị trí đứt mẫu cách các đầu kẹp trong phạm vi 3 mm, phép thử về nguyên tắc sẽ được coi là không hợp lệ và được phép tiến hành thử lại. Tuy nhiên nếu tất cả các chỉ tiêu cần xác định đều bằng hoặc lớn hơn các giá trị qui định tương ứng thì các kết quả thử vẫn được phép sử dụng.
5.3.2 Xác định mô đun đàn hồi
Mô đun đàn hồi (E) được xác định dựa trên độ dốc phần tuyến tính của biểu đồ lực kéo – độ giãn trong phạm vi từ 0,2 Fm đến 0,7 Fm chia cho diện tích mặt cắt ngang danh nghĩa của mẫu thử (Sn).
Có thể tính toán độ dốc bằng cách hồi qui tuyến tính các dữ liệu thí nghiệm hoặc sử dụng kỹ thuật so sánh trực quan bằng mắt trên từng phần của đường cong.
CHÚ THÍCH: Trong một số trường hợp, như với thanh qua cán nóng và kéo nguội, phương pháp nêu trên không thể thực hiện được. Khi đó có thể phải sử dụng mô đun cát tuyến giữa mức 0,05 Fm và 0,7 Fm.
Ngoài các điều khoản trong 5.3.1, phải đảm bảo rằng tốc độ tăng ứng suất được giữ không đổi trong suốt toàn bộ phạm vi lực dùng để đo mô đun đàn hồi.
6 Thử uốn
6.1 Mẫu thử
Mẫu thử phải tuân theo các qui định chung trong điều 4.
6.2 Thiết bị thử
6.2.1 Sử dụng thiết bị thử uốn có nguyên lý như mô tả trên Hình 1.
CHÚ THÍCH: Trên hình 1 biểu diễn gối uốn và trục đỡ xoay còn trục dẫn thì không xoay. Tuy nhiên cũng có thể bố trí trục dẫn xoay còn gối uốn và trục đỡ không xoay.

CHÚ DẪN:
1 Gối uốn
2 Trục đỡ
3 Trục dẫn
Hình 1 – Nguyên lý của thiết bị thử uốn
6.2.2 Phép thử uốn cũng có thể được tiến hành trên thiết bị có một gối uốn và nhiều trục đỡ (xem 4.1, ISO 7438:1985).
6.3 Quy trình thử
Phép thử uốn được tiến hành trong khoảng nhiệt độ từ 100C đến 350C. Mẫu thử phải được uốn quanh gối uốn.
CHÚ THÍCH: Tốc độ uốn nên giữ ở khoảng 600/s.
Góc uốn và đường kính gối uốn phải tuân theo các tiêu chuẩn sản phẩm tương ứng.
6.4 Đánh giá kết quả thử
Việc đánh giá kết quả thử uốn phải tuân theo các tiêu chuẩn sản phẩm tương ứng.
Trong trường hợp không có các yêu cầu cụ thể, phép thử được coi như đạt yêu cầu nếu trên mẫu thử không xuất hiện các vết nứt có thể nhìn thấy bằng mắt thường.
7 Thử bẻ gập
7.1 Mẫu thử
Ngoài các qui định chung trong điều 4, mẫu thử còn phải phù hợp với điều 5 của TCVN 1826:2006.
7.2 Thiết bị thử
Thiết bị thử phải phù hợp với điều 4 của TCVN 1826:2006.
7.3 Qui trình thử
Phép thử uốn ngược sẽ được tiến hành theo TCVN 1826:2006.
8 Thử chùng ứng suất đẳng nhiệt
8.1 Nguyên lý của phép thử
Phép thử chùng ứng suất đẳng nhiệt nhằm mục đích đo sự thay đổi về lực kéo trong một mẫu thử (thường được giữ ở nhiệt độ 200C nếu không có qui định khác) được giữ căng tại một chiều dài không đổi (Lo + DLo), sau khi đã được tác dụng một lực bắt đầu (Fo) (xem Hình 2).
Lượng suy giảm lực kéo sẽ được biểu diễn dưới dạng tỉ lệ phần trăm của lực bắt đầu trong một khoảng thời gian cho trước.

Hình 2 – Nguyên lý phép thử chùng ứng suất đẳng nhiệt
8.2 Mẫu thử
Mẫu thử phải tuân theo các qui định chung của điều 4.
Mẫu thử dùng cho phép thử chùng phải được giữ thật thẳng. Trên suốt chiều dài phần tự do của mẫu thử giữa các đầu kẹp không được phép có bất kỳ một biến dạng cơ học hay xử lý gì khác.
Lấy hai mẫu thử khác liền kề mẫu thử chùng (trong cùng một cuộn hoặc một cây) để xác định giá trị lực kéo lớn nhất trung bình (Fm,m) trong trường hợp lực bắt đầu Fo được lấy theo tỷ lệ phần trăm của Fm,m (Ví dụ: bằng 70% Fm,m).
8.3 Thiết bị thử
8.3.1 Khung gia tải
Khung gia tải không được phép có bất kỳ một biến dạng nào gây ảnh hưởng đến kết quả thử.
8.3.2 Thiết bị đo lực
Lực kéo sẽ được đo bằng phiến đo lực lắp đồng trục hoặc bằng thiết bị khác thích hợp (Ví dụ: hệ thống gia tải bằng đòn bẩy).
Phiến đo lực phải được hiệu chuẩn theo ISO 7500-1:1999 và phải có độ chính xác ± 1% nếu đo lực nhỏ hơn hoặc bằng 1 000 kN và ± 2% nếu đo lực lớn hơn 1 000 kN.
Bất kỳ thiết bị đo lực nào khác nếu sử dụng sẽ đều phải có độ chính xác tương đương độ chính xác của phiến đo lực.
Độ phân giải đầu ra của thiết bị đo lực phải đạt mức 5.10-4 Fo hoặc cao hơn.
8.3.3 Thiết bị đo chiều dài (giãn kế)
Khoảng kẹp (Lo) không nhỏ hơn 200 mm. Đặc biệt, khi thử dạng tao nhiều sợi, nên sử dụng loại giãn kế có khoảng kẹp 1000 mm hoặc bằng bội số của chiều dài bước xoắn nếu đo chiều dài thực (Lo + DLo) trên cùng một sợi của tao. Giãn kế phải có độ chính xác tối thiểu ± 1% và độ phân giải đầu ra không thấp hơn 5.10-5 Lo.
8.3.4 Cơ cấu kẹp
Cơ cấu kẹp phải được thiết kế để đảm bảo hạn chế đến mức thấp nhất khả năng trượt và xoay mẫu trong suốt quá trình thử.
8.3.5 Cơ cấu gia tải
Cơ cấu gia tải phải cho phép tăng tải tác dụng lên mẫu thử một cách từ từ. Cơ cấu này phải được thiết kế sao cho có thể duy trì được chiều dài (Lo + DLo) không vượt quá các giới hạn trong 8.4.5 trong suốt toàn bộ thời gian thử, kể cả khi xảy ra sự giảm lực.
8.4 Qui trình thử
8.4.1 Các qui định về mẫu thử
Mẫu thử phải được giữ tối thiểu 24 h trong phòng thử trước khi đem thử.
Mẫu thử sẽ được kẹp chặt bằng cơ cấu kẹp của thiết bị thử để tránh bị trượt trong lúc gia tải và trong toàn bộ thời gian thử.
8.4.2 Tác dụng lực
Việc tác dụng lực luôn luôn được tiến hành một cách từ từ, tránh thay đổi đột ngột.
Quá trình gia tải cho tới 20% của lực bắt đầu Fo có thể được tiến hành tùy ý. Giai đoạn gia tải lên mẫu thử từ 20% đến 80% của Fo phải được tiến hành liên tục hoặc chia thành ít nhất là 3 bước với tốc độ gia tải không đổi và phải được kết thúc trong vòng 6 min. Việc gia tải trong khoảng từ 80% đến 100% của Fo phải được tiến hành liên tục và phải kết thúc trong vòng 2 min kể từ khi đã đạt được 80% của Fo.
Sau khi đã đạt được lực bắt đầu Fo, tiến hành giữ lực không đổi trong thời gian 2 min. Ngay sau khi kết thúc 2 min giữ lực ở Fo, thời điểm to bắt đầu được tính và ghi lại. Sau thời điểm này chỉ được phép điều chỉnh để duy trì sao cho Lo + DLo được giữ không đổi.
Trên Hình 3 biểu diễn sơ đồ gia tải.

Hình 3 – Sơ đồ gia tải khi thử chùng
8.4.3 Lực bắt đầu
Lực bắt đầu được qui định trong các tiêu chuẩn sản phẩm tương ứng. Giá trị đo thực tế của lực bắt đầu phải nằm trong phạm vi dung sai cho phép qui định trong Bảng 2.
Bảng 2 – Dung sai của Fo
|
Giá trị của Fo |
Dung sai của Fo |
|
Fo £ 1000 kN |
± 1% |
|
Fo > 1000 kN |
± 2% |
8.4.4 Lực kéo trong thời gian thử
Trong toàn bộ thời gian thử, lực kéo không được vượt quá giá trị lực ban đầu lớn hơn dung sai trong Bảng 2.
8.4.5 Duy trì độ giãn
Độ giãn sinh ra do lực bắt đầu Fo tại thời điểm to phải được đo bằng các loại giãn kế cơ học, quang học hoặc điện tử với độ chính xác như đã được mô tả trong 8.3.3 ứng với khoảng kẹp ban đầu Lo chọn trước. Mức độ thay đổi của tỷ số DLo/Lo không được vượt quá 5.10-6 trong một lần đo và không vượt quá 5.10-5 giữa hai lần đo liên tiếp.
8.4.6 Nhiệt độ thử
Nhiệt độ phòng thử và nhiệt độ mẫu thử phải được duy trì trong khoảng (20±2)0C.
8.4.7 Tần suất đọc lực
Kể từ sau khi bắt đầu phép thử, độ giảm lực phải được ghi lại liên tục với khoảng cách giữa các lần đọc lực theo các giá trị trong Bảng 3. Sau đó, lực sẽ tiếp tục được đọc ít nhất 1 tuần 1 lần.
Bảng 3 – Thời gian đọc lực chuẩn
|
Phút |
1 |
2 |
4 |
8 |
15 |
30 |
60 |
|
Giờ |
2 |
4 |
6 |
24 |
48 |
96 |
120 |
8.4.8 Thời gian thử
Thời gian thử phải ³ 120 h.
CHÚ THÍCH 1: Thời gian thử thông thường là 120 h hoặc 1000h.
CHÚ THÍCH 2: Giá trị độ chùng ứng suất tại 1000 h (hoặc hơn) có thể được ngoại suy từ các phép thử với thời gian không dưới 120h mà có thể đảm bảo rằng kết quả ngoại suy 1000h (hoặc hơn) là tương đương với kết quả 1000h (hoặc hơn) thực sự. Khi đó, trong báo cáo sẽ phải mô tả cụ thể phương pháp ngoại suy.
Phương pháp ngoại suy hiện đang sử dụng dựa trên công thức: logρ = A logt + B
Trong đó ρ là độ chùng tính bằng % và t là thời gian tính bằng giờ.
9 Thử mỏi dọc trục
9.1 Nguyên lý thử
Phép thử mỏi dọc trục là quá trình tác dụng lên mẫu thử một lực kéo dọc trục, lực kéo này có giá trị thay đổi theo chu kỳ dưới dạng hình sin với tần số không đổi f trong giới hạn đàn hồi của vật liệu (xem Hình 4). Phép thử được tiến hành cho đến khi mẫu thử bị phá hủy hoặc khi mẫu chưa phá hủy nhưng đã đạt tới một giá trị chu kỳ gia tải cho trước trong các tiêu chuẩn sản phẩm tương ứng.

Hình 4 – Biểu đồ chu kỳ gia tải
9.2 Mẫu thử
Mẫu thử phải tuân theo các qui định chung trong Điều 4.
Chiều dài phần tự do phải tuân theo Bảng 4.
Bảng 4 – Chiều dài phần tự do của mẫu thử
|
Thanh và sợi |
140 mm hoặc 14d, tùy theo giá trị nào lớn hơn |
|
Cáp |
500 mm hoặc 2 lần bước xoắn, tùy theo giá trị nào lớn hơn |
Phần tự do của mẫu thử nằm giữa các ngàm kẹp không được phép xử lý dưới bất kỳ hình thức nào.
9.3 Thiết bị thử
Máy thử mỏi phải được hiệu chuẩn theo ISO 4965. Độ chính xác phải đạt ít nhất ±1%. Máy thử phải có khả năng duy trì giá trị lực cận trên (Fup) trong phạm vi ± 2% của giá trị lực qui định và giữ được phạm vi lực (Fr) trong phạm vi ± 4% giá trị qui định.
9.4 Qui trình thử
9.4.1 Các qui định về mẫu thử
Mẫu thử phải được kẹp lên máy thử sao cho lực tác dụng lên mẫu theo phương dọc trục và không được phép xuất hiện momen uốn dọc theo mẫu thử. Đối với mẫu dạng tao, chủ yếu là đảm bảo sao cho tất cả các sợi của tao cùng được kẹp chặt như nhau và lực kéo được phân bố đồng đều.
9.4.2 Độ ổn định lực và tần số gia tải
Phép thử phải được tiến hành trong điều kiện ổn định về lực cận trên (Fup), phạm vi lực (Fr) và tần số gia tải (f). Không được phép có bất kỳ một gián đoạn nào về chu kỳ gia tải trong suốt toàn bộ thời gian thử. Tuy nhiên, vẫn cho phép tiến hành tiếp tục trở lại một phép thử đã bị gián đoạn đột ngột. Mọi gián đoạn trong quá trình thử đều phải đưa vào trong báo cáo thử.
9.4.3 Đếm chu kỳ gia tải
Số lượng các chu kỳ gia tải sẽ được đếm toàn bộ kể từ chu kỳ gia tải đầy đủ đầu tiên.
9.4.4 Tần số gia tải
Tần số của các chu kỳ gia tải phải được giữ ổn định trong suốt phép thử và được giữ nguyên trong một loạt phép thử. Tần số gia tải không được vượt quá:
a) 120 Hz đối với thanh và sợi;
b) 20 Hz đối với bó cáp.
9.4.5 Nhiệt độ thử
Nhiệt độ của mẫu thử không được vượt quá 400C trong suốt thời gian thử. Nếu không có qui định gì khác, nhiệt độ của phòng thử nghiệm phải được duy trì giữa 100C và 350C. Trong trường hợp phép thử được tiến hành trong điều kiện khống chế, nhiệt độ của phòng thử nghiệm sẽ là (23±5)0C.
9.4.6 Kết thúc thử
Phép thử sẽ kết thúc trong trường hợp mẫu thử bị phá hủy (bị đứt từ một sợi trở lên nếu là bó cáp) hoặc khi đã đạt được số chu kỳ yêu cầu mà mẫu chưa bị phá hủy.
9.4.7 Tính hợp lệ của phép thử
Nếu mẫu thử bị phá hủy bên trong phần kẹp mẫu hoặc trong phạm vi 2d kể từ vị trí kẹp hay phá hủy phát sinh từ một điểm đặc biệt của mẫu thử thì phép thử sẽ bị coi là không hợp lệ.
10 Thử ăn mòn có ứng suất trong dung dịch thiocyanate
10.1 Nguyên lý thử
Phép thử nhằm xác định thời gian cho tới khi phá hủy của một mẫu thử chịu tác dụng một lực kéo không đổi, được ngâm trong dung dịch thiocyanate (xem 10.3.5) tại một nhiệt độ không đổi cho trước.
10.2 Mẫu và mẫu thử
Một mẫu tuân theo các yêu cầu chung trong điều 4 bao gồm không dưới 6 mẫu để thử ăn mòn có ứng suất và 2 mẫu để xác định Fm,m bằng thử kéo đơn trục trong trường hợp lực ban đầu Fo được tính theo phần trăm của Fm,m, ví dụ: 80% Fm,m.
Chiều dài của mẫu thử Lt phải đủ để hạn chế ảnh hưởng do uốn tại các đầu neo và nên bằng 2 lần chiều dài Lo.
10.3 Thiết bị thử
10.3.1 Khung gia tải
Phải sử dụng khung gia tải dạng cứng. Tải trọng được tác dụng bằng một cơ cấu đòn bảy hoặc một thiết bị cơ khí hay thủy lực trên một khung kín theo phương ngang hoặc phương đứng.
10.3.2 Thiết bị đo lực
Thiết bị đo lực phải có độ chính xác tối thiểu ±2% và phải được hiệu chuẩn theo ISO 7500-1.
10.3.3 Thiết bị đo thời gian
Thời gian sẽ được đo với độ phân giải tối thiểu là 0,01 h. Thiết bị đo thời gian phải được kết hợp với một bộ điều khiển tự động để có thể dừng và giữ nguyên hoặc ghi lại thời điểm phá hủy mẫu với độ chính xác không thấp hơn ±0,1h. Trong trường hợp không ghi được tự động, thời gian cho đến lúc phá hủy sẽ là giá trị thời gian ghi lại được cuối cùng trước khi mẫu phá hủy.
10.3.4 Khoang chứa dung dịch thử
Khoang chứa dung dịch thử nên có dạng hình trụ và được làm kín ở hai đầu. Đường kính trong của khoang Dc được tính theo công thức sau:
Dc ³
(các kích thước tính bằng milimét)
Trong Bảng 5 đưa ra một số giá trị đường kính trong nên sử dụng
Bảng 5 – Đường kính trong Dc của khoang thử nên dùng
Kích thước tính bằng milimét
|
Đường kính mẫu thử, d |
Giá trị Dc nên dùng |
|
d £ 19 |
tối thiểu 70 |
|
19 < d=””>£ 50 |
tối thiểu 100 |
Chiều dài khoang thử phải đủ cho chiều dài thử Lo tối thiểu là 200 mm.
Vật liệu chế tạo khoang thử phải có khả năng chịu được dung dịch thử ở nhiệt độ 500C.
Khoang thử phải được đóng kín trong suốt quá trình thử và không được phép có khí xâm nhập.
10.3.5 Dung dịch thử
Sử dụng một trong hai dung dịch thử như dưới đây, tương ứng với hai mức nồng độ thiocyanate cao và thấp:
- dung dịch A: dung dịch nước ammonium thiocyanate, có được bằng cách hòa tan 200 g NH4SCN vào trong 800 ml nước cất hoặc nước đã khử khoáng. Chất lượng của ammonium thiocyanate phải đạt cấp phân tích với hàm lượng NH4SCN không nhỏ hơn 99% và lượng ion Cl– không lớn hơn 0,005%, lượng ion SO42- không lớn hơn 0,005% và ion S2- không lớn hơn 0,001%.
– dung dịch B: dung dịch nước kali sunphat (K2SO4), kali clorua (KCl) và kali thiocyanate (KSCN) hòa tan trong nước cất hoặc nước khử khoáng. Dung dịch thử B sẽ có chứa 5 g SO42-, 0,5 g Cl– và 10 g SCN–.
Độ dẫn điện của nước dùng để chuẩn bị các dung dịch A và B không được vượt quá 20μS/cm.
CHÚ THÍCH: Phải chú ý là hai dung dịch này sẽ cho các kết quả thử khác nhau và không thể so sánh với nhau.
10.4 Qui trình thử
10.4.1 Qui định chung về mẫu thử
Mẫu thử được lau sạch bằng vải mềm và khử dầu mỡ, ví dụ: bằng axê tôn (CH3COCH3) và sấy khô trong không khí.
Mẫu thử sẽ được phủ một lớp chống ăn mòn từ vị trí bắt đầu đi vào trong khoang thử và sâu vào phía trong của khoang tối thiểu là 50mm. Chiều dài thử (Lo) là chiều dài của mẫu thử tiếp xúc với dung dịch.
10.4.2 Gia tải và duy trì lực kéo
Mẫu thử được đặt vào máy kéo và lắp khoảng thử lên mẫu thử. Lực kéo được tác dụng lên mẫu cho đến khi đạt được giá trị Fo.
Giá trị lực chỉ thị ứng với Fo sẽ được giữ trong phạm vi ± 2% trong suốt thời gian thử
Giá trị lực Fo được ghi lại ở thời điểm to và sẽ được kiểm tra sau những khoảng thời gian thích hợp trong suốt quá trình thử và điều chỉnh nếu cần.
10.4.3 Điền dung dịch vào khoang thử
Sau khi hoàn tất việc gia tải, khoang thử sẽ được làm kính để tránh rò rỉ. Một lượng dung dịch thử có thể tích Vo, được gia nhiệt lên đến nhiệt độ trong khoảng từ 500C đến 550C sẽ được điền đầy vào trong khoang thử. Dung dịch này phải được thay mới sau mỗi lần thử. Thể tích Vo phải đủ để có không ít hơn 5 mm cho mỗi cm2 bề mặt mẫu thử dọc theo suốt chiều dài Lo. Việc điền dung dịch vào khoang thử sẽ được tiến hành trong vòng 1 min. Sau đó, thiết bị đo thời gian sẽ được thiết lập ở thời điểm bắt đầu to.
Không được phép khuấy trộn dung dịch trong quá trình thử.
10.4.4 Nhiệt độ trong khi thử
Trong khoảng thời gian từ to đến (to + 5) min, nhiệt độ của dung dịch thử sẽ được điều chỉnh đến (50±1)0C đối với sợi hoặc bó cáp và (50±2)0C đối với thanh và sẽ được duy trì trong suốt thời gian thử.
10.4.5 Kết thúc thử
Phép thử được coi như kết thúc khi mẫu bị phá hủy hoặc là đã đạt đến thời gian qui định ta.
Đối với bó cáp, phép thử được coi như kết thúc khi mẫu thử có ít nhất một sợi bị phá hủy. Nếu vị trí đứt của mẫu thử nằm ngoài chiều dài thử Lo thì phép thử được coi như không hợp lệ.
Thời gian cho tới khi phá hủy mẫu tf,i sẽ được đo và ghi lại với độ chính xác đến 0,1h. Nếu mẫu chưa bị phá hủy sau thời gian ta, kết quả thử sẽ được ghi lại là tf,i > ta.
10.4.6 Xác định tuổi thọ trung bình cho đến khi phá hủy (tf,m)
Khi đã thử hết một loạt mẫu thử, các giá trị tf,i sẽ được sắp xếp theo giá trị thời gian. Giá trị trung bình (tf,m) chính là giá trị ở vị trí giữa của chuỗi sắp xếp này hoặc là giá trị trung bình số học của hai giá trị giữa trong trường hợp số phép thử là số chẵn.
11 Thử kéo lệch phương
11.1 Nguyên lý thử
Phép thử này nhằm mục đích xác định hệ số suy giảm lực kéo lớn nhất khi kéo đồng trục do bị lệch một góc 200 quanh một gối uốn qui định trước đối với năm mẫu thử lấy từ mẫu cáp có đường kính danh nghĩa bằng hoặc lớn hơn 12,5 mm.
11.2 Mẫu và mẫu thử
Một mẫu tuân theo các yêu cầu chung trong điều 4 sẽ phải đủ chiều dài để lấy được ít nhất 12 mẫu thử.
Một trong hai mẫu lấy ở hai đầu của mẫu sẽ được thử kéo đồng trục để xác định Fm,m.
Phần còn lại của mẫu sẽ được cắt thành ít nhất 10 mẫu thử cho thử kéo lệch phương.
CHÚ THÍCH: Chỉ cần 5 kết quả thử hợp lệ là đủ để tính gái trị -D (xem 11.4) nhưng vẫn nên lấy ít nhất 10 mẫu vì có thể sẽ xảy ra các phép thử có kết quả không hợp lệ.
Chiều dài của mỗi mẫu thử phải thỏa mãn cho phép thử và các thiết bị kẹp.
Các mẫu thử không được phép qua bất kỳ một sự chuẩn bị hay xử lý nào khác sau khi cắt.
11.3 Thiết bị thử
11.3.1 Mô tả chung
Máy thử phải có một khung cứng và phải thỏa mãn mọi yêu cầu từ 11.3.2 đến 11.3.5. Máy thử sẽ phải có một đầu neo thụ động cố định, một đầu neo chủ động di chuyển trên đó có gắn thiết bị đo lực, một cơ cấu gia tải và một gối uốn có rãnh cố định với kích thước theo qui định.
11.3.2 Kích thước
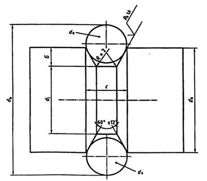
Kích thước của thiết bị thử thể hiện trên Hình 5 sẽ phải như sau:
– L1: (700 ± 50) mm;
– L2: ³ 750 mm;
– α: 200 ± 0,50.
Trục quay của gối uốn phải vuông góc với mặt phẳng tạo bởi hai nhánh neo bị động, chủ động và tâm của gối uốn.

CHÚ DẪN:
1 Đầu chủ động
2 Đầu bị động
3 Gối uốn giữa
4 Neo giữ
Hình 5 – Các kích thước chính của thiết bị thử kéo lệch phương
11.3.3 Neo
Trục dọc của cả hai đầu mẫu thử phải vuông góc với mặt phẳng đế neo. Các sai lệch về vị trí hình học sẽ dẫn tới các kết quả thử không chính xác.
Neo phải thỏa mãn các yêu cầu sau:
– khi kéo đồng trục dùng bộ neo, các kết quả thử phải đạt tối thiểu là 95% giá trị lực kéo khi thực hiện kéo đồng trục theo điều 5;
– chuyển vị tương đối dọc trục của sợi lõi so với các sợi ngoài của bó cáp không được lớn hơn 0,5 mm khi đạt tới 90% giá trị lực kéo khi thử kéo đồng trục;
– chuyển vị của neo trong đế neo phải nhỏ hơn giá trị trong Bảng 6.
– tiếp xúc giữa phần côn của đế neo với neo phải chặt trong suốt quá trình thử;
– phần răng của neo phải có chiều dài tối thiểu từ 2,5 đến 3 lần đường kính bó cáp.
Bảng 6 – Chuyển vị của neo
|
Phần trăm của lực lớn nhất |
Chuyển vị tối đa cho phép a |
|
từ 0% đến phá hủy |
5 mm |
|
từ 50% đến phá hủy |
2,5 mm |
|
a Không tính chuyển vị đóng nêm trước khi kéo |
|
11.3.4 Gối uốn
Gói uốn phải được chế tạo từ thép dụng cụ. Thành phần hóa học, tổ chức tế vi và nhiệt luyện phải đảm bảo cho gối uốn có độ dẻo và khả năng chống mài mòn cao.
Độ cứng bề mặt phải đạt từ 58 HRC đến 62 HRC đo theo tiêu chuẩn TCVN 257-1 (ISO 6508-1).
Bề mặt hoàn thiện của một rãnh gối uốn mới phải có độ nhám Ra không vượt quá 1,6 μm (Ra được định nghĩa trong ISO 4287).
Các kích thước của gối uốn được cho trong Bảng 7 (xem Hình 6).
11.3.5 Cơ cấu gia tải
Cơ cấu gia tải nên sử dụng phiến đo lực và phải được hiệu chuẩn theo ISO 7500-1. Độ chính xác tối thiểu phải đạt ± 1% giá trị hiển thị khi đo lực trong phạm vi ³10% giá trị toàn thang đo.
Tốc độ gia tải phải điều chỉnh được. Tốc độ gia tải phải được kiểm soát trong quá trình thử sao cho khi lực kéo đạt tới 50% lực bền dự kiến thì tốc độ gia tải phải nằm trong khoảng từ 30N/mm2s-1 đến 60 N/mm2s-1 và được duy trì cho tới khi mẫu bị phá hủy.
Bảng 7 – Kích thước của gối uốn
Kích thước tính bằng milimét
|
Kích thước |
Đường kính bó cáp |
||
|
12,5 đến 13,0 |
15 đến 16 |
17 đến 18 |
|
|
Đường kính gối uốn danh nghĩa, da |
40 |
49 |
59 |
|
Góc giữa các sườn vát |
600 ± 12′ |
600 ± 12′ |
600 ± 12′ |
|
Bán kính lượn tại chân rãnh vát, R |
2 ± 0,2 |
2 ± 0,2 |
2 ± 0,2 |
|
Chiều sâu rãnh vát, G |
7,6 |
9,5 |
12 |
|
Chiều rộng rãnh vát, C, tại đường kính danh nghĩa, da. |
14,4 |
17,9 |
21,9 |
|
Đường kính trong của rãnh vát, di |
24,7 ± 0,1 |
29,9 ± 0,1 |
34,9 ± 0,1 |
|
Đường kính khi có 2 hình trụ nằm trong rãnh vát, db |
57,0 ± 0,1 |
72,0 ± 0,1 |
81,0 ± 0,1 |
|
Đường kính hình trụ chuẩn, de |
14 |
18 |
20 |
Gối uốn phải được cố định chắc chắn để không được phép có bất kỳ một chuyển vị tịnh tiến hoặc xoay nào.

Hình 6 – Gối uốn
11.4 Qui trình thử
Bề mặt của rãnh gối uốn phải được làm sạch kỹ trước khi tiến hành thử. Nếu bó cáp bị cong nhẹ, khi đó phải đặt mẫu thử lên rãnh gối uốn sao cho chiều cong cùng hướng với hướng lệch phương trong khi kéo.
Phải kiểm tra lại vị trí của mẫu thử sau khi đã lắp vào trong các đầu neo trước khi bắt đầu tác dụng lực kéo. Trong quá trình gia tải phải kiểm tra độ kẹp chặt của các đầu neo để đảm bảo cho bó cáp không bị trượt đi so với các đầu neo.
Tốc độ gia tải phải phù hợp với 11.3.5.
Phép thử sẽ bị xem là không hợp lệ nếu bó cáp bị đứt từ một sợi trở lên mà vị trí đứt nằm ngoài điểm tiếp xúc với gối uốn.
Giá trị Fa,i của một phép thử hợp lệ sẽ được ghi lại với độ chính xác như đã nêu trong 11.3.5. Giá trị Di tương ứng sẽ được tính từ Fa,i theo công thức sau rồi đưa vào trong báo cáo:
![]()
Giá trị -D sẽ được tính là giá trị trung bình của các giá trị Di:
![]()
12 Phân tích hóa học
Thành phần hóa học sẽ được xác định bằng phương pháp phân tích quang phổ.
Trong trường hợp có tranh cãi về phương pháp phân tích, khi đó thành phần hóa học sẽ được xác định bằng một phương pháp thử trọng tài được qui định bởi một trong các tiêu chuẩn Quốc tế được liệt kê trong ISO/TR 9769:1991.
13 Đo các đặc trưng hình học
13.1 Mẫu thử
Mẫu thử phải tuân theo các yêu cầu chung trong điều 4.
Chiều dài của mẫu thử phải đủ để tiến hành các phép đo theo 13.3.
13.2 Thiết bị thử
Các đặc trưng hình học sẽ được đo bằng một thiết bị có độ phân giải tối thiểu phải đạt:
– 0,01 mm khi đo chiều cao gân (với thanh hoặc dây đã tôi và ram) và độ sâu của rãnh lõm (đối với dây kéo nguội ấn lõm);
– 0,05 mm khi đo khoảng hở giữa hai hàng gân hoặc hai hàng rãnh lõm;
– 0,5 mm khi đo bước gân hoặc bước lõm (xem 13.3.1.3 và 13.3.2.2) hoặc khi đo bước xoắn của bó cáp (xem 13.3.3);
– một độ khi đo góc nghiêng của gân hoặc rãnh lõm và trục dọc của dây hoặc thanh.
13.3 Qui trình thử
13.3.1 Đo gân
13.3.1.1 Chiều cao tại điểm cao nhất (amax)
Chiều cao gân tại điểm cao nhất (amax) được xác định bằng cách đo chiều cao của n (n ³ 5) gân riêng lẻ trong một hàng tại điểm cao nhất của từng gân và tính giá trị trung bình trên tất cả các giá trị thu được
13.3.1.2 Chiều cao gân tại một vị trí cho trước
Chiều cao gân tại một vị trí cho trước (Ví dụ: tại điểm một phần tư, điểm giữa hoặc điểm ba phần tư với các giá trị tương ứng a1/4, am và a3/4) sẽ được xác định bằng cách đo chiều cao của n (n ³ 3) gân riêng lẻ trong một hàng và tính giá trị trung bình trên các kết quả đo được.
13.3.1.3 Bước gân (c)
Bước gân (c) được xác định bằng cách lấy chiều dài của khoảng đo chia cho số bước gân.
Khoảng đo có thể là khoảng cách từ tim của một gân đến tim của một gân khác trên cùng một hàng, đo trên đường thẳng song song với trục dọc của sản phẩm. Chiều dài của khoảng đo phải lớn hơn tối thiểu là 10 bước gân.
13.3.1.4 Phần chu vi không chứa gân (
)
Phần chu vi không chứa gân (
) được xác định bằng tổng các khe hở trung bình e giữa các gân của hai hàng gân kề nhau tính cho từng hàng gân.
Giá trị e được tính dựa trên tối thiểu ba giá trị đo.
13.3.1.5 Góc nghiêng của gân (β)
Góc nghiêng của gân (β) được tính dựa trên giá trị trung bình các giá trị góc nghiêng riêng lẻ đo trên từng hàng gân với cùng một góc.
13.3.2 Đo vết lõm
13.3.2.1 Yêu cầu chung
Các phép đo trên bó cáp có vết lõm sẽ được thực hiện trên từng sợi riêng lẻ của mẫu thử. Trước khi tiến hành đo, các sợi cáp sẽ phải được tách ra khỏi bó và nắn thẳng nhưng không được làm hư hại bề mặt sợi. Các mẫu thử sợi đơn không được nắn thẳng trong quá trình sản xuất cũng sẽ được nắn thẳng mà không được làm hư hại bề mặt sợi.
13.3.2.2 Chiều sâu tại điểm sâu nhất (amax)
Chiều sâu lõm tại điểm sâu nhất (amax) được xác định bằng cách đo chiều sâu của n (n ³ 5) vết lõm riêng lẻ trong một hàng tại điểm sâu nhất và lấy giá trị trung bình của các giá trị đo được.
13.3.2.3 Bước lõm (c)
Bước lõm (c) được xác định bằng cách lấy chiều dài của khoảng đo chia cho số bước lõm.
Khoảng đo có thể là khoảng cách từ tim của một vết lõm đến tim của một vết lõm khác trên cùng một hàng, đo trên đường thẳng song song với trục dọc của sản phẩm. Chiều dài của khoảng đo phải lớn hơn tối thiểu là 10 bước lõm.
13.3.2.4 Phần chu vi không chứa lõm (
)
Phần chu vi không chứa lõm (
) được xác định bằng tổng các khe hở trung bình e giữa các gân của hai hàng lõm kề nhau tính cho từng hàng lõm.
Giá trị e được tính dựa trên tối thiểu 3 giá trị đo.
13.3.2.5 Góc nghiêng của vết lõm (β)
Góc nghiêng của vết lõm (β) được tính dựa trên giá trị trung bình các giá trị góc nghiêng riêng lẻ đo trên từng hàng lõm.
13.3.3 Bước xoắn của tao cáp (P)
Bước xoắn của tao cáp (P) được xác định là khoảng cách giữa hai điểm tương tự nhau liên tiếp của cùng một sợi.
CHÚ THÍCH: Nên đo khoảng cách này trên một tờ giấy trên đó có in hình của tao cáp bằng phương pháp thích hợp.
13.3.4 Độ thẳng
Độ vồng (hb) thể hiện độ thẳng của sản phẩm được xác định bằng cách đo trong mặt phẳng cong khoảng hở giữa sản phẩm và đường thẳng nối hai đầu của hai giá đỡ cố định cách nhau 1 m trên đó đỡ sản phẩm (xem Hình 7)

Hình 7 – Đo độ vồng.
14 Xác định diện tích gân tương đối (fR)
14.1 Qui định chung
Việc xác định diện tích gân tương đối (fR) được tiến hành dựa trên các kết quả đo trong 13.3.1.

Hình 8 – Xác định diện tích mặt cắt dọc FR
14.2 Tính fR
Diện tích gân tương đối được tính theo công thức sau:

Trong đó
– n là số hàng gân ngang có trên chu vi;
– m là số lượng mặt nghiêng trên các gân ngang khác nhau trong một hàng;
– FR =
là diện tích mặt cắt dọc của một gân (xem Hình 8).
Nếu công thức tổng quát trên đây khó áp dụng vì phải dùng các thiết bị đặc biệt, có thể sử dụng công thức giản lược.
Có thể sử dụng các công thức giản lược như sau:
a) Công thức hình thang:
fR = (a1/4 + am + a3/4) (![]()
b) Công thức Simpson:
fR = (2a1/4 + am + 2a3/4) (![]()
c) Công thức Parabol:
fR =
(![]()
d) Công thức kinh nghiệm:
![]()
Trong đó:
–
là hệ số kinh nghiệm thể hiện tương quan giữa fR ứng với một biên dạng sợi nhất định;
– các giá trị a1/4, am, a3/4 được xác định theo 13.3.1.2;
–
được xác định như trong 13.3.1.4.
Công thức dùng để tính fR phải được đưa vào trong báo cáo thử.
15. Xác định sai lệch khối lượng
15.1 Mẫu thử
Mẫu thử phải tuân theo các yêu cầu chung trong điều 4. Ngoài ra, mẫu thử phải có các đầu mút được cắt vuông góc với trục.
15.2 Độ chính xác khi đo
Chiều dài và khối lượng của mẫu thử phải được đo với độ chính xác tối thiểu là ±0,5%.
15.3 Qui trình thử
Phần trăm sai lệch so với khối lượng đơn vị danh nghĩa sẽ là độ sai lệch giữa khối lượng đơn vị thực tế của mẫu thử so với khối lượng đơn vị danh nghĩa trong các tiêu chuẩn sản phẩm.
16. Báo cáo thử
Báo cáo thử phải bao gồm các thông tin sau:
a) số hiệu của tiêu chuẩn này;
b) tên của mẫu thử (bao gồm cả đường kính danh nghĩa của thanh, sợi và bó cáp);
c) chiều dài của mẫu thử;
d) phép thử đã tiến hành và các kết quả thử tương ứng;
e) tiêu chuẩn sản phẩm tương ứng, nếu có;
f) mọi thông tin phụ liên quan đến mẫu thử, thiết bị thử và qui trình thử.


