Nội dung toàn văn Tiêu chuẩn Việt Nam TCVN 8052-2:2009 về tấm lợp dạng sóng – phần 2 – phương pháp thử
TIÊU CHUẨN QUỐC GIA
TCVN 8052-2:2009
TẤM LỢP DẠNG SÓNG – PHẦN 2: PHƯƠNG PHÁP THỬ
Bitumen corrugated sheets – Part 2: Methods of test
Lời nói đầu
Tiêu chuẩn TCVN 8052-2 : 2009: do Viện Kiến trúc Nhiệt đới thuộc Trường Đại học Kiến trúc Hà Nội biên soạn, Tổng cục Tiêu chuẩn Đo lường Chất lượng thẩm định, Bộ Xây dựng đề nghị, Bộ Khoa học và Công nghệ công bố.
TẤM LỢP DẠNG SÓNG – PHẦN 2: PHƯƠNG PHÁP THỬ
Bitumen corrugated sheets – Part 2: Methods of test
1. Phạm vi áp dụng
Tiêu chuẩn này quy định phương pháp xác định các chỉ tiêu kỹ thuật của các loại tấm lợp dạng sóng dùng lợp mái nhà và công trình xây dựng.
2. Tài liệu viện dẫn
ISO 140 – 18 : 2006 Tiêu chuẩn phương pháp thử nghiệm cách âm;
ISO 8990 : 1994 Tiêu chuẩn phương pháp thử nghiệm cách nhiệt;
ISO 11925-2:2002 Tiêu chuẩn phương pháp thử nghiệm bắt cháy;
ISO 9227 : 2006 Tiêu chuẩn phương pháp thử nghiệm ăn mòn do sương muối;
IEC 60721-2-2: Phân loại điều kiện môi trường – Phần 2: Điều kiện xuất hiện trong môi trường thiên nhiên mưa, gió… Wind Classification of Environmental Conditions Part 2: Environmental Conditions Appearing in Nature Precipitation and Wind
3. Lấy mẫu
Mẫu thử được lấy theo quy định ở Bảng 1
Bảng 1 – Các phép thử và điều kiện
|
Điều tham khảo |
Các phương pháp thử, chỉ tiêu |
Số lượng |
Kích thước |
Điều kiện |
|
3 |
Lấy mẫu |
|
|
|
|
4 |
Các kích thước cơ bản |
3 |
Cả tấm |
A |
|
4.1 |
Đo chiều dài |
3 |
Cả tấm |
A |
|
4.2 |
Đo chiều rộng |
3 |
Cả tấm |
A |
|
4.3 |
Đo chiều dày |
1 |
Cả tấm |
A |
|
4.4 |
Chiều cao của các nếp uốn sóng |
1 |
Cả tấm |
A |
|
4.5 |
Bước sóng |
1 |
Cả tấm |
A |
|
4.6 |
Đo độ thẳng góc |
1 |
Cả tấm |
A |
|
5. |
Các đặc tính cơ học |
|
|
|
|
5.1 |
Độ bền uốn dưới tác động của tải trọng rơi |
5 |
2 m x chiều rộng vào khoảng từ 90 cm đến 110 cm |
B |
|
5.2 |
Độ bền kéo rách |
5 |
300 mm x 150 mm |
B |
|
6. |
Các đặc tính vật lý |
|
|
|
|
6.1 |
Tính không thấm nước |
1 |
300 mm x 150 mm |
A |
|
6.2 |
Tỷ lệ chất hữu cơ |
3 |
50 mm x 100 mm |
A |
|
6.3 |
Khối lượng |
12 |
Cả tấm |
B |
|
6.4 |
Tính đồng nhất |
12 |
Một nửa nếp uốn sóng x 200 mm |
A |
|
6.5 |
Khả năng cách nhiệt (ISO 8990) |
2 |
Lớn hơn 1 m2 |
A |
|
6.6 |
Âm thanh va đập (ISO 140-18) |
2 |
1 m x 1 m |
A |
|
7 |
Phản ứng với lửa |
|
|
|
|
7.1 |
Khả năng bắt lửa (ISO 11925-2) |
6 |
250 mm x 90 mm |
B |
|
8 |
Độ bền và an toàn |
|
|
|
|
8.1 |
Đồ bền kéo rách sau thí nghiệm già hóa nhiệt |
5 |
300 mm x 150 mm |
A |
|
8.2 |
Tính không thấm nước sau thí nghiệm già hóa nhiệt |
1 |
300 m x 150 mm |
A |
|
8.3 |
Già hóa nhiệt |
|
Xem 3.5.1 và 3.5.2 |
|
|
8.4 |
Khả năng chống ăn mòn |
3 x 5 |
150 mm x 100 |
A |
|
8.5 |
Khả năng chống tia tử ngoại |
2 |
300 mm x 80 mm |
A |
|
8.6 |
Khả năng chống va đập |
3 |
300 mm x 250 mm |
B |
|
8.7 |
Khả năng chống gió |
5 |
300 mm x 150 mm |
B |
|
CHÚ THÍCH: Điều kiện A quy định tất cả các mẫu thử phải được đặt trong điều kiện phòng thí nghiệm với thời gian 7 ngày sau đó mới tiến hành thí nghiệm. Điều kiện B quy định tất cả các mẫu thử phải được lưu giữ trong điều kiện nhiệt độ 27 oC ± 2 oC và độ ẩm tương đối 85 % ± 5 %. |
||||
4. Xác định các kích thước cơ bản
4.1. Đo chiều dài
4.1.1. Dụng cụ, thiết bị
– Thước đo, với độ chính xác đến 0,5 mm
– Mặt phẳng cố định
4.1.2. Cách tiến hành:
Việc đo chiều dài được thực hiện khi tấm lợp được đặt trên một mặt phẳng cố định.
Chiều dài được đo hoặc là ở điểm cao nhất của nếp uốn sóng hoặc là trong rãnh của nếp uốn sóng ở các nếp uốn sóng thứ hai và áp chót (Hình 1).
Thử nghiệm được tiến hành trên 3 tấm lợp khác nhau.
4.1.3. Biểu thị kết quả:
Kết quả là trung bình của 3 giá trị trung bình của hai lần đo mỗi tấm lợp.

CHÚ DẪN:
1. Mẫu thử
2. Mặt phẳng cố định
L. Chiều dài
b. Chiều rộng
Hình 1 – Sơ đồ đo chiều dài, chiều rộng tấm lợp
4.2. Đo chiều rộng
4.2.1. Dụng cụ đo
– Thước đo, với độ chính xác đến 0,5 mm.
– Mặt phẳng cố định.
4.2.2. Cách tiến hành
– Việc đo chiều rộng được thực hiện khi tấm lợp được đặt trên một mặt phẳng cố định.
– Chiều rộng được đo tại vị trí cách mỗi đầu của tấm lợp 100 mm.
– Thử nghiệm được tiến hành trên 3 tấm lợp khác nhau.
4.2.3. Biểu thị kết quả
Kết quả là trung bình của 3 giá trị trung bình của hai lần đo mỗi tấm lợp (xem Hình 1).
4.3. Đo chiều dày
4.3.1. Dụng cụ đo
Thiết bị đo có độ chính xác đến 0,1 mm với các bề mặt tiếp xúc phẳng có đường kính ít nhất là 5 mm.
4.3.2. Cách tiến hành
– Việc đo được thực hiện ở bên sườn của nếp uốn sóng hoặc ở phần bằng phẳng, cách rìa của tấm lợp 50 mm. Cần đo 10 vị trí tại sườn của nếp uốn sóng và/hoặc ở phần bằng phẳng, và đo 5 vị trí tại mỗi đầu của tấm lợp (Hình 2).
– Việc đo phải được thực hiện với áp suất tối đa là 2 N/cm2 để có thể đảm bảo cho bề mặt không bị nén khi đo.
– Thử nghiệm được tiến hành trên 1 tấm lợp.
CHÚ THÍCH: Khi cần thiết có thể phải cắt tấm lợp để đảm bảo cho việc đo thực hiện một cách chính xác.
4.3.3. Biểu thị kết quả
Kết quả là trung bình của 10 giá trị đo được, và được làm tròn đến 0,1 mm.x

CHÚ DẪN:
1. Mẫu thử
2. Thiết bị đo
t. Chiều dày
Hình 2 – Sơ đồ đo chiều dày tấm lợp
4.4. Chiều cao sóng
4.4.1. Dụng cụ đo
– Thiết bị đo có độ chính xác đến 0,1 mm;
– Một thanh nhẵn với chiều dài lớn hơn độ dốc của nếp uốn sóng và một mặt phẳng cố định.
4.4.2. Cách tiến hành
– Việc đo được thực hiện khi tấm lợp được đỡ trên một mặt phẳng cố định. Giá trị zero sẽ thu được bằng cách đo độ dày của thanh nhẵn trước khi lắp tấm lợp vào
– Thanh nhẵn được đặt trên hai nếp uốn sóng liền nhau có cùng độ cao. Chiều cao h của các nếp uốn sóng được đo cách mỗi đầu của tấm lợp 50 mm (Hình 3).
– Việc đo được thực hiện 4 lần, phân bố đều trên chiều rộng của tấm lợp, trừ các nếp uốn sóng đầu tiên và cuối cùng;
– Thử nghiệm được tiến hành trên 1 tấm lợp.
4.4.3. Biểu thị kết quả
Kết quả là trung bình của 8 giá trị đo, và được làm tròn đến 0,1 mm.

CHÚ DẪN:
1. Mẫu thử
2. Mặt phẳng cố định
3. Thiết bị đo
4. Thanh nhẵn
h. Chiều cao nếp sóng uốn
4.5. Đo bước sóng
4.5.1. Dụng cụ đo
4.5.1.1. Thước đo, có độ chính xác đến 0,5 mm.
4.5.1.2. Một mặt phẳng cố định
4.5.1.3. Một bộ gồm ít nhất 3 ống bằng sắt có đường kính bằng nhau và bằng 200 mm.
CHÚ THÍCH: Đường kính của ống phải được tính để có thể tiếp xúc với cả hai sườn của các nếp uống sóng.
4.5.2. Cách tiến hành
Trước khi đo, gờ phải được làm nhẵn để cho ống có thể được đặt đúng vị trí trên các sườn của nếp uốn sóng.
Việc đo được thực hiện khi tấm lợp được đặt trên một mặt phẳng cố định, đảm bảo rằng đường rãnh của tất cả các nếp uốn sóng đều chạm vào mặt phẳng này.
Tại một đầu của tấm lợp, đặt các ống vào trong các đường rãnh của các nếp uốn sóng, đầu ống đặt cách đầu tấm lợp một chút. Đo khoảng cách P giữa các ống chính xác đến 0,5 mm (Hình 4).
Tại mỗi đầu của tấm lợp, khoảng cách P được đo phân bố đồng đều trên chiều rộng của tấm lợp, ngoại trừ nếp uốn sóng đầu tiên và cuối cùng.
Thử nghiệm được tiến hành trên 1 tấm lợp.
4.5.3. Biểu thị kết quả
Kết quả là trung bình của 6 giá trị đo và được làm tròn lên ít nhất 0,5 mm.
4.6. Đo độ thẳng góc
Dùng eke có mỗi cạnh dài ít nhất 1m để xác định độ thẳng góc, áp suất một cạnh của ke với cạnh dài tấm, đỉnh góc vuông của ke trùng với đỉnh tấm. Đo khoảng cách lớn nhất giữa ke và cạnh còn lại của tấm sóng. Ở mỗi tấm sóng tiến hành đo ở 2 góc chéo nhau, chính xác đến 1mm.

CHÚ DẪN
1. Mẫu thử
2. Ống kim loại
3. a. Khoảng cách giữa các tấm sóng
Hình 4 – Sơ đồ đo bước sóng của tấm lợp
5. Xác định các chỉ tiêu cơ học
5.1. Xác định độ bền uốn dưới tác động của tải trọng
5.1.1. Dụng cụ
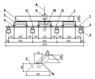
Dụng cụ thử nghiệm được mô tả ở Hình 5, bao gồm:
– Một bàn thí nghiệm theo phương nằm ngang vững chắc, lớn hơn tấm lợp;
– 4 ống vuông MSH 60/60/5 mm với chiều dài tối thiểu lớn hơn chiều rộng của tấm 10%;
– 6 rãnh 40/35/5 mm với chiều dài tối thiểu lớn hơn chiều rộng của tấm 10 %;
– 3 trụ đỡ + 3 thanh vuông 20/20 mm x 40 mm;
– Dầm chữ I HEA 140 x 1500 mm;
– Một xy lanh cơ điện hoặc thủy lực có thể tạo ra một lực 10 kN;
– Bộ phận tiếp nhận lực, được gắn giữa dầm chữ I và xy lanh;
– Một thiết bị điện tử đo độ giãn chính xác tới 0,01 mm với một đĩa đệm 20 mm được cố định ở trên;
– Một thước đo làm bằng kim loại có độ chính xác 0,5 mm.
5.1.2. Cách tiến hành
5.1.2.1. Bố trí
– Như minh họa ở Hình 5, bốn ống được đặt trên bàn thí nghiệm, được điều chỉnh cách nhau một khoảng là 620 mm và được cố định vào bàn thí nghiệm. Tấm lợp được đặt trên các ống vuông và được điều chỉnh nằm ở giữa phía dưới xy lanh. Trong trường hợp profile không theo tiêu chuẩn, đáy gần nhất của nếp uốn sóng luôn ở giữa xy lanh.
– 6 rãnh với 3 trụ đỡ được đặt trên tấm lợp và có thể điều chỉnh. Ở giữa mỗi trụ đỡ có đặt một thanh vuông để truyền tải từ dầm chữ I.
– Tổng khối lượng của tải trọng ban đầu sẽ bằng (60 ± 5) kg.
– Thiết bị đo độ uốn được gắn chắc theo phương thẳng đứng ở phía dưới mẫu thử. Vị trí này phải là ở chính giữa 2 ống vuông và ở đáy của một nếp uốn sóng nằm thẳng phía dưới xy lanh.
– Lắp 6 rãnh, 3 trụ đỡ, dầm chữ I, bộ phận tiếp nhận lực và thiết bị đo độ giãn, đảm bảo rằng không có khe hở nào ở giữa tấm lợp vào 2 ống vuông nằm ở giữa. Nếu có một khe hở nào thì tấm lợp không phù hợp cho thử nghiệm này và phải được thay đổi.
– Sau khi đã kiểm tra xong tình trạng khe hở, thiết bị điện tử đo độ uốn được đặt về mức 0.
5.1.2.2. Diện tích chịu tải
Chiều rộng W của tấm lợp được đo trước khi tiến hành thử nghiệm theo thí nghiệm 4.2, chiều dài sẽ gấp 3 lần khoảng cách giữa các ống vuông, có nghĩa là 3 x 620 mm = 1860 mm.
Diện tích chịu tải trọng F, tính bằng m2 được tính theo công thức (2):
Kích thước tính bằng milimét
F = W
(2)
Kích thước tính bằng milimét

CHÚ DẪN:
1. Mẫu thử
2. 4 ống vuông
3. Bàn thử theo phương ngang
4. 6 rãnh
5. Trụ đỡ
6. 3 thanh vuông
7. Dầm chữ l
8. Xy lanh
9. Bộ phận tiếp nhận lực
10. Thiết bị đo độ uốn
11. Kiểm tra
Hình 5 – Sơ đồ đo độ uốn dưới tải trọng hướng xuống
5.1.3. Cách tiến hành
– Cho xy lanh hoạt động với mức từ 1 đến 3 mm/phút.
– Lực và độ uốn phải được ghi lại cùng lúc, cho đến khi độ võng lớn hơn 4,0 mm.
– Thử nghiệm được tiến hành trên 5 tấm lợp khác nhau.
5.1.4. Biểu thị kết quả
Năm đồ thị (mỗi đồ thị cho mỗi tấm lợp) biểu diễn độ võng là hàm của lực tác động được in ra.
Lực P tạo ra độ uốn 3,1 mm cần được đọc trên các đồ thị này. Tải trọng đồng nhất T, tính bằng N/m2 cho mỗi tấm lợp được xác định theo công thức (3):
T =
(3)
Trong đó:
P: là lực uốn, tính bằng N
F: là diện tích chịu tải, tính bằng m2
Kết quả là trung bình của 5 tấm lợp, được làm tròn đến 10 N/m2.
5.2. Xác định độ bền kéo rách
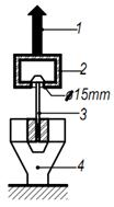
5.2.1. Thiết bị, dụng cụ
Dụng cụ thử nghiệm được miêu tả trong Hình 6, bao gồm:
– Một máy thử kéo với vận tốc 50 mm/phút;
– Một tấm kim loại với một lỗ hổng 50 mm ở giữa;
– 2 bàn kẹp, có tác dụng giữ cho mẫu thử không bị di chuyển;
– Một miếng đệm, có tác dụng giữ cho mẫu thử không bị di chuyển;
– Một đĩa làm bằng thép có đường kính 13 mm, dày ít nhất là 6 mm.
5.2.2. Cách tiến hành
Khoan một lỗ 3 mm ở giữa nếp uốn sóng trung tâm của mẫu thử.
Loại chốt đề xuất bởi nhà sản xuất được đóng vào giữa nếp uốn sóng trung tâm và chiếc đĩa được đặt ở đỉnh của nếp uốn sóng.
Thân của chiếc chốt được kẹp vào miệng của chiếc máy thử kéo.
Đo lực kéo tối đa để lôi chiếc đĩa xuyên qua mẫu thử.
Thử nghiệm được tiến hành trên 5 tấm lợp khác nhau.
Nếu nhà sản xuất chỉ định rõ một nếp uốn sóng nào đó chỉ nếp uốn sóng đó trên tấm lợp mới phải thử nghiệm.
5.2.3. Biểu thị kết quả
Kết quả là trung bình của 5 kết quả đo, được làm tròn đến đơn vị 1 Niutơn.

CHÚ DẪN:
1. Mẫu thử
2. Tấm kim loại
3. Bàn kẹp
4. Miếng đệm
5. Đĩa
6. Chốt được đề xuất
Hình 6 – Sơ đồ thử độ bền kéo rách của tấm lợp
6. Xác định các tính chất vật lý của tấm lợp
6.1. Xác định tính không thấm nước
6.1.1. Thiết bị, dụng cụ
– Một khung đã được điều chỉnh theo mẫu thử;
– Một lớp bịt trám;
– Nước được tách khoáng chất.
6.1.2. Cách tiến hành
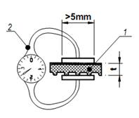
Kết cấu khung phải được đặt bao quanh mẫu thử và các rìa tiếp xúc ở giữa mẫu thử và cạnh của kết cấu khung phải được bịt kín để nước không lọt vào hay ra được (Hình 7).
Nước đã được tách khoáng chất được đổ vào thùng chứa này tới chiều cao 100 mm tính từ đỉnh của các nếp uốn sóng. Nhiệt độ của nước phải là (23 ± 2) oC.
Mẫu thử nghiệm được giữ trong vòng 48 giờ trong các điều kiện của phòng thí nghiệm, ở nhiệt độ (23 ± 3) oC. Sau đó mặt dưới của mẫu thử phải được kiểm tra xem có xảy ra sự thấm nước hay không.
Thử nghiệm được tiến hành trên 1 mẫu thử.
6.1.3. Biểu thị, kết quả
Thử nghiệm phải được đánh giá đạt hay không đạt bằng mắt.

CHÚ THÍCH:
1. Mẫu thử
2. 3 lớp uốn sóng
3. Kết cấu khung
4. Nước đã tách khoáng
5. Lớp bịt trám
Hình 7 – Sơ đồ thử tính không thấm nước của tấm lợp
6.2. Xác định tỷ lệ chất hữu cơ
6.2.1. Thiết bị, dụng cụ
– Lò nung có thể điều chỉnh ở nhiệt độ (575 ± 25) oC;
– Buồng làm khô có thể điều chỉnh ở nhiệt độ (70 ± 2) oC;
– Tủ sấy;
– Cân kỹ thuật với độ chính xác 0,001 g;
– 3 khay nung bằng sứ.
6.2.2. Điều kiện mẫu thử
Các mẫu thử phải được bảo quản trong các điều kiện của phòng thí nghiệm trong vòng ít nhất 7 ngày.
6.2.3. Cách tiến hành
Các mẫu thử (3 mẫu có kích thước 3 cm x 1,5 cm) được đặt vào trong buồng làm khô trong vòng ít nhất là 48 giờ ở nhiệt độ 70 oC. Sau đó các mẫu thử được cân và làm tròn đến 0,001 g, đây là khối lượng nước trước khi nung (m1). Khay nung được cân và làm tròn đến 0,001 g, đây là khối lượng của nồi nung rỗng (m0).
Các mẫu thử được đưa vào khay nung, và sau đó tất cả được đưa vào lò trong ít nhất 2 giờ ở nhiệt độ 575 oC. Sau đó, khay nung được đưa ra và được đặt vào tủ sấy. Khi được làm nguội (nhiệt độ trong phòng thí nghiệm), khay nung phải được cân và làm tròn đến 0,001 g, đây là khối lượng sau khi nung (m2).
Thử nghiệm được tiến hành trên 3 mẫu thử khác nhau.
6.2.4. Biểu thị kết quả
Tỷ lệ chất hữu cơ được tính theo công thức (4)
Thành phần chất hữu cơ (%) = 100 (1-
) (4)
Kết quả là giá trị trung bình của 3 mẫu thử và được làm tròn đến 0,1 %.
6.3. Xác định khối lượng (kg/m2)
6.3.1. Thiết bị, dụng cụ
Dụng cụ thử nghiệm là 1 cân với độ chính xác ± 10 g
6.3.2. Cách tiến hành
Tổng khối lượng của mỗi tấm lợp được chia cho diện tích tấm lợp (chiều dài (4.1) nhân với chiều rộng (4.2) của tấm), thử nghiệm được tiến hành trên 5 tấm lợp khác nhau.
6.3.3. Biểu thị kết quả
Kết quả là giá trị trung bình của tất cả 5 tấm lợp đã được thử nghiệm, được làm tròn tới 0,02 kg/m2.
6.4. Xác định tính đồng nhất của sản phẩm
6.4.1. Thiết bị, dụng cụ
Dụng cụ thử nghiệm là một máy cắt.
6.4.2. Cách tiến hành
Mỗi mẫu thử phải được tách bằng tay (hoặc với sự hỗ trợ của một máy cắt) sao cho có thể để lộ phần bề mặt bị tách lớn nhất (xem Hình 8).
Mỗi cm2 bề mặt cần được kiểm tra có chứa bitum hay không.
Thử nghiệm được tiến hành trên 12 mẫu thử.
6.4. Biểu thị kết quả
Thử nghiệm được coi là đạt nếu đối với tất cả 12 mẫu thử tất cả các diện tích lớn hơn 1 cm2 đều có chứa bitum.
CHÚ THÍCH: Thử nghiệm này dùng cho tấm lợp bitum và không dùng cho sản phẩm chỉ có một lớp.

Hình 8 – Sơ đồ tách lớp của tấm lợp bitum
6.5. Xác định khả năng cách nhiệt
Phương pháp thử nghiệm này được thực hiện theo phương pháp ghi trong tiêu chuẩn ISO 8990:1994. Buồng nhiệt được che chắn và kiểm định trước khi thử.
6.5.1. Thiết bị, dụng cụ.
– Một hộp cách ly;
– Một nguồn nhiệt (điện trở);
– Một máy có thể ghi nhiều loại nhiệt độ;
– 6 cặp nhiệt điện;
– Một phòng có điều hòa không khí ở nhiệt độ (± 2) oC và độ ẩm là (55 ± 5) %.

CHÚ DẪN:
1. Hộp ngăn được đốt nóng
2. Mẫu thử
3. Ngăn có nhiệt độ thấp
4. Nguồn nhiệt
Hình 9 – Sơ đồ thiết bị đo nhiệt trở
6.5.2. Cách tiến hành
Phép đo khả năng cách nhiệt cần được thực hiện trong một căn phòng có nhiệt độ (23 ± 2) oC và độ ẩm tương đối là (55 ± 5) %.
6 cặp nhiệt điện được đặt ở vị trí như đã được đề xuất ở tiêu chuẩn ISO 140-18.
Mẫu thử được đặt trong chiếc hộp cách ly và phải được bịt kín để có thể giảm sự mất nhiệt ở mức tối thiểu. Bề mặt của mẫu thử cần lớn hơn 1 m2.
Công suất đốt nóng (P) ở phía trong chiếc hộp cách ly phải được kiểm tra trước khi bắt đầu thử nghiệm.
Khi hệ thống đã sẵn sàng, điện trở được bật lên và máy ghi nhiệt độ sẽ bắt đầu quá trình ghi nhiệt trong vòng 3 giờ.
Sau 3 giờ, 6 chế độ nhiệt phải được ghi lại như sau:
a. Nhiệt độ bên ngăn đốt nóng:
Nhiệt độ không khí trung bình: Ta1
Nhiệt độ bức xạ trung bình: Tr1
Nhiệt độ bề mặt trung bình: Ts1
b. Nhiệt độ bên ngăn không đốt nóng:
Nhiệt độ không khí trung bình: Ta2
Nhệt độ bức xạ trung bình: Tr2
Nhiệt độ bề mặt trung bình: Ts2
6.5.3. Biểu thị kết quả
Hệ số truyền nhiệt U tính bằng W/(m2.K) được tính theo công thức (5):
U =
(5)
Trong đó:
P: công suất của điện trở tính bằng W;
A: bề mặt của mẫu thử tính bằng m2;
Tn1: Nhiệt độ môi trường trong hộp được nung nóng tính bằng oC;
Tn2: Nhiệt độ môi trường trong căn phòng có nhiệt độ thấp tính bằng oC.
6.6. Xác định độ ồn âm thanh va đập
Phương pháp thử nghiệm này thực hiện phép đo âm thanh được tạo ra bởi nước mưa trên các bộ phận công trình, theo (ISO 140-18:2006).
6.6.1. Thiết bị, dụng cụ
– Một bể chứa có đáy được khoan tạo ra mưa nhân tạo, kích thước 25 cm x 35 cm;
– Một máy đo mức âm có micrô;
– Một buồng cách ly trong đó có đặt mẫu thử với độ dốc tối đa là 5o
– Một phòng thử nghiệm có tiếng ồn nền tối thiểu.
6.6.2. Cách tiến hành
Mưa phải được phân loại theo lượng mưa, đường kính khối của các hạt mưa và tốc độ rơi dựa theo IEC 60721-2-2 (xem Bảng 2).
Bảng 2 – Bảng phân loại mưa
|
Loại mưa |
Lượng mưa (mm/h) |
Đường kính của các hạt mưa (mm) |
Tốc độ rơi (m/s) |
|
Mưa vừa |
Dưới 4 |
0.5 đến 1 |
1 đến 2 |
|
Mưa dầy |
Dưới 15 |
1 đến 2 |
2 đến 4 |
|
Mưa lớn |
Dưới 40 |
2 đến 5 |
5 đến 7 |
|
Mưa rào |
Lớn hơn 100 |
Lớn hơn 3 |
Lớn hơn 6 |
Bể chứa có đáy được khoan tạo ra mưa nhân tạo phải được thiết kế tuân thủ các thông số kỹ thuật theo Bảng 3 và Hình 10.
Chiều cao của bể chứa phải được điều chỉnh để có được tốc độ rơi của hạt mưa như được trình bày trong Bảng 3.
Bảng 3 – Các thông số kỹ thuật của bể chứa có đáy khoan lỗ
|
Các thông số của bể chứa có đáy khoan lỗ |
Mưa vừa, mưa dầy |
Mưa lớn, mưa rào |
|
Đường kính các lỗ khoan |
0.3 mm đến 0.5 mm |
1 mm |
|
Số lỗ hổng trên bề mặt đồng nhất |
Khoảng 25 trên mỗi m2 |
Khoảng 60 trên mỗi m2 |
|
Chiều cao đường rơi |
Khoảng 1 m |
1.2 m đến 3.5 m |
|
Sự phân bổ các hạt mưa |
Đồng đều |
Đồng đều |
|
Đường kính trung bình của các hạt mưa |
2 mm |
5 mm |
|
Tốc độ rơi |
(3 ± 1) m/s |
(6 ± 1) m/s |
|
Lượng mưa |
Dưới 15 mm/h |
Đến 100 mm/h |
|
Nguồn cấp nước |
Mức không đổi |
Mức không đổi |
Mẫu thử được đặt trong buồng cách ly và phải được bịt kín để có thể giảm mức ồn nền ở bên trong ở mức tối thiểu. Bề mặt của mẫu thử sẽ lớn hơn 1m2 và độ dốc sẽ lớn hơn 5o.
Buồng cách ly phải được đặt trong một căn phòng thử nghiệm và được đặt theo chiều dọc phía dưới hệ thống tạo mưa.
Trước khi làm đầy nước vào bể chứa, mức ồn phải được ghi lại giá trị trung bình của mức ồn nền L, bằng một máy đo mức âm trong vòng 1 phút.
Bể chứa phải được làm đầy nước và mức nước phải được giữ cố định.
Trước khi bắt đầu việc đo đạc, lượng mưa cố định phải được duy trì phía trên mẫu thử trong vòng ít nhất là 5 phút.
Sau đó, âm thanh va đập tự nhiên được ghi lại bằng một máy đo mức âm trong vòng 1 phút.
Giá trị Lsb (mức âm va đập tự nhiên) là mức âm tương đương được đo trong vòng 1 phút được tính bằng đêxiben (mức âm tín hiệu và mức ồn nền). Sau đó sẽ có sự hiệu chỉnh để có được giá trị mức âm va đập L.
Độ ồn va đập L (hay mức âm) được tính theo công thức (6):
L = 10log(10
– 10
) (6)
Trong đó:
– Lsb: mức âm va đập tự nhiên được tính bằng đêxiben;
– Ls: mức ồn nền được tính bằng đêxiben.
Thử nghiệm được tiến hành trên 2 mẫu thử khác nhau.
6.6.3. Biểu thị kết quả
Kết quả là giá trị cực đại trung bình của hai phép đo mức âm va đập, được làm tròn đến 0,1 đêxiben.
CHÚ THÍCH: Độ ồn va đập (hay mức áp suất âm) có thể được chuyển thành mức cường độ âm L1 bằng cách tính toán theo công thức được ghi trong tiêu chuẩn ISO 14-18, sử dụng các thông số khác như thời gian âm vang, thể tích phòng thử nghiệm, bề mặt của mẫu thử tiếp xúc trực tiếp với nước mưa.

CHÚ DẪN:
1. Nguồn cấp nước
2. Bể chứa nước có đáy khoan lỗ
3. Mẫu thử
4. Buồng cách ly
5. Micro
6. Máy đo mức âm
7. Máng thoát nước
8. h- độ cao nước rơi
Hình 10 – Sơ đồ thiết bị đo âm thanh va đập do mưa
7. Xác định phản ứng với lửa
7.1. Xác định tính bắt lửa
Phương pháp thử nghiệm này là tóm tắt của tiêu chuẩn ISO 11925-2. Để biết thêm chi tiết, xem các thử nghiệm phản ứng với lửa đối với thành phẩm xây dựng – Phần 2: Tính bắt lửa khi tiếp xúc trực tiếp với lửa (ISO 11925-2:1998).
7.1.1. Thiết bị, dụng cụ
– Một buồng đốt;
– Một nguồn phát lửa (bộ phận đánh lửa có thể được sử dụng ở góc nghiêng 45o);
– Một nguồn cung cấp prôpan thương phẩm ít nhất là 95% nguyên chất;
– Một bản giữ mẫu thử chuyên dụng;
– Một trụ đỡ điển hình như được minh họa ở hình 14, bàn giữ mẫu thử được gắn vào trụ đỡ này;
– Một đồng hồ bấm giây với vạch chia 0,2 giây;
– Một thiết bị đo chiều cao của ngọn lửa;
– Một thiết bị đo gió.

CHÚ DẪN:
1. Mẫu thử
2. Bàn giữ mẫu thử
3. Trụ đỡ
4. Chân bộ phận đánh lửa
5. Điểm tiếp xúc với lửa
Hình 11 – Sơ đồ thiết bị đo tính bắt lửa
7.1.2. Điều kiện mẫu thử
Các mẫu thử phải được bảo quản ở nhiệt độ (23 ± 2) oC và độ ẩm tương đối là (50 ± 5) % trong vòng ít nhất 7 ngày.
7.1.3. Cách tiến hành
– Khoảng cách giữa bộ phận đánh lửa và mẫu thử cần được kiểm tra.
– Bộ phận đánh lửa phải được đặt nghiêng một góc 45o
– Van của bộ phận đánh lửa cần được điều chỉnh sao cho chiều cao của ngọn lửa là 20 mm
– Đồng hồ bấm giây cần được khởi động vào thời điểm ngọn lửa bắt đầu tiếp xúc với mẫu thử.
– Ngọn lửa sẽ tác động vào đường chính giữa của mẫu thử (nếu mẫu thử có độ dày nhỏ hơn 3 mm thì ngọn lửa sẽ tác động vào điểm giữa của mẫu thử, 1.5 mm về phía dưới tính từ mặt phía trên của mẫu thử).
– Ngọn lửa sẽ tác động trong vòng 15 giây theo yêu cầu (loại E).
– Thử nghiệm sẽ kết thúc 20 giây sau khi ngọn lửa được dập tắt.
– Thử nghiệm được tiến hành trên 6 mẫu thử khác nhau.
7.1.4. Biểu thị kết quả
Đối với mỗi mẫu thử, các hiện tượng và thông số sau phải được ghi lại:
– Lửa có bốc cháy không;
– Lưỡi lửa có lan tới 150 mm hay không (ghi lại thời điểm);
– Phạm vi lan rộng tối đa của lửa (mm);
– Có xuất hiện sự nóng sáng hay không (ghi lại thời điểm);
– Có mảnh vụn nào bốc cháy không;
– Phạm vi khu vực bị hại (chiều dài và chiều rộng).
– Thử nghiệm được cho là thành công nếu lưỡi lửa không lan tới 150 mm trong 20 giây sau khi ngọn lửa được dập tắt (khi ngọn lửa tác động trong vòng 15 giây).
8. Xác định độ bền và an toàn
8.1. Xác định độ bền kéo rách sau thí nghiệm già hóa nhiệt
8.1.1. Thiết bị, dụng cụ
Xem 8.3 Thử nghiệm già hóa nhiệt.
Xem 5.2 Thử nghiệm độ bền kéo rách.
8.1.2. Cách tiến hành
Trước hết cần tiến hành thử nghiệm già hóa nhiệt (theo mục 8.3) trên mỗi mẫu thử. Sau chu trình cuối cùng, các mẫu thử được bảo quản trong vòng 24 giờ trong các điều kiện của phòng thí nghiệm và tiến hành thử nghiệm về độ bền kéo rách theo mục 5.2.
Thử nghiệm được tiến hành trên 5 mẫu thử.
8.1.3. Biểu thị kết quả
Kết quả là giá trị trung bình của 5 phép đo, được làm tròn đến 1 Niutơn
8.2. Xác định tính không thấm nước sau thí nghiệm già hóa nhiệt
8.2.1. Thiết bị, dụng cụ
Xem 8.3 Thử nghiệm già hóa nhiệt.
Xem 6.1 Thử nghiệm tính không thấm nước.
8.2.2. Cách tiến hành
Trước hết tiến hành thử nghiệm già hóa nhiệt (xem mục 8.3) trên mỗi mẫu thử. Sau chu trình cuối cùng, các mẫu thử được bảo quản trong thời gian ít nhất 24 giờ trong các điều kiện của phòng thí nghiệm và tiến hành thử nghiệm về tính không thấm nước (xem mục 6.1). Sau 48 giờ tiến hành kiểm tra mặt dưới của mẫu thử xem có xảy ra hiện tượng thấm nước hay không.
Thử nghiệm được tiến hành trên một mẫu thử.
8.2.3. Biểu thị kết quả
Thử nghiệm cần được đánh giá là đạt hay không đạt bằng mắt thường.
8.3. Già hóa nhiệt
8.3.1. Thiết bị, dụng cụ
– Một bể chứa nước được chưng cất ở nhiệt độ 23 oC;
– Một lò có thông hơi có khả năng duy trì nhiệt độ +50 oC;
– Một tủ lạnh có khả năng duy trì nhiệt độ + 5 oC.
8.3.2. Điều kiện mẫu thử
Các mẫu thử cần được bảo quản trong các điều kiện của phòng thí nghiệm trong vòng ít nhất 7 ngày.
8.3.3. Cách tiến hành
8.3.3.1. Hấp thụ
Các mẫu thử được đặt theo phương nằm ngang trong một bể chứa đã được tách khoáng. Các bề mặt cắt không được bảo vệ. Nhiệt độ của nước phải là (23 ± 2) oC và mức nước sẽ cao hơn đỉnh của các nếp uốn sóng 100 mm. Các mẫu thử không chạm vào nhau.
Mẫu thử lấy ra khỏi nước mà không được lau khô bề mặt.
8.3.3.2. Làm tươi
Mẫu được lấy ngay ra khỏi bể nước và đưa vào tủ lạnh ở nhiệt độ +5 oC.
8.3.3.3. Nung nóng
Mẫu thử được lấy ngay ra khỏi tủ lạnh và đưa vào lò có thông hơi ở nhiệt độ +50 oC.
8.3.3.4. Trình tự
– Bước 1: quá trình hấp thụ trong vòng (24 ± 1) giờ
– Bước 2:
§ Làm tươi trong vòng (16 ± 1) giờ
§ Nung nóng trong vòng (4 ± 1) giờ
§ Hấp thụ trong vòng (4 ± 1) giờ
(Lặp lại bước này 22 lần)
– Bước 3: Làm tươi trong vòng (16 ± 1) giờ
8.4. Xác định khả năng chống ăn mòn (do axit, kiềm và sương muối)
8.4.1. Thiết bị, dụng cụ
– Một bể chứa đầy dung dịch axit clohydric (HCl) 5 %;
– Một bể chứa đầy dung dịch Natri hydroxit (NaOH) 5 %;
– Một buồng thử sự ăn mòn bụi nước muối tuân thủ tiêu chuẩn quốc tế, bao gồm một chu trình tự động giữa việc phun bụi muối và ngưng tụ ẩm tại các nhiệt độ khác nhau;
– Muối ăn tiêu chuẩn (NaCl).
8.4.2. Điều kiện mẫu thử
Các mẫu thử phải được bảo quản trong các điều kiện của phòng thí nghiệm trong vòng ít nhất 7 ngày.
8.4.3. Cách tiến hành
8.4.3.1. Khả năng chống axit
Chuẩn bị một dung dịch 5 % axit clohydric ở nhiệt độ (23 ± 2) oC.
5 mẫu thử 150 mm x 100 mm được cắt từ các tấm lợp phân bố đều trên khắp chiều dài của mái.
Tất cả các mẫu thử được nhúng hoàn toàn vào dung dịch chứa HCl 5 % ở nhiệt độ (23 ± 2) oC trong khoảng thời gian tối đa là 800 giờ.
Cứ sau 24 giờ sẽ tiến hành kiểm tra bằng mắt.
Thời điểm xuất hiện dấu hiệu ăn mòn hay dấu hiệu thay đổi đầu tiên phải được ghi lại.
Thử nghiệm được tiến hành trên 5 mẫu thử.
8.4.3.2. Khả năng chống các chất kiềm
Chuẩn bị một dung dịch chứa Natri Hydroxit 5 % ở nhiệt độ (23 ± 2) oC.
5 mẫu thử 150 mm x 100 mm được cắt từ các tấm lợp phân bố đều trên khắp chiều dài của mái.
Tất cả các mẫu thử được nhúng hoàn toàn vào dung dịch chứa NaOH 5% ở nhiệt độ (23 ± 2) oC trong khoảng thời gian tối đa là 800 giờ.
Cứ sau 24 giờ sẽ tiến hành kiểm tra bằng mắt.
Thời điểm xuất hiện dấu hiệu ăn mòn hay dấu hiệu thay đổi đầu tiên phải được ghi lại.
Thử nghiệm được tiến hành trên 5 mẫu thử.
8.4.3.3. Khả năng chống sương muối
Phương pháp thử nghiệm này là tóm tắt của tiêu chuẩn ISO 9227. Để biết thêm chi tiết, xem các thử nghiệm sự ăn mòn trong các môi trường khí nhân tạo – Các thử nghiệm bụi nước muối (ISO 9227:2006).
Chuẩn bị một dung dịch nước đã được tách khoáng có chứa (50 ± 5) gam/lít Natri Clorua (NaCl lớn hơn 96.5%).
Độ pH của dung dịch nước muối này phải được điều chỉnh ở vào khoảng từ 6.5 đến 7.2 và ở nhiệt độ (25 ± 2) oC.
Các điều kiện để tiến hành thử nghiệm phải là:
– Nhiệt độ: (35 ± 2) oC;
– Tốc độ dòng chảy của bụi nước muối: (1,5 ± 0,5) ml/h;
– Nồng độ NaCl: (50 ± 5) g/l;
– Nồng độ pH của dung dịch nước muối: 6.5 đến 7.2.
Bụi nước muối sẽ không thay đổi trong suốt quá trình thử nghiệm.
5 mẫu thử 150 mm x 100 mm được cắt từ các tấm lợp phân bố đều trên khắp chiều dài của mái. Tất cả các mẫu thử được đặt trong buồng thử nghiệm trong khoảng thời gian tối đa là 800 giờ.
Cứ sau 24 giờ sẽ tiến hành kiểm tra bằng mắt.
Ghi lại thời điểm xuất hiện dấu hiệu ăn mòn hay dấu hiệu thay đổi đầu tiên.
8.4.4. Biểu thị kết quả
Khả năng chống ăn mòn (do axit, kiềm, sương muối) của tấm lợp cần được đánh giá là đạt hay không đạt khi sử dụng các tiêu chí khác nhau sau đây:
– Kết quả đánh giá bằng mắt sau thử nghiệm;
– Thời điểm xuất hiện dấu hiệu ăn mòn hay dấu hiệu thay đổi đầu tiên;
– Sự hao hụt khối lượng;
– Kiểm tra bằng kính hiển vi;
– Sự thay đổi các thuộc tính cơ học.
8.5. Xác định khả năng chống tia tử ngoại
8.5.1. Thiết bị, dụng cụ
8.5.1.1. Một buồng thử khả năng chống tia tử ngoại tuân thủ tiêu chuẩn quốc tế có khả năng điều chỉnh:
– Thời gian tiếp xúc với tia tử ngoại và thời gian ngưng tụ;
– Nhiệt độ trong phòng trong chu trình ngưng tụ hoặc tiếp xúc với tia tử ngoại.
8.5.1.2. Các đèn UV-A ( vùng tử ngoại A) (340 mm).
8.5.1.3. Nước được tách khoáng chất.
8.5.2. Điều kiện mẫu thử
Các mẫu thử phải được bảo quản ở các điều kiện của phòng thí nghiệm trong vòng ít nhất 7 ngày.
Thử nghiệm được tiến hành trên 3 mẫu thử.
8.5.3. Cách tiến hành
8.5.3.1. Bố trí
Các mẫu thử được đặt trong các vòng kẹp khác nhau theo hình. Để bịt kín hơi, cần phải lắp đặt tất cả các vòng kẹp (Hình 12).

CHÚ DẪN
1. Các đèn UV-A
2. Mẫu thử
3. Hơi nước
4. Nước làm nóng
5. Thiết bị làm nóng nước
Hình 12 – Sơ đồ buồng thử khả năng chịu tia tử ngoại
8.5.3.2. Chiếu UV-A
Trong bước chiếu tia UV-A, nhiệt độ của buồng thử phải là +45 oC và liều chiếu xạ là 0.65 W/m2/nm.
8.5.3.3. Ngưng tụ
Trong bước cho ngưng tụ, nhiệt độ của nước đã được tách khoáng phải là +50 oC.
8.5.3.3. Phun bụi nước
Trong bước phun bụi nước, nhiệt độ của nước đã được tách khoáng phải là ± 18 oC
8.5.3.4. Cách tiến hành
Bước 1: chiếu tia UV-A trong vòng 4 giờ.
Bước 2: Ngưng tụ trong vòng 4 giờ.
Bước 3: Phun bụi nước trong vòng 2 giờ.
GHI CHÚ: Các bước tiến hành này phải được lặp lại 100 lần (800 giờ). Sau đó năng lượng bức xạ ánh sáng phải là gần 1 MJ/m2.
8.5.4. Biểu thị kết quả
Khả năng chống tia tử ngoại của tấm lợp mái cần được đánh giá bằng mắt là đạt hay không đạt.
Không được thay đổi bề mặt trong quá trình thử.
CHÚ THÍCH: Không cần quan tâm tới sự thay đổi màu sắc của mẫu thử.
8.6. Xác định sức chống va đập
8.6.1. Thiết bị, dụng cụ
8.6.1.1.
Một thiết bị điển hình dùng để đo sức chống va đập. Kích thước của thiết bị này (trọng lượng và chiều dài của cánh tay đòn bẩy) được thiết kế sao cho có thể tạo ra năng lượng tối đa là (5,0 ± 0,5) Jun khi cánh tay đòn được đặt vuông góc (Hình 13).
8.6.1.2.
Một thanh được làm bằng sáp parafin có tiết diện (25 x 25) mm2.
8.6.2. Điều kiện mẫu thử
Các mẫu thử phải được bảo quản trong các điều kiện của phòng thí nghiệm trong vòng ít nhất 7 ngày.
8.6.3. Các bước tiến hành
Mẫu thử được cân và làm tròn đến 1g (ms).
Mẫu thử được cố định vào điểm chót của cánh tay đòn bẩy sao cho rìa của tấm lợp va đập vào thanh làm bằng sáp parafin.
Mẫu thử va đập vuông góc vào thanh làm bằng sáp parafin.
Điều chỉnh góc a (xem Hình 13) để có thể nhận được năng lượng tối thiểu E truyền tới tấm lợp làm cắt đứt hoàn toàn thanh làm bằng sáp parafin.
Thử nghiệm được tiến hành trên 3 mẫu thử khác nhau.
8.6.4. Biểu thị kết quả
Sức chống va đập là năng lượng tối thiểu E cần thiết để mẫu thử có thể cắt hoàn toàn thanh làm bằng sáp parafin.
Kết quả được tính bằng Jun (theo công thức 6).
Năng lượng E được tính theo công thức (6):
(6)
Trong đó:
– ms: khối lượng của mẫu thử;
– m: khối lượng của cánh tay đòn bẩy;
– L: chiều dài của cánh tay đòn bẩy;
– a: góc tối thiểu để có thể cắt đứt hoàn toàn thanh làm bằng sáp parafin;
– g: gia tốc trọng trường (9,8 m/s2);

CHÚ DẪN:
1. Mẫu thử
2. Cánh tay đòn
3. Thanh làm bằng sáp Parafin
4. Trụ đỡ thiết bị
5. Thiết bị đo góc
6. Góc của cánh tay đòn
Hình 13 – Sơ đồ thiết bị thử sức chống va đập năng chịu tia tử ngoại
8.7. Xác định khả năng chống tốc mái
8.7.1. Thiết bị, dụng cụ
– Một máy thử kéo với vận tốc 50mm/phút;
– Một thiết bị điển hình được điều chỉnh theo mỗi phương pháp thử nghiệm (xem các Hình 14, Hình 15).
8.7.2. Điều kiện mẫu thử
Các mẫu thử phải được bảo quản ở nhiệt độ (23 ± 2) oC và độ ẩm tương đối (50 ± 5) % trong vòng ít nhất 7 ngày.
8.7.3. Các bước tiến hành
8.7.3.1. Độ bền kéo rách
Xem phương pháp thử nghiệm 5.2 (độ bền kéo rách).
Thử nghiệm được tiến hành trên 5 mẫu thử khác nhau.
8.7.3.2. Lực kéo chốt tuột ra khỏi đòn tay
Một loại chốt do hãng sản xuất tấm lợp đề xuất được đóng xuống đòn tay sao cho nó nhô lên khỏi đòn tay 40 mm (đòn tay làm bằng gỗ hay kim loại).
Đầu chiếc chốt được đặt ở miệng trên của máy thử kéo. Đòn tay được đặt ở miệng dưới của máy thử kéo (Hình 14).
Bắt đầu thử kéo với vận tốc 100 mm/phút.
Đo lực tối đa để kéo tuột chiếc chốt lên khỏi đòn tay.
Thử nghiệm được tiến hành trên 5 chiếc chốt khác nhau.

CHÚ DẪN:
1. Máy thử kéo
2. Đòn tay kim loại hoặc gỗ
3. Chốt
4. Khung giữ đòn tay
5. h- chiều cao chốt ngoài đòn tay
Hình 14 – Sơ đồ thiết bị thử kéo tuột chốt khỏi đòn tay
8.7.3.3. Lực kéo đứt mũ chốt
– Đầu chốt có mũ được đặt trong một thiết bị điển hình dùng cho thử nghiệm này. Đầu của chiếc chốt được kẹp và miệng của máy thử kéo (Hình 15).
– Bắt đầu thử nghiệm kéo với vận tốc 100 mm/phút.
– Đo lực tối đa để kéo mũ chốt ra khỏi chốt.
– Thử nghiệm được tiến hành trên 5 chiếc chốt khác nhau.

CHÚ DẪN
1. Máy thử kéo
2. Khung giữ mũ chốt
3. Chốt
4. Miệng kẹp của máy kéo
Hình 15 – Sơ đồ thiết bị thử kéo mũ chốt ra khỏi chốt
8.7.4. Biểu thị kết quả
8.7.4.1.
Lực phá hủy: Fph
Lực phá hủy Fph của mọi thí nghiệm (độ bền kéo rách, lực kéo chốt ra khỏi đòn tay và lực kéo mũ chốt ra khỏi chốt) đều là giá trị trung bình kết quả của 5 lần đo (lực kéo tối đa được ghi lại).
Kết quả được tính bằng N, được làm tròn đến đơn vị 1N (Niutơn).
8.7.4.2.
Tải trọng có thể chấp nhận: Ptt
Tải trọng Ptt mà hệ thống gìm giữ có thể chịu đựng được tính theo công thức:
Ptt = Fph x D x Cs (7)
Trong đó:
– Fph: giá trị của lực phá hủy thấp nhất trong số 3 thử nghiệm cơ học: độ bền kéo rách, lực kéo chốt ra khỏi đòn tay và lực kéo mũ chốt ra khỏi chốt.
– D: Mật độ chốt cố định (số lượng/m2).
– Cs: Hệ số an toàn, Khi lực phá hủy gây ra sự đứt gãy hệ thống gìm giữ, hệ số an toàn là 0.8.
Kết quả được tính bằng N (Niutơn).


