Nội dung toàn văn Tiêu chuẩn quốc gia TCVN 8060:2009 (ISO 14557 : 2002) về Phương tiện chữa cháy – Vòi chữa cháy – Vòi hút bằng cao su, chất dẻo và cụm vòi
TIÊU CHUẨN QUỐC GIA
TCVN 8060 : 2009
ISO 14557 : 2002
PHƯƠNG TIỆN CHỮA CHÁY – VÒI CHỮA CHÁY – VÒI HÚT BẰNG CAO SU, CHẤT DẺO VÀ CỤM VÒI
Fire-fighting hoses – Rubber and plastics suction hoses and hose assemblies
Lời nói đầu
TCVN 8060 : 2009 hoàn toàn tương đương với ISO 14557 : 2002.
TCVN 8060 : 2009 do Ban kỹ thuật tiêu chuẩn quốc gia TCVN/TC 21 Thiết bị phòng cháy chữa cháy biên soạn, Tổng cục Tiêu chuẩn Đo lường Chất lượng đề nghị, Bộ Khoa học và Công nghệ công bố.
PHƯƠNG TIỆN CHỮA CHÁY – VÒI CHỮA CHÁY – VÒI HÚT BẰNG CAO SU, CHẤT DẺO VÀ CỤM VÒI
Fire-fighting hoses – Rubber and plastics suction hoses and hose assemblies
1. Phạm vi áp dụng
Tiêu chuẩn này quy định các yêu cầu và phương pháp thử đối với vòi hút bằng cao su và chất dẻo, sau đây được gọi tắt là vòi hút dùng trong chữa cháy.
CHÚ THÍCH 1: Tất cả các áp suất được tính bằng đơn vị megapascals. 1 MPa = 10 bar.
Các yêu cầu bổ sung được quy định cho cụm vòi, đó là các vòi hút được lắp sẵn với các đầu nối do nhà sản xuất vòi hút thực hiện (xem Điều 8).
Các vòi hút kiểu A (cao su) được dùng ở nhiệt độ thấp nhất là – 20 °C, và kiểu B (dẻo nhiệt) được dùng ở nhiệt độ thấp nhất là -10 °C.
CHÚ THÍCH 2: Vòi hút được sử dụng ở nhiệt độ thấp hơn các nhiệt độ quy định trên có thể được cung cấp theo thỏa thuận giữa nhà sản xuất và khách hàng. Trong trường hợp này nên thử tính mềm dẻo ở nhiệt độ thấp tại nhiệt độ được quy định.
2. Tài liệu viện dẫn
Các tài liệu viện dẫn sau là rất cần thiết cho việc áp dụng tiêu chuẩn. Đối với các tài liệu viện dẫn ghi năm công bố thì áp dụng bản đuợc nêu. Đối với các tài liệu viện dẫn không ghi năm công bố thì áp dụng phiên bản mới nhất, bao gồm cả các sửa đổi.
ISO 176 : 1976, Plastics – Determination of loss of plasticizers – Activated carbon method (Chất dẻo – Xác định sự mất mát chất dẻo hóa – Phương pháp cacbon hoạt tính).
ISO 1307, Rubber and plastics hoses for general-purpose industrial applications – Bore diameters and tolerances, and tolerances on length (Vòi hút mềm cao su và chất dẻo dùng trong công nghiệp thông dụng – Đường kính lỗ và dung sai, dung sai chiều dài).
ISO 1402, Rubber and plastics hoses and hose assemblies – Hydrostatic testing (Vòi hút mềm cao su và chất dẻo và cụm vòi – Thử thủy tĩnh).
ISO 1746, Rubber or plastics hoses and tubing – Bending tests (Vòi hút mềm cao su hoặc chất dẻo và đường vòi hút – Thử uốn).
ISO 4672 : 1997, Rubber and plastics hoses – Sub-ambient temperature flexibility tests (Vòi hút mềm cao su và chất dẻo – Thử tính mềm dẻo ở nhiệt độ thấp nhất của môi trường xung quanh).
ISO 7233, Rubber and plastics hoses and hose assemblies – Determination of suction resistance (Vòi hút mềm cao su và chất dẻo và cụm vòi – Xác định sức cản hút).
ISO 7326 : 1991, Rubber and plastics hoses – Assessment of ozone resistance under static conditions (Vòi hút mềm cao su và chất dẻo – Đánh giá độ bền ozon ở điều kiện tĩnh).
ISO 8330, Rubber and plastics hoses and hose assemblies – Vocabulary (Vòi hút mềm cao su và chất dẻo và cụm vòi – Từ vựng).
ISO 8033, Rubber and plastics hoses – Determination of adhesion between components (Vòi hút mềm cao su và chất dẻo – Xác định lực bám dính giữa các thành phần).
ISO 11758, Rubber and plastics hoses – Exposure to a xenon arc lamp – Determination of changes in colour and appearance (Vòi hút mềm cao su và chất dẻo – Sự phơi ra trước đèn hồ quang xenon – Xác định sự thay đổi màu sắc và hình dạng bên ngoài).
3. Thuật ngữ và định nghĩa
Tiêu chuẩn này áp dụng các thuật ngữ và định nghĩa về áp suất làm việc, áp suất thử và áp suất nổ được nêu trong ISO 8330.
4. Phân loại
4.1. Kiểu vòi hút (cấu tạo vòi hút mềm)
Các vòi hút kiểu A phải có:
a) một lớp lót cao su có chiều dầy đồng đều, có độ đồng tâm hợp lý và không có các lỗ nhỏ, lỗ rỗ và các khuyết tật khác;
b) cốt bằng vật liệu dệt được đặt đồng đều vào vị trí bằng bất kỳ phương pháp thích hợp nào;
c) một hoặc nhiều sợi dây kim loại được quấn theo đường xoắn vít với bước đều nhau và áp sát đồng đều vào cốt để cho phép vòi hút đáp ứng được các yêu cầu về các thông số kỹ thuật;
d) một lớp cao su bọc ngoài, chịu được ozon, có chất lượng và chiều dầy đồng đều và không có khuyết tật.
Các vòi hút kiểu B phải có một lớp vật liệu nhựa nhiệt dẻo, dễ uốn, được đỡ bên trong bằng cốt vật liệu polime cứng vững, quấn theo đường xoắn ốc. Cốt và các thành phần mềm dẻo, dễ uốn của thành vòi hút phải cố định, không có các vết nứt, lỗ rỗ, vật lạ lẫn vào hoặc các khuyết tật khác.
4.2. Đầu mút vòi hút
Các đầu mút vòi hút phải tương thích với các đầu nối vòi hút hút và phù hợp với các tiêu chuẩn quốc gia có liên quan.
CHÚ THÍCH: Khi sử dụng các đầu mút mềm hoặc các đầu mút không có cốt dây thép cho các vòi hút kiểu A thì nên có vòng cốt vải dệt được phủ cao su bổ sung lấp vào bên ngoài phần không có cốt dây thép và đoạn có vòng đầu tiên của dây thép quấn theo đường xoắn vít.
Các đầu mút nên có nắp đậy hoặc được bịt kín để tránh sự xâm nhập của nước.
Việc quy định các kích thước của các đầu mút mềm hoặc không có cốt dây thép là do thỏa thuận giữa sản xuất và khách hàng.
5. Kích thước, dung sai và khối lượng lớn nhất
5.1. Đường kính trong và khối lượng lớn nhất
Các kích thước của vòi hút và dung sai, khi được đo theo ISO 4671, phải tuân theo các yêu cầu cho trong Bảng 1. Khối lượng trên một mét chiều dài của vòi hút phải phù hợp với Bảng 1.
Bảng 1 – Đường kính trong, dung sai đường kính trong và khối lượng lớn nhất trên một đơn vị chiều dài
|
Đường kính trong mm |
Dung sai đường kính trong mm |
Khối lượng trên một đơn vị chiều dài kg/m |
|
|
|
|
Kiểu A |
Kiểu B |
|
45 |
-0,2 đến +1,0 |
2,0 |
1,0 |
|
50 |
-0,2 đến +1,0 |
2,3 |
1,6 |
|
52 |
-0,2 đến +1,0 |
2,3 |
1,6 |
|
65 |
-0,2 đến +1,5 |
3,2 |
2,0 |
|
70 |
-0,2 đến +1,5 |
3,7 |
2,6 |
|
75 |
-0,2 đến +1,5 |
4,1 |
3,0 |
|
76 |
-0,2 đến +1,5 |
4,1 |
3,0 |
|
90 |
-0,2 đến +1,5 |
6,0 |
4,0 |
|
100 |
-0,2 đến +1,5 |
6,7 |
4,5 |
|
102 |
-0,2 đến +1,5 |
6,7 |
4,5 |
|
110 |
-0,2 đến +1,5 |
7,0 |
4,7 |
|
125 |
-0,5 đến +2,0 |
7,8 |
5,0 |
|
140 |
-0,5 đến +2,0 |
8,9 |
6,0 |
|
150 |
-0,5 đến +2,0 |
11,0 |
8,0 |
5.2. Chiều dài và dung sai chiều dài
Tổng chiều dài của vòi hút được cung cấp phải theo yêu cầu của khách hàng và phải được tính bằng mét. Dung sai chiều dài phải phù hợp với ISO 1307. Dung sai cho các chiều dài vòi hút cố định phải được quy định theo thỏa thuận giữa khách hàng và nhà sản xuất.
6. Các yêu cầu về tính năng của vòi hút hoàn chỉnh
6.1. Yêu cầu về thủy tĩnh
CHÚ THÍCH: Các yêu cầu về thủy tĩnh được cho dưới đây chỉ dùng cho các vòi hút hút. Các vòi hút định dùng để xả cũng như yêu cầu có các áp suất nổ và áp suất thử cao hơn phải được quy định theo thỏa thuận giữa khách hàng và nhà sản xuất.
6.1.1. Biến dạng dưới áp suất thử
Khi thử theo ISO 1402 ở nhiệt độ và áp suất cho trong Bảng 2, vòi hút không được nổ vỡ ra hoặc có bất cứ dấu hiệu nào về rò rỉ, nứt, biến dạng đột ngột hoặc các dấu hiệu hư hỏng khác.
Bảng 2 – Áp suất thử và áp suất nổ nhỏ nhất
|
Áp suất |
Nhiệt độ thử (23 ± 2) °C |
Nhiệt độ thử (55 ± 2) °C |
||
|
Kiểu A |
Kiểu B |
Kiểu A |
Kiểu B |
|
|
Áp suất thử MPa |
0,3 |
0,3 |
– |
0,15 |
|
Áp suất nổ nhỏ nhất MPa |
0,6 |
0,6 |
– |
0,3 |
6.1.2. Áp suất nổ
Khi thử theo ISO 1402 ở các nhiệt độ và áp suất cho trong Bảng 2, vòi hút không được nổ. Phải thử ba đoạn vòi hút, mỗi đoạn dài 1 m.
6.2. Lực bám dính (chỉ dùng cho vòi hút kiểu A)
Khi thử theo ISO 8033 lực bám dính giữa lớp lót và lớp cốt và giữa lớp phủ ngoài và lớp cốt không được nhỏ hơn 2,0 kN/m.
6.3. Tính mềm dẻo ở nhiệt độ thấp
Phép thử phải được thực hiện theo Điều 4, phương pháp B của ISO 4672 : 1997 ở nhiệt độ -10 °C đối với các vòi hút nhựa nhiệt dẻo và -20 °C đối với các vòi hút cao su.
CHÚ THÍCH: Các vòi hút được cung cấp cho sử dụng ở nhiệt độ thấp hơn các nhiệt độ quy định ở trên phải được thử ở nhiệt độ đã quy định.
6.4. Độ bền đối với ozon (chỉ dùng cho vòi hút kiểu A)
Khi thử theo phương pháp 3 của ISO 7326 : 1991 với độ khuyếch đại x 2, vỏ vòi hút không được có bất cứ dấu hiệu nào về nứt.
6.5. Độ bền uốn
Khi thử theo ISO 1746 với bán kính uốn cong nhỏ nhất bằng 10 lần đường kính trong thì vòi hút không được có bất cứ dấu hiệu nào về biến dạng dư hoặc bất cứ vết nứt nào có thể nhìn thấy được.
6.6. Sức chvòi hút tia tử ngoại ( UV ) (đèn hồ quang xenon) (chỉ dùng cho vòi hút kiểu B)
CHÚ THÍCH: Phép thử về sức chvòi hút UV và các yêu cầu dựa trên ISO 11578 sẽ được bổ sung thêm trong lần soát xét đầu tiên của tiêu chuẩn này khi đã có đủ kinh nghiệm.
6.7. Tổn thất khối lượng khi đốt nóng (chỉ dùng cho vòi hút kiểu B)
Khi thử theo phương pháp B của ISO 176 : 1976, vật liệu nhựa nhiệt dẻo dễ uốn dùng trong kết cấu của vòi hút không được có tổn thất khối lượng lớn hơn 4 %.
6.8. Độ bền trong chân không
Khi thử theo ISO 7233 vòi hút không được có các dấu hiệu nhìn thấy được về sự tách lớp, sự lõm vào hoặc sự sụt lở. Mẫu thử phải được thuần hóa trong 4 h truớc khi thử. Trong quá trình thử, mẫu thử phải được đặt trong bể nước ở (23 ± 2) °C đối với tất cả các cấp (loại) vòi hút và cũng ở (55 ± 2) °C đối với các vòi hút cấp 2. Áp suất bên trong của vòi hút phải đuợc giảm tới áp suất tuyệt đối 0,004 MPa (thấp hơn áp suất khí quyển 0,097 MPa) và phải duy trì chân không trong 10 min.
6.9. Độ bền đối với áp lực xung (chỉ dùng cho các vòi hút kiểu B)
Khi thử theo Phụ lục A, mẫu thử không được rò rỉ hoặc nứt gãy sớm hơn số chu kỳ tối thiểu là 10.000 chu kỳ. Trong trường hợp có sự hư hỏng trông một chiều dài bằng đường kính từ một đầu mút của mẫu thử thì phép thử phải được loại bỏ và tiến hành thử với một mẫu thử nữa.
6.10. Độ bền chịu nứt gãy của cốt (chỉ dùng cho các vòi hút kiểu B)
Khi thử theo Phụ lục B, cốt bằng polime của vòi hút phải chịu được uốn thay đổi chiều mà không có các vết nứt nhìn thấy được.
6.11. Tính mềm dẻo ở nhiệt độ môi trường
Khi thử theo Phụ lục C, độ võng tại tâm của cụm vòi không được nhỏ hơn giá trị thích hợp được cho trong Bảng 3.
Bảng 3 – Độ võng nhỏ nhất cho phép thử tính mềm dẻo
|
Đường kính trong |
Độ võng nhỏ nhất |
|
mm |
mm |
|
45 |
450 |
|
50 |
450 |
|
52 |
450 |
|
65 |
400 |
|
70 |
380 |
|
75 |
380 |
|
76 |
380 |
|
90 |
380 |
|
100 |
380 |
|
102 |
380 |
|
110 |
380 |
|
125 |
330 |
|
140 |
330 |
|
150 |
330 |
6.12. Độ bền trong chân không khi chịu uốn
Khi thử theo Phụ lục D, cụm vòi không được có các hư hỏng nhìn thấy được hoặc có bất kỳ biến dạng dư nào.
7. Ghi nhãn
Mỗi đoạn vòi hút phải được ghi nhãn dễ đọc, bền vững ít nhất là một nhãn trên một đoạn vòi hút với thông tin sau:
a) tên nhà sản xuất và/hoặc nhãn hiệu;
b) số hiệu và thời gian áp dụng của tiêu chuẩn này;
c) kiểu vòi hút và đường kính trong;
d) quý và năm sản xuất;
e) nhiệt độ thử tính mềm dẻo ở nhiệt độ thấp nếu thấp hơn nhiệt độ quy định cho vòi hút kiểu A hoặc kiểu B;
f) số phê duyệt và cơ quan phê duyệt hoặc phán xét của cơ quan phê duyệt, nếu có.
VÍ DỤ Tiền phong – TCVN 8060 : 2009 (ISO 14557:2002) A.100-Q2/2008.
8. Cụm vòi
CHÚ THÍCH 1: Trong một số trường hợp nhà sản xuất không cung cấp được toàn bộ vòi hút với các đầu nối kèm theo. Trong trường hợp này khách hàng nên xem đây là trường hợp nằm ngoài phạm vi của tiêu chuẩn này và nên bảo đảm thử an toàn của cụm vòi bằng biện pháp khác.
Khi các đầu nối vòi hút được nhà sản xuất vòi hút lắp ráp thì yêu cầu về an toàn của cụm vòi phải được nhà sản xuất thử nghiệm theo Phụ lục E trước khi cung cấp cho khách hàng. Không được có dấu hiệu rò rỉ hoặc dịch chuyển của vòi hút khỏi đầu nối.
CHÚ THÍCH 2: Nhà sản xuất vòi hút phải lắp các đầu nối vòi hút tuân theo các tiêu chuẩn quốc gia hoặc các quy chuẩn có liên quan.
PHỤ LỤC A
(quy định)
THỬ ÁP LỰC XUNG
A.1. Mẫu thử
Ít nhất phải thử ba mẫu thử vòi hút có lắp đầu nối ở đầu mút. Khoảng cách giữa các đầu nối ít nhất phải bằng năm lần đường kính trong của vòi hút.
A.2. Thiết bị
Một mạch có khả năng tạo ra một áp lực thủy lực bên trong, áp lực này có thể được ngắt ở một mức xác định trước, được làm chậm lại trong một khoảng thời gian cố định và sau đó chu kỳ áp lực xung được lặp lại. Chu kỳ áp lực xung phải tuân theo các yêu cầu áp suất/thời gian của Hình A.1. Một mạch thích hợp được giới thiệu trên Hình A.2.
A.3. Chất lỏng thử
Chất lỏng thử phải là nước vì nước có thể được làm khô đi một cách thích hợp.
A.4. Sự ổn định
Không tiến hành phép thử trong vòng 24 h sau khi vòi hút được sản xuất ra. Các mẫu thử phải được ổn định ở (23 ± 2) °C trong thời gian tối thiểu là 3 h trước khi thử.
CHÚ THÍCH: Thời gian ổn định 3 h có thể được bao gồm trong khoảng thời gian 24 h sau khi sản xuất vòi hút.
A.5. Tiến hành thử
Nối mẫu thử ở trạng thái thẳng với thiết bị vào bảo đảm cho nhiệt độ của chất lỏng thử và của môi trường xung quanh là (23 ± 2) °C. Rút toàn bộ không khí ra khỏi mẫu thử và tác động 10.000 chu kỳ áp lực xung. Áp suất lớn nhất của chu kỳ thử (xem Hình A.1) phải là 0,18 MPa.
CHÚ THÍCH: Do phép thử này dài cho nên cho phép có sự gián đoạn ngắn. Phép thử có thể được bắt đầu lại tại điểm gián đoạn nhưng không nên đưa sự gián đoạn này vào báo cáo thử.
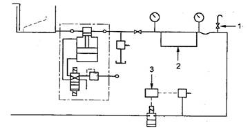
V
Hình A.1 – Chu kỳ áp lực xung

CHÚ GIẢI
1 Van xả không khí
2 Mẫu thử
3 Đồng hồ bấm giờ
Hình A.2 – Mạch thử áp lực xung thích hợp
PHỤ LỤC B
(quy định)
THỬ ĐỘ BỀN CHỊU NỨT GẪY CỦA CỐT VÒI HÚT (CHỈ DÙNG CHO VÒI HÚT KIỂU B)
B.1. Mẫu thử
Mỗi mẫu thử phải chứa ba đường xoắn ốc của cốt và phải được bổ tách ra bằng một đường cắt dọc theo chiều dài của mẫu thử. Phải tiến hành thử ba mẫu.
B.2. Dụng cụ mở mẫu
Các đoạn gỗ cứng hoặc các đoạn kim loại có tiết diện ngang hình vuông phù hợp với các giá trị thích hợp được cho trong Bảng B.1.
B.3. Sự ổn định
Không tiến hành phép thử trong vòng 24 h sau khi vòi hút được sản xuất ra. Các mẫu thử phải được ổn định ở (23 ± 2) °C trong thời gian tối thiểu là 3 h trước khi thử.
B.4. Tiến hành thử
Mở bung mẫu thử ra và đặt mẫu theo chiều dọc của dụng cụ mở mẫu thích hợp với đường kính trong của vòi hút (xem Bảng B.1) như đã chỉ dẫn trên Hình B.1. Giữ mẫu thử ở trạng thái này trong thời gian 336 h (đổi với phép thử lô) hoặc 4 tháng (đối với phép thử kiểu). Thực hiện phép thử ở nhiệt độ (23 ± 2) °C. Uốn ngược lại mẫu thử cho tới khi các bề mặt ngoài tiếp xúc với nhau và kiểm tra xem xét sự nứt gẫy của đường xoắn ốc (xem Hình B.1).
Bảng B.1 – Các kích thước của dụng cụ mà mẫu để thử độ bền chịu nứt gẫy của cốt vòi hút
|
Đường kính trong của vòi hút |
Cạnh thiết diện của dụng cụ mở mẫu |
|
mm |
mm |
|
45 |
29 |
|
50 |
31 |
|
52 |
31 |
|
65 |
34 |
|
70 |
36 |
|
75 |
37 |
|
76 |
37 |
|
90 |
41 |
|
100 |
44 |
|
102 |
44 |
|
110 |
47 |
|
125 |
49 |
|
140 |
51 |
|
150 |
53 |
B.5. Báo cáo thử
Báo cáo thử phải trình bày hoặc không có sự phá hủy hoặc vị trí và tính chất của sự phá hủy đối với mỗi mẫu thử, nếu có.

CHÚ DẪN:
1. Bề mặt ngoài
2. Bề mặt trong
3. Mẫu thử
4. Dụng cụ mở mẫu
5. Cạnh thiết diện của dụng cụ mở mẫu
Hình B.1 – Thử nứt gẫy của cốt vòi hút
PHỤ LỤC C
(quy định)
THỬ TÍNH MỀM DẺO Ở NHIỆT ĐỘ MÔI TRƯỜNG XUNG QUANH
C.1. Mẫu thử
Mỗi mẫu thử phải là một đoạn vòi hút và các đầu nối thích hợp để tạo ra chiều dài của toàn bộ cụm vòi là (2500 ± 25) mm.
C.2. Dụng cụ
C.2.1. Các dây treo thẳng đứng để treo mẫu thử bên dưới một dầm ngang ít nhất là 600 mm.
C.2.2. Cạnh thẳng, có chiều dài tối thiểu phải bằng chiều dài mẫu thử.
C.2.3. Quả cân hoặc lực có khả năng tạo ra lực tác dụng 450 N.
C.2.4. Thước hoặc thước dây bằng thép.
C.3. Quy trình
Treo mẫu thử ở nhiệt độ (23 ± 2) °C với các dây treo vòng quanh các đầu nối. Bố trí mẫu thử sao cho khi ở vị trí nghỉ mẫu thử tạo thành một cung với các dây treo ở vị trí thẳng đứng trong suốt quá trình thử (xem Hình C.1). Trong trường hợp vòi hút có đường kính trong bằng hoặc lớn hơn 125 mm, bổ sung thêm quả cân thích hợp vào giữa mẫu thử để tác dụng một lực thẳng đứng từ trên xuvòi hút 450 N, điều chỉnh lại các dây treo khi cần thiết.
CHÚ THÍCH Không bổ sung thêm quả cân đối với các vòi hút có đường kính trong nhỏ hơn.
Đặt một cạnh (thước) thẳng ngang qua đỉnh của các đầu nối dùng làm chuẩn và đo độ võng theo khoảng cách thẳng đứng giữa đường chuẩn và bề mặt trên của vòi hút tại trung điểm của cung.
C.4. Báo cáo thử
Báo cáo thử phải bao gồm các thông tin sau:
a) mô tả đầy đủ về cụm vòi;
b) ngày sản xuất vòi hút;
c) độ võng và chiều dài của cụm vòi;
d) ngày thử.

CHÚ DẪN:
1. Dây treo
2. Cạnh thẳng
3. Độ võng
4. Các đầu nối vòi hút
5. Mẫu thử
Hình C.1 – Dụng cụ để thử độ mềm dẻo
PHỤ LỤC D
(quy định)
THỬ ĐỘ BỀN TRONG CHÂN KHÔNG KHI CHỊU UỐN
D.1. Mẫu thử
Mẫu thử phải là một đoạn vòi hút và các đầu nối thích hợp để tạo ra chiều dài của toàn bộ cụm vòi là (2500 ± 25) mm.
D.2. Thiết bị
D.2.1. Bàn phẳng có một cạnh được làm tròn tới bán kính 25 mm.
D.2.2. Quả cân hoặc lực tương đương với khối lượng của hai mẫu thử.
D.2.3. Nguồn chân không.
D.3. Tiến hành thử
Cân mẫu thử. Giữ chặt một đầu nối với bàn (D.2.1) sao cho một nửa chiều dài mẫu thử được treo trên cạnh vê tròn của bàn và nửa còn lại của mẫu thử nằm ngang. Gắn quả cân hoặc lực tương đương vào đầu nối kia của mẫu thử ở nhiệt độ (23 ± 2) °C, cho tác dụng của chân không với áp suất thấp hơn áp suất khí quyển 0,097 MPa, nghĩa là áp suất tuyệt đối 0,004 MPa trong thời gian 5 min. Đưa áp suất trở về áp suất khí quyển, đặt mẫu thử trên bề mặt phẳng và kiểm tra xem xét các dấu hiệu của sự biến dạng hoặc hư hỏng.
D.4. Báo cáo thử
Báo cáo thử phải bao gồm các thông tin sau:
a) mô tả đầy đủ về cụm vòi;
b) ngày sản xuất vòi hút;
c) quả cân/lực được gắn vào cụm vòi;
d) ngày thử;
e) nhận xét vòi hút sau khi kết thúc phép thử.
PHỤ LỤC E
(quy định)
THỬ CỤM VÒI
E.1. Mẫu thử
Mẫu thử phải là vòi hút được lắp ráp đầy đủ với các đầu nối.
E.2. Tiến hành thử
Nâng áp suất đến áp suất thử như đã cho trong Bảng 2 và duy trì trong 1 min, trong thời gian này kiểm tra bất kỳ sự dịch chuyển nào của đầu nối hoặc sự rò rỉ.
Xả áp suất và cho phép cụm vòi nghỉ trong 1 min, sau đó lại tăng áp suất lên đến áp suất thử như đã cho trong Bảng 2, duy trì thêm trong 1 min và kiểm tra cẩn thận sự dịch chuyển của đầu nối hoặc sự rò rỉ.
Xả áp suất và kiểm tra lại.
CHÚ THÍCH : Có thể sử dụng phương pháp lấy mẫu theo thvòi hút kê để bảo đảm rằng các vòi hút trong lô đã cho tuân theo yêu cầu này.
PHỤ LỤC F
(tham khảo)
TẦN SUẤT THỬ TỐI THIỂU NÊN DÙNG
Bảng F.1 giới thiệu các tần suất tối thiểu nên dùng cho các phép thử quy định trong tiêu chuẩn này.
Các phép thử phê duyệt kiểu là các phép thử được thực hiện để xác định thiết kế và các phương pháp chế tạo vòi hút đáp ứng hoàn toàn các yêu cầu của tiêu chuẩn. Nên lặp lại các phép thử này khi kết cấu vòi hút hoặc vật liệu chế tạo vòi hút có sự cải tiến hoặc cứ ba năm một lần nếu trường hợp nào xảy ra trước tiên.
Các phép thử lô là các phép thử được thực hiện trên một vòi hút hoặc mẫu vòi hút từ mỗi lô sản xuất. Các phép thử trong sản xuất là các phép thử được thực hiện trên mỗi đoạn vòi hút được sản xuất.
Bảng F.1 – Tần suất thử tối thiểu nên dùng
|
Kích thước/tính chất được thử (với điều tham chiếu có liên quan) |
Thử kiểu |
Thử lô |
Thử trong sản xuất |
|
Đường kính trong (5.1) |
√ |
√ |
√ |
|
Dung sai chiều dài (5.2) |
√ |
√ |
√ |
|
Khối lượng lớn nhất (5.1) |
√ |
√ |
– |
|
Áp suất thử (6.1.1) |
√ |
√ |
– |
|
Áp suất nổ (6.1.2) |
√ |
√ |
– |
|
Lực bám dính (6.2) |
√ |
√ |
– |
|
Tính mềm dẻo ở nhiệt độ thấp (6.3) |
√ |
√ |
– |
|
Độ bền đối với ozon (6.4) |
√ |
√ |
– |
|
Tổn thất khối lượng khi đốt nóng (6.7) |
√ |
– |
– |
|
Độ bền trong chân không (6.8) |
√ |
√ |
– |
|
Áp lực xung (6.9) |
√ |
– |
– |
|
Độ bền chịu nứt gẫy của cốt (6.10) |
√ |
√ |
– |
|
Tính mềm dẻo ở nhiệt độ môi trường (6.11) |
√ |
√ |
– |
|
Độ bền trong chân không khi chịu uốn (6.12) |
√ |
– |
– |
|
Cụm vòi (khi áp dụng được) (Điều 8) |
√ |
√ |
√ |
THƯ MỤC TÀI LIỆU THAM KHẢO
TCVN ISO 9001 : 2008 Hệ thống quản lý chất lượng – Yêu cầu.


