Nội dung toàn văn Tiêu chuẩn quốc gia TCVN 8257-4:2009 về Tấm thạch cao – Phương pháp thử – Phần 4: Xác định độ kháng nhổ đinh
TIÊU CHUẨN QUỐC GIA
TCVN 8257-4 : 2009
TẤM THẠCH CAO – PHƯƠNG PHÁP THỬ – PHẦN 4: XÁC ĐỊNH ĐỘ KHÁNG NHỔ ĐINH
Gypsum boards – Test methods – Part 4: Determination of nail pull resistance
1. Phạm vi áp dụng
Tiêu chuẩn này quy định phương pháp xác định độ kháng nhổ đinh của tấm thạch cao.
2. Tài liệu viện dẫn
Các tài liệu viện dẫn sau là cần thiết khi áp dụng tiêu chuẩn này. Đối với các tài liệu viện dẫn ghi năm công bố thì áp dụng bản được nêu. Đối với các tài liệu viện dẫn không ghi năm công bố thì áp dụng phiên bản mới nhất, bao gồm các bản sửa đổi, bổ sung (nếu có).
TCVN 8257-1 : 2009, Tấm thạch cao – Phương pháp thử – Phần 1: Xác định kích thước, độ sâu của gờ vuốt thon và độ vuông góc của cạnh.
TCVN 8257-2 : 2009, Tấm thạch cao – Phương pháp thử – Phần 2: Xác định độ cứng của cạnh, gờ và lõi.
3. Nguyên tắc
Độ kháng nhổ đinh được đánh giá thông qua việc xác định tải trọng để đẩy được đầu đinh thủ xuyên qua chiều dày tấm thạch cao.
4. Lấy mẫu
Theo Điều 2 của TCVN 8257-1 : 2009.
5. Thiết bị và dụng cụ
5.1. Thiết bị thử
5.1.1. Thiết bị thử theo phương pháp A
Thiết bị thử có thể gia tải với tốc độ không đổi bằng (4,45 ± 0,45) N/s.
5.1.2. Thiết bị thử theo phương pháp B
Thiết bị thử có thể điều khiển tốc độ gia tải ở tốc độ ứng suất 25 mm/(60 ± 5) s.
5.2. Dụng cụ thử
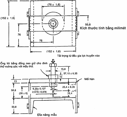
Có hai dạng: Dụng cụ thử đơn giản và dụng cụ thử kiểu pittông.
a) Dụng cụ thử đơn giản
Được mô tả ở Hình 1, bao gồm:
– Giá đỡ mẫu:
Giá đỡ có lỗ ở trung tâm, đường kính lỗ 76 mm. Giá đỡ mẫu này có kích thước không nhỏ hơn (152 x 152) mm, được gắn vào thiết bị gia tải sao cho bề mặt vuông góc với chiều chuyển dịch của đinh thử. Giá đỡ mẫu cũng phải cố định sao cho phương thẳng đứng của thân đinh đi qua tâm của lỗ.
– Đinh thử:
Đinh thử có đường kính phần thân đinh (2,515 ± 0,076) mm, đường kính phần đầu đinh (6,350 ± 0,127) mm. Phần đầu đinh có chiều dài tối thiểu là 25,4 mm, được gắn với đầu gia tải của thiết bị thử sao cho trục đinh thử song song với phương di chuyển đầu gia tải.
|
|
CHÚ DẪN: 1) Thiết bị thử 2) Giá đỡ mẫu 3) Đinh thử 4) Mẫu thử |
Hình 1 – Giản đồ thử độ kháng nhổ đinh
b) Dụng cụ thử kiểu pittông:
Được mô tả ở Hình 2. Toàn bộ dụng cụ sử dụng một pittông cơ với đầu và thân đinh liên kết chặt chẽ. Pittông lắp trong một ống lót giữ cho đinh vuông góc với mẫu thử, có thể trượt qua ống lót không phải dùng bất cứ lực nào.

Hình 2 – Dụng cụ thử kiểu pittông
5.3. Khoan
Khoan có mũi có thể tạo lỗ trên mẫu thử có đường kính (2,8 ± 0,1) mm.
5.4. Thước
Thước có độ chính xác đến 0,1 mm.
6. Chuẩn bị mẫu thử
Cắt 5 mẫu có kích thước (152 x 152) mm theo chiều ngang tấm thử. Đối với tấm có chiều rộng 1 220 mm, vị trí cắt cách gờ không nhỏ hơn 102 mm, với chiều rộng nhỏ hơn 965 mm thì cắt mẫu cách gờ không nhỏ hơn 76 mm.
Khoan lỗ định hướng ở tâm mẫu thử có đường kính (2,8 ± 0,1) mm xuyên qua chiều dày tấm thạch cao và vuông góc với bề mặt.
7. Điều kiện ổn định mẫu thử
Theo Điều 7 của TCVN 8257-2 : 2009.
8. Cách tiến hành
8.1. Xác định độ kháng nhổ đinh theo phương pháp A
Sử dụng thiết bị thử ở 5.1.1 để gia tải.
Đặt mẫu thử có mặt phải hướng lên trên giá đỡ sao cho tâm lỗ định hướng của mẫu thử trùng với tâm lỗ trên giá đỡ. Sau đó điều chỉnh thân định thử đi qua lỗ định hướng cho đến khi đầu đinh vừa chạm vào bề mặt mẫu thử.
Tiến hành gia tải cho đến khi đầu đinh thử phá vỡ bề mặt mẫu thử. Ghi lại tải trọng lớn nhất. Tải trọng này là độ kháng nhổ đinh của mẫu thử.
Độ kháng nhổ đinh theo phương pháp A của tấm mẫu là giá trị trung bình cộng của các mẫu thử lấy từ tấm mẫu đó, tính bằng N, với độ chính xác đến 1 N. Loại bỏ các mẫu riêng lẻ có sự sai khác với giá trị trung bình lớn hơn 15 %. Nếu lớn hơn 15 %, mẫu thử bị loại thì phải thử lại.
8.2. Xác định độ kháng nhổ đinh theo phương pháp B
Sử dụng thiết bị thử ở 5.1.2 để gia tải.
Đặt mặt phải mẫu thử lên trên giá đỡ sao cho tâm lỗ định hướng của mẫu thử trùng với tâm lỗ trên giá đỡ. Sau đó điều chỉnh thân đinh thử đi qua lỗ định hướng cho đến khi đầu đinh vừa chạm vào bề mặt mẫu thử.
Điều chỉnh tải trọng về giá trị 0 sau đó tiến hành gia tải cho đến khi đầu đinh thử phá vỡ bề mặt mẫu thử. Ghi lại tải trọng lớn nhất. Tải trọng này là độ kháng nhổ đinh của mẫu thử.
Độ kháng nhổ đinh theo phương pháp B của tấm mẫu là giá trị trung bình cộng của các mẫu thử lấy từ tấm mẫu đó, tính bằng N, với độ chính xác đến 1 N. Loại bỏ các mẫu riêng lẻ có sự sai khác với giá trị trung bình lớn hơn 15 %. Nếu lớn hơn 15 %, mẫu thử bị loại thì phải thử lại.
9. Báo cáo thử nghiệm
Theo Điều 6 của TCVN 8257-1:2009.



