Tiêu chuẩn Việt Nam TCVN8817-9:2011

  • Loại văn bản: Tiêu chuẩn Việt Nam
  • Số hiệu: TCVN8817-9:2011
  • Cơ quan ban hành: ***
  • Người ký: ***
  • Ngày ban hành: ...
  • Ngày hiệu lực: ...
  • Lĩnh vực: Xây dựng
  • Tình trạng: Không xác định
  • Ngày công báo: ...
  • Số công báo: Còn hiệu lực

Nội dung toàn văn Tiêu chuẩn quốc gia TCVN 8817-9:2011 về Nhũ tương nhựa đường axit – Phương pháp thử – Phần 9: Thử nghiệm chưng cất


TIÊU CHUẨN VIỆT NAM

TCVN 8817-9 : 2011

NHŨ TƯƠNG NHỰA ĐƯỜNG A XÍT – PHƯƠNG PHÁP THỬ – PHẦN 9: THỬ NGHIỆM CHƯNG CẤT
Cationic Emulsified Asphalt – Test Method – Part 9: Test Method for Distillation

Lời nói đầu

TCVN 8817-9:2011 được chuyển đổi từ 22 TCN 354:2006 theo quy định tại khoản 1 Điều 69 của Luật Tiêu chuẩn và Quy chuẩn kỹ thuật và điểm a khoản 1 Điều 7 Nghị định số 127/2007/NĐ-CP ngày 01/8/2008 của Chính phủ quy định chi tiết thi hành một số điều của Luật Tiêu chuẩn và Quy chuẩn kỹ thuật.

TCVN 8817:2011 do Viện Khoa học và Công nghệ Giao thông vận tải biên soạn, Bộ Giao thông vận tải đề nghị, Tổng cục Tiêu chuẩn Đo lường chất lượng thẩm định, Bộ Khoa học và Công nghệ công bố.

Bộ tiêu chuẩn TCVN 8817:2011 bao gồm 15 phần:

TCVN 8817-1:2011, Nhũ tương nhựa đường a xít – Phần 1: Yêu cầu kỹ thuật

TCVN 8817-2:2011, Nhũ tương nhựa đường a xít – Phương pháp thử – Phần 2: Xác định độ nhớt Saybolt Furol

TCVN 8817-3:2011, Nhũ tương nhựa đường a xít – Phương pháp thử – Phần 3: Xác định độ lắng và độ ổn định lưu trữ

TCVN 8817-4:2011, Nhũ tương nhựa đường a xít – Phương pháp thử – Phần 4: Xác định lượng hạt quá cỡ (Thử nghiệm sàng)

TCVN 8817-5:2011, Nhũ tương nhựa đường a xít – Phương pháp thử – Phần 5: Xác định điện tích hạt

TCVN 8817-6:2011, Nhũ tương nhựa đường a xít – Phương pháp thử – Phần 6: Xác định độ khử nhũ

TCVN 8817-7:2011, Nhũ tương nhựa đường a xít – Phương pháp thử – Phần 7: Thử nghiệm trộn với xi măng

TCVN 8817-8:2011, Nhũ tương nhựa đường a xít – Phương pháp thử – Phần 8: Xác định độ dính bám và tính chịu nước

TCVN 8817-9:2011, Nhũ tương nhựa đường a xít – Phương pháp thử – Phần 9: Thử nghiệm chưng cất

TCVN 8817-10:2011, Nhũ tương nhựa đường a xít – Phương pháp thử – Phần 10: Thử nghiệm bay hơi

TCVN 8817-11:2011, Nhũ tương nhựa đường a xít – Phương pháp thử – Phần 11: Nhận biết nhũ tương nhựa đường a xít phân tách nhanh

TCVN 8817-12:2011, Nhũ tương nhựa đường a xít – Phương pháp thử – Phần 12: Nhận biết nhũ tương nhựa đường a xít phân tách chậm

TCVN 8817-13:2011, Nhũ tương nhựa đường a xít – Phương pháp thử – Phần 13: Xác định khả năng trộn lẫn với nước

TCVN 8817-14:2011, Nhũ tương nhựa đường a xít – Phương pháp thử – Phần 14: Xác định khối lượng thể tích

TCVN 8817-15:2011, Nhũ tương nhựa đường a xít – Phương pháp thử – Phần 15: Xác định độ dính bám với cốt liệu tại hiện trường

NHŨ TƯƠNG NHỰA ĐƯỜNG A XÍT – PHƯƠNG PHÁP THỬ – PHẦN 9: THỬ NGHIỆM CHƯNG CẤT

Cationic Emulsified Asphalt – Test Methods – Part 9: Test Method for Distillation

1 Phạm vi áp dụng

1.1 Tiêu chuẩn này quy định phương pháp xác định hàm lượng nhựa và hàm lượng dầu có trong nhũ tương nhựa đường.

1.2 Tiêu chuẩn này không đề cập đến tất cả các vấn đề liên quan đến an toàn khi sử dụng. Người sử dụng tiêu chuẩn này có trách nhiệm thiết lập các nguyên tắc về an toàn và bảo vệ sức khỏe cũng như khả năng áp dụng phù hợp với các quy định khi đưa vào sử dụng.

2 Tài liệu viện dẫn

Các tài liệu viện dẫn sau đây là cần thiết để áp dụng tiêu chuẩn này. Đối với các tài liệu viện dẫn ghi năm công bố thì áp dụng bản được nêu. Đối với các tài liệu viện dẫn không ghi năm công bố thì áp dụng phiên bản mới nhất, bao gồm cả các sửa đổi, bổ sung (nếu có).

ASTM E1, Standard specification for ASTM thermometers (Quy định kỹ thuật đối với nhiệt kế ASTM)

ASTM E11, Standard specification for wire cloth and sieves for testing purposes (Quy định kỹ thuật đối với lưới sàng và sàng dùng cho thử nghiệm)

3 Tóm tắt phương pháp thử

Mẫu nhũ tương nhựa đường được nung nóng trong một nồi chưng cất làm bằng hợp kim nhôm đến nhiệt độ 260 oC±5 oC theo một trình tự, trong một khoảng thời gian quy định. Sa u khi kết thúc quá trình chưng cất, xác định hàm lượng nhựa và hàm lượng dầu.

Mẫu nhựa thu được sau khi chưng cất có thể được sử dụng để làm các th ử nghiệm khác theo yêu cầu.

4 Chuẩn bị mẫu thử

4.1 Khuấy đều để mẫu đạt độ đồng nhất trước khi thử nghiệm.

4.2 Đối với nhũ tương nhựa đường có quy định thử nghiệm độ nhớt ở 50 oC: Làm nóng mẫu đến nhiệt độ 50 oC±3 oC bằng cách đặt bình đựng mẫu vào bể nước hoặc tủ sấy, nắp đậy của bình đựng mẫu phải được mở để thoát khí. Sau khi nhiệt độ mẫu đạt đến 50 oC±3 oC, khuấy đều mẫu

để đạt độ đồng nhất.

4.3 Đối với nhũ tương nhựa đường có quy định thử nghiệm độ nhớt ở 25 oC: Khuấy đều mẫu trong bình đựng mẫu ở nhiệt độ 25 oC±3 oC để đạt độ đồng nhất.

CHÚ THÍCH 1 : Đối với nhũ tương nhựa đường có quy định thử ng hiệm độ nhớt ở 25 oC, mẫu có thể được làm nóng và khuấy như quy định tại 4.2, nếu cần thiết. Trong trường hợp này, mẫu sẽ được làm nguội đến nhiệt độ 25 oC±3 oC trước khi thử nghiệm.

5 Thiết bị và dụng cụ thử

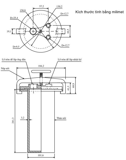
5.1 Nồi chưng cất làm bằnh hợp kim nhôm: Có chiều cao khoảng 240 mm, đường kính trong khoảng 95 mm, có nắp đậy và các kẹp như tại Hình 1. Có thể sử dụng vòng đệm làm bằng giấy dầu hoặc vật liệu phù hợp khác có khả năng chịu được nhiệt độ cao trong quá trình chưng cất, được đặt vào vị trí tiếp xúc giữa miệng nồi và nắp đậy của nồi chưng cất để đảm bảo độ chặt khít.

CHÚ THÍCH 2 : Kết quả thử nghiệm chưng cất bằng cách sử dụng nồi chưng cất làm bằng thép cũng có thể được chấp thuận

5.2 Nguồn nhiệt, gồm có:

– Một đèn đốt dạng vòng tròn sử dụng khí ga, có đường kính trong khoảng 125 mm, ở mặt tiếp xúc với nồi chưng cất (mặt phía trong) có các lỗ tròn (để cung cấp khí ga) và 3 mấu kim loại để định tâm đèn đốt xung quanh nồi chưng cất (xem Hình 2).

– Một đèn Busen dùng để gia nhiệt cho ống dẫn (xem Hình 3).

5.3 Hệ thống liên kết, gồm các bộ phận sau:

–  Một ống dẫn làm bằng thuỷ tinh hoặc kim loại có đường kính 12,5 mm±0,5 mm, một đầu được uốn cong để nối với nồi chưng cất thông qua lỗ tròn ở trên nắp nồi, ống dẫn được bảo vệ bằng một ống kim loại.

– Một ống ngưng bằng thuỷ tinh, được làm lạnh bằng nước mát, có vỏ bảo vệ làm bằng kim loại hoặc thuỷ tinh.

5.4 Ống đong thuỷ tinh: Hình trụ tròn, thể tích 100 mL, có vạch chia 1,0 mL.

5.5 Nhiệt kế: Hai nhiệt kế thủy ngân loại ASTM 7C phù hợp với tiêu chuẩn ASTM E1 (có phạm vi đo từ – 2 oC đến 300 oC, có vạch chia 1 oC) hoặc một loại thiết bị đo nhiệt độ khác có độ chính xác tương đương.

5.6 Cân: Có khả năng cân được 3500 g với độ chính xác ±0,1 g.

5.7 Các nút đệm: Làm bằng vật liệu si-li-côn, đặt trong các lỗ trên nắp đậy của nồi chưng cất để giữ nhiệt kế và ống dẫn.

5.8 Ống cao su: Có khả năng chịu được nhiệt độ cao, dùng để nối kết ống dẫn với ống ngưng.

5.9 Sàng: Một sàng tiêu chuẩn đường kính 76,2 mm , lỗ vuông có kích cỡ 300µm (No. 50), phù hợp với tiêu chuẩn ASTM E11.

CHÚ THÍCH 3 : Chi tiết về sơ đồ lắp đặt thiết bị thử nghiệm chưng cất xem Hình 3.

6 Tiến hành thử

6.1 Cân xác định tổng khối lượng của nồi chưng cất và các phụ kiện kèm theo bao gồm : nắp nồi, các nhiệt kế, nút đệm và vòng đệm (A, g).

6.2 Cân 200 g±0,1 g mẫu nhũ tương nhựa đường đã được chuẩn bị cho vào trong nồi chưng cất (B,g).

6.3 Đặt vòng đệm (nếu có sử dụng) vào giữa miệng nồi chưng cất và nắp đậy.

6.4 Đặt hai nhiệt kế xuyên qua hai lỗ tròn trên nắp nồi (ký hiệu hai nhiệt kế lần lượt là nhiệt kế 1 và nhiệt kế 2), điều chỉnh sao cho đầu dưới của nhiệt kế 1 cách đáy nồi khoảng 6 mm và đầu dưới của nhiệt kế 2 cách đáy nồi khoảng 165 mm.

CHÚ THÍCH 4 : Trong quá trình chưng cất, nếu thấy nhiệt độ của nhiệt kế 2 tăng đột ngột thì phải hạ nhiệt độ để tránh hiện tượng tạo bọt trong nồi chưng cất.

6.5 Đặt đèn đốt dạng vòng tròn cách đáy nồi chưng cất khoảng 150 mm. Gia nhiệt cho nồi chưng cất với ngọn lửa nhỏ, đồng thời sử dụng đèn b u-sen để gia nhiệt cho ống dẫn với độ nóng vừa đủ để nước không đọng lại trên thành ống.

6.6 Khi nhiệt độ trên nhiệt kế 1 đạt đến 215 oC thì hạ thấp đèn đốt dạng vòng đến ngang đáy nồi chưng cất. Tiếp tục gia nhiệt cho đến khi nhiệt độ đạt đến 260 oC ± 5 oC, duy trì ở nhiệt độ này trong thời gian 15 phút. Quá trình chưng cất phải được hoàn tất trong khoảng thời gian 60 phút ± 15 phút.

 

Hình 1 – Nồi chưng cất bằng hợp kim nhôm

Hình 2 – Đèn đốt dạng vòng

Hình 3 – Sơ đồ lắp đặt hệ thiết bị thí nghiệm chưng cất nhũ tương

CHÚ THÍCH 5: Vị trí của đèn đốt dạng vòng tại thời điểm bắt đầu thử nghiệm là không cố định. Nó có thể được nâng lên để giảm nguy cơ tạo bọt trong nồi chưng cất hoặc hạ thấp đến vị trí giữa của nồi chưng cất đối với nhũ tương nhựa đường không có dung môi. Đèn đốt dạng vòng có thể được hạ thấp dần trong quá trình chưng cất để đảm bảo thời gian thử nghiệm theo đúng quy định.

6.7 Ngay sau khi kết thúc quá trình chưng cất, cân xác định khối lượng của nồi chưng cất (bao gồm các phụ kiện kèm theo như đã nêu tại 7.1) và nhựa còn lại (C, g); xác định thể tích dầu thu được trong ống đong chính xác đến 0,5 mL (D, mL).

CHÚ THÍCH 6: Nồi chưng cất bằng hợp kim nhôm ở nhiệt độ phòng thí nghiệm nặng hơn 1,5 g so với bản thân nó ở nhiệt độ 260 oC. Do đó khối lượng của nồi chưng cất (bao gồm các phụ kiện kèm theo như đã nêu tại 5.1) xác định tại 5.7 được cộng thêm 1,5 g trước khi tính khối lượng nhựa đường thu được.

6.8 Nếu cần thử nghiệm xác định các chỉ tiêu trên hàm lượng nhựa thu được sau khi chưng cất thì phải rót ngay hàm lượng nhựa có trong nồi chưng cất vào một bình chứa qua sàng 300µm để lọc bỏ tạp chất.

7 Tính kết quả

7.1 Hàm lượng hàm lượng nhựa thu được (ký hiệu là HLN), đơn vị là % (theo khối lượng mẫu th ử nghiệm), được tính theo công thức:

7.2 Hàm lượng sản phẩm thu được là dầu (ký hiệu là HLD), đơn vị là % (theo thể tích mẫu th ử

nghiệm), được tính theo công thức sau:

trong đó:

A    là tổng khối lượng của nồi chưng cất và các phụ kiện trước khi thử nghiệm, g;

B    là khối lượng mẫu thử nghiệm, g;

C    là tổng khối lượng của nồi chưng cất có chứa các phụ kiện và hàm lượng nhựa sau khi nung, g;

D       là thể tích của sản phẩm thu được là dầu sau quá trình chưng cất, mL; trong thí nghiệm này, lấy khối lượng thể tích của nhũ tương nhựa đường bằng 1 g/cm3.

8 Độ chụm và độ chệch

8.1 Sử dụng các chuẩn cứ sau đây để đánh giá chấp nhận các kết quả (xác xuất 95 %):

8.1.1 Chấp nhận kết quả thu được của hai lần thử nghiệm khác nhau trên cùng một mẫu tại cùng thời điểm bởi cùng một thí nghiệm viên khi độ lặp lại không vượt quá quy định sau:

HLN, % theo khối lượng

Độ lặp lại, % theo khối lượng

50÷70

1,0

 

8.1.2 Chấp nhận kết quả thu được của hai phòng th ử nghiệm khác nhau khi cùng thử nghiệm một mẫu nếu độ tái lặp không vượt quá quy định sau:

HLN, % theo khối lượng

Độ tái lặp, % theo khối lượng

50÷70

2,0

8.2 Độ chệch của tiêu chuẩn này không thể xác định vì không có vật liệu nào có giá trị tham chiếu được chấp nhận có giá trị.

Leave a Reply

Your email address will not be published. Required fields are marked *